s.k. Опубликовано 25 Марта, 2010 в 16:49 Жалоба Поделиться Опубликовано 25 Марта, 2010 в 16:49 Спасибо огромное,Сергей. Пожалуйста, Олег! :smile: Ссылка на комментарий Поделиться на другие сайты Поделиться
Гость tarlyga Опубликовано 26 Марта, 2010 в 18:23 Жалоба Поделиться Опубликовано 26 Марта, 2010 в 18:23 Здравствуйте ! Может кто посоветует, какие кондеры применить? Варианты: Samwha RD,Hitachi HP3,Epcos,Elna LAH,Elna RJH,Rifa PEG225,Nichicon LS. Ссылка на комментарий Поделиться на другие сайты Поделиться
s.k. Опубликовано 27 Марта, 2010 в 05:03 Жалоба Поделиться Опубликовано 27 Марта, 2010 в 05:03 А черных ворот нету? Володь, не вводи камрадов в ступор такими вопросами! :smile: BG теперь сложно купить не контрафактные, если только в дорогих магазинах или на Ебее; да и то не факт, что не получишь подделку... Ссылка на комментарий Поделиться на другие сайты Поделиться
Гость orial Опубликовано 27 Марта, 2010 в 14:30 Жалоба Поделиться Опубликовано 27 Марта, 2010 в 14:30 .....Меджу тем , как весь Мир, решает "за добро" или "за зло" ...... Я таки собрал свю плату. И понял что косякнул нипадецки, тока когда пришел черед выходников впаивать. Чую, цоклевка не сходится.... Зеркально отпечатал маску и вот те на. Зато как удачно теперь встанут радиаторы на транзюки - рекомендую!. :smile: бутерброд К73-17 и МБМ 1мкФ*400В и 0.25 мкФ*160В на входе. На выходе ЛовЕСР CapXon 2200*35В , желтые шунты полипропелен 5мкФ*100В. Радиаторы комповые Титан на сокет АМ2. Затупил на схеме стабилизатора напряжения. Ктонить запостите схему питания для сабжа! А то тямы нет. WBR, Саня Ссылка на комментарий Поделиться на другие сайты Поделиться
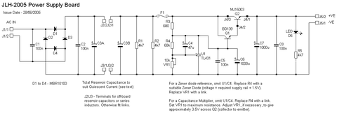
s.k. Опубликовано 27 Марта, 2010 в 16:37 Жалоба Поделиться Опубликовано 27 Марта, 2010 в 16:37 (изменено) Затупил на схеме стабилизатора напряжения. Ктонить запостите схему питания для сабжа! Чтобы лишний раз не давать ссылок, вот оригинальный БП: БП_69.doc Модернизированный БП - в посте 177 этой темы: Изменено 27 Марта, 2010 в 16:41 пользователем s.k. Ссылка на комментарий Поделиться на другие сайты Поделиться
s.k. Опубликовано 27 Марта, 2010 в 17:42 Жалоба Поделиться Опубликовано 27 Марта, 2010 в 17:42 Добавлю: в модернизированном варианте БП верхний вывод резистора R3 лучше подключить на выход стабилизатора - к эмиттеру Q2. Ссылка на комментарий Поделиться на другие сайты Поделиться
drummer Опубликовано 27 Марта, 2010 в 18:37 Жалоба Поделиться Опубликовано 27 Марта, 2010 в 18:37 Это не модернизация, это - уже другой стаб, компенсационный. Запускается нормально? Напрашивается включение транзисторов ОЭ ... Схем готовых много... Есть улучшения от модернизации? Ссылка на комментарий Поделиться на другие сайты Поделиться
s.k. Опубликовано 27 Марта, 2010 в 18:58 Жалоба Поделиться Опубликовано 27 Марта, 2010 в 18:58 Это не модернизация, это - уже другой стаб, компенсационный. Запускается нормально? Напрашивается включение транзисторов ОЭ ... Схем готовых много... Есть улучшения от модернизации? Честно говоря, именно на JLH-69 стаб-2005 не пробовал, с родным БП-69 и так было замечательно. :smile: Вариант стаба-2005 пробовал на Семынинском "ушнике" (ток 1А), показал себя с очень хорошей стороны... Запускался хорошо, только не забыть поставить шунтирующие резисторы по 4,7 кОм (я ставил один 2,2 кОм). Да, и Дарлингтон надо применять именно составной, а не использовать готовый - TIP142, КТ827, КТ829 и т.п... Ссылка на комментарий Поделиться на другие сайты Поделиться
Гость tarlyga Опубликовано 28 Марта, 2010 в 18:58 Жалоба Поделиться Опубликовано 28 Марта, 2010 в 18:58 Не сердитесь,если мой вопрос про кондеры кому-то показался дурацким.Просто я смотрел на сайте domko.ru и пытался выбрать.Их магазин есть в Омске. Ссылка на комментарий Поделиться на другие сайты Поделиться
s.k. Опубликовано 29 Марта, 2010 в 07:20 Жалоба Поделиться Опубликовано 29 Марта, 2010 в 07:20 Не сердитесь,если мой вопрос про кондеры кому-то показался дурацким.Просто я смотрел на сайте domko.ru и пытался выбрать.Их магазин есть в Омске. Вопрос не дурацкий, надо просто их слушать. Вот перечень конденсаторов, которые я использовал в качестве выходных (от худшего к лучшему): Samwha RD - Elna РЕН169 - Nichicon FG - Nichicon KG. Ссылка на комментарий Поделиться на другие сайты Поделиться
Гость orial Опубликовано 30 Марта, 2010 в 14:34 Жалоба Поделиться Опубликовано 30 Марта, 2010 в 14:34 Вопрос не дурацкий, надо просто их слушать. Вот перечень конденсаторов, которые я использовал в качестве выходных (от худшего к лучшему):Samwha RD - Elna РЕН169 - Nichicon FG - Nichicon KG. Сергей, а пленкой эти выходники были шунтированы? Или, как есть, электролит по схеме один на канал. зы: Москвичам мои искренние слова поддержки. WBR, Саня Ссылка на комментарий Поделиться на другие сайты Поделиться
s.k. Опубликовано 30 Марта, 2010 в 15:11 Жалоба Поделиться Опубликовано 30 Марта, 2010 в 15:11 Сергей, а пленкой эти выходники были шунтированы? Или, как есть, электролит по схеме один на канал.WBR, Саня Нет, шунты не ставил, для хорошего электролита шунт не нужен, ИМХО ( по крайней мере, для данной схемы ). В вольтодобавке ставил обычные коричневые ELNA (стандарт), в ООС - Nichicon KZ. Качество конденсатора в ООС не менее важно, чем качество выходного. Ссылка на комментарий Поделиться на другие сайты Поделиться
Рекомендуемые сообщения
Для публикации сообщений создайте учётную запись или авторизуйтесь
Вы должны быть пользователем, чтобы оставить комментарий
Создать учетную запись
Зарегистрируйте новую учётную запись в нашем сообществе. Это очень просто!
Регистрация нового пользователяВойти
Уже есть аккаунт? Войти в систему.
Войти