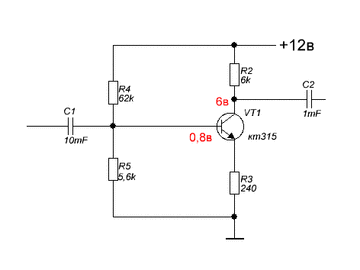
Гость химик Опубликовано 9 Декабря, 2014 в 10:18 Жалоба Поделиться Опубликовано 9 Декабря, 2014 в 10:18 Если между К и Э 9,5В, при питании напр.12В., значит транзистор недостаточно открыт. Нужно уменьшать номинал резисторов базового делителя, чтобы увелчить ток базы и лучше открыть тр-р, то же будет при уменьшении резистора в эмиттерной цепи, но при этом возрастёт усиление, значит и Кл нужно будет уменьшить. Делитель ставить не нужно. Нужно уменьшать коэф. усиления или вводить ООС по напряжению, с коллекторана базу, через резистор 10 - 100 ком (подбирается) Уменьшил номиналы сопротивлений делителя в 2 раза, напряжение между К и Э также уменьшилось в 2 раза. Картинка неизменилась :smile: Верхняя полуволна также само подрезаеться. Там на схеме по ссылке было нарисовано на коллекторе половина питающего напряжения, а на базе 1,6в. У меня почемуто постоянно 0,8в. Ссылка на комментарий Поделиться на другие сайты Поделиться
Гость victors Опубликовано 9 Декабря, 2014 в 10:23 Жалоба Поделиться Опубликовано 9 Декабря, 2014 в 10:23 (изменено) 0,8 Вольта ГДЕ??? На каком уровне напряжения идёт ограничение верхней полуволны? Если уменьшить входной сигнал в 5 раз, как изменится форма выходного? Входной сигнал подаётся на базовый делитель через керамический конденсатор или электролит (может подтекать)? Форма входного сиграла имеет искажения или чистая синусоида? Изменено 9 Декабря, 2014 в 10:27 пользователем victors Ссылка на комментарий Поделиться на другие сайты Поделиться
Гость химик Опубликовано 9 Декабря, 2014 в 11:00 Жалоба Поделиться Опубликовано 9 Декабря, 2014 в 11:00 (изменено) 0,8 Вольта ГДЕ??? На каком уровне напряжения идёт ограничение верхней полуволны? Если уменьшить входной сигнал в 5 раз, как изменится форма выходного? Входной сигнал подаётся на базовый делитель через керамический конденсатор или электролит (может подтекать)? Форма входного сиграла имеет искажения или чистая синусоида? 0,8в на базе транзистора; Ограничение появляеться, если на вход подаеться напряжение выше 0,2в; Если входной сигнал ниже чем 0,2в, то синусоида нормальная; Сигнал подаеться через электролит 10мкФ; Форма сигнла неимеет искажений. - вот Изменено 9 Декабря, 2014 в 11:05 пользователем химик Ссылка на комментарий Поделиться на другие сайты Поделиться
Chugunov Опубликовано 9 Декабря, 2014 в 13:21 Жалоба Поделиться Опубликовано 9 Декабря, 2014 в 13:21 нужно вдумчиво читать книгу "Искусство схемотехники" Хоровица и Хилла. Первый том, любое издание. Без обид. Гениальные слова, но книжки всё равно читать никто не будет, увы. Хотя, прочитав хотя бы несколько глав первого тома, все вопросы отпадут. Книга, кстати, расчитана на учеников средних классов советской школы и более доступных объяснений я не встречал. Но люди предпочитают упрямо биться лбом в дверь и не хотят прочесть надпись "нажмите кнопку звонка". Откуда взялся каскад с ОЭ для фильтров??? Сказано же было, только ОК (для биполярных транзисторов). У каскада с ОЭ НИЗКОЕ входное сопротивление (и высокое выходное), это убивает фильтр в данном случае. Почему ограничение? Это видно с первого взгляда и легко прикидывается в уме или считается на пальцах. Усиление каскада с ОЭ примерно равно отношению коллекторного к эмиттерному резистору. Считаем на пальцах: 6 кОм / 240 Ом = 25 (не бывает резисторов по 6 кОм, ну да ладно, точность калькулятора излишня и не нужна). Теперь на вход подаем 0,2 В. Если это действующее значение, то амплитуда 0,3 В. И вот эта амплитуда умножается на 25. 0,3 х 25 = 7,5 В в одну сторону и другую - ОГРАНИЧЕНИЕ т. к. питание 12 В и больше чем ±6В каскад выдать не может никак. Если 0,2 В то 0,2 х 25 = 5 В - на грани ограничения. Почему ограничение несимметричное? Читайте Хоровица и Хилла. Проще, нагляднее и доступнее не бывает. Так что не надо биться лбом в открытую дверь - так и должно быть. Ссылка на комментарий Поделиться на другие сайты Поделиться
Гость химик Опубликовано 9 Декабря, 2014 в 14:53 Жалоба Поделиться Опубликовано 9 Декабря, 2014 в 14:53 Гениальные слова, но книжки всё равно читать никто не будет, увы.Хотя, прочитав хотя бы несколько глав первого тома, все вопросы отпадут. Книга, кстати, расчитана на учеников средних классов советской школы и более доступных объяснений я не встречал. Но люди предпочитают упрямо биться лбом в дверь и не хотят прочесть надпись "нажмите кнопку звонка". :smile: книги скачал, но почитать, так руки и недоходят. Откуда взялся каскад с ОЭ для фильтров??? Сказано же было, только ОК (для биполярных транзисторов). У каскада с ОЭ НИЗКОЕ входное сопротивление (и высокое выходное), это убивает фильтр в данном случае. Сергей, прочитайте пост №160. Почему ограничение? Это видно с первого взгляда и легко прикидывается в уме или считается на пальцах. Усиление каскада с ОЭ примерно равно отношению коллекторного к эмиттерному резистору. Считаем на пальцах: 6 кОм / 240 Ом = 25 (не бывает резисторов по 6 кОм, ну да ладно, точность калькулятора излишня и не нужна). Теперь на вход подаем 0,2 В. Если это действующее значение, то амплитуда 0,3 В. И вот эта амплитуда умножается на 25. 0,3 х 25 = 7,5 В в одну сторону и другую - ОГРАНИЧЕНИЕ т. к. питание 12 В и больше чем ±6В каскад выдать не может никак. Если 0,2 В то 0,2 х 25 = 5 В - на грани ограничения. Почему ограничение несимметричное? Читайте Хоровица и Хилла. Проще, нагляднее и доступнее не бывает. Так что не надо биться лбом в открытую дверь - так и должно быть. Вот теперь все стало понятно, буду дальше эксперементировать. Ссылка на комментарий Поделиться на другие сайты Поделиться
Chugunov Опубликовано 9 Декабря, 2014 в 17:07 Жалоба Поделиться Опубликовано 9 Декабря, 2014 в 17:07 1 книги скачал, но почитать, так руки и недоходят.2 Сергей, прочитайте пост №160. 3 Вот теперь все стало понятно, буду дальше эксперементировать. 1 пока не дойдут, проблемы будут непрерывно, а понимания не будет. Одно дело - слепо что-то повторить и совсем другое - сделать что-то своё или даже просто настроить или найти неисправность. 2 Читал, но в этом посте ничего по теме каскадов с ОЭ в фильтрах нет. Просмотрел и другие посты. Невразумительно. Если нужно изменить усиление, это делается дополнительными каскадами, а ставить каскады с ОЭ ВНУТРЬ фильтра нельзя. Приведенная схема фазоинвертора или фазорасщепителя невразумительна. И в каскаде с ОК НЕ СТАВЯТ дополнительный резистор в цепь коллектора, ничего, кроме ухудшения параметров каскада это не даст! 3 Эксперименты - дело замечательное, но экспериментировать без желания познать азы теории, это занятие неэффективное, всё равно что искать дорогу впотьмах не желая включить фонарь. В книге материал изложен системно, а не кусочно-клипово, это дает общее понимание проблем. Ссылка на комментарий Поделиться на другие сайты Поделиться
Гость химик Опубликовано 13 Декабря, 2014 в 08:43 Жалоба Поделиться Опубликовано 13 Декабря, 2014 в 08:43 Невразумительно. Если нужно изменить усиление, это делается дополнительными каскадами, а ставить каскады с ОЭ ВНУТРЬ фильтра нельзя.Приведенная схема фазоинвертора или фазорасщепителя невразумительна. И в каскаде с ОК НЕ СТАВЯТ дополнительный резистор в цепь коллектора, ничего, кроме ухудшения параметров каскада это не даст! Вобщето я и пытаюсь сделать дополнительный каскад, чтоб усилить сигнал. В посте 160 полная рабочая схема и ниже приведены амплитудные значения на выходах. ЗЫ: книгу читаю, что такое резисторы уже выучил, перешол к конденсаторам :smile: Ссылка на комментарий Поделиться на другие сайты Поделиться
Chugunov Опубликовано 13 Декабря, 2014 в 11:22 Жалоба Поделиться Опубликовано 13 Декабря, 2014 в 11:22 Вобщето я и пытаюсь сделать дополнительный каскад, чтоб усилить сигнал. В посте 160 полная рабочая схема и ниже приведены амплитудные значения на выходах. Сергей! В посте 160 на "полной схеме" НЕТ ДОПОЛНИТЕЛЬНОГО КАСКАДА С ОЭ. НЕТУ! Такой каскад (или несколько каскадов) может быть нужен, но надо учитывать диаграмму уровней т. е. какой уровень сигнала по каскадам, в каком месте и на сколько его надо усилить. Фраза может сложная, в натуре всё проще. И не надо ссылок на всякие хабры-хуябры, мало ли какой бред там кто-то пишет: "А теперь перейдем к американцам, к пиндосам, которых много кто ненавидит. А ненавидят за то - что они лучше нас, и эта статья тому тоже улика." Читайте ПЕРВОИСТОЧНИК - первый том Хоровица и Хилла. Да и нужен даже не весь том, а несколько глав. Читать можно выборочно, а не "от корки до корки". В книгах написано лучше со всех сторон, чем выдранные оттуда клипы у вьюношей на сайтах-блогах. Далее. С фильтрами покончено, их работа устраивает? Осталось подогнать уровни? Тогда приведите блок-схему с указанием уровней - какие есть и какие надо получить. Если уровни в несколько вольт, надо указать какое питание у каскадов. Схемы с ОК не усиливают по напряжению, но имеют довольно высокое входное сопротивление и низкое выходное. Схемы с ОЭ усиливают (в основном) по напряжению, это усиление можно менять в определенных пределах. Они имеют относительно небольшое входное сопротивление (больше усиление=меньше сопротивление) и относительно высокое выходное. Полевые транзисторы, на которых изначально собраны фильтры, имеют совсем другие характеристики, ближе к ламповым, поэтому при их замене на биполярные, придется внести в схему некоторые изменения.. Ссылка на комментарий Поделиться на другие сайты Поделиться
Гость химик Опубликовано 14 Декабря, 2014 в 08:10 Жалоба Поделиться Опубликовано 14 Декабря, 2014 в 08:10 Так сойдет? Красным указаны максимальные амплитуды. Ссылка на комментарий Поделиться на другие сайты Поделиться
Chugunov Опубликовано 14 Декабря, 2014 в 13:06 Жалоба Поделиться Опубликовано 14 Декабря, 2014 в 13:06 Так сойдет? Красным указаны максимальные амплитуды. Более-менее, теперь есть предмет для разговора. Значит нужны два усилителя с коэффициентами 1,5 и 3. Однополярного питания 12 В достаточно для получения такой амплитуды. Может быть стоит оставить переменные резисторы на выходе каналов СЧ и НЧ, чтобы при настройке (а не при эксплуатации) подогнать уровень "по месту" т. е. под данные динамики и на слух (или по приборам). На первый взгляд подойдёт ваша схема из Сообщения 172, только номиналы надо изменить - усиление излишне. Наверное, с учетом регулировок и запаса, усиление можно сделать примерно 5. Вы уже можете попробовать: для этого надо номинал R3 вместо 240 Ом сделать 1...1,5 кОм (усиление=6...4), а R5 увеличить, чтобы получить на коллекторе примерно 6 В. Раз есть осциллограф, можете подогнать R5 до примерно симметричного ограничения, а заодно увидите искажения, усиление. Если С2 будет полярный, его + к коллектору. Ссылка на комментарий Поделиться на другие сайты Поделиться
Гость химик Опубликовано 17 Декабря, 2014 в 14:51 Жалоба Поделиться Опубликовано 17 Декабря, 2014 в 14:51 Более-менее, теперь есть предмет для разговора. Значит нужны два усилителя с коэффициентами 1,5 и 3. Однополярного питания 12 В достаточно для получения такой амплитуды. Может быть стоит оставить переменные резисторы на выходе каналов СЧ и НЧ, чтобы при настройке (а не при эксплуатации) подогнать уровень "по месту" т. е. под данные динамики и на слух (или по приборам). На первый взгляд подойдёт ваша схема из Сообщения 172, только номиналы надо изменить - усиление излишне. Наверное, с учетом регулировок и запаса, усиление можно сделать примерно 5. Вы уже можете попробовать: для этого надо номинал R3 вместо 240 Ом сделать 1...1,5 кОм (усиление=6...4), а R5 увеличить, чтобы получить на коллекторе примерно 6 В. Раз есть осциллограф, можете подогнать R5 до примерно симметричного ограничения, а заодно увидите искажения, усиление. Если С2 будет полярный, его + к коллектору. Значит так. Если R3 поставить выше 300 Ом, то усиление становиться меньше чем 1:3. Подбор сопротивлений в делителе, а именно увеличение R5 и соответственно R4 токо слегка изменяет форму верхней полуволны. Попрежнему сигнал идет без искажений, только если подавать на вход амплитуду ниже 200мВ. :smile: Ссылка на комментарий Поделиться на другие сайты Поделиться
Гость victors Опубликовано 17 Декабря, 2014 в 15:09 Жалоба Поделиться Опубликовано 17 Декабря, 2014 в 15:09 Если на входе 200 мв - на выходе искажения есть? Если да, какова амплитуда искажённой синусоиды - от пика до пика? На каком уровне, в вольтах, начинаются искажения? Какое напряжение питания? 12В или другое? Если входной делитель 62/5,6 Ком это ИМХО, не хорошо - транзистор скорее закрыт чем открыт и открыватся сильнее входным сигналом. Получается как режим "C" в радиопередатчиках - импульсное усиление, много помех (искажений). Поставь входной делитель - переменник - 22КОМ. Покрути, посмотри, что будет. Ссылка на комментарий Поделиться на другие сайты Поделиться
Рекомендуемые сообщения
Для публикации сообщений создайте учётную запись или авторизуйтесь
Вы должны быть пользователем, чтобы оставить комментарий
Создать учетную запись
Зарегистрируйте новую учётную запись в нашем сообществе. Это очень просто!
Регистрация нового пользователяВойти
Уже есть аккаунт? Войти в систему.
Войти