Гость victors Опубликовано 22 Октября, 2014 в 07:33 Жалоба Поделиться Опубликовано 22 Октября, 2014 в 07:33 Сергей, а где, на схеме, смещение на базе ЭП? Возьмите переменный резистор 10 Ком, и включите его на +/- 12В. К движку подключите постоянный резистор 47 КОм и с него подайте напряжение на левый вывод R1/ и сигнал туда же, через конденсатор, не менее 1 мк. Сначала осциллографом посмотрите, при каком напряжении на движке резистора, сигнал на выходе будет симметрично ограничиваться, при повышении входного уровня. Потом снизте рровень и снимайте АЧХ. Если результаты будут лучше прежних, можно резистор 47КОм заменить на переменник 100КОм + постоянный 10 КОм и посмотреть, как Кг зависит от тока базы. Ссылка на комментарий Поделиться на другие сайты Поделиться
Dimonos Опубликовано 22 Октября, 2014 в 19:57 Жалоба Поделиться Опубликовано 22 Октября, 2014 в 19:57 (изменено) Можно чуть подробней про ARTA, каким именно, ато их там 3 утилиты. Если только это, то пож-ста: Arta.exe И я подразумевал, что удобнее и нагляднее смотреть характеристики не нам, а Вам, т.к импульсом мерить быстрее. Окно импульсной характеристики включается при нажатии на кнопку Imp, потом надо измерить, нажав на запись, потом , когда в окне будет видна АЧХ нажать на кнопку( в окне АЧХ) Overley добавить график. Так вывести все 3 графика разных фильтров. Цвета графиков могут быть разными. Вы мерили АЧХ в режиме Fr1. Тоже можно, но семейство графиков проще получить сразу в режиме Imp. Графики можно сохранить в виде картинки (скопировать в буфер обмена и вставить в любой граф. редактор) ARTA посложнее RMAA, cоветую ознакомится с инструкцией: =https://cxo.lv/soft/comsoft/92-artasoftwarecomplex Пока Вам нужно прочитать только Первое знакомство и проверка измерительного тракта. И по такому же принципу замерять АЧХ. То же самое( вывод нескольких кривых на одном графике) есть и в RMAA, только процесс измерения дольше. PS. Неудачи с измерениями могут быть из за несогласованного входного сопротивления микрофонного входа ноутбука.Т.Е вход может иметь очень низкое сопротивление, что сильно влияет на результат измерений. В этом случае понятна такая "особенная" АЧХ сквозного тракта ноутбука. Это необязательно, но как вариант возможно. Если что то не клеится, в первую очередь надо убедиться в работоспособности приборов и методики измерения и только после этого перелопачивать схему. Добавлено после раздумий: Насчет ящика. Измерения непроводил, в интернете нашел параметры кемто снятые. Пишут что у нескольких экзэмпляров отличия незначительные. Ага... Потом после всего, претензии будете предъявлять этому комуто. Напишете " Эй ты, ктототам, на деревню дедушке.." У вас там разве на заборах ничего не пишут матерного? И что, это и есть этот предмет? Если уж захотелось что то перепилить и переделать, то параметры надо снимать самому и у конкретного экземпляра. Qts = 0,34; Vas = 30L; Fs = 42Гц Так красиво нарисовано, что даже не верится. Так бывает? Динамику с такими данными нужно ( без заполнения вообще): 8 литров для ЗЯ (94Гц по-3дб; 54Гц по -10дб) 14 литров для ФИ (59Гц по-3дб; 40Гц по -10дб) Но это не значит, что ФИ будет лучше по всем статьям, тем более с ИТУНом. Но я слабо верю, что там стоят ДГ с такими офигительными данными TS. Мои аналогичные динамики измеренные( куплены в магазине): 1) Qts=0,486; Vas=16,716L; Fs= 52 Гц 2) Qts=0,462; Vas=14,769L; Fs= 54 Гц Добавлено после раздумий: Об увеличении обьема ящика мне писали в самом начале темы. А в каком контексте помните? И что? Тем более, что с Ваших слов звук на низких отличный. Добавлено после раздумий: PSS. Параметры расчитывал такие .... Чудесно. Потом, если что не так, останется сущая мелочь- быстренько переделать динамики под ящик. Делов то.. Изменено 22 Октября, 2014 в 20:47 пользователем dimonos Ссылка на комментарий Поделиться на другие сайты Поделиться
Гость химик Опубликовано 19 Ноября, 2014 в 07:16 Жалоба Поделиться Опубликовано 19 Ноября, 2014 в 07:16 И снова здрасте. Непонравилась мне работа схемы Лексиных и я всетаки решил добить предыдущуюсхему. Вот что из этого вышло Схему отстроил полностью опытным путем, провозился правда несколько дней. Частично виновным в неудачах оказался микрофонный вход ноутбука. Он сильно коректирует АЧХ сигнала. Так например при изменении амплитуды изменяется частота по -3дБ или у ФНЧ амплитуда на выходе в 2 раза ниже чем у ФВЧ, а на графике получаеться почемуто наоборот завал по ФВЧ и подьем на ФНЧ. Вобщем разобрался со всем при помощи осцилографа и генератора. Теперь следущая задача вытекающая из схемы. При подаче на входы фильтров сигнала амплитудой в 1,7в на выходах получаеться: - ФНЧ = 0,5в; - ФСЧ :smile: = 1в; - ФВЧ = 1,05в; По ФВЧ снижаю амплитуду потенциометром. Соотношение на выводах потенциометра получаеться 1:30. А дальше надо подымать амплитуду в 1,5 раз, а у ФНЧ в 3 раза. Начал разбираться с усилителем на 1 транзисторе _https://blohher.xofportal.ru/usr/p/electro/2012-06-12/%D1%80%D0%B0%D1%81%D1%87%D0%B5%D1%82-%D1%83%D1%81%D0%B8%D0%BB%D0%B8%D1%82%D0%B5%D0%BB%D1%8F-ce Так и не понял по формуле, как расчитать Кус. Объясните пожалста. Ссылка на комментарий Поделиться на другие сайты Поделиться
Гость victors Опубликовано 19 Ноября, 2014 в 07:34 Жалоба Поделиться Опубликовано 19 Ноября, 2014 в 07:34 Если в схеме по рис. 2.35, убрать электролит из цепи эмиттера, то усиление каскада будет равно отношению сопротивлений резисторов - коллекторного к эмиттерному - около 9. Делитель, в базовой цепи, сделать, сначала, на переменном резисторе 47 или 100 КОм (лучше взять 100 КОм и КТ3102 или КТ315 с коэф. передачи больше 100) переменным резистором выставить на коллекторе пол питания. Если соотношение сторон переменника будет больше чем 1:3 (сильно выведен в сторону) - уменьшить номинал резистора или увеличить коэф передачи тр-ра. Ссылка на комментарий Поделиться на другие сайты Поделиться
Гость химик Опубликовано 27 Ноября, 2014 в 13:33 Жалоба Поделиться Опубликовано 27 Ноября, 2014 в 13:33 Виктор, что то неполучаеться. На входе и выходе уровень сигнала 1:1. Выставил потенциометром на коллекторе напряжение величиной 6в. Изменял сопротивление R3 в пределах 1к - 4,7к, без результатно. И еще вопрос, на выходе сигнал в данной схеме инвертированный или нет? Ссылка на комментарий Поделиться на другие сайты Поделиться
Гость victors Опубликовано 27 Ноября, 2014 в 13:44 Жалоба Поделиться Опубликовано 27 Ноября, 2014 в 13:44 Сергей, А какое напряжение между коллектором и эмиттером транзистора? Может он пробит, или в насыщении (открыт насвозь)? На коллекторе, в этой схеме, сигнал инвертированный, по отношению к входному. R3 попробуй уменьшать от 1Ком, до нуля. Входной сигнал - 1 КГц, 0,1В (от пика до пика, по осциллографу). Ссылка на комментарий Поделиться на другие сайты Поделиться
Гость химик Опубликовано 27 Ноября, 2014 в 14:19 Жалоба Поделиться Опубликовано 27 Ноября, 2014 в 14:19 (изменено) Сергей, А какое напряжение между коллектором и эмиттером транзистора? Может он пробит, или в насыщении (открыт насвозь)? На коллекторе, в этой схеме, сигнал инвертированный, по отношению к входному. R3 попробуй уменьшать от 1Ком, до нуля. Входной сигнал - 1 КГц, 0,1В (от пика до пика, по осциллографу). Да, переход база эмитер пробило, наверное коротнул щупом когда настраивал. Заменил, работает. При уменьшении сопротивления возрастает Кус. Так, теперь для того, чтоб получить неинвертированный сигнал нужно конденсатор С2 перепаять к эмитеру транзистора? Если так, то половину напряжения теперь надо выставить на эмитере? Или нужно всетаки построить схему на p-n-p транзисторе? Изменено 27 Ноября, 2014 в 15:13 пользователем химик Ссылка на комментарий Поделиться на другие сайты Поделиться
Гость victors Опубликовано 27 Ноября, 2014 в 21:02 Жалоба Поделиться Опубликовано 27 Ноября, 2014 в 21:02 Сергей, тебе нужно вдумчиво читать книгу "Искусство схемотехники" Хоровица и Хилла. Первый том, любое издание. Без обид. Уточни, что ты хочешь получить - эмиттерный повторитель, без инверсии фазы и с усилением, чуть меньше 1 (тогда коллекторный резистор, по сопротивлению, должен быть в, минимум, в пять раз меньше, чем эмиттерный (а лучше в десять) или усилитель - тогда снимать с сигнал с коллектора и он будет инвертирован - это плата за простоту. Ссылка на комментарий Поделиться на другие сайты Поделиться
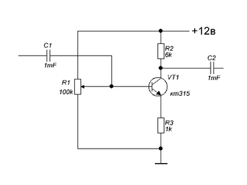
Гость химик Опубликовано 28 Ноября, 2014 в 10:47 Жалоба Поделиться Опубликовано 28 Ноября, 2014 в 10:47 Сергей, тебе нужно вдумчиво читать книгу "Искусство схемотехники" Хоровица и Хилла. Первый том, любое издание. Без обид.Уточни, что ты хочешь получить - эмиттерный повторитель, без инверсии фазы и с усилением, чуть меньше 1 (тогда коллекторный резистор, по сопротивлению, должен быть в, минимум, в пять раз меньше, чем эмиттерный (а лучше в десять) или усилитель - тогда снимать с сигнал с коллектора и он будет инвертирован - это плата за простоту. Книги скачал, почитаю обязательно. Сбила меня вот эта картинка Из нее я понял, что можно сигнал снимать двумя вариантами. Ну ладно, инвертировать можно и оконечниками. Придеться тогда все три канала соберать по одинаковой схеме. Теперь о плохом. вчера не обратил внимание на форму сигнала на выходе, получаеться что нижняя полуволна заостряеться в пике, а верхняя в пике притупляеться. Что не так? По описанию схемы я понял, что резистор R2 береться из расчета R=U/2*I(1mA). Получаеться 6кОм. Резистор R3 регулирует Кус. Что искажает сигнал? Ссылка на комментарий Поделиться на другие сайты Поделиться
Гость victors Опубликовано 28 Ноября, 2014 в 10:59 Жалоба Поделиться Опубликовано 28 Ноября, 2014 в 10:59 Верхний рисунок верен, если R2 = R3, и К1 лучше подключить к коллектору, а не на +Пит. Какой размах напряжения по осциллограмме? Какое Постоянное напряжение между коллектором и эмиттером, когда на вход подан сигнал? Может быть или ограничение по питанию или сам осцилл искажает. Подай с генератора синусоидального напряжения, на вход осциллографа, сигнал такой же амплитуды, как на рисунке и посмотри, что он покажет. Поставь R1 - 22Ком и посмотри, как изменится осциллограмма на выходе. Ссылка на комментарий Поделиться на другие сайты Поделиться
Гость химик Опубликовано 3 Декабря, 2014 в 13:59 Жалоба Поделиться Опубликовано 3 Декабря, 2014 в 13:59 Верхний рисунок верен, если R2 = R3, и К1 лучше подключить к коллектору, а не на +Пит. Какой размах напряжения по осциллограмме? Какое Постоянное напряжение между коллектором и эмиттером, когда на вход подан сигнал? Может быть или ограничение по питанию или сам осцилл искажает. Подай с генератора синусоидального напряжения, на вход осциллографа, сигнал такой же амплитуды, как на рисунке и посмотри, что он покажет. Поставь R1 - 22Ком и посмотри, как изменится осциллограмма на выходе. На осцилограме размах в 1,5в. На входе 0,5в. Между коллектором и эмитером при поданом сигнале 9,46в(!). На выходе нормальный стгнал получаеться только если амплитуда входного сигнала ниже чем 0,2в. Это что, получаеться надо ставить делитель на вход? Ссылка на комментарий Поделиться на другие сайты Поделиться
Гость victors Опубликовано 3 Декабря, 2014 в 14:24 Жалоба Поделиться Опубликовано 3 Декабря, 2014 в 14:24 Если между К и Э 9,5В, при питании напр.12В., значит транзистор недостаточно открыт. Нужно уменьшать номинал резисторов базового делителя, чтобы увелчить ток базы и лучше открыть тр-р, то же будет при уменьшении резистора в эмиттерной цепи, но при этом возрастёт усиление, значит и Кл нужно будет уменьшить. Делитель ставить не нужно. Нужно уменьшать коэф. усиления или вводить ООС по напряжению, с коллекторана базу, через резистор 10 - 100 ком (подбирается) Ссылка на комментарий Поделиться на другие сайты Поделиться
Рекомендуемые сообщения
Для публикации сообщений создайте учётную запись или авторизуйтесь
Вы должны быть пользователем, чтобы оставить комментарий
Создать учетную запись
Зарегистрируйте новую учётную запись в нашем сообществе. Это очень просто!
Регистрация нового пользователяВойти
Уже есть аккаунт? Войти в систему.
Войти