Гость sergeya Опубликовано 31 Июля, 2009 в 18:31 Жалоба Поделиться Опубликовано 31 Июля, 2009 в 18:31 У меня тут созрел глупый вопрос. Нашел коробочку с операми, завалялась еще с советских времен. Так вот, я знаю что в ней лежат КР544УД1 и КР574УД1. Хотел поменять в своей Веге. Ага... А надпись на всех УД1А :smile: Как мне их теперь сортировать то? Единственное отличие - у некоторых корпусов снизу просматривается металлическая прямоугольная пластина, это о чем то говорит? ПС: может у кого имеется схема 574-ой? Тогда можно будет прозвонкой ног выяснить кто есть кто. Ссылка на комментарий Поделиться на другие сайты Поделиться
Гость fox Опубликовано 1 Августа, 2009 в 09:10 Жалоба Поделиться Опубликовано 1 Августа, 2009 в 09:10 Ну в общем вот 544 - _https://kazus.ru/guide/chips/ud1-3.html 574 тут - _https://trzrus.-мы не распространяем ссылки на [народ.ру]-/k140.htm (открывать в IE) Как видно по схеме у 544 между ногами 1-8 должно звониться сопротивление. Только вот думаю отличить их лучше по звуку, если отличий не слышно, так и зачем это нужно) По крайней мере когда я в свое время просто сделал такую замену и ничего больше, на слух разницы не было почти никакой. Ссылка на комментарий Поделиться на другие сайты Поделиться
Гость sergeya Опубликовано 1 Августа, 2009 в 16:54 Жалоба Поделиться Опубликовано 1 Августа, 2009 в 16:54 to fox: спасибо, рассортировал. Нашел в закромах ещё КР544УД2А, их тоже попробую, не выкидывать же. Вроде получше чем 544УД1 будет. Ссылка на комментарий Поделиться на другие сайты Поделиться
Гость fox Опубликовано 1 Августа, 2009 в 20:24 Жалоба Поделиться Опубликовано 1 Августа, 2009 в 20:24 Пожалуйста. Может КР544УД2 ещё и получше 574 будет, звук у неё немного другой, насколько помню. Следите за возбуждением на ВЧ в любом случае. Кстати реконструировал полностью предусилитель на релейном коммутаторе собрал, то о чем была речь.. Ссылка на комментарий Поделиться на другие сайты Поделиться
Гость sergeya Опубликовано 2 Августа, 2009 в 10:58 Жалоба Поделиться Опубликовано 2 Августа, 2009 в 10:58 Кстати реконструировал полностью предусилитель на релейном коммутаторе собрал, то о чем была речь.. Можете поделиться материалами по коммутатору и предусилителю? Сейчас как раз над коммутатором голову ломаю. 590КН3 меня полностью разочаровала, ей в звуковом тракте не место. Ссылка на комментарий Поделиться на другие сайты Поделиться
Гость fox Опубликовано 2 Августа, 2009 в 15:34 Жалоба Поделиться Опубликовано 2 Августа, 2009 в 15:34 Сейчас как раз над коммутатором голову ломаю. 590КН3 меня полностью разочаровала, ей в звуковом тракте не место. А чем именно разочаровала? Пробовали исключать и без неё слушать? Становилось лучше? Или просто всё плохо в предусилителе?) Это я к тому, что особых изменений не заметил, когда просто напрямую включил в предусилителе без переделок) А потом уже исходя из концепции хай-энда использовал релейный комутатор заместо 590КН3, так что не могу сказать сам настолько ли уж она плохая. Можете поделиться материалами по коммутатору и предусилителю? Ну там именно в коммутаторе ничего сложного, 8 реле РЭС-49 на 24 вольта, а КР590КН3 коммутирует теперь их... Основная сложность в предусилителе, сделать чтоб он звук не портил, но этого добился (разводку общего менять!) и даже сохранил эквалайзер в исправном состоянии на всякий случай. Фотки Как видно от предусилителя мало что осталось) Страшно на вид, но играет хорошо ) Потом схему выложу, а может статью написать тогда уж... Ссылка на комментарий Поделиться на другие сайты Поделиться
Datagor Опубликовано 2 Августа, 2009 в 16:39 Жалоба Поделиться Опубликовано 2 Августа, 2009 в 16:39 foxПотом схему выложу, а может статью написать тогда уж... Всенепременно писать, снабжать схемами и иллюстрациями и публиковать! Я помогу, если будут вопросы. Ссылка на комментарий Поделиться на другие сайты Поделиться
Гость fox Опубликовано 2 Августа, 2009 в 17:14 Жалоба Поделиться Опубликовано 2 Августа, 2009 в 17:14 Всенепременно писать, снабжать схемами и иллюстрациями и публиковать!Я помогу, если будут вопросы. Хорошо, когда всё будет готово - будет статья. Ссылка на комментарий Поделиться на другие сайты Поделиться
Гость sergeya Опубликовано 2 Августа, 2009 в 18:36 Жалоба Поделиться Опубликовано 2 Августа, 2009 в 18:36 А чем именно разочаровала? Ну, может быть я не совсем правильно выразился. Писал после того как отслушал четыре экземпляра только что купленых 590КН3. Может быть дело не в самой ка-энке, а в товарищах, которые гонят брак при ее производстве и будь она сделана на заводах Texas Instruments, не было бы нареканий на бедный чип. Дело в том, что каждый экземпляр глючит по своему, например первый нормально работает на первом и втором входе, а третий и четвертый вход звучат со страшными искажениями. Второй экземпляр работает только по первому входу, а остальные входы с искажениями по правому каналу и так далее с вариациями. Ссылка на комментарий Поделиться на другие сайты Поделиться
Гость fox Опубликовано 2 Августа, 2009 в 18:45 Жалоба Поделиться Опубликовано 2 Августа, 2009 в 18:45 Может быть дело не в самой ка-энке, а в товарищах, которые гонят брак при ее производстве А у вас дата производства какая этих самых КН? Ссылка на комментарий Поделиться на другие сайты Поделиться
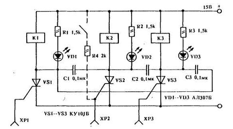
Гость sergeya Опубликовано 2 Августа, 2009 в 19:02 Жалоба Поделиться Опубликовано 2 Августа, 2009 в 19:02 А у вас дата производства какая этих самых КН? Чипы сейчас на работе, а я дома. Дата, думаю не сегодняшняя и не вчерашняя :smile: Но купить свежие вряд ли получится. Поэтому выход один - релейный коммутатор. В журнале "Радиолюбитель 2/92" есть схема коммутатора. Что скажете по ней? Ссылка на комментарий Поделиться на другие сайты Поделиться
Гость fox Опубликовано 2 Августа, 2009 в 19:10 Жалоба Поделиться Опубликовано 2 Августа, 2009 в 19:10 Чипы сейчас на работе, а я дома. Дата, думаю не сегодняшняя и не вчерашняя :smile: Но купить свежие вряд ли получится. Поэтому выход один - релейный коммутатор. В журнале "Радиолюбитель 2/92" есть схема коммутатора. Что скажете по ней? Думаю вполне работоспособная схема. Только вот зачем городить что то ещё, если в веге уже есть всё что нужно, только добавить реле надо.. Думаю те ваши бракованные КН постоянный ток вполне способны коммутировать, до 20ма по спецификации и ±15в, для реле хватит, даже для 2-х Ссылка на комментарий Поделиться на другие сайты Поделиться
Рекомендуемые сообщения
Для публикации сообщений создайте учётную запись или авторизуйтесь
Вы должны быть пользователем, чтобы оставить комментарий
Создать учетную запись
Зарегистрируйте новую учётную запись в нашем сообществе. Это очень просто!
Регистрация нового пользователяВойти
Уже есть аккаунт? Войти в систему.
Войти