vitivsev Опубликовано 10 Июня, 2014 в 05:31 Жалоба Поделиться Опубликовано 10 Июня, 2014 в 05:31 ??????? send - return или effects loop возможность подключения внешних эффектов - ревербератор, дилей, хорус посыл возврат или петля эффектов - точка врезки, после предварительного каскада или в нем до линейного выхода: Добавлено после раздумий: off Им бы ещё музыку делать, а не понты в коротких штанишках... offсорри не по теме, но 100% _https://lifenews.ru/news/134720 Лидер группы "Ленинград" выступил голым на концерте в Москве то бородатая дефка, то это недоразумение, куда катится мир... Ссылка на комментарий Поделиться на другие сайты Поделиться
Гость kdtp Опубликовано 10 Июня, 2014 в 07:03 Жалоба Поделиться Опубликовано 10 Июня, 2014 в 07:03 (изменено) Ну вот, обзавёлся интернетом у себя в деревне. Чего только ни пробовал. В конце концов установил спутниковой интернет. Это письмо написано и будет отправлено посредством нового оборудования. Правда компьютер с "восьмой" операционкой, а посему не все(привычные для меня) редакторы, "читалки"и "смотрелки" на него устанавливаются. Ладно, что ни будь придумаем. Да..., о чём это я, а..., музыка и музыканты. Рубен как всегда прав - понтить оно намного проще, нежели чем овладевать секретами профессии и повышать свой профессиональный уровень. Ладно, хрен с ним, пусть не профессиональный, пусть любительский, но, всё одно, уровень! Не знаю, может мне так не везёт, но за последнее время мне не разу не попался, более или менее, прилично звучащий ансамбль. Да что там ансамбль, солистов нормальных нет.... Боже ты мой - не взять, не извлечь нормально ноту не могут. Я уже не говорю про темп и тональность, а уж "соседний лес" рубят так, что только щепки летят. Сыграть с листа, ладно не сыграть - разучить мелодию по нотам..., не-а, слабо. Хотя вру, тут один парнишка, гитарист за неделю осилил-таки одну битловскую композицию. Ноты..., на слух подобрать или саккомпанировать, сразу," сходу" - куда там.... Был тут надысь зван на одно культурное мероприятие. Такой "семейный" ужин. Все свои и даже молодые музыканты - либо чьи то родственники, либо родственники хороших знакомых. Меня пригласили в качестве "обслуги" - звукорежиссёром для этого молодого, но подающего большие надежды, музыкального коллектива. Поставили аппарат, "зачекились" - правда время ушло..., 6 часов, в основном на саундчек. Ну отлабали они свои шесть композиций - публика в неописуемом восторге. Хотя по мне - очень громко, но не выразительно. Ни одной, по настоящему, "живой" ноты, зато понтов - мама не горюй. Тут тебе и цветные дымы, и плотный "туман", и отчаянные телодвижения солистов, и беспорядочная беготня по сцене (это такие танцевальные номера), и костюмы, и даже супер выразительный грим..., а музЫки - нема! Ладно, концерт окончен. Все за стол - шашлыки, закуски, вино, водка, пиво.... Народ наелся, и..., публику потянуло на хоровое пение. Принесли гитару, дают её музыкантам (молодым и талантливым) - подыграйте мол, а то "всухую" неинтересно. Ну, музыканты народ молодой, наглый - схватили гитару..., и всё, ни одного аккорда, только невнятное бряканье.... Ни тебе романсов, ни эстрады, ни шансона.... Пришлось отдуваться вашему покорному слуге, сиречь, мне. Четыре часа к ряду аккомпанировал, рука до сих пор болит..., старый я стал для этого дела.... Ладно всё, заканчиваю. А этот усилитель мы сообща сделаем - как пить дать. Кстати, вона как хорошо - Виталий активно подключился. И схемки то у него всё какие интересные, концептуальные, можно сказать..., ну, почти что. Изменено 10 Июня, 2014 в 07:11 пользователем kdtp Ссылка на комментарий Поделиться на другие сайты Поделиться
vitivsev Опубликовано 10 Июня, 2014 в 07:50 Жалоба Поделиться Опубликовано 10 Июня, 2014 в 07:50 Ну вот, обзавёлся интернетом у себя в деревне... Хорошее дело, поздравляю! ...этот усилитель мы сообща сделаем - как пить дать. Кстати, вона как хорошо - Виталий активно подключился. И схемки то у него всё какие интересные, концептуальные, можно сказать..., ну, почти что... Вчера появилось свободное, отправил свое семейство на морько, можно и молотком постучать на коленке не обессудьте, чуть пока кривовато...иду параллельно, как говорится, с нуля с творческим проектом... L - 460 мм; H - 65 мм; W - 160 мм; толщина материала ~ 0,7 мм Ссылка на комментарий Поделиться на другие сайты Поделиться
cbafrunze Опубликовано 10 Июня, 2014 в 10:28 Автор Жалоба Поделиться Опубликовано 10 Июня, 2014 в 10:28 (изменено) Ну вот, обзавёлся интернетом у себя в деревне. Чего только ни пробовал. В конце концов установил спутниковой интернет. Это письмо написано и будет отправлено посредством нового оборудования. Поздравляю! Для меня дача, это хотя бы, на сутки, без телевидения, радио, интернета. Жаль, мобильную связь не отключишь. Не знаю, может мне так не везёт, но за последнее время мне не разу не попался, более или менее, прилично звучащий ансамбль. Везет, и не только Вам, Виктор. Я, уже забыл когда слушал, новую серьезную группу. В основном, советская и зарубежная музыка, прошлых лет. Хотя, любую аппаратуру можно купить, собрать. Любая гитара не проблемма, "море" школ, нот, табулатур, клипов и т.д. и т.п. Фабрики, кастинги. Не понимаю. В свое время с магнитофона "сдирали" и тексты, и музыку, а уж про технику, вобще отдельная тема. Как в футболе, из 145 миллионов населения нельзя найти, 10 нормально играющих. Пришлось отдуваться вашему покорному слуге, сиречь, мне. Четыре часа к ряду аккомпанировал, рука до сих пор болит..., старый я стал для этого дела.... Без куска хлеба, не останитесь.(Шутка) Хотя тема интересная для форума, есть о чем поговорить, когда дойдем до сэмплов. "Как художник, художнику". А этот усилитель мы сообща сделаем - как пить дать. А, кто бы сУмневался! Изменено 10 Июня, 2014 в 10:52 пользователем kvv54 Ссылка на комментарий Поделиться на другие сайты Поделиться
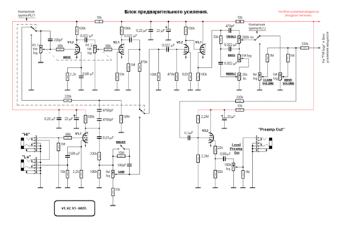
Гость kdtp Опубликовано 11 Июня, 2014 в 07:39 Жалоба Поделиться Опубликовано 11 Июня, 2014 в 07:39 Вот схема "петли эффектов" и ДУ. Там же нарисован линейный вход для усилителя мощности..., разберётесь, я думаю. Думаю, что сможем обойтись однополярным сервисным питанием "плюс" 15 Вольт. Так, что можно немного доработать БП - использовать две отдельные обмотки по 17 Вольт. Одну обмотку через удвоитель напряжения и на "минус" смещения, а другую обмотку на "мостик"и на стабилизатор "плюс" 15 Вольт. Будут вопросы - обращайтесь. Ссылка на комментарий Поделиться на другие сайты Поделиться
cbafrunze Опубликовано 11 Июня, 2014 в 08:20 Автор Жалоба Поделиться Опубликовано 11 Июня, 2014 в 08:20 (изменено) Вот схема "петли эффектов" и ДУ. Там же нарисован линейный вход для усилителя мощности..., разберётесь, я думаю. Разберусь, образование позволяет. Думаю, что сможем обойтись однополярным сервисным питанием "плюс" 15 Вольт. Так, что можно немного доработать БП - использовать две отдельные обмотки по 17 Вольт. Одну обмотку через удвоитель напряжения и на "минус" смещения, а другую обмотку на "мостик"и на стабилизатор "плюс" 15 Вольт.Будут вопросы - обращайтесь. Красота получается, СПАСИБО!!! :smile: Посижу, разберусь со схемами и набросаю монтаж. Изменено 22 Августа, 2016 в 21:25 пользователем cbafrunze Ссылка на комментарий Поделиться на другие сайты Поделиться
Гость kdtp Опубликовано 11 Июня, 2014 в 08:55 Жалоба Поделиться Опубликовано 11 Июня, 2014 в 08:55 Блин, забыл указать марку транзисторов. Я обычно использую BC 546 B. По идее можно любой кремневый, обратный. Ток коллектора - 100 мА, напряжение эмиттер-коллектор - 45 Вольт и более, усиление 150 и более. Обычный такой транзистор, думаю "наши", соответствующие, вполне подойдут. "Ключи" они и Африке "ключи".... Ссылка на комментарий Поделиться на другие сайты Поделиться
cbafrunze Опубликовано 11 Июня, 2014 в 11:35 Автор Жалоба Поделиться Опубликовано 11 Июня, 2014 в 11:35 (изменено) Про трансформаторы. Силовой трансформатор слева. Потом дроссель. Ну а посередине – выходной трансформатор. Если не хотите посередине, задвигаем его как можно правее. В последнем варианте будет лучше развесовка усилителя по ширине. При этом длина проводов идущих от выходного трансформатора большой «рояли» не играет. Про ручки, тумблеры, лампы, «джеки» и прочее, прочее, прочее. Если у нас «голова», то не будем нарушать традиций. Силовой слева, значит, и выключатели «сети» и «анода» слева. После силового, вправо «пошел» дроссель. За ним (по глубине) ближе к «жопе» две лампы 6П3С. Их можно подать чуть правее, что бы смотрелись посередине уилителя. В одном ряду с 6П3С, 3 - 4 штуки 6Н2П, обязательно в экранах! Выходной ставьте, где хотите. Ручки Слева регулировка, связанная с «мастером», правее – эквалайзер. Ещё правее громкость и «драйв» - канала перегруза. Ещё вправо – громкость и гейн «чистого» канала. Ну и справа, справа – входы («джеки»). Более подробно и «правильно» можно подглядеть на фирменных усилителях. Задняя сторона усилителя. Тут всё зависит от количества «довесков» и «прибабахов» в Вашем усилителе. Ну, разъём для сетевого шнура, это обязательно. Два, три или четыре держателя предохранителей. Джеки на выход и переключатель импеданса – всё зависит от Вашей фантазии (опять же, можно глянуть у «фирмЫ»). Входа – выхода, регуляторы и переключатели для «петли». Ну, и входа - выхода линейного толка…. Всё это можно и нужно подсмотреть у фирменных усилителей. Однако всё это «гарнир», поскольку количество и «качество» ручек, «дрючек», тумблеров, выключателей, переключателей, «джеков» и прочей «лабуды» будет зависеть от предварительного усилителя. Посидел, посмотрел, прикинул "круто". У нас получается: Ручки регуляторов 1.PRESENCE 2.DRIVE 3.GAIM 4.TREBLE 5.BASS 6.MIDDLE 7.CLEAN VOLUME 8.DRIVE VOLUME 9.SEND LEVEL 10.RETURN LEVEL Переключатели 1.BRIGHT 2.BYPASS 3.DRIVE 4.Мощности выходного каскада Джеки 1."Hi" 2."Lo" 3."Preamp Out" 4.SEND 5.RETURN 6.POWER AMP IN 7.FOOTSWICH 8.9.10.Выход 4ом,8ом,16ом. Индикаторы 1.BYPASS 2.DRIVE Пора сверлить отверстия, может будут еще какие предложения(На чистовую) Изменено 11 Июня, 2014 в 12:01 пользователем kvv54 Ссылка на комментарий Поделиться на другие сайты Поделиться
cbafrunze Опубликовано 11 Июня, 2014 в 17:13 Автор Жалоба Поделиться Опубликовано 11 Июня, 2014 в 17:13 (изменено) Блин, забыл указать марку транзисторов. Я обычно использую BC 546 B. По идее можно любой кремневый, обратный. Ток коллектора - 100 мА, напряжение эмиттер-коллектор - 45 Вольт и более, усиление 150 и более. Обычный такой транзистор, думаю "наши", соответствующие, вполне подойдут. "Ключи" они и Африке "ключи".... Перебрал, кучу реле, то что есть в наличии, то по напряжению не подходят, то по контактной группе.РЭС9-15-34-44-48а-55а. Какие вы реле используете? Изменено 11 Июня, 2014 в 18:48 пользователем kvv54 Ссылка на комментарий Поделиться на другие сайты Поделиться
vitivsev Опубликовано 12 Июня, 2014 в 07:03 Жалоба Поделиться Опубликовано 12 Июня, 2014 в 07:03 (изменено) Всем, всем, добрый день! Вчера порылся в закромах, обнаружил четыре хорошие половинки ориентировочно ПЛР 21 х 45 (0,35) провод на катушках ПЭТ-155 D - 0,2 D - 0,315 D - 0,45 D - 0,53 есть еще немного ПЭЛ - 0,51; 0,62; 0,69; 0,8; 1,53; силовой намотаю к режимам вых. ламп I- 220-230 В; II - 210 + 80 В; III - 17 + 17 В; Накал 6,5 и 6,5В; Если с расчетом силового трансформатора еще как то понятно то, что делать с выходным, как его правильно расчитать для 6П3С? Есть готовые данные для намотки как бы с запасом, хотелось бы разбораться именно в расчетах для подобного железа без перерасхода провода. Виктор, возможен ли данный ваш вариант расчета для ПЛ сердечника? Ra-a = 6600 Ом; К.П.Д. = 0,95; Rн = 8Ом; Pвых. = 26Вт; Qc = 9см.кв. (для моего железа), т.е. Qс = 25 x ( Р : fн ); 25 х ( 26(Вт) : 125(гц) = 5,2 см кв. 25 х ( 26(Вт) : 60(Гц) = 10,83 см кв. 25 х ( 26(Вт) : 70(Гц) = 9,28 см кв. ну как бы рядом; Fн = 70 Гц; Вми = 7000 г.с.; Ктр. = √(0,95 х 6600):8= 27,9955..= 28; W1 = 22000000 х √(Pmax x Raa) : (Fн х Qc х Вми); W1 = 22000000 х √(26 х 6600) : (70 х 9 х 7000) = 22000000 х 414,2463 : 4410000=2066 витков; W2 = W1 : Ктр. = 2066 : 28 = 73,7 - 74 витка; Или я опять прогнал беса? Изменено 12 Июня, 2014 в 07:04 пользователем vitivsev Ссылка на комментарий Поделиться на другие сайты Поделиться
Гость kdtp Опубликовано 12 Июня, 2014 в 10:16 Жалоба Поделиться Опубликовано 12 Июня, 2014 в 10:16 Есть такая" байда", эргономика называется. Ещё есть "байда" под названием технический дизайн. Если эти две "байды" соединить, то можно "слепить", например, неплохую лицевую панель, ну или тыльную панель. Короче, вот моя попытка "замастырить" макет лицевой панели (морды). Посмотрите, может пригодиться, а может и нет.... Решать Вам. Добавлено после раздумий: Для Валерия. Я использую реле фирмы" BESTAR" BT-12S 12VDC. Или фирмы "AXICOM", или "OMRON", с подобными характеристиками. Основные характеристики - номинальное напряжение катушки - 12 Вольт, номинальный ток удержания - 12 - 15 мА (НО не более 30 мА). Коммутация - два положения, два направления - DPDT. Для Виталия. С таким "куском" железа можно забабахать РР усилитель на 26 Ватт и получить "снизу" не менее 40 Гц с завалом 1,5 дБ, а то и лучше. Оно конечно, первичку надо будет увеличить в 1,76 раза по виткам, со всеми вытекающими.... Можно попроще, "оттолкнутся" от 50 Гц. Можно ещё проще (для ленивых), навскидку - 2500 -2600 витков первички. Получим "гитарный"трансформатор "средне-хорошего" качества, который будет звучать очень даже хорошо. Ссылка на комментарий Поделиться на другие сайты Поделиться
vitivsev Опубликовано 12 Июня, 2014 в 11:28 Жалоба Поделиться Опубликовано 12 Июня, 2014 в 11:28 ...можно "слепить", например, неплохую лицевую панель, ну или тыльную панель...вот моя попытка "замастырить" макет лицевой панели (морды). Посмотрите, может пригодиться, а может и нет.... Решать Вам Смотрится хорошо. Чуть позже предложу несложный способ изготовления лицевых панелей. Если панель будет сверху прикрываться корпусом, наверное желательно, чтоб не было щели, маленькая поправка по осевой линии. Рис. ... РР усилитель на 26 Ватт и получить "снизу" не менее 40 Гц с завалом 1,5 дБ, а то и лучше. Оно конечно, первичку надо будет увеличить в 1,76 раза по виткам, со всеми вытекающими.... Можно попроще, "оттолкнутся" от 50 Гц. Можно ещё проще (для ленивых), навскидку - 2500 -2600 витков первички.Благодарю! Ссылка на комментарий Поделиться на другие сайты Поделиться
Рекомендуемые сообщения
Для публикации сообщений создайте учётную запись или авторизуйтесь
Вы должны быть пользователем, чтобы оставить комментарий
Создать учетную запись
Зарегистрируйте новую учётную запись в нашем сообществе. Это очень просто!
Регистрация нового пользователяВойти
Уже есть аккаунт? Войти в систему.
Войти