Гость jagric Опубликовано 20 Августа, 2013 в 11:30 Жалоба Поделиться Опубликовано 20 Августа, 2013 в 11:30 Пост 9.Лучше, чтобы емкость была расчетной. Вот из-за этого,я и стал искать замену керамики в тембрах. Померив их,обнаружил разброс поканальный значительный,например,левый канал +10% от расчётного,а правый -10% от расчётного. А помню ещё,что в этих цепях,желательно от расчётной, иметь разброс в 5% ,а главное,чтобы этот разброс поканально не отличался. Добавлено после раздумий: Пост 10.Принципиальная схема достаточно условна и не показывает КАК именно сделана разводка проводов и монтаж. Фона ведь нет? Или есть? Да,прозвонил землю,между собой не соединена как по схеме.Значить,контакт 2 с корпусом должен быть. Фона нет,есть небольшая наводочка от трансформатора,и то если ухо,близко к динамику прислонить. Ссылка на комментарий Поделиться на другие сайты Поделиться
Chugunov Опубликовано 20 Августа, 2013 в 12:43 Жалоба Поделиться Опубликовано 20 Августа, 2013 в 12:43 1 Вот из-за этого,я и стал искать замену керамики в тембрах. Померив их,обнаружил разброс поканальный значительный,например,левый канал +10% от расчётного,а правый -10% от расчётного. А помню ещё,что в этих цепях,желательно от расчётной, иметь разброс в 5% ,а главное,чтобы этот разброс поканально не отличался.2 Да,прозвонил землю,между собой не соединена как по схеме.Значить,контакт 2 с корпусом должен быть. 3 Фона нет,есть небольшая наводочка от трансформатора,и то если ухо,близко к динамику прислонить. 1 Измерял емкость конденсаторов? Чем? Всех конденсаторов? А резисторов - они также участвуют в работе? При измерении уровней и их поканальном ссравнении, какая разница в децибелах? Возможно, разброс минимален и вы ищете черную кошку в темной комнате. ЕСТЬ ЛИ ПРОБЛЕМЫ НА СЛУХ?? Или это всё теоретизирование в стиле..? Конечно, можно, с прецизионной точностью, подобрав детали из мешка, настроить идентично РТ правого и левого канала. Но я не уверен, что это самое узкое место всего звукового тракта. Делать можно, а вот есть ли смысл, не знаю. 2 Не понял. Соединение через резистор 10 Ом (на схеме плохо видно). Интересна теория? Почитайте теорию, в двух словах не напишешь. 3 Если так интересно, неплохо бы измерить уровень, чтобы судить о соотношении сигнал/шум, сигнал/фон. *** С чего всё началось? Не устраивает работат усилителя или спортивный интерес? Для улучшения работы обычно советуют обойти Регулятор Тембра. Ссылка на комментарий Поделиться на другие сайты Поделиться
Гость jagric Опубликовано 20 Августа, 2013 в 13:16 Жалоба Поделиться Опубликовано 20 Августа, 2013 в 13:16 С чего всё началось? Не устраивает работат усилителя или спортивный интерес?Для улучшения работы обычно советуют обойти Регулятор Тембра. Сергей,началось с того,что усилитель(SANYO) достался мне как "донор" для других поделок.Был не рабочим,горелый выходник,без некоторых(выкушенны) конденсаторах,диодов и т.д.,в том же темброблоке,небыло кондёров на 2700пик(кому понадобились?). В общем,решил восстанавливать. Пробовал заводить,всё в порядке,осталось "шлифануть" некторые места. Темброблок,также хочу оставить,как у оригинала. Ссылка на комментарий Поделиться на другие сайты Поделиться
Chugunov Опубликовано 20 Августа, 2013 в 13:27 Жалоба Поделиться Опубликовано 20 Августа, 2013 в 13:27 Сергей,началось с того,что усилитель(SANYO) достался мне как "донор" для других поделок.Был не рабочим,горелый выходник,без некоторых(выкушенны) конденсаторах,диодов и т.д.,в том же темброблоке,небыло кондёров на 2700пик(кому понадобились?). В общем,решил восстанавливать. Пробовал заводить,всё в порядке,осталось "шлифануть" некторые места. Темброблок,также хочу оставить,как у оригинала. Всё ясно, вопросы не праздные, поздравляю с восстановлением усилителя. А для шлифовки, думаю, надо уже делать измерения не только тестером и устраивать прослушивания. Для подбора идентичных по емкости пар конденсаторов, надо иметь их в несколько раз больше. Испортит ли керамика звук? А поставьте и послушайте, потом нипишите нам. Ответы на ваши вопросы неоднозначны и зависят от многого, в том числе Вашего слуха и требований. Ссылка на комментарий Поделиться на другие сайты Поделиться
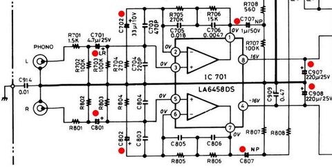
Chugunov Опубликовано 20 Августа, 2013 в 15:06 Жалоба Поделиться Опубликовано 20 Августа, 2013 в 15:06 Уже третий месяц пошёл,как восстанавливаю. Стараюсь оригинальные детальки ставить,выписываю у буржуев по крупинкам,переплачиваю за доставку,но не в этом суть,мне,это нравиться Как закончу,то поделюсь фотками. Евгений! Если бы Вы написали про это в первом посте, вопросов и сомнений было бы на порядок меньше. Одно дело, когда человек что-то восстанавливает (и умеет, раз получается), другое - праздное любопытство от ничего не деланья. Раз так, я посмотрел чуть внимательней... Надо же, РТ включен в ОООС УМЗЧ... Нехорошо это, не кошерно, не аудиофильски. Послушайте меня и попробуйте все-таки сделать вот что. Отключите РТ. Сделать это очень просто. Надо просто разорвать R727C718 в любом месте. Очень может быть, что звук заметно улучшится. Но есть крохотная проблема - возрастет чувствительность усилителя, что может быть не очень хорошо. Если звук всё же станет лучше, можно будет сделать так. Выставить тембры в среднее (нулевое положение), далее на слух или по приборам. Оторвать нижний вывод R727, подключить переменный резистор кОм этак на 100 между верхним выводом R727 и верхним по схеме выводом R724 (провода к переменнику не длинные! и последовательно с ним на всякий случай резистор десяток-другой кОм). Изменением переменного резистора добиться той же громкости. В дальнейшем можно будет поставить переключатель, а лучше - реле. На 95% звук улучшится, а оригинальную схему вы практически не измените). Если мне не доверяете (доверяй, но проверяй) спросИте приватно несколько человек, которым доверяете. Ссылка на комментарий Поделиться на другие сайты Поделиться
Гость jagric Опубликовано 20 Августа, 2013 в 16:38 Жалоба Поделиться Опубликовано 20 Августа, 2013 в 16:38 Да Сергей,об этом я тоже думал и видел,что Т.Б. находиться в обратной связи. Но всё таки,хотелось бы оставить оригинальность усилителя,может как то облегчить жизнь темброблока в обрат.связи(заменить,подобрать, кондёрчики на более приличные),тем более,есть ещё тюнер от комплекта,радио слушаю тоже,вот там,без тембров никак. Ссылка на комментарий Поделиться на другие сайты Поделиться
Chugunov Опубликовано 20 Августа, 2013 в 17:01 Жалоба Поделиться Опубликовано 20 Августа, 2013 в 17:01 Да Сергей,об этом я тоже думал и видел,что Т.Б. находиться в обратной связи. Но всё таки,хотелось бы оставить оригинальность усилителя,может как то облегчить жизнь темброблока в обрат.связи(заменить,подобрать, кондёрчики на более приличные),тем более,есть ещё тюнер от комплекта,радио слушаю тоже,вот там,без тембров никак. Ну если как антиквариат и из любви к искусству, тогда только оригинальные материалы и детали. А если для того, чтобы пользоваться и слушать, то... РТ в цепи ОООС скорее всего - нехорошо. Насколько нехорошо определяется только методом сравнения. Чтобы попробовать, ничего ломать не надо, только отпаять по одному выводу резистора или чего там по монтажу удобнее. Кроме того, ОБЯЗАТЕЛЬНО надо поставить узел защиты колонок. Любой. СтоЯщий плавкий предохранитель - маловато будет. Усилитель ведь уже горел!!! Какие у вас АС? В каком городе живёте? Секрет? Кроме того, обязательно надо промыть все контакты переключателей по входу и выходу. Спирт не годится - скорее всего переключатели неразборные, нужен маленький баллончик соответствующей аэрозоли. Промывать пока сопротивление контактов не будет равно НУЛЮ (вернее показанию тестера при замкнутых щупах). Ни на грамм больше! Кондёрчики получше - это мышиная возня. Лучший выход - переключатель с новым постоянным резистором, как я писал выше. Решение радикальное и бесплатное. (Даже если вы в дальнейшем планируете продать этот усилитель, следы такого "преступления" можно будет удалить и продать оригинал). По моему скромному опыту, как правило, при хорошем источнике звука, хорошем электроакустическом тракте, при прослушивании на средней громкости и выше, можно (и нужно) обойтись без костылей (регуляторов тембра). Кстати, что вы на них накручиваете? Ссылка на комментарий Поделиться на другие сайты Поделиться
Гость jagric Опубликовано 20 Августа, 2013 в 17:41 Жалоба Поделиться Опубликовано 20 Августа, 2013 в 17:41 Да,выходники вылетели,как я понял от 4 Ом нагрузки на высокой громкости. На 8 Ом усилитель даже не греется.Сейчас работает на акустику CASTLE PEMBROKE. Защиты там конструктивно не было,была мысль поставить платку,тем более есть отвод на трансе(однополярный на 18 Вольт 200 мА). Можно даже выносную защиту организовать,за пределы усилителя.Или,лучше в корпус пристраивать? Когда всё наладиться,обкатается,попробую отключить тембра. Тембра подкручиваю оба в +2,когда слушаю только тюнер через этот усилитель. А так,всё в ноль. Профиль обновил. Ссылка на комментарий Поделиться на другие сайты Поделиться
Chugunov Опубликовано 20 Августа, 2013 в 18:00 Жалоба Поделиться Опубликовано 20 Августа, 2013 в 18:00 Не страшно за хорошую акустику? Лучше внутрь маленькую платку. Питаются они обычно от питания УМЗЧ и в этом есть смысл. Я делал здесь публикацию на эту тему. Не обязательно такую - любую с защитой от постоянного напряжения. Живете в другом городе, так что увы, часть советов снимается. Да, акустику 4 Ома на большой громкости включать рискованно. На счет контактов совет повторяю - это существенно. И, раз хорошие АС, нужен и акустический кабель, может и не дорогой, но не просто первый попавшийся провод. На приличной акустике провода заметны. Ссылка на комментарий Поделиться на другие сайты Поделиться
Гость jagric Опубликовано 20 Августа, 2013 в 18:25 Жалоба Поделиться Опубликовано 20 Августа, 2013 в 18:25 Не страшно за хорошую акустику? Страшно,честно. Наверно,поставлю на первое место внедрение защиты.Можно,что нибудь на eBay выбрать? кабель есть Furutech,но он в клеммы усилителя не влазит. Пока подключил Chord Carnival Classic. Ссылка на комментарий Поделиться на другие сайты Поделиться
Chugunov Опубликовано 20 Августа, 2013 в 19:22 Жалоба Поделиться Опубликовано 20 Августа, 2013 в 19:22 Страшно,честно.Наверно,поставлю на первое место внедрение защиты.Можно,что нибудь на eBay выбрать? кабель есть Furutech,но он в клеммы усилителя не влазит. Пока подключил Chord Carnival Classic. Евгений! Одна из самых простых (но не плохих) - схема Котова (другого, не владельца сайта). Полтора транзистора и реле. Есть и на этом сайте https://forum.datagor.ru/index.php?showtopic=7627 Я её не делал, но оснований для сомнений нет. Здесь же (на сайте) в магазине продаётся и готовое, более сложное и совершенное изделие. Думайте, вариантов море. Вопрос по кабелям снимается. Вы же не писали про это. Откуда я знаю, может у вас сетевая лапша (нередкий случай, сам с этого начинал, когда других не было). Тем более. У вас хорошие колонки (не супер-пупер, но и не 10МАС), специальный кабель (думаю, разницу с очень дорогим надо будет искать в мелкоскоп). Значит и усилитель должен соответствовать уровню, а Ртембра меня смущают (может и зря - я же не слушал, но по науке это не лучший вариант). Выбрать наебей? Не знаю что для Вас проще, поэтому советовать не могу. Если делаете дома платы и есть детали, простейший вариант Котова сделать недолго. Реле желательны получше (торгуют обычно чем похуже) и лучше цепь выхода на динамик пропустить толстым проводом (как на фото по ссылке). Ссылка на комментарий Поделиться на другие сайты Поделиться
Гость jagric Опубликовано 20 Августа, 2013 в 20:11 Жалоба Поделиться Опубликовано 20 Августа, 2013 в 20:11 Я вот что подумал,наверное сейчас,это никто не делает.Если на выход поставить неполярный кондёр,так μF на 470. Как бы,от переходного процесса есть кнопка отключения(включения) выхода на акустику,защита по току,стоят предохранители.От постоянки,поставить конденсаторы на выход. Ссылка на комментарий Поделиться на другие сайты Поделиться
Рекомендуемые сообщения