TANk Опубликовано 15 Марта, 2011 в 20:06 Жалоба Поделиться Опубликовано 15 Марта, 2011 в 20:06 А что если парралелить двухваттные резисторы 100кОм и 27кОм ? Будет 21,3кОм, ближе к номиналу. Никто не запрещает. Только вот габариты растут, но при изготовлении ламповых схем на габариты элементов обычно внимание обращают в последнюю очередь. Ссылка на комментарий Поделиться на другие сайты Поделиться
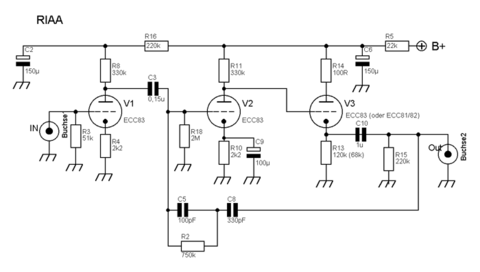
Гость igor1969 Опубликовано 2 Июня, 2011 в 14:33 Жалоба Поделиться Опубликовано 2 Июня, 2011 в 14:33 Заказали фонокоректор, нормальная будет схема? И как исполнить вход? Что там стоит, я так понимаю под ММ и МС? Как реализовать? Добавлено после раздумий: Вот еще схема, лампы такие есть. Ссылка на комментарий Поделиться на другие сайты Поделиться
Гость lee.guitar Опубликовано 1 Сентября, 2011 в 18:49 Жалоба Поделиться Опубликовано 1 Сентября, 2011 в 18:49 Есть еще такой корректор "гусь хрустальный". Был собран и доведен мной до ума. Лампы 6Г2. Очень музыкальные лампы надо сказать... При прослушивании мы смогли выявить следующее: Аппаратура была такая: Sharp Optitronic-Grado(mm)-ГусьХрустальный-Onkyo Integra(транзисторный УМ 90x made in Japan)-Monitor Audio так вот, в Onkyo есть переключатель, который отключает встроенный блок тембров. Слушая любую музыку с винила при включении темброблока звук превращался просто в кашу. Вскоре Onkyo отправился на продажу.... Схема Собиралась преимущественно на военке, лампы с ВП, межкаскадные конденсаторы -ССГ, Блок питания отдельным ящиком, раздельные анодные обмотки, раздельные эл. дроссели, накал постоянным током. Пробовали сделать импульсное анодное из БП АТХ - звук становиться грубее. Лучше видимо использовать кенотроны - но не до них пока. Из недостатков - маловат уровень выходного сигнала (не критично), анодное 400в, 6Г2 - достать не всегда можно. Фон - еле заметен на максимальной громкости в паузах. Шум на уровне 70Дб. А вообще, если уж заниматься корректором, то лучше для начала посмотреть теорию. Схема эта из книги Е. Бабиченко, к ней там есть и расчеты четырехполюсника, да и всей схемы. _https://www.audioworld.ru/Books/Vinil/Riaa_01.html Если есть вопросы по этой схеме, спрашивайте... Ссылка на комментарий Поделиться на другие сайты Поделиться
Гость igor1969 Опубликовано 26 Октября, 2011 в 19:34 Жалоба Поделиться Опубликовано 26 Октября, 2011 в 19:34 Фонокорректор по схеме Сергеева на 6ф12п. Довольно неплохо играет. Ссылка на комментарий Поделиться на другие сайты Поделиться
Гость mitrych Опубликовано 29 Октября, 2011 в 14:52 Жалоба Поделиться Опубликовано 29 Октября, 2011 в 14:52 Сейчас начал собирать корректор по схеме Бокарева 6С4П+6Н6П, только на 6Н1П или 6Н23П - при наладке подберу что понравится. Тут же возник вопрос по выходному конденсатору 10μF х 400в, у меня есть или 8 или 12 μF, типа к78... новый, будет ли разница если поставить отличный от номинала? Я так понимаю - если поставить не очень хороший, то постоянка +200в может уйти на вход усилителя мощности, и фейерверк обеспечен? Ссылка на комментарий Поделиться на другие сайты Поделиться
Гость igor1969 Опубликовано 29 Октября, 2011 в 15:00 Жалоба Поделиться Опубликовано 29 Октября, 2011 в 15:00 Да, тут конденсатор нужен качественный, я себе 4,7 μF на 400 вольт в Аудиоманию заказывал Ссылка на комментарий Поделиться на другие сайты Поделиться
Гость mitrych Опубликовано 29 Октября, 2011 в 22:35 Жалоба Поделиться Опубликовано 29 Октября, 2011 в 22:35 (изменено) Значит емкость можно варьировать в небольших пределах? Только неполярный и наверное не электролит? Какие наши конденсаторы можно поставить не боясь последствий? Типа к78-хх, к73-хх... Посоветуйте какие можно поставить, исходя из своего опыта и предпочтений, из доступного, и что категорически нельзя ставить. Например я видел в продаже К75-15(25) большие кондеры зеленого цвета. Заранее всем спасибо. ЗЫ. Кстати на рисунке выходной кондер 10μF-неполярный, равно как и 200μF в катоде выходной лампы 6Н6П. Или это опечатка и в катоде должен быть полярный? Изменено 17 Ноября, 2011 в 14:25 пользователем mitrych Ссылка на комментарий Поделиться на другие сайты Поделиться
Гость igor1969 Опубликовано 9 Декабря, 2011 в 15:21 Жалоба Поделиться Опубликовано 9 Декабря, 2011 в 15:21 Очередной по схеме Сергеева Ссылка на комментарий Поделиться на другие сайты Поделиться
Гость igor1969 Опубликовано 11 Декабря, 2011 в 15:41 Жалоба Поделиться Опубликовано 11 Декабря, 2011 в 15:41 По схеме Торреса на EF-86 и на 6н6п Ссылка на комментарий Поделиться на другие сайты Поделиться
Гость mitrych Опубликовано 12 Декабря, 2011 в 18:00 Жалоба Поделиться Опубликовано 12 Декабря, 2011 в 18:00 Неплохо бы и схемы привести или хотя бы ссылки, если можно. Интересно что за аппараты внутри. Я сейчас тоже на 6Н6П собираюсь делать. Ссылка на комментарий Поделиться на другие сайты Поделиться
Гость igor1969 Опубликовано 13 Декабря, 2011 в 12:53 Жалоба Поделиться Опубликовано 13 Декабря, 2011 в 12:53 Вот Торреса на макетке, перенес в корпус один в один Ссылка на комментарий Поделиться на другие сайты Поделиться
Гость mitrych Опубликовано 13 Декабря, 2011 в 18:16 Жалоба Поделиться Опубликовано 13 Декабря, 2011 в 18:16 Схема Торреса - это случаем не схема А.Бокарева ? Ссылка на комментарий Поделиться на другие сайты Поделиться
Рекомендуемые сообщения
Для публикации сообщений создайте учётную запись или авторизуйтесь
Вы должны быть пользователем, чтобы оставить комментарий
Создать учетную запись
Зарегистрируйте новую учётную запись в нашем сообществе. Это очень просто!
Регистрация нового пользователяВойти
Уже есть аккаунт? Войти в систему.
Войти