Гость kdtp Опубликовано 18 Августа, 2015 в 10:57 Жалоба Поделиться Опубликовано 18 Августа, 2015 в 10:57 Да уж..., запас - мама не горюй! Можем сразу "лепить" на выход усилителя 4 шт. ламп 6П6С! Про то как можно "поправить" ток ХХ в лучшую сторону, смотрите в моих сообщениях в теме "Мой первый ламповый усилитель., 6П3С-Е." Вот адрес темы https://forum.datagor.ru/index.php?showtopic=9794&hl= В этой теме есть описание простого способа для уменьшения тока ХХ в трансформаторе ТС-180-2..., правда, мы его там хотели использовать в качестве выходного транса, но это сути дела не меняет. Ссылка на комментарий Поделиться на другие сайты Поделиться
cbafrunze Опубликовано 18 Августа, 2015 в 15:08 Автор Жалоба Поделиться Опубликовано 18 Августа, 2015 в 15:08 Про то как можно "поправить" ток ХХ в лучшую сторону, смотрите в моих сообщениях в теме "Мой первый ламповый усилитель., 6П3С-Е." Вот адрес темы https://forum.datagor.ru/index.php?showtopic=9794&hl= В этой теме есть описание простого способа для уменьшения тока ХХ в трансформаторе ТС-180-2..., правда, мы его там хотели использовать в качестве выходного транса, но это сути дела не меняет. Посмотрел, Сообщение #18 ....... мелко «накрошить» ферритового порошка, в радиоаппаратуре есть ферритовые «чашечки». Например, «чашечка» из светло серого материала. Это чашки из карбонильного железа. .....на мелком напильнике напилить не много «пыли». Затем примешать эту «пыль» в клей и этим клеем склеить «подковки» трансформаторного железа…. Сообщение #45 ..........Кстати, есть один «секрет». Когда будете замешивать клей для торцов «подковок», НЕ добавляйте в него отвердитель. Эпоксидная смола не засохнет и можно будет потом его (трансформатор) разобрать (для чего либо). Только не надо наносить много этого «геля» на торцы «подковок». Так…, чуть-чуть. Ссылка на комментарий Поделиться на другие сайты Поделиться
vitivsev Опубликовано 18 Августа, 2015 в 15:35 Жалоба Поделиться Опубликовано 18 Августа, 2015 в 15:35 Сообщение #1... мелко «накрошить» ферритового порошкау меня были обломки от ферритовых трансиков, я их в чугунной ступе для толчения дробил в пыль, единственное в начале процесса накрыть ступку бумажной плоской крышечкой с отверстием под кайло, чтоб вначале осколки не разлетались... Ссылка на комментарий Поделиться на другие сайты Поделиться
cbafrunze Опубликовано 18 Августа, 2015 в 15:55 Автор Жалоба Поделиться Опубликовано 18 Августа, 2015 в 15:55 у меня были обломки от ферритовых трансиков, я их в чугунной ступе для толчения дробил в пыль, единственное в начале процесса накрыть ступку бумажной плоской крышечкой с отверстием под кайло, чтоб вначале осколки не разлетались... Да, это вариант, можно вообще пудру получить. Ссылка на комментарий Поделиться на другие сайты Поделиться
Гость kdtp Опубликовано 18 Августа, 2015 в 18:37 Жалоба Поделиться Опубликовано 18 Августа, 2015 в 18:37 (изменено) Прежде чем что то "крошить", надо внимательно "обследовать" сам трансформатор. .... Были случаи, когда на заводе, НЕ внимательный сборщик НЕ правильно совмещал "подковки". Да, представьте себе, был случай - в одном ТСА-270..., "подковки" были повёрнуты, относительно друг друга, на 180 градусов!!! Хотя на самих "подковках" стояли метки, сделанные краской, для правильной сборки. В результате этого разгильдяйства..., получился трансформатор с плохо подогнанными плоскостями "подковок", со всеми вытекающими.... Вот такие бывают "пироги с котятами". Ну, а то что "ТСы" плохо или не правильно (с перекосом) стягивают..., так это - сплошь и рядом.... Однако, всё одно - склеивать с карбонильной (или ферритовой) "крошкой" (лучше с "пылью") надо обязательно. В общем, дерзайте и обрящите. Изменено 18 Августа, 2015 в 18:38 пользователем kdtp Ссылка на комментарий Поделиться на другие сайты Поделиться
cbafrunze Опубликовано 18 Августа, 2015 в 18:57 Автор Жалоба Поделиться Опубликовано 18 Августа, 2015 в 18:57 .... надо внимательно "обследовать" сам трансформатор.Ну, а то что "ТСы" плохо или не правильно (с перекосом) стягивают..., так это - сплошь и рядом.... Однако, всё одно - склеивать с карбонильной (или ферритовой) "крошкой" (лучше с "пылью") надо обязательно. Спасибо, проверим. Я, тут присмотрел, пару схем блоков питания, мостовая и двухполупериодного выпрямителя. Что подойдет лучше? Ссылка на комментарий Поделиться на другие сайты Поделиться
vitivsev Опубликовано 18 Августа, 2015 в 19:25 Жалоба Поделиться Опубликовано 18 Августа, 2015 в 19:25 Я, тут присмотрел, пару схем блоков питания,мостовая и двухполупериодного выпрямителя... вторая, это умножитель на два Ссылка на комментарий Поделиться на другие сайты Поделиться
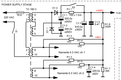
cbafrunze Опубликовано 18 Августа, 2015 в 19:54 Автор Жалоба Поделиться Опубликовано 18 Августа, 2015 в 19:54 вторая, это умножитель на два Совершенно, правильно. (Двухполупериодного выпрямителя, не ту схему выложил) Да, эту схему предлагал Рубен (rubenlukin), "Гитарный двухтактник на 6П6С, 6П3С" Сообщение #14 .....делается умножитель напряжения, с которого зАпросто снимается 310 В, тока хватает с огромным запасом. Ссылка на комментарий Поделиться на другие сайты Поделиться
vitivsev Опубликовано 18 Августа, 2015 в 20:24 Жалоба Поделиться Опубликовано 18 Августа, 2015 в 20:24 (изменено) тока хватает с огромным запасом...можно посчитать - Напряжение после выпрямителя с удвоением напряжения и два конденсатора будет в 2,82 раза больше, чем номинальное напряжение на вторичной обмотке трансформатора. Ток нагрузки по постоянному току, будет в 2,82раза меньше номинального тока вторичной обмотки. 5-6 - 63В/0,5А 5'-6' -63В/0,5А (63+63)*2,82 = 355,3В 0,5А / 2,82 = 0,177А; Сообщение #83I-(92Х2)+(13,5Х2)+7,5+(2,3Х5)=184+27+11,5=222,5ма может я не прав, но как то с запасом не очень...хотя в жизни бывает по другому... :smile: Изменено 18 Августа, 2015 в 20:43 пользователем vitivsev Ссылка на комментарий Поделиться на другие сайты Поделиться
Гость kdtp Опубликовано 18 Августа, 2015 в 21:22 Жалоба Поделиться Опубликовано 18 Августа, 2015 в 21:22 Откуда взялась эта цифра - 222,5мА? Это что..., на 4 шт. ламп 6П6С? Валерий..., Вы чего тут насчитали..., а? Ссылка на комментарий Поделиться на другие сайты Поделиться
vitivsev Опубликовано 19 Августа, 2015 в 05:44 Жалоба Поделиться Опубликовано 19 Августа, 2015 в 05:44 (изменено) Сообщ. #83 I-(92Х2)+(13,5Х2)+7,5+(2,3Х5)=184+27+ -->7,5? + 11,5=222,5ма = 230мА 2Х6П6С - 92мА+13,5мА = 105,5мА; :smile:p/s пойду доматывать трансы для своей темы, приближаемся к завершению намоточных работ :smile: Изменено 19 Августа, 2015 в 05:49 пользователем vitivsev Ссылка на комментарий Поделиться на другие сайты Поделиться
cbafrunze Опубликовано 19 Августа, 2015 в 13:14 Автор Жалоба Поделиться Опубликовано 19 Августа, 2015 в 13:14 (изменено) Откуда взялась эта цифра - 222,5мА? Это что..., на 4 шт. ламп 6П6С? Валерий..., Вы чего тут насчитали..., а? Виктор, спасибо. Понял, где ошибка. Пересчитал. Добавлено после раздумий: 2Х6П6С - 92мА+13,5мА = 105,5мА; :smile:p/s пойду доматывать трансы для своей темы, приближаемся к завершению намоточных работ :smile: Разобрался, удачно домотать трансы. Изменено 19 Августа, 2015 в 13:16 пользователем cbafrunze Ссылка на комментарий Поделиться на другие сайты Поделиться
Рекомендуемые сообщения
Для публикации сообщений создайте учётную запись или авторизуйтесь
Вы должны быть пользователем, чтобы оставить комментарий
Создать учетную запись
Зарегистрируйте новую учётную запись в нашем сообществе. Это очень просто!
Регистрация нового пользователяВойти
Уже есть аккаунт? Войти в систему.
Войти