aleks8845 Опубликовано 16 Мая, 2015 в 21:49 Жалоба Поделиться Опубликовано 16 Мая, 2015 в 21:49 И потом, прежде чем пугать ТСа, вгляделись бы, в каком режиме будет работать лампа. Выскажусь буквально: в случае недостаточного отрицательного напряжения на управляющей сетке выходной лампы при Uа -370v, или вообще отсутствия оного, может лампа выйти из строя. Хотя-бы поэтому: Правда в начале поставил конденсаторы БМТ-2(0.1m/400v), б/у не пошли. Громкость не добавилась и был треск в колонке. Лампа 300в сверкала голубым цветом в такт треску. Т.е. неисправный подстроечный( переменный резистор), как вариант :smile: Добавлено после раздумий: Чем усложнять усилитель, можно однажды сделать что то наподобие _https://www.koshcheev.ru/2012/09/02/stabilizator-6kwt/. Тем более, ситуация постоянная.Это решило бы вопрос, да и остальной аппаратуре пошло на пользу. Или перейти на ИБП, как это модно здесь. Вопрос давно зрел, так-что все три варианта потихоньку параллельно собираю.Симисторный регулятор давно уже на АП подглядел, 2кВт ый тор с отводами есть для механического стабилизатора, делал и ИИП на LLC преобразователе, что останется пока не решил :smile: Добавлено после раздумий: Фиксированное смещение удобно, прежде всего, для массовой аппаратуры, позволяя использовать практически любые работоспособные лампы и устраняя дополнительную операцию регулировки режима. Равно, как и сами регуляторы. :smile: А тут точно недопонял. :smile: Ссылка на комментарий Поделиться на другие сайты Поделиться
Гость avals Опубликовано 16 Мая, 2015 в 22:06 Жалоба Поделиться Опубликовано 16 Мая, 2015 в 22:06 Выскажусь буквально: в случае недостаточного отрицательного напряжения на управляющей сетке выходной лампы при Uа -370v, или вообще отсутствия оного, может лампа выйти из строя.Хотя-бы поэтому: Т.е. неисправный подстроечный( переменный резистор), как вариант :smile: Вы начинаете углубляться в теорию надёжности. К чему? Вернуть ТСа на путь автосмещения? Если Вы серьёзно намерены предохранить лампу от порчи (простите за каламбур), то никто не мешает напичкать усилитель устройствами контроля режима и аварийного отключения. От компараторов до микроконтроллеров. Когда мне потребовалось в SЕ не дать погибнуть выходной лампе, работавшей 95 - 100 % допустимой мощности анода, я просто доработал схему стабилизации тока анода через регулировку смещения таким образом, что она стала стабилизировать мощность рассеяния. При изменении питания на +/- 20% регулятор держал мощность на аноде в 20 Ватт с уменьшением до 19,2 (-4%) при максимальном отклонении в любую сторону. Вот такие вот пироги с котятами. Да! Неисправный подстроечный( переменный резистор), как вариант. Способ предохраниться - запаять между левым по схеме выводом потенциометра и движком резистор 100 - 300 кОм. При потере контакта на сетку будет подано максимальное смещение. А тут точно недопонял. :smile: Чем помочь? Все слова без кавычек и означают именно то, что означают. Редко в какой бытовой серийной ламповой аппаратуре были регуляторы смещения ламп. Ссылка на комментарий Поделиться на другие сайты Поделиться
aleks8845 Опубликовано 16 Мая, 2015 в 22:13 Жалоба Поделиться Опубликовано 16 Мая, 2015 в 22:13 Фиксированное смещение удобно, прежде всего, для массовой аппаратуры, Почему фиксированное смещение удобно в массовой аппаратуре? Когда мне потребовалось в SЕ не дать погибнуть выходной лампе, работавшей 95 - 100 % допустимой мощности анода Возможно SE на 6с33с? :smile: Ссылка на комментарий Поделиться на другие сайты Поделиться
Гость avals Опубликовано 17 Мая, 2015 в 07:13 Жалоба Поделиться Опубликовано 17 Мая, 2015 в 07:13 Почему фиксированное смещение удобно в массовой аппаратуре? Посыпаю голову пеплом... Конечно же, автоматическое! No one is perfect! Возможно SE на 6с33с? :smile: Нет. Loftin-White на Г-807. Чтобы избавиться от громадного горячего катодного резистора, были применены два раздельных выпрямителя питания драйвера и выходной лампы. Смещение Г-807 было сделано за счёт "сдвига" источников по уровню. Понятно, что в этом случае, причин для нестабильности режима гораздо больше. Столо быть - или снижать мощность на аноде или танцы с бубнами. Были выбраны танцы. Две платки, синзу по бокам, и есть "наш ответ Чемберлену". :smile: SE на 6С33С собирался по мотивам одной из японских схем, подсмотренных в интернете. Самое смешное - схема оказалась полностью работоспособна по постоянному току, но имела никакую частотку. С помощью моего друга Микрокапа нашёл причину. Оказалось, достаточно изменить место подключения всего одного провода! Опечатка ли это или намеренное искажение - остаётся только гадать. Ссылка на комментарий Поделиться на другие сайты Поделиться
aleks8845 Опубликовано 17 Мая, 2015 в 11:45 Жалоба Поделиться Опубликовано 17 Мая, 2015 в 11:45 Две платки, синзу по бокам, и есть "наш ответ Чемберлену". :smile: Здравствуйте, Вячеслав. Если не будет нарушения Ваших авторских прав :smile: , не поделитесь схемой контроля режима выходной лампы(контроля тока)? Опечатка ли это или намеренное искажение - остаётся только гадать. Пару раз то-же слышал о " защите от копирования" китайцев, на нашем форуме было в авторской ветке про Quad. :smile: Ссылка на комментарий Поделиться на другие сайты Поделиться
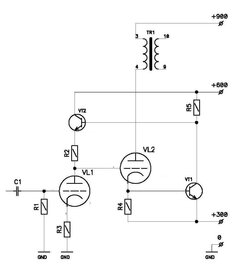
Гость avals Опубликовано 17 Мая, 2015 в 19:55 Жалоба Поделиться Опубликовано 17 Мая, 2015 в 19:55 Если не будет нарушения Ваших авторских прав :smile: , не поделитесь схемой контроля режима выходной лампы(контроля тока)? Авторские права? Я не настолько тщеславен. Идея и схемы стабилизации тока анода, в общем, не новость. А вот стабилизаторов мощности анода не встречал даже на уровне идеи. И пока я немного не готов к публикации полной схемы. Но, постараюсь удовлетворить Ваше любопытство. Итак, стабилизатор тока анода, применительно к описанной выше конструкции. Не сложно видеть, что при возрастании тока лампы VL2, падение напряжения на R4, пропорциональное току, открывает VT1, что уменьшает напряжение на его коллекторе. Через повторитель VT2 это уменьшает питание каскада на VL1 и, таким образом, увеличивает отрицательное смещение сетки VL2 и уменьшает ток. При уменьшении тока лампы VL2 процессы идут в обратном направлении. Поскольку в качестве опорного напряжения используется напряжение перехода б-э транзистора, существует температурная зависимость. Однако, практически, через 15 минут прогрева дрейф становится незначительным. После настройки можно ставить любые рабочие лампы - стабилизатор скорректирует разброс. Оба каскада питаются от выпрямителей 600 Вольт, смещенных на 300 Вольт друг относительно друга. Один из мотивов применения подобных решений - далеко не все заказчики способны обращаться с мультиметром. Да и пускать непрофессионала туда, где можно нарваться на высокое - стоит ли? А так человек, при нужде, купил лампу и поменял. Практически как в торшере. :smile: Пару раз то-же слышал о " защите от копирования" китайцев, на нашем форуме было в авторской ветке про Quad. :smile: Не думаю, что что актуально. Говорят - есть защита от дурака. Но нет защиты от изобретательного дурака. Если Вы способны "увидеть" работу схемы с листа, подобно тому, как музыкант "слышит" произведение глядя на ноты, Вас не остановят мелкие неточности. Я уже очень давно не повторяю чужие схемы. Для меня это просто источник идей, которые я адаптирую применительно к своей ситуации. То же было и с упомянутым японским однотактом. Реализован он был на совершенно других лампах, с учётом обнаруженных ошибок. Ссылка на комментарий Поделиться на другие сайты Поделиться
aleks8845 Опубликовано 18 Мая, 2015 в 11:15 Жалоба Поделиться Опубликовано 18 Мая, 2015 в 11:15 Итак, стабилизатор тока анода Спасибо за идею :smile: Я уже очень давно не повторяю чужие схемы. Для меня это просто источник идей, которые я адаптирую применительно к своей ситуации. Абсолютно справедливо для профессионального электронщика :smile: Ссылка на комментарий Поделиться на другие сайты Поделиться
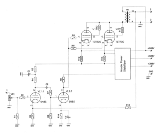
Гость avals Опубликовано 18 Мая, 2015 в 21:37 Жалоба Поделиться Опубликовано 18 Мая, 2015 в 21:37 Спасибо за идею :smile: Не за что. У меня есть их. Хотите ещё одну? Даже проще предыдущей. Стабилитрон D1 предварительно "сдвигает" источники, а оптрон окончательно стабилизирует ток выходной лампы. Ссылка на комментарий Поделиться на другие сайты Поделиться
Гость ALYR Опубликовано 8 Июня, 2015 в 03:44 Жалоба Поделиться Опубликовано 8 Июня, 2015 в 03:44 Уважаемые датагорцы, продолжаю изготавливать усилитель на лампах 300в, спаял и собрал оба канала с автоматическим смещением(пока) и столкнулся со следующими неприятностями: 1.При включении накала - небольшой фон. Это стандартная ситуация. Планирую экранировать входные проводники, вернее хочу использовать для них микрофонный экранированный кабель. Также планирую накальные проводники экранировать(обмотать фольгой) и кинуть один конец на шасси. Еще думаю что дроссель маловат(от лампы дневного света). Измерял ток холостого хода на переменном напряжении- получается 10ма. 2.При включении анодного напряжения фон усиливается и появляется довольно ощутимый микрофонный эффект. При постукивании пальцами по корпусу -звук отдается в колонках. Понимаю что и вибрация силового тора тоже проходит в звук. Как с этим можно бороться? 3. И последнее - при работе усилителя есть небольшое голубое свечение ламп 300в в верхней части лампы. Это нормально? Посторонних шумов нет. В такт музыке не дергается. Просто светит голубым светом и при выключении анодного напряжения становиться понятно что это как бы лучи которые выходят изнутри лампы и проецируются на стекле. Читал что это электроны бомбардируют стекло. Оставить так, или нужно что-то делать? Александр. Ссылка на комментарий Поделиться на другие сайты Поделиться
andrew_spb Опубликовано 8 Июня, 2015 в 05:39 Жалоба Поделиться Опубликовано 8 Июня, 2015 в 05:39 Дроссель от ЛДС собран БЕЗ ЗАЗОРА, не рассчитан на работу с подмагничиванием.. Ссылка на комментарий Поделиться на другие сайты Поделиться
TANk Опубликовано 8 Июня, 2015 в 06:24 Жалоба Поделиться Опубликовано 8 Июня, 2015 в 06:24 .При включении анодного напряжения фон усиливается и появляется довольно ощутимый микрофонный эффект. При постукивании пальцами по корпусу -звук отдается в колонках. Понимаю что и вибрация силового тора тоже проходит в звук.Как с этим можно бороться? Выяснить какие лампы создают этот микрофонный эффект. Выходные или предварительные. Карандашиком легонько постукиваем по баллону лампы и слушаем отзыв в колонках. Прямонакальные лампы больше повержены МЭ, т.к. катод представляет собой тонкую нить при вибрации которой меняется расстояние между ней и сеткой. Это меняет параметры лампы и вызывает звук в колонках. Бороться резиновыми/силиконовыми прокладками на силовом трансформаторе. Также через виброразвязку можно закрепить и ламповые панели проблемных ламп. Радикальный способ борьбы с вибрацией от силового трансформатора - вынести БП в отдельный блок и поставить его на другую полку в стойке аппаратуры, снабдив толстыми резиновыми ножками. Кстати это позволяет избавиться от наводок от силового трансформатора и дросселя на сигнальные провода. Как уже говорилось, дроссель от ЛДС надо заменить на нормальный, рассчитанный на работу с подмагничиванием на 200-250мА. Дроссель от ЛДС еще можно использовать когда нет совсем ничего под руками с усилителем потребляющим ток порядка 50мА (что нибудь на 6Ф3П 6П14П). С серьезными лампами надо ставить серьезную специализированную железяку. Либо собирать "электронный дроссель", если религия позволяет использовать П/П приборы в ламповом усилителе. Ссылка на комментарий Поделиться на другие сайты Поделиться
aleks8845 Опубликовано 8 Июня, 2015 в 07:24 Жалоба Поделиться Опубликовано 8 Июня, 2015 в 07:24 (изменено) 1.При включении накала - небольшой фон. Это стандартная ситуация. 2.При включении анодного напряжения фон усиливается и появляется довольно ощутимый микрофонный эффект. При постукивании пальцами по корпусу -звук отдается в колонках. 3. И последнее - при работе усилителя есть небольшое голубое свечение ламп 300в в верхней части лампы. Это нормально? 1. Для 300ки это нормально-выпрямлять и фильтровать, балансировка накала до конца от фона не избавляет. 2. Микрофон у 300В есть.("крутых" не пользовал, не знаю) 3. Голубое свечение- тоже нормально. Анодное фильтровать либо нормальными("правильными") дросселями C-L-C,при LC потребуется двухзвенный фильтр, либо ЭД. :smile: :smile: Уровень фона можно измерить приборами на эквиваленте нагрузки, либо определить доступный ур. фона для Вас на слух. :smile: Изменено 8 Июня, 2015 в 07:29 пользователем aleks8845 Ссылка на комментарий Поделиться на другие сайты Поделиться
Рекомендуемые сообщения
Для публикации сообщений создайте учётную запись или авторизуйтесь
Вы должны быть пользователем, чтобы оставить комментарий
Создать учетную запись
Зарегистрируйте новую учётную запись в нашем сообществе. Это очень просто!
Регистрация нового пользователяВойти
Уже есть аккаунт? Войти в систему.
Войти