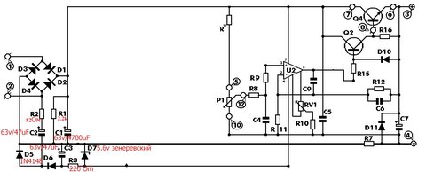
Lexter Опубликовано 13 Октября, 2020 в 21:29 Жалоба Поделиться Опубликовано 13 Октября, 2020 в 21:29 Не знаю, какую часть схемы вы собрали, как подключили P1 и в каких пределах регулируется напряжение на движке Р1, но похоже, что ОУ U2 исправен. Хотя 4 часа назад, Amir сказал: от 14 до 18 - какой-то странный диапазон... Ладно, будем гадать. Попробуйте теперь собрать вот эту часть схемы. R* - временно установленный резистор. Фактически должно получиться, что к собранному сейчас фрагменту схемы добавляются транзисторы. Не забудьте убрать временную перемычку с R12 на вывод 6 ОУ. На этой схеме укажите номиналы фактически установленных элементов, в том числе и R*. Лучше - измеренные тестером. И не списком где-то в тексте, а прямо на схеме. Так проще проверять, да и вы привыкнете правильно воспринимать схемы. На выход (между точками 3 и 4) поставьте резистор примерно 1-2 кОм мощностью 1 Вт (в принципе он там и должен быть, чтобы при отсутствии нагрузки, конденсатору С7 было куда разряжаться при регулировке напряжения вниз и при выключении блока). Напряжения измеряйте относительно "Выход -" (точка 4). Потенциометром Р1 напряжение на выходе должно изменяться. Напишите, в каких пределах изменяется напряжение на движке Р1 при вращении его из одного крайнего положения в другое, и в каких пределах при этом изменяется напряжение на выводе 6 ОУ и на выходе БП (между точками 3 и 4). Напряжение около нуля (при нижнем положении движка Р1) должно регулироваться в небольших пределах потенциометром RV1 ("подстройка нуля"). Напишите, в каких. После того, как у этой схемы вращением Р1 можно будет изменять выходное напряжение в пределах от 0 до напряжения, на 2 - 5 В меньше напряжения на С1, можно будет добавлять следующие каскады. И ещё... Вы что-то говорили про КТ827А. Это уже составной транзистор. Если будете ставить его, то Q2 и R16 не нужны. База Q4 (КТ827А) соединяется с верхним выводом R15. Ссылка на комментарий Поделиться на другие сайты Поделиться
Amir Опубликовано 14 Октября, 2020 в 14:32 Жалоба Поделиться Опубликовано 14 Октября, 2020 в 14:32 (изменено) 17 часов назад, Lexter сказал: укажите номиналы Так можно? если пойдет, остальные допишу. сейчас к сожалению времени нет 17 часов назад, Lexter сказал: Попробуйте теперь собрать вот эту часть схемы. собрал. R* - 10kOm. напряжение на выходе моста: 27в. на входе ОУ (4 ножка) -5.6. на выходе ОУ 0.5 - 0.7в 17 часов назад, Lexter сказал: На выход (между точками 3 и 4) поставьте резистор примерно 1-2 кОм мощностью 1 Вт сделал всё кроме этого из-за его отсутствия. наверное не сильно влияет Добавил все элементы, но регулируется от 0.5 до 0.7в Изменено 14 Октября, 2020 в 14:43 пользователем Amir Ссылка на комментарий Поделиться на другие сайты Поделиться
Lexter Опубликовано 14 Октября, 2020 в 14:43 Жалоба Поделиться Опубликовано 14 Октября, 2020 в 14:43 Пойдёт. Ссылка на комментарий Поделиться на другие сайты Поделиться
Amir Опубликовано 14 Октября, 2020 в 15:05 Жалоба Поделиться Опубликовано 14 Октября, 2020 в 15:05 21 минуту назад, Lexter сказал: Пойдёт Ссылка на комментарий Поделиться на другие сайты Поделиться
Lexter Опубликовано 14 Октября, 2020 в 18:29 Жалоба Поделиться Опубликовано 14 Октября, 2020 в 18:29 Вы верхний вывод резистора R15 с базой Q4 соединили? Когда соедините, напишите: 1. В каких пределах изменяется напряжение на движке Р1 при вращении его из одного крайнего положения в другое (контрольная точка 12). 2. В каких пределах при этом изменяется напряжение на выводе 6 ОУ. 3. В каких пределах при этом изменяется напряжение на выходе БП (между точками 3 и 4). Ссылка на комментарий Поделиться на другие сайты Поделиться
Amir Опубликовано 14 Октября, 2020 в 18:31 Жалоба Поделиться Опубликовано 14 Октября, 2020 в 18:31 1 минуту назад, Lexter сказал: R15 с базой Q4 соединили да Ссылка на комментарий Поделиться на другие сайты Поделиться
Lexter Опубликовано 14 Октября, 2020 в 18:31 Жалоба Поделиться Опубликовано 14 Октября, 2020 в 18:31 (изменено) И? Вы в постах только первую сторочку читаете? Изменено 14 Октября, 2020 в 18:33 пользователем Lexter Ссылка на комментарий Поделиться на другие сайты Поделиться
Amir Опубликовано 14 Октября, 2020 в 18:40 Жалоба Поделиться Опубликовано 14 Октября, 2020 в 18:40 9 минут назад, Lexter сказал: контрольная точка 12 только сейчас проверяю. тут от 0 до 13.8в 10 минут назад, Lexter сказал: на выводе 6 ОУ тут 0.5-0.7 11 минуту назад, Lexter сказал: на выходе БП (между точками 3 и 4) здесь тоже 0.5-0.7в Ссылка на комментарий Поделиться на другие сайты Поделиться
Lexter Опубликовано 14 Октября, 2020 в 18:45 Жалоба Поделиться Опубликовано 14 Октября, 2020 в 18:45 (изменено) 6 минут назад, Amir сказал: 0.5-0.7 Проверьте, как меняется напряжение непосредственно на выводе 3 ОУ. Должны быть те же 0 ... 13,8 В. Посмотрите, какое при этом напряжение на выводе 2 ОУ. Посмотрите, что на этих же выводах, если установить на движке Р1 4,0 В. Проверьте, не перепутали ли полярность диода D11. Изменено 14 Октября, 2020 в 18:47 пользователем Lexter Ссылка на комментарий Поделиться на другие сайты Поделиться
Amir Опубликовано 14 Октября, 2020 в 18:59 Жалоба Поделиться Опубликовано 14 Октября, 2020 в 18:59 14 минуты назад, Lexter сказал: на выводе 3 ОУ. Должны быть те же 0 ... 13,8 В так и есть 14 минуты назад, Lexter сказал: какое при этом напряжение на выводе 2 ОУ 0.15-0.19в 15 минут назад, Lexter сказал: если установить на движке Р1 4,0 В 0.17в 16 минут назад, Lexter сказал: Проверьте, не перепутали ли полярность диода D11. вроде нормально. серой полоской верх Ссылка на комментарий Поделиться на другие сайты Поделиться
Lexter Опубликовано 14 Октября, 2020 в 19:15 Жалоба Поделиться Опубликовано 14 Октября, 2020 в 19:15 (изменено) Странно, что перед этим у вас напряжение на выходе ОУ менялось, значит был исправен. Сейчас, как вы описываете, - ОУ мёртвый. Что-то не так вы собрали. Проверьте монтаж на соответствие схеме. Желательно "прозвонкой" тестера проверить соединения. Посмотрите, нет ли замыканий на что-нибудь в районе выходных клемм. Проверьте, не перепутали ли выводы транзистора. Для проверки, "жив" ли ещё ОУ, можете попробовать опять отсоединить верхний вывод R15 от базы Q4 и замкнуть его на правый вывод R12. 22 минуты назад, Amir сказал: D11 ... серой полоской верх Можно его пока вообще снять. Изменено 14 Октября, 2020 в 19:20 пользователем Lexter Ссылка на комментарий Поделиться на другие сайты Поделиться
Lexter Опубликовано 14 Октября, 2020 в 19:42 Жалоба Поделиться Опубликовано 14 Октября, 2020 в 19:42 (изменено) Может "+" питания на ОУ отвалился? Проверьте напряжение на выводе 7 ОУ. А что за провод у вас припаян непосредственно к выводу 6 этого ОУ (на фото монтажа - толстый грязно-серо-зелёный, уходит вправо)? Изменено 14 Октября, 2020 в 19:43 пользователем Lexter Ссылка на комментарий Поделиться на другие сайты Поделиться
Рекомендуемые сообщения
Для публикации сообщений создайте учётную запись или авторизуйтесь
Вы должны быть пользователем, чтобы оставить комментарий
Создать учетную запись
Зарегистрируйте новую учётную запись в нашем сообществе. Это очень просто!
Регистрация нового пользователяВойти
Уже есть аккаунт? Войти в систему.
Войти