seregaKP Опубликовано 23 Августа, 2010 в 16:49 Автор Жалоба Поделиться Опубликовано 23 Августа, 2010 в 16:49 Всем доброго вечере! прошу прощения что пропал, просто лето со всеми вытекающими! подключил усилитель к ± 24.9 В и ничего, все так же! при выставлении постоянного тока на выходе мультиметр показывает 0 как никрути резистор, так же и при выставлении тока покоя 0 мА. подскажите где что замерить пожалуйста!!! Ссылка на комментарий Поделиться на другие сайты Поделиться
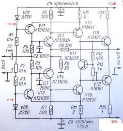
Wal Опубликовано 25 Августа, 2010 в 06:33 Жалоба Поделиться Опубликовано 25 Августа, 2010 в 06:33 (изменено) Всем доброго вечере! прошу прощения что пропал, просто лето со всеми вытекающими! подключил усилитель к ± 24.9 В и ничего, все так же! при выставлении постоянного тока на выходе мультиметр показывает 0 как никрути резистор, так же и при выставлении тока покоя 0 мА. подскажите где что замерить пожалуйста!!! Привет. Для начала почитай здесь: _https://forum.datagor.ru/index.php?showtopic=5093 Усил твой с непосредственными связями. Поэтому, если на выходе ничего нет, то может быть проблема где-то на входе. Для начала замерь напряжение между базами VT3 и VT4 (т.е. один щуп тестера на базу VT3, второй - на базу VT4) Должно быть где-то 1,2-1,5В. Если меньше, у тебя усил по входу закрыт наглухо, потому и ток покоя ноль, и постоянка на выходе 0! Если нормально, то пиши - будем думать дальше :smile: P.S. Но ваще, господа, может я чего не понимаю? В первом каскаде кремниевым транзисторам смещение задаётся германиевыми (Д220 вроде как германиевый?) диодами. Они ж не откроются. Наверное, стоит сюда КД521 поставить, глядишь усь и заработает? Изменено 25 Августа, 2010 в 06:40 пользователем wal Ссылка на комментарий Поделиться на другие сайты Поделиться
FOLKSDOICH Опубликовано 25 Августа, 2010 в 07:20 Жалоба Поделиться Опубликовано 25 Августа, 2010 в 07:20 (Д220 вроде как германиевый?) Нет, Д220 - кремний. Ссылка на комментарий Поделиться на другие сайты Поделиться
Wal Опубликовано 25 Августа, 2010 в 07:32 Жалоба Поделиться Опубликовано 25 Августа, 2010 в 07:32 (изменено) Нет, Д220 - кремний. А выглядят как германиевые :smile: Тада должно работать.... Изменено 25 Августа, 2010 в 07:50 пользователем wal Ссылка на комментарий Поделиться на другие сайты Поделиться
seregaKP Опубликовано 26 Августа, 2010 в 14:57 Автор Жалоба Поделиться Опубликовано 26 Августа, 2010 в 14:57 Между базами VT3, VT4 0В, только у меня стоят не Д220 а Шотки IN5822 Ссылка на комментарий Поделиться на другие сайты Поделиться
Wal Опубликовано 27 Августа, 2010 в 06:03 Жалоба Поделиться Опубликовано 27 Августа, 2010 в 06:03 Между базами VT3, VT4 0В, только у меня стоят не Д220 а Шотки IN5822 Как я и думал :smile: Усилитель закрыт наглухо по входу.... Источники тока на VT1 и VT2 дают слишком малый ток, если вообще дают. На диодах Шотки падение напряжения гораздо меньше чем на обычных кремниевых диодах. Зачем их сюда ставить, если скорость переключения неважна (диоды всегда открыты)??? Я догадываюсь, что ты читал/слышал что диоды Шотки круче, но как видишь не всегда... Так что для начала поставь Д220 или хотя бы КД521 и опять замерь напряжение. Ссылка на комментарий Поделиться на другие сайты Поделиться
seregaKP Опубликовано 27 Августа, 2010 в 13:36 Автор Жалоба Поделиться Опубликовано 27 Августа, 2010 в 13:36 (изменено) К сожалению ни Д220 НИ КД521 у меня нет, есть только КД202Д (от ВЕГА) , вот напряжения мои по питанию и что после диодов (отмечено красным на схеме), вроде напряжения нормальные, может какой транзистор нерабочий?Кстати конечно немного не в тему, но питание я беру от усилителя Электрон 104С, он полурабочий, похоже там емкости высохли. как он по качеству? в виртуальном музее смотрел его параметры непонравились большое искажение и возможно несовсем нормальная нижняя граница воспроизведения ( возможно нужно ниже), так вот вопрос может его восстановить, поменять емкости, выкинуть все лишнее (тембр блок, предусилитель и т.) оставить только оконечный УМ. просто не знаю насколько хорош усилитель который собираю по параметрам и лучше ли он Электрона??? может что посоветуете??? Изменено 27 Августа, 2010 в 13:48 пользователем seregakp Ссылка на комментарий Поделиться на другие сайты Поделиться
seregaKP Опубликовано 27 Августа, 2010 в 16:04 Автор Жалоба Поделиться Опубликовано 27 Августа, 2010 в 16:04 Вспомнил, есть похоже что то похожее на Д220, завтра поеду, посмотрю, если что то в воскресенье отпишусь что нашел, а пока только то что писал выше. Ссылка на комментарий Поделиться на другие сайты Поделиться
Wal Опубликовано 27 Августа, 2010 в 19:14 Жалоба Поделиться Опубликовано 27 Августа, 2010 в 19:14 К сожалению ни Д220 НИ КД521 у меня нет, есть только КД202Д (от ВЕГА) , вот напряжения мои по питанию и что после диодов (отмечено красным на схеме), вроде напряжения нормальные, может какой транзистор нерабочий? Напряжения как раз НЕнормальные!!! Если бы VT1 и VT2 были германиевые, то хватило бы "за глаза". А так как они всё же кремниевые, то падения на диодах по 0,4В им не хватает, чтобы открыться. Почитай любой учебник по транзисторам и посмотри ВАХ любого кремниевого транзистора. Поставь вместо VD1 и VD2 ЛЮБЫЕ кремниевые диоды (чтобы схему запустить), только не Шотки и не ультрафасты, и всё должно хоть как-то заработать, если, конечно, ещё чего не наколбасил. Ссылка на комментарий Поделиться на другие сайты Поделиться
seregaKP Опубликовано 28 Августа, 2010 в 13:17 Автор Жалоба Поделиться Опубликовано 28 Августа, 2010 в 13:17 есть Д223Б,они подойдут вместо Д220? Ссылка на комментарий Поделиться на другие сайты Поделиться
s.k. Опубликовано 28 Августа, 2010 в 13:20 Жалоба Поделиться Опубликовано 28 Августа, 2010 в 13:20 есть Д223Б,они подойдут вместо Д220? Да, подойдут Ссылка на комментарий Поделиться на другие сайты Поделиться
seregaKP Опубликовано 28 Августа, 2010 в 14:40 Автор Жалоба Поделиться Опубликовано 28 Августа, 2010 в 14:40 ок!завтра вечером буду пробовать.отпишусь что да как получилось. Ссылка на комментарий Поделиться на другие сайты Поделиться
Рекомендуемые сообщения
Для публикации сообщений создайте учётную запись или авторизуйтесь
Вы должны быть пользователем, чтобы оставить комментарий
Создать учетную запись
Зарегистрируйте новую учётную запись в нашем сообществе. Это очень просто!
Регистрация нового пользователяВойти
Уже есть аккаунт? Войти в систему.
Войти