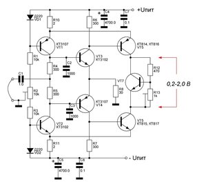
seregaKP Опубликовано 14 Мая, 2010 в 15:43 Жалоба Поделиться Опубликовано 14 Мая, 2010 в 15:43 (изменено) схема из радио N5 2009г. смущает полярность С5 не перепутана она? и отсутствие полярности С2,С3 где плюс минус? еще подскажите пожалуйста у R2,R13 где на схеме контакт на котором меняется сопротивление(он из середины выходит или как?а то не знаю как они на схемах обозначаются. если по аналогии с самим резистором и что у него этот контакт по середине обычно то и тут но должен из центра выходить или нет? и еще подскажите пожалуйста R2 устанавливается коррекция постоянного напряжения на выходе,а R13 постоянный ток транзисторов VT8 VT9 в интервале 10...20мА в какой случае и куда,в какие точки схемы тыкать мультиметр и что но должен показывать в каждом случае скажите и объясните пожалуйста.заранее прошу прощения за качество фото,просто сижу в интернете с мобильного и фото с него же Изменено 7 Июля, 2010 в 19:21 пользователем mastersound Ссылка на комментарий Поделиться на другие сайты Поделиться
Гость drz Опубликовано 14 Мая, 2010 в 15:53 Жалоба Поделиться Опубликовано 14 Мая, 2010 в 15:53 (изменено) полярность С5 не перепутана она? Перепутана. и отсутствие полярности С2,С3 где плюс минус? Эти конденсаторы неэлектролитические - по 1000 ПИКОФАРАД у R2,R13 где на схеме контакт на котором меняется сопротивление Не совсем понятно что имеется ввиду, но у подстроечных резисторов обычно подвижный контакт находится посередине. R2 устанавливается коррекция постоянного напряжения на выходе Как ни странно, но контролировать постоянку нужно на выходе ))) Туда тестер и включайте. постоянный ток транзисторов VT8 VT9 в интервале 10...20мА В разрыв коллекторной цепи одного из транзисторов, включайте миллиамперметр и выставляйте указанное значение. Изменено 14 Мая, 2010 в 15:54 пользователем drz Ссылка на комментарий Поделиться на другие сайты Поделиться
seregaKP Опубликовано 14 Мая, 2010 в 16:09 Автор Жалоба Поделиться Опубликовано 14 Мая, 2010 в 16:09 получаееть С2,С3 это керамика?а как 1000 пикофарад обозначается с буквами? да я знаю что вожакеный у подстроичников посередине,а на схеме где этот контакт,тоже из центра " прямоугольника" выходит или нет?например у R2 на землю выходит подвижный или нет?просто не знаю как правильно их поставить. Ссылка на комментарий Поделиться на другие сайты Поделиться
Гость drz Опубликовано 14 Мая, 2010 в 16:16 Жалоба Поделиться Опубликовано 14 Мая, 2010 в 16:16 а как 1000 пикофарад обозначается с буквами? Пикофарады обычно не пишутся, т.е. 100 - это сто пикофарад 0,1 - это ноль один микрофарад Соответствующее обозначение + номинал 100,0 (или 100х16) - сто микрофарад. где этот контакт,тоже из центра " прямоугольника" выходит или нет?например у R2 на землю выходит подвижный или нет? Да, из "центра прямоугольника". У R2 он идёт на землю. Ссылка на комментарий Поделиться на другие сайты Поделиться
seregaKP Опубликовано 14 Мая, 2010 в 16:20 Автор Жалоба Поделиться Опубликовано 14 Мая, 2010 в 16:20 т.е надо искать конденсатор с надписью 0,1?керамика,не полярный.я правильно понял? Ссылка на комментарий Поделиться на другие сайты Поделиться
Гость drz Опубликовано 14 Мая, 2010 в 16:34 Жалоба Поделиться Опубликовано 14 Мая, 2010 в 16:34 Нет. Надпись должна быть - 1000 или 1000 пф. Можно и керамику, а, можно (а, ИМХО, даже лучше) слюдяные КСО. Вот такие - _https://oldradio.onego.ru/COMPS/2/kso_b.jpg Ссылка на комментарий Поделиться на другие сайты Поделиться
s.k. Опубликовано 14 Мая, 2010 в 16:38 Жалоба Поделиться Опубликовано 14 Мая, 2010 в 16:38 т.е надо искать конденсатор с надписью 0,1?керамика,не полярный.я правильно понял? Если с "буквами", то обозначения: 1000пФ - 1n или 1n0; 0,1мкФ - 100n. Конденсаторы лучше использовать полипропиленовые ("плёнку")... А на 1000пф можно и слюдяные (марка К31 или более старые и объёмные КСО), там маркировка - 1000... Ссылка на комментарий Поделиться на другие сайты Поделиться
seregaKP Опубликовано 14 Мая, 2010 в 16:40 Автор Жалоба Поделиться Опубликовано 14 Мая, 2010 в 16:40 (изменено) а пленка 104J 103J 102J это как раз не они?только какие именно? Изменено 14 Мая, 2010 в 16:49 пользователем seregakp Ссылка на комментарий Поделиться на другие сайты Поделиться
s.k. Опубликовано 14 Мая, 2010 в 16:49 Жалоба Поделиться Опубликовано 14 Мая, 2010 в 16:49 (изменено) а пленка 104J это как раз не они? Это 0,1 мкФ. Диэлектрик - лавсан. Изменено 14 Мая, 2010 в 17:30 пользователем s.k. Ссылка на комментарий Поделиться на другие сайты Поделиться
seregaKP Опубликовано 14 Мая, 2010 в 16:54 Автор Жалоба Поделиться Опубликовано 14 Мая, 2010 в 16:54 Это 0,1 мкФ. ну тогда 102J так? Ссылка на комментарий Поделиться на другие сайты Поделиться
Гость rubenlukin Опубликовано 14 Мая, 2010 в 17:03 Жалоба Поделиться Опубликовано 14 Мая, 2010 в 17:03 ну тогда 102J так? Да. Последняя цифра = количеству нулей после первых двух цифр, всё в пикофарадах. Ссылка на комментарий Поделиться на другие сайты Поделиться
s.k. Опубликовано 14 Мая, 2010 в 17:42 Жалоба Поделиться Опубликовано 14 Мая, 2010 в 17:42 (изменено) Главное, не запутаться в "мелких" пикофарадах - обозначения 10 и 100, например (разных производителей), обозначают одинаковую ёмкость - 10пФ... Изменено 14 Мая, 2010 в 17:45 пользователем s.k. Ссылка на комментарий Поделиться на другие сайты Поделиться
Рекомендуемые сообщения
Для публикации сообщений создайте учётную запись или авторизуйтесь
Вы должны быть пользователем, чтобы оставить комментарий
Создать учетную запись
Зарегистрируйте новую учётную запись в нашем сообществе. Это очень просто!
Регистрация нового пользователяВойти
Уже есть аккаунт? Войти в систему.
Войти