Гость alx25v Опубликовано 26 Апреля, 2010 в 12:13 Жалоба Поделиться Опубликовано 26 Апреля, 2010 в 12:13 (изменено) Фотка первая - вид со стороны деталей, вторая - сторона пайки. Это транс на 60 ватт, третья это на 250 ватт. Рамкой отмечена граница переключающего транса, внутри зелёным это базовые обмотки, красным токовая обмотка. На первой фотке что и откуда отпаять, на второй куда перемычку, а третья ещё не доработанная. Кстати резистор для обратной связи можно увеличить, только частоту держите в пределах 25-40 кгц (_https://forum.datagor.ru/index.php?showtopic=3897&view=findpost&p=51376) Первое включение только через лампочку, после моста на входе эл транса очееень желательно емкость минимум на 100μFХ400в. Ну и фильтр, позистор, предах. Изменено 26 Апреля, 2010 в 12:17 пользователем alx25v Ссылка на комментарий Поделиться на другие сайты Поделиться
Гость dynazzz Опубликовано 26 Апреля, 2010 в 17:06 Жалоба Поделиться Опубликовано 26 Апреля, 2010 в 17:06 Спасибо огромное! Теперь понял :angry: Ссылка на комментарий Поделиться на другие сайты Поделиться
Гость diamond Опубликовано 29 Апреля, 2010 в 20:32 Жалоба Поделиться Опубликовано 29 Апреля, 2010 в 20:32 (изменено) Приветствую. :smile: Собрался переделывать ташибру, много раз просмотрел статью, и встало несколько вопросов. Ну сначала вопросы по рис.3: 1)Меня заитересовал входной фильтр... подскажите, какие номиналы брать C`1 и C`2? Желательно равные? Но в каком диапазоне..? Посмотрел платы некторых готовых устройств. Увидел только с одной стороны от дроселя. В одной плате 0,47μF, в другой 0,22μF... 2) Стоит ли ставить конденстаторы между нулем-землей и фазой-землей, для слива ВЧ помех из сети на землю (в схеме нету)? И если да, то какого номинала? То, что при отсутствии контакта с заземлением розетки, у меня на корпусе устройства, подключенному к тому же проводу земли, будет 110В осознаю, но с этим проблем никогда не было. В некторых схемах видел почему то их подключенными последовательно через резистор. 3) Встречал настойчивые рекомендации ставить варьистор межд нулем и фазой, для подавляния высоковольтных выбросов в сети (перекоса фаз, и т.д). Стоит его ставить? (на схеме так же нету) Просто логика говорит что да, но не встречал пока таких фильтров. Или внимания не обращал... Так же говорили, не помешает еще пара варисторов, один между "нулем" и "землей", второй между фазой и "землей" ( а вот тут не уверен, а надо ли?) 4) С`3 взят на 400В из соображений запаса? То есть, по идеи, можно и на 250В поставить? Добавлено после раздумий: И еще вопрос по рис.4: Я так понимаю, что при минимальных переделках мы конец вторичной обмотки используем как среднюю точку, и доматываем еще одну точно такую же по кол-ву витков? И после выходной обвязки, получаем двуполярное напряжение? Или я что то не так понял? (Ну ессно так же переделываем на возбуждение по напряжению.) Так же встал еще такой интересный вопрос. У меня трансформатор фирмы LFlash, Type: Tashibra ET-60W. Как я понял полный аналог оригинальной Ташибры, только разводка другая. В этом то и стоит загвоздка. На конце платы после транзисторов проведена одна из дорожек, то есть транзы стоят не на самом краю, радиатор так просто не приделаешь. Насколько важна плотность деталей в ИБП? Можно ли их (транзисторы) вынести в сторону на проводах, длиной, допустим, сантиметра 3? Также обязательно ли соблюсти равенство длин выносных проводов? Или нельзя так вобще делать? Изменено 29 Апреля, 2010 в 20:42 пользователем diamond Ссылка на комментарий Поделиться на другие сайты Поделиться
Гость ruberoidd Опубликовано 1 Мая, 2010 в 08:27 Жалоба Поделиться Опубликовано 1 Мая, 2010 в 08:27 У меня C1 и C2 стоят по 0,1 μF. С3 обязательно ставить на 400 вольт, ведь на нем получается не 220 "сетевых" вольт, а амплитудное значение, которое в 1,41 раз выше сетевого напряжения (220 X 1,41=310 вольт!). Только в наших сетях напруга редко бывает равна 220 вольтам, с утра 240, а то и 250, вечером 215 вольт. Так что кондер на 400 вольт не зря ставят. Для получения двуполярного напряжения я мотал обе вторички заново, брал вдвое сложенный провод и мотал, таким образом получал две обмотки за одну намотку, после соединял начало одной обмотки с концом другой эта точка получалась общим проводником. Если мотать заново необходимо посмотреть сколько витков на вольт получается. В моем случае 1 вит = 1,75 вольт. У меня транс такой же LFlash от Tashibra, только моща 150 вт, транзисторы на радиаторы не ставил, греется конечно, но две галогенки по 60 вт тянул без проблем, теперь же прекрасно тянет двухканальный усь на TDA2030+транзисторы, каждый канал которого работает на двухомную нагрузку. Так что радиаторы на ключи не очень и нужны, имхо. Но если таки хочется поставить их на теплоотводы, то ничего супер страшного не произойдет если подвести проводами к транзисторам от платы, там же не страшные мегагерцы, а всего лишь килогерцы. Но естественно чем короче провода, тем лучше. Добавлено после раздумий: Забыл добавить, после перемотки при первом включении сгорел резистор, выполняющий роль предохранителя, R1 в схеме поста #103. Взамен поставил 3,3 ома на 5 Вт. Даже один раз, по неосторожности сделал КЗ, но ни чего не вылетело, был удивлен этому. Ссылка на комментарий Поделиться на другие сайты Поделиться
Гость diamond Опубликовано 2 Мая, 2010 в 18:25 Жалоба Поделиться Опубликовано 2 Мая, 2010 в 18:25 Чтож, спасибо, немного прояснили. А что на счет кондеров на землю и варьистров? Ссылка на комментарий Поделиться на другие сайты Поделиться
ads Опубликовано 15 Мая, 2010 в 14:36 Жалоба Поделиться Опубликовано 15 Мая, 2010 в 14:36 У меня вопрос - нет ли каких-либо "против" применения этих БП (сооотв. мощности) для зарядки автомобильных АКБ. Если нет - что-нибудь специфическое надо менять (добавлять)? Ссылка на комментарий Поделиться на другие сайты Поделиться
Гость ruberoidd Опубликовано 15 Мая, 2010 в 17:37 Жалоба Поделиться Опубликовано 15 Мая, 2010 в 17:37 Я думаю, использовать можно. Для этого придется перемотать вторичную обмотку для требуемого напряжения, добавить выпрямительный мост на быстрых диодах. Возбуждение по току можно оставить, имхо. Но вот только без присмотра я бы не оставлял этот зарядник, скачек напряжения может погубить его или еще что. Ссылка на комментарий Поделиться на другие сайты Поделиться
metrolog Опубликовано 15 Мая, 2010 в 17:47 Жалоба Поделиться Опубликовано 15 Мая, 2010 в 17:47 У меня вопрос - нет ли каких-либо "против" применения этих БП (сооотв. мощности) для зарядки автомобильных АКБ. Если нет - что-нибудь специфическое надо менять (добавлять)? Привет! Если будет регулятор тока от 0 до max, то противоречий не усматриваю. Главное, чтобы во время старта ток не превышал максимально допустимых значений, ибо защиты по току в таких блоках питания не предусмотрено :smile: Ссылка на комментарий Поделиться на другие сайты Поделиться
Гость xxx-scorpion Опубликовано 20 Мая, 2010 в 12:42 Жалоба Поделиться Опубликовано 20 Мая, 2010 в 12:42 (изменено) Купил Taschibrу 150Вт поставил по входу дроссель от телика, кандёрна 220*400В. Переделал 3-ю обмотку штоб заводился без нагрузки резистор поставил 4,7 Ом. Перемотал вторичку должно быть 14в , если не ставить дроссель то напряжение 15в при подключении шуруповёрта напряжение падоет до 4,7в если поставить дроссель то напряжение падает до 3-х вольт без нагрузки.Диод из бп от компа S30D40C может другой диои поставить ? Изменено 20 Мая, 2010 в 12:44 пользователем xxx-scorpion Ссылка на комментарий Поделиться на другие сайты Поделиться
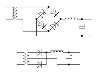
Гость alx25v Опубликовано 20 Мая, 2010 в 17:09 Жалоба Поделиться Опубликовано 20 Мая, 2010 в 17:09 Эй друг, только симметричный выпрямитель - или полный мост, или со средней точкой. Удивляюсь как не пыхнуло. Ссылка на комментарий Поделиться на другие сайты Поделиться
Гость xxx-scorpion Опубликовано 21 Мая, 2010 в 15:01 Жалоба Поделиться Опубликовано 21 Мая, 2010 в 15:01 (изменено) Эй друг, только симметричный выпрямитель - или полный мост, или со средней точкой. Удивляюсь как не пыхнуло. Полный диодный мост и со средней точкой ясно а так можно ? И если можно то чем отличается от одного диода ? Изменено 21 Мая, 2010 в 15:05 пользователем xxx-scorpion Ссылка на комментарий Поделиться на другие сайты Поделиться
FOLKSDOICH Опубликовано 21 Мая, 2010 в 17:12 Жалоба Поделиться Опубликовано 21 Мая, 2010 в 17:12 Преобразователь двухтактный, поэтому и выпрямлять нужно два периода. Ссылка на комментарий Поделиться на другие сайты Поделиться
Рекомендуемые сообщения
Для публикации сообщений создайте учётную запись или авторизуйтесь
Вы должны быть пользователем, чтобы оставить комментарий
Создать учетную запись
Зарегистрируйте новую учётную запись в нашем сообществе. Это очень просто!
Регистрация нового пользователяВойти
Уже есть аккаунт? Войти в систему.
Войти