Гость wsha Опубликовано 5 Мая, 2017 в 19:32 Жалоба Поделиться Опубликовано 5 Мая, 2017 в 19:32 Сделаю. Конденсаторы пока не отпаивал. Отпаяю. Ссылка на комментарий Поделиться на другие сайты Поделиться
Гость wsha Опубликовано 5 Мая, 2017 в 20:29 Жалоба Поделиться Опубликовано 5 Мая, 2017 в 20:29 С19 - убит. В этом может быть причина? С11 - цел. Ссылка на комментарий Поделиться на другие сайты Поделиться
Гость wsha Опубликовано 5 Мая, 2017 в 20:46 Жалоба Поделиться Опубликовано 5 Мая, 2017 в 20:46 Блин, и опять неправда с19 -цел, просто еср его не видит, а обычный тестер - говорит, что в норме. Ссылка на комментарий Поделиться на другие сайты Поделиться
Chugunov Опубликовано 5 Мая, 2017 в 21:17 Жалоба Поделиться Опубликовано 5 Мая, 2017 в 21:17 (изменено) Хоть и не хочется, сделайте то же измерение напряжения в трех точках. *************************************************************************************************** Напоминаю, пока должны быть отпаяны С11, С19, R7, Проблема в этом месте, её надо искать, причины могут быть самыми неожиданными. И вы не измерили сопротивление, котороя я просил. А эти конденсаторы надо измерять на мегаомах, должна быть бесконечность. Изменено 5 Мая, 2017 в 21:25 пользователем chugunov Ссылка на комментарий Поделиться на другие сайты Поделиться
Chugunov Опубликовано 5 Мая, 2017 в 22:20 Жалоба Поделиться Опубликовано 5 Мая, 2017 в 22:20 (изменено) На сегодня хватит, думаю, разгадка близка. Влад! Понимаю, что голова у вас уже распухла, но надеюсь, читаете не только Вы и завтра голова будет нормальной. _http://www.skilldiagram.com/gl2-14.html Вот здесь описано токовое зеркало Уилсона. Ничего не напоминает? Зачем ставить 3 транзистора туда где хватит двух резисторов? Это можно прочитать в той же книге, но я вкратце. Для транзистора дифкаскада Т9 коллектор токового зеркала Т8 представляет из себя очень большую нагрузку, главное - высоколинейную на ПЕРЕМЕННОМ ТОКЕ, а значит усиление будет очень высоким, что позволит увеличить глубину ООС усилителя, получив минимум нелинейных искажений, для той же цели источник тока на Т5, его тоже можно заменить резистором. Изменено 5 Мая, 2017 в 22:37 пользователем chugunov Ссылка на комментарий Поделиться на другие сайты Поделиться
Chugunov Опубликовано 6 Мая, 2017 в 06:00 Жалоба Поделиться Опубликовано 6 Мая, 2017 в 06:00 Влад! Вот что у нас получается Это может быть только в таких случаях: - обрыв или резкое увеличение сопротивления между А и В, я поставил красный крестик, - замыкание между точками С и В, - что-то чего я не могу видеть. Не знаю где именно вы измеряли напряжения, например, на движке подстроечника оно есть, а до точки А не доходит, или трещина в дорожке между R48 и R11. Вы можете измерить сопротивление прямо с базы Т1 до левого вывода R48 и с правого вывода R11 до движка подстроечника (именно так, а не где-то рядом), может это прояснит ситуацию. Вы можете сделать опыт. Добавить временно в схему резисторы R148 и R111 по 20...47 кОм, но одинаковые и измерить напряжения на них. Они должны быть равны. Это на основе ваших измерений. Ищите да обрящете. Ссылка на комментарий Поделиться на другие сайты Поделиться
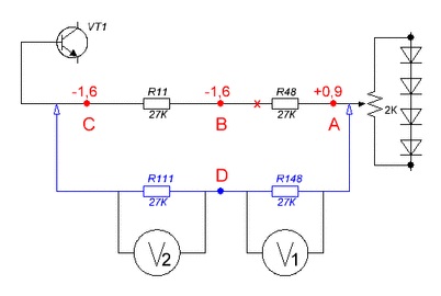
Гость wsha Опубликовано 6 Мая, 2017 в 06:15 Жалоба Поделиться Опубликовано 6 Мая, 2017 в 06:15 (изменено) Хочу себя проверить. Сейчас схема приобрела такой вот вид Правильно? Хочу себя проверить. Сейчас схема приобрела такой вот вид Правильно? Хочу себя проверить. Сейчас схема приобрела такой вот вид Правильно? Изменено 6 Мая, 2017 в 06:13 пользователем wsha Ссылка на комментарий Поделиться на другие сайты Поделиться
Гость wsha Опубликовано 6 Мая, 2017 в 08:08 Жалоба Поделиться Опубликовано 6 Мая, 2017 в 08:08 Особо подчеркну, у меня движок переменника ни к чему не подключен! Вы мне про это ничего не говорили, или я не понял. О висит в воздухе. А вот замеры я веду относительно него и земли. К схеме подключены лишь крайние выводы. Ссылка на комментарий Поделиться на другие сайты Поделиться
Chugunov Опубликовано 6 Мая, 2017 в 09:54 Жалоба Поделиться Опубликовано 6 Мая, 2017 в 09:54 Да уж. Я же объяснял, объяснял подробно что, зачем и почему... Ссылка на комментарий Поделиться на другие сайты Поделиться
yrk Опубликовано 6 Мая, 2017 в 10:10 Жалоба Поделиться Опубликовано 6 Мая, 2017 в 10:10 ... зачем и почему... Сергей, тут ведь нужно хоть не много теоретических знаний, принцип работы усилителя. Если бы автор знал для чего служат диоды и какую роль выполняет параллельно им резистор, то и не возникало бы таких казусов. Ссылка на комментарий Поделиться на другие сайты Поделиться
Гость wsha Опубликовано 6 Мая, 2017 в 10:12 Жалоба Поделиться Опубликовано 6 Мая, 2017 в 10:12 (изменено) Да, да, я уже перечитал, действительно, моя вина, пропустил момент, что к движку переменника резистор ООС припаять надо. Исправляюсь. Изменено 6 Мая, 2017 в 10:14 пользователем wsha Ссылка на комментарий Поделиться на другие сайты Поделиться
Chugunov Опубликовано 6 Мая, 2017 в 10:27 Жалоба Поделиться Опубликовано 6 Мая, 2017 в 10:27 Сергей, тут ведь нужно хоть не много теоретических знаний, принцип работы усилителя. Если бы автор знал для чего служат диоды и какую роль выполняет параллельно им резистор, то и не возникало бы таких казусов. Юрий! Ну я вроде бы не просто командую, а объясняю какждый шаг, каждое действие, подробнее некуда. Стараюсь, чтобы перепаек было поменьше, но при этом блох не пропускать, по принципу "лучше 7 раз измерить, чем 1 раз выпаять". И так пишу целые трактаты, видно уже не умею толково объяснять, да и терпения нет того, что было в молодости. При таких коллизиях я могу головой об стену биться и без всякого толка. Ссылка на комментарий Поделиться на другие сайты Поделиться
Рекомендуемые сообщения
Для публикации сообщений создайте учётную запись или авторизуйтесь
Вы должны быть пользователем, чтобы оставить комментарий
Создать учетную запись
Зарегистрируйте новую учётную запись в нашем сообществе. Это очень просто!
Регистрация нового пользователяВойти
Уже есть аккаунт? Войти в систему.
Войти