count0 Опубликовано 19 Января, 2015 в 21:42 Жалоба Поделиться Опубликовано 19 Января, 2015 в 21:42 В-общем сделал 3х-канальный усилитель, детали почти все по даташиту (см ниже), питание 3300+4700 μF, земля звездой и на корпус, радиатор через двухстор скотч на корпус, монтаж объемный, без платы. Два канала заработали сразу, тестил на TDA2030, на 3м взорвалась. Перебрал его, нашёл отпаявшийся кондер в ОС, проверил на LM-ке - работает. Сделал фильтр НЧ после регулятора громкости и сумматора на резисторах (сабовый канал подключается через сумматор 2*10кОм и 10 кОм в землю) - 0.1 мкФ в землю после потенциометра Сабового канала. В-общем Вч пролезают. Ставлю 0.25 μF или 2 μF - всё лучше и совсем хорошо, но громкость сильно падает. Прибавляю на источнике (телефон) до 70% и выше - ловлю возбуд или уходит в защиту. При уменьшении Ку с 27 до 20, можно выкручивать громкость на максимум, только через некоторое время начинает гудеть. Возникает вопрос: как бы так сделать, чтобы и высокие срезать, и в громкости не потерять. Без ФНЧ на Широкополосник + пищалка играет более чем достаточно. Самая засада в том, что в Свен-е, который был до этого, схемотехника хуже, но он при этом с теми же LM-ками вместо родных ТДА-шек выдавал мощность гораздо большую, и никакая защита не срабатывала. Микросхемы были те же самые, выпаял. Единственное отличие - там был ФНЧ на ОУ 4558. Но он пропускал часть ВЧ, из-за этого динамик саба похрипывал. Плюс там были диоды на выходе с микры. Но это как я понял для защиты от обратного напряжения. Может в них дело. Динамик 12" JBL. На композициях, где много баса, гудит практически сразу. При этом микра чуть теплая. А в Свене работали даже горячие. Ссылка на комментарий Поделиться на другие сайты Поделиться
Yamazaki Опубликовано 20 Января, 2015 в 03:49 Жалоба Поделиться Опубликовано 20 Января, 2015 в 03:49 Фото вашего навесного монтажа выложите. Ссылка на комментарий Поделиться на другие сайты Поделиться
count0 Опубликовано 20 Января, 2015 в 04:43 Автор Жалоба Поделиться Опубликовано 20 Января, 2015 в 04:43 1е два аккуратно спаял, а с 3м (самый правый) задолбался, поэтому всё торчит в разные стороны. Почитал соседние темы, вроде как Ку 20 - это самый предел, а лучше брать меньше. Придется видимо ставить транзисторы после микры. Ссылка на комментарий Поделиться на другие сайты Поделиться
Yamazaki Опубликовано 20 Января, 2015 в 05:09 Жалоба Поделиться Опубликовано 20 Января, 2015 в 05:09 Фотографии говорят сами за себя. Земля звездой :smile: зато всё остальное похоже на взрыв на макаронной фабрике :smile: Даже не буду вдаваться в подробности, просто скачайте даташит на LM1875 https://www.ti.com/lit/ds/symlink/lm1875.pdf , откройте его на девятой странице, там есть печатка. На ней всё будет работать. Почитал соседние темы, вроде как Ку 20 - это самый предел, а лучше брать меньше. Вообще-то наоборот, при нехватке устойчивости Кус увеличивают, но это не ваш случай. У вас просто монтаж соплями. Придется видимо ставить транзисторы после микры. Не торопитесь с этим. Сначала пусть заработает так, без транзисторов. Ссылка на комментарий Поделиться на другие сайты Поделиться
count0 Опубликовано 20 Января, 2015 в 05:50 Автор Жалоба Поделиться Опубликовано 20 Января, 2015 в 05:50 Так-то все 3 обвязки работают, и громкости более чем. Проблема в том, чтобы поставить ФНЧ без ОУ перед LM1875, и получить приемлимую мощность на выходе. Читал ещё, что меняют местами резистор и кондер в ОС, и так режут ВЧ. Даташит пока собирал это всё - наизусть выучил )) Но платы травить не умею, принтера нет, да тут и деталей мало. Цапон-лаком покрыл то, что работает. Ничего нигде не замыкало в процессе работы. Хотя и вертел, и тряс, и дырки шилом проковыривал под кондеры в ФНЧ, которые как оказалось великоваты. Ссылка на комментарий Поделиться на другие сайты Поделиться
Dimonos Опубликовано 20 Января, 2015 в 06:31 Жалоба Поделиться Опубликовано 20 Января, 2015 в 06:31 Так-то все 3 обвязки работают, и громкости более чем. А к то же тогда жалуется на гудение и что тихо работает по сравнению со Свеном??? И что то там взрывается.... Монтаж подошел бы к лампам, но не к микросхемным УНЧ. Провода должны быть короткие! И нахрена там МБГО? Электролитов и пленки нету что ли? Добавлено после раздумий: Короче, все сделано так, чтобы было как можно больше проблем. Сожалею. Ссылка на комментарий Поделиться на другие сайты Поделиться
count0 Опубликовано 20 Января, 2015 в 08:14 Автор Жалоба Поделиться Опубликовано 20 Января, 2015 в 08:14 (изменено) Да взорвалась-то ТДА-шка из-за того, что питание было 18в. Когда они работали втроем, то оно просаживалось до 14.5. Поставил потом другую после того как косяк нашёл - тоже взорвалась. Поставил ЛМ-ку - работает. В-общем не хотят меня понимать ) Цель данного чуда - изучить теорию проектирования усилителей и применять её на практике. А не просто заказать печатку, впаять туда микросхему, и гордо заявить "я сделал усилитель" )) Попробую в 3й раз сформулировать: при использовании пассивного фильтра перед микросхемой сигнал сильно уменьшается если ставить кондер 0.5-2 μF. Если ставить 0.25 - уменьшается не сильно, но басовый динамик "поет". Хочу сделать чтобы выдавалась хорошая мощность без использования ОУ потому, что его некуда прикрутить. А есть ли они в корпусе ТО-220 или аналогичном не знаю, нет опыта. И как коэффициенты усиления подбирать - тоже надо будет думать. Кондеры там большие потому, что вокруг них всё и навешено, и на них держиться. А детали да, все из битой техники выпаял, кроме кондеров в БП. ------------ Купил транзисторы (TIP 41C, TIP42C) и обвязку, на днях поставлю на выход. Вот по этой ссылке схема: https://forum.datagor.ru/index.php?act=atta...ost&id=4256 На что в ней влияют резисторы 0.15 Ohm, можно ли их заменить на большие? Читал что по ней транзисторы приоткрыты всегда, а если их без обвязки ставить после микры - только после определенного тока потребления ею. Что лучше - поставить немного другие резюки, или спаять без них вообще по схеме: И какие особенности работы с транзисторами следует учитывать, взрываются ли они? Изменено 20 Января, 2015 в 08:24 пользователем count0 Ссылка на комментарий Поделиться на другие сайты Поделиться
Yamazaki Опубликовано 20 Января, 2015 в 08:38 Жалоба Поделиться Опубликовано 20 Января, 2015 в 08:38 В-общем не хотят меня понимать )Это вы не хотите понимать. Рекомендую всё же прислушаться к советам более опытных людей.Цель данного чуда - изучить теорию проектирования усилителей и применять её на практике. А не просто заказать печатку, впаять туда микросхему, и гордо заявить "я сделал усилитель" )) Вот это правильный подход! Ок, вот вам немного теории:Любой провод обладает собственной индуктивностью и активным сопротивлением. Ещё большей индуктивностью обладают замкнутые контуры. Кроме того, между соседними проводами присутствует некоторая емкость. Поэтому при любом монтаже схема устройства схема на самом деле никогда не соответствует той, что нарисована у вас на бумаге. Она набита лишними емкостями, сопротивлениями и индуктивностями и трансформаторами по самые гланды. Когда вы делаете монтаж, хоть печатный, хоть навесной, цель состоит в том, чтобы максимально приблизить реальную схему реального устройства к задуманной изначально. Поэтому проводники не делают слишком длинными, площадь контуров минимизируют, паразитные емкости уменьшают. Вы все эти факторы игнорируете, при этом хотите, чтобы оно как-то ещё и работало! И какие особенности работы с транзисторами следует учитывать, взрываются ли они? Всё взрывается, если оно не работает как надо. Даже КТ315) Учитывать надо всё то же самое, что и при работе собственно микросхемы. Ссылка на комментарий Поделиться на другие сайты Поделиться
Allroy Опубликовано 20 Января, 2015 в 09:04 Жалоба Поделиться Опубликовано 20 Января, 2015 в 09:04 Позволюсь себе сказать. Когда делал первый раз в жизни усилитель, на TDA2030, делал на печатной плате. Но все провода были сопли. Итог: то тихо играет, то громкость плывет, то фонит. Решение было простое, все печатки выкинуть, сделать новые, поставить разъемы на провода, и сделать аккуратно. Итог: все запело с первого раза, без фона, шипения, проседания громкости. Вывод: разводка платы, а также проводов питания и сигнальных играет очень большую роль. Ссылка на комментарий Поделиться на другие сайты Поделиться
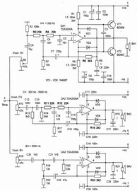
Chugunov Опубликовано 20 Января, 2015 в 10:10 Жалоба Поделиться Опубликовано 20 Января, 2015 в 10:10 Василий! 1 Приведите, пожалуйста схему вашего ФНЧ без ОУ перед LM1875. 2 "и получить приемлимую мощность на выходе" - это означает, что мощности мало или много? 3 Непонятно, что такое "приемлемая". 4 "Читал ещё, что меняют местами резистор и кондер в ОС, и так режут ВЧ. " Это речь про R3C2 по первой схеме? Поделитесь с нами, где и кто такое пИсал? 5 Цель данного чуда - изучить теорию проектирования усилителей и применять её на практике. А не просто заказать печатку, впаять туда микросхему, и гордо заявить "я сделал усилитель" Цель весьма похвальная и достойная уважения. Некоторый опыт "как не надо делать" вы уже получили. 6 Думаю, вам нужно сделать схему на макете - на нём удобнее разбираться, место будет не так ограничено и подлезть-перепаять будет удобнее. Не обязательно иметь принтер, раньше мы рисовали цапон-лаком платы простой спичкой, потом трубочками стержней от шариковых авторучек и т. п. Травить платы можно лимонной кислотой с перекисью водорода (на сайте есть статья), хотя к этому надо приспособиться. Вообще сейчас в 1000 раз проще что-то собирать, чем раньше когда даже фольгированного гетинакса не было, 7 Если вы наберётесь терпения и будете следовать советам, результат придет, не сомневайтесь. А начать надо с более простой схемы, например, на транзисторах, исходя из ваших возможностей и имеющихся деталей. 8 Вы неоднократно упоминаете про срабатывание защиты. Просветите нас, что за защита. 9 Добавив транзисторы по схеме 2, вы сможете посмотреть как они "взрываются", если у блока питания хватит силёнок. Ссылка на комментарий Поделиться на другие сайты Поделиться
count0 Опубликовано 21 Января, 2015 в 23:42 Автор Жалоба Поделиться Опубликовано 21 Января, 2015 в 23:42 1. В приложении + симуляция в LTSpice (аналог workbench). 2. Мало, сильно сигнал режется. С фильтром 2го порядка перед входом микры - вообще ничего не слышно. Посмотрел тут схему темброблока (тоже прикреплю), там сделано хитро: Фильтр 2го порядка, и его 1е звено введено в обратную связь микросхемы, а потом ещё транзисторы следом. Я в ОС лезть пока не хочу, просто на выходе транзисторы поставлю, благо купил 2 пары, если что не так будет ) Включаю с 2х метров как минимум, на СЧ динамик от S90, он постоянку держит 16в пару минут точно, потом немного дымиться начинает )) Это когда ещё со Свеном опыты ставил проверил ) 3. Как была у Свена SPS-820, в котором использовался ОУ 4558 перед микросхемой отвечающей за басы. 100 Вт не надо, я джаз и лаундж слушаю обычно )) 4. Например в даташите на мой Sven. Но я так пробовал делать - гудение было. 8. Ну может и не защита. Я не знаю как называется явление, при перегрузке усилителя входным сигналом. Сделаю Ку 18, чтобы точно при любом источнике такого не было. Вообще спасибо за понимание )) Я сам с ним отношусь к коллегам, которые другому учились ) У нас электротехника была - 1 семестр. И робототехника 1, но там рассчитывали движения "руки" робота, и ещё какую-то ерунду. Ссылка на комментарий Поделиться на другие сайты Поделиться
Chugunov Опубликовано 22 Января, 2015 в 08:43 Жалоба Поделиться Опубликовано 22 Января, 2015 в 08:43 При уменьшении Ку с 27 до 20, можно выкручивать громкость на максимум, только через некоторое время начинает гудеть. ... Единственное отличие - там был ФНЧ на ОУ 4558. Но он пропускал часть ВЧ, из-за этого динамик саба похрипывал. Это не возбуждение, это перегрузка - уровень слишком велик, усилитель "захлёбывается" и дело здесь не в ВЧ. Если две детали (RC) включены последовательно, то от перемены их местами, ничего не изменится, ничего! В описании Sven вы что-то перепутали. Защитой АС называют отдельный, обычно релейный, модуль, который с помощью реле отключает акустику при попадании на неё постоянного напряжения, тем самым спасая динамики, это обычно случается при сгорании усилителя. Защита нужна. Схема №3 - что за схема? на СЧ динамик от S90, он постоянку держит 16в пару минут точно Категорически недопустимо! Подключать к выходу усилителя динамики можно только при отсутствии постоянного напряжения. Причина постоянного напряжения -неисправность микросхемы, ошибки в схеме, сначала обязательно надо это устранить! Фильтр на рис. 1 режет высокие очень слабо, и симулятор это подтверждает, такого фильтра недостаточно. Поищите, почитайте и найдите подходящий под ваши возможности фильтр, их описано немало, например, на сайте Аудиокиллера, правда, там он сложноват. Или у Шихатова _https://janbatist.-мы не распространяем ссылки на [народ.ру]-/Sound/4SubwofersRouporsFaziki/ActiveSubFilters.htm а может проще повторить фильтр на 4558 ? Ссылка на комментарий Поделиться на другие сайты Поделиться
Рекомендуемые сообщения