andrew_spb Опубликовано 12 Июня, 2015 в 16:00 Жалоба Поделиться Опубликовано 12 Июня, 2015 в 16:00 Может кто подскажет схему трех полосного фильтра на лампах. Ну например ВРР №60 - там первая статья - 3х полосный ламповый стереоусилитель. Ссылка на комментарий Поделиться на другие сайты Поделиться
Гость Опубликовано 13 Июня, 2015 в 09:02 Жалоба Поделиться Опубликовано 13 Июня, 2015 в 09:02 Ну например ВРР №60 - там первая статья - 3х полосный ламповый стереоусилитель. Я неправильно написал. Имелось ввиду прибить 2 зайцев, сделать 3х. полосный гибридник. А так как умищя не хватает проектировать, прошу схему для повторения. Пршу прощения у автора, но может и ему будет интересно. Ссылка на комментарий Поделиться на другие сайты Поделиться
foma61 Опубликовано 13 Июня, 2015 в 11:06 Жалоба Поделиться Опубликовано 13 Июня, 2015 в 11:06 Я неправильно написал. Имелось ввиду прибить 2 зайцев, сделать 3х. полосный гибридник.Т.е. основной узел должен быть активный фильтр на три полосы.А уже к этому фильтру по три усилителя на каждый канал. Идея хороша тем, что все узлы можно менять и улучшать. Вы это хотите? На НЧ пойдет НЕ ЛАМПОВЫЙ, проще с мощностью и достаточно будет может и микросхемы TDA 7294. А СЧ и ВЧ допустим ламповые. У автора темы активные фильтры на дискретных транзисторах, другой возможности видимо не было. На операционниках качественнее, но и они нужны качественные, хотя бы для ВЧ канала. ламповые усилители Вам порекомендовали (ВРЛ 60 ) где взять. На НЧ хорош будет MF3 Линкоровский, автор темы уже использовал. Вы соберите эти усилители, если получится,ведь они вполне самодостаточные конструкции а если все получится и заработает, сделаете потом активный фильтр. Как вариант, двухполоска для начала= ниже 200 Гц транзисторный ус, а выше СЧ+ВЧ на лампе. Выходной трансформатор как раз пропустит выше 200 Гц с лампы без проблем. От ламповиков тяжело добиться низов и большой мощности. Если Вы соберете и настроите ламповые усилители, то собрать НЧ на микросхеме тоже уже сможете. А уже отработав две технологии, сможете перейти к третьей- активный фильтр на операционниках. Там свои подводные камни- мелкие детальки( операционники) и достаточно крупные конденсаторы , так как они не должны плыть от температуры, быть термостабильными, и меры борьбы с возбудом. В интересующей Вас системе сложность будет в изготовлении ( как бы три разных технологии) и наличие различных компонентов. Неизвестен Ваш опыт изготовления аппаратуры. Поэтому главные сложности не в наличии или отсутствии готовой схемы. Схемы могут предложить. В журнале радиохобби ныне покойный Лукин публиковл трех полосник, правда без ламп. Главное- опыт и наличие комплектующих. Что из деталей у Вас уже есть? Или Вы с нуля начнете? Ссылка на комментарий Поделиться на другие сайты Поделиться
foma61 Опубликовано 13 Июня, 2015 в 11:49 Жалоба Поделиться Опубликовано 13 Июня, 2015 в 11:49 А так как умищя не хватает проектировать, прошу схему для повторения. Стоит только начать, схема может начать меняться :smile: https://forum.datagor.ru/index.php?showtopic=8432 Ссылка на комментарий Поделиться на другие сайты Поделиться
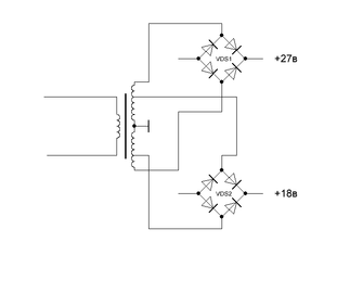
Гость химик Опубликовано 28 Октября, 2015 в 16:27 Жалоба Поделиться Опубликовано 28 Октября, 2015 в 16:27 Добрый день. Длительное время небыло возможности заниматься усилителем по причинам от меня независящим. Сейчас продолжил работу над ним. Проект трансформировался из трифоника в биампинг с сабвуфером. Причина этому высокая чувствительность динамиков вч. В последствии их я подключил параллельно паре 5-ГДШ1 через емкость 2,2мкФ. Оконечники готовы и испытаны в течении нескольких дней. Усилители установлены в корпусах колонок. Сейчас заминка в источнике питания. Изначально хотел использовать ИБП от предидущего проекта Домашний кинотеатр на процессорах pt2323 и pt2322 Но вылезла проблема, которой раньше небыло. При включении этого ИБП стала виснуть шина I2C и мышка на ноутбуке, при чём на расстоянии до 2м. Решил делать линейный БП. Нашел пару ТС-180 и один хороший ш-образный трансформатор. Но опять лажа, ТС-ы жужжат ка перфоратор (расслоеное железо), а в ш-образный невлазят все обмотки. Нужно получить 2 х 27в и 2 х 18в. Возникла мысль, а нельзя ли выкрутиться вот таким образом? Ссылка на комментарий Поделиться на другие сайты Поделиться
Datagor Опубликовано 29 Октября, 2015 в 04:35 Жалоба Поделиться Опубликовано 29 Октября, 2015 в 04:35 Сергей, привет, сто лет! Чет мне кажется не проканает этот выверт :cool: Может ТС-ы привести в порядок? Ссылка на комментарий Поделиться на другие сайты Поделиться
Гость химик Опубликовано 29 Октября, 2015 в 05:33 Жалоба Поделиться Опубликовано 29 Октября, 2015 в 05:33 Привет, Игорь! Железо от Тс пробовал залить лаком на работе и положил в сушилку. Непроканало, даже тише нестали жужжать. Видать непроник лак между пластин. Наверное придеться мотать на ш-образном трансформаторе токо 2х18, а сабвуфер питать от другого БП. Не рационально конечно. А вот интересно, если TDA7293 включить мостом и запитать от +/- 25в, сколько этот мост выдаст на нагрузку 8Ом? можно это подсчитать? Счас у меня собраны два усилителя MF1 для НЧ звена на 25ГДН, при питании +/-25В они выдают около 24Вт. Или другой вариант, если намотать +/-27 на трансформаторе. После фильтра напряжение будет +/- 35В (для питания саба) и подключить к нему стабилизатор с выходом +/-25в. Но чуствую слишком много тепла будет выходить на этом стабилизаторе. Ссылка на комментарий Поделиться на другие сайты Поделиться
Sergiy_83 Опубликовано 29 Октября, 2015 в 06:31 Жалоба Поделиться Опубликовано 29 Октября, 2015 в 06:31 ... а сабвуфер питать от другого БП. Не рационально конечно. ... На мой взгляд, очень даже рационально. Я бы так и сделал. Ссылка на комментарий Поделиться на другие сайты Поделиться
Lexter Опубликовано 29 Октября, 2015 в 08:54 Жалоба Поделиться Опубликовано 29 Октября, 2015 в 08:54 ... Чет мне кажется не проканает этот выверт ... Почему нет? Вполне себе классическая схема выпрямителя. Единственное, не забыть - нижняя часть обмотки должна быть расчитана на суммарный ток. Ссылка на комментарий Поделиться на другие сайты Поделиться
Datagor Опубликовано 30 Октября, 2015 в 07:44 Жалоба Поделиться Опубликовано 30 Октября, 2015 в 07:44 Николай, я не претендую. Чисто зрительное умозаключение. Вы считатете, что если соединить минусы обоих мостов и среднюю точку обмоток, всё получится по-классическому хорошо? Я просто такого включения не встречал, напрягся. Проверять у меня сейчас нет мотивации, тем более нет подобного транса под рукой. Если вы, с высоты вашего опыта, считаете, что всё ОК - я безоговорочно верю. Ссылка на комментарий Поделиться на другие сайты Поделиться
yrk Опубликовано 30 Октября, 2015 в 13:15 Жалоба Поделиться Опубликовано 30 Октября, 2015 в 13:15 Вы считатете, что если соединить минусы обоих мостов и среднюю точку обмоток, всё получится по-классическому хорошо? Я просто такого включения не встречал, напрягся. Игорь, зачем соединять минусы, питание то двухполярное, а с средней точкой всё нормально. Радиотехника УМ-101 по такому же принципу запитана, "нижняя" обмотка питает вых. каскад, "верхняя" нормирующий и пред. Ссылка на комментарий Поделиться на другие сайты Поделиться
Datagor Опубликовано 31 Октября, 2015 в 03:46 Жалоба Поделиться Опубликовано 31 Октября, 2015 в 03:46 Николай и Юра, спасибо! Помутнение нашло :wink: Благодаря схемке Юрия, вспомнил, что видел такое раньше, кажется в "Веге", да и в др. усилителях. Приношу извинения за ложную тревогу. Добросовестно заблуждался. Ссылка на комментарий Поделиться на другие сайты Поделиться
Рекомендуемые сообщения
Для публикации сообщений создайте учётную запись или авторизуйтесь
Вы должны быть пользователем, чтобы оставить комментарий
Создать учетную запись
Зарегистрируйте новую учётную запись в нашем сообществе. Это очень просто!
Регистрация нового пользователяВойти
Уже есть аккаунт? Войти в систему.
Войти