Перейти к содержанию

двухтактник на 6н8с+6п3с


Рекомендуемые сообщения

Рекомендованное в справочнике Raa для 6П3С это 6.4 ком. Реально ставят от от 5 до 8 кто что найдет.

 

нашел такие вот:

-TW10PP - 2x3.3kOm Ктр=32

-TWB40PP -2x3kOm Ктр=30

получается 6.6 кОм и 6кОм соответственно.

Следовательно они должны подходить?

Ссылка на комментарий
Поделиться на другие сайты

  • Ответов 72
  • Создана
  • Последний ответ

Топ авторов темы

Топ авторов темы

Изображения в теме

нашел такие вот:

-TW10PP - 2x3.3kOm Ктр=32

-TWB40PP -2x3kOm Ктр=30

получается 6.6 кОм и 6кОм соответственно.

Следовательно они должны подходить?

Подойдут оба без вариантов. Я так понимаю, это Аудиоинструментовские трансики. Вполне приличная конструкция и качество у них. Первый у Вас на 10 ватт, второй на 40. Его использовать предпочтительнее, но и ценник у него в два раза выше. С учетом дальнейшего апгрейда я бы взял на 40. Можно замутить на более "крутых" лампах в последствии. А с 6П3С он отыграет на ура. Удачи. :smile:

Ссылка на комментарий
Поделиться на другие сайты

нашел такие вот:

-TW10PP - 2x3.3kOm Ктр=32

-TWB40PP -2x3kOm Ктр=30

получается 6.6 кОм и 6кОм соответственно.

Следовательно они должны подходить?

покопался немного в инете, вот что наиболее често упоминается для двухтакта:

6П3С-Е

1. Ra около 5-7к

2. Выходная мощность порядка 6Вт.

 

6П3С.

1. Ra-3,3k

2. Выходная мощность порядка 11Вт.

 

в том числе немного есть на нашем форуме: --https://forum.datagor.ru/index.php?showtopic=6544

ранее я имел ввиду 3.5 на одну лампу. в общем оба транса подходят. но TW10PP слабоват по мощности, мне кажется, что называется без запаса. специально открыл посмотрел что у меня в PP на 6П3С стоит. оказалось TW25PP. играет без претензий, в том смысле что хорошо. так что любой из трех на Ваш выбор

 

PS. а ТВТ-43 чаще всего упоминается в паре с 6п14п почему то

Изменено пользователем bdna
Ссылка на комментарий
Поделиться на другие сайты

Спасибо всем! тогда буду ориентироваться на TWB40pp ввиду возможной потом установки 6L6.

 

Вот задумался: есть ли там отводы на первичке, что бы была возможность переключаться с ультралинейного на триодный режимы?

Ссылка на комментарий
Поделиться на другие сайты

тогда буду ориентироваться на TWB40pp ввиду возможной потом установки 6L6.

6L6 и 6П3С - это близняшки по всем параметрам. Только первая американская, вторая русская.

С TW40PP можно подумать в будущем о EL34, KT66 и даже КТ88 на выходе.

При заказе трансформаторов про УЛ отводы уточните. Как правило их делают, но переспросить лишним не будет.

Ссылка на комментарий
Поделиться на другие сайты

6L6 и 6П3С - это близняшки по всем параметрам. Только первая американская, вторая русская.

С TW40PP можно подумать в будущем о EL34, KT66 и даже КТ88 на выходе.

При заказе трансформаторов про УЛ отводы уточните. Как правило их делают, но переспросить лишним не будет.

Да, я в курсе, только 6L6 мощнее немножко.

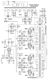
Забегая наперед немного: в планах сделать себе ламповую голову для гитары. Приглянулась схемка(см. ниже). Вместо этих бррр ТАНов тоже должны подойти TWB40pp?

post-13640-1389385121_thumb.png

Ссылка на комментарий
Поделиться на другие сайты

А поподробнее о готовых можете рассказать?

Я не мотал сам никогда, и не очень хочется, ибо танцы с бубном сплошь и рядом... А я не особо танцор)

Да и качество не то в самонамотанных. Силовые еще можно перемотать в крайнем случае. Слава Богу есть барахолки, аукро, сландо. для первых пор хватает.

Как дорого мне обойдется парочка выходных для моего усилка?

 

Добавлено после раздумий:

 

читал, что содрав ленту которой они запакованы и убрав перемычки между контактами можно добиться Ктр=24.4 Raa=5kOm

 

Сама намотка выходного транса не такое уж сложное дело, немного терпения требует, сложнее найти нужное железо, рецептов по намотке выходников в сети и на нашем сайте много под большинство ламп, но если есть возможность покупать, то это гораздо проще. :smile:

Ссылка на комментарий
Поделиться на другие сайты

вот еще возникла мысль: анодное напряжение будет достигаться удвоителем на двух кенотронах 6ц5с.

По подсчетам потребляемый ток - 307 мА: = 4х72мА+3х9мА

Номинальный же ток кенотрона 6ц5с 72-75 мА.(допустим даже что их два, значит нагрузочная способность уже 150 мА) , следовательно это недостаточно. Верно?

:smile:

Ссылка на комментарий
Поделиться на другие сайты

По подсчетам потребляемый ток - 307 мА: = 4х72мА+3х9мА

Это ток потребляемый по анодному напряжению после выпрямителя с удвоением напряжения. А от обмотки трансформатора он будет потребляться в размере 310*2.8=870мА. Что то я не припомню у ТСШ170 вторичных анодных обмоток способных выдать такой ток.

 

Проблему с 6Ц5С решить просто. Меняем его на 6Д20П или на 6Д22С - у этих демпферных диодов хватит тока для выпрямления.

 

Для двухтактного достаточно мощного усилителя я бы не стал применять кенотронное выпрямление. Поставил бы обычные (ультрафасты, или карбидкремниевые шетки если феншуя очень хочется) каменные диоды.

Ссылка на комментарий
Поделиться на другие сайты

Это ток потребляемый по анодному напряжению после выпрямителя с удвоением напряжения. А от обмотки трансформатора он будет потребляться в размере 310*2.8=870мА. Что то я не припомню у ТСШ170 вторичных анодных обмоток способных выдать такой ток.

все верно. самая мощная анодная обмотка выдает там 0.6 А.

 

Вот нашел у себя железо для тороида, кое что прикинул(см скриншот). Есть еще тороид от амфитона , приблизительно такой же, точно сказать сложно, потому что залит в металлическом кожухе.

В принципе можно намотать, почитав о тонкостях и методике.

Радует то, что схема которую я бросал выше(имея мысль о гитарной голове) тоже на четырех 6п3с, а железо позволяет с запасом намотать для более мощных ламп.

Для двухтактного достаточно мощного усилителя я бы не стал применять кенотронное выпрямление. Поставил бы обычные (ультрафасты, или карбидкремниевые шетки если феншуя очень хочется) каменные диоды.

если не трудно, расскажите какие минусы в данном случае от кенотронов?

 

 

Добавлено после раздумий:

вот расчет:

post-13640-1389519131_thumb.jpg

Ссылка на комментарий
Поделиться на другие сайты

"если не трудно, расскажите какие минусы в данном случае от кенотронов?"

 

У кенотронов довольно высокое внутреннее сопротивление (около 250 Ом на баллон), + сопротивление обмоток транса, + сопротивление обмотки дросселя, и в итоге всего этого достаточно высокое внутреннее сопротивление всего анодного БП, что сильно отражается на динамике звука в РР усилителе, что-бы этого избежать можно применить параллельное включение диодов кенотрона или использовать в выпрямителе ПП диоды. :smile:

 

 

"Вот нашел у себя железо для тороида, кое что прикинул(см скриншот)"

 

Можно намотать неплохой анодник, только на кольце несколько муторно мотать нежели чем на ШЛ.

Изменено пользователем aleks8845
Ссылка на комментарий
Поделиться на другие сайты

что-бы этого избежать можно применить параллельное включение диодов кенотрона или использовать в выпрямителе ПП диоды. :smile:

... тогда на удвоитель надо... Ч Е ТЫ Р Е к е н о т р о н а ??

Ссылка на комментарий
Поделиться на другие сайты

Для публикации сообщений создайте учётную запись или авторизуйтесь

Вы должны быть пользователем, чтобы оставить комментарий

Создать учетную запись

Зарегистрируйте новую учётную запись в нашем сообществе. Это очень просто!

Регистрация нового пользователя

Войти

Уже есть аккаунт? Войти в систему.

Войти
  • Последние посетители   0 пользователей онлайн

    • Ни одного зарегистрированного пользователя не просматривает данную страницу

×
×
  • Создать...