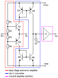
Гость victors Опубликовано 29 Февраля, 2012 в 14:58 Жалоба Поделиться Опубликовано 29 Февраля, 2012 в 14:58 Если кто силён в теории и понимает, что нарисовано на графиках в посте 22, может обяснит остальным, как можно сравнивать СИТ транзистор с током стока 0,3А и МДП транзистор с током стока 15А. Мне кажется, что это транзисторы для разных задач, и усилитель мощности лучше делать на транзисторах с бОльшим допустимым током стока, а для маломощных УМ, использовать ИС. Вопрос ко всем: Кто может назвать, хотя бы три марки ИС УМ, у которых выходной каскад работает в классе AB - с начальным током смещения? Ссылка на комментарий Поделиться на другие сайты Поделиться
Гость jean Опубликовано 1 Марта, 2012 в 06:07 Жалоба Поделиться Опубликовано 1 Марта, 2012 в 06:07 (изменено) - Изменено 26 Мая, 2012 в 09:36 пользователем jean Ссылка на комментарий Поделиться на другие сайты Поделиться
Datagor Опубликовано 3 Марта, 2012 в 14:50 Жалоба Поделиться Опубликовано 3 Марта, 2012 в 14:50 ...Кто может назвать, хотя бы три марки ИС УМ, у которых выходной каскад работает в классе AB?... Легко, например TDA2030, TDA2050. Третью сейчас не помню, но на самом деле их конечно больше. Ссылка на комментарий Поделиться на другие сайты Поделиться
alex.co Опубликовано 3 Марта, 2012 в 15:24 Жалоба Поделиться Опубликовано 3 Марта, 2012 в 15:24 Господа,меньше всего хотелось бы быть истиной в последней инстанции.Пусть каждый выбирает себе схемы сообразно его представлениям о качественном звучании.Для кого то это идеал,лично меня подобные схемы перестали интересовать лет 15 назад.Никто никому ничего не навязывает,все познается в сравнении. Я правельно понял за это время революций нет.Не берусь судить .Но простую схему (первоисточник) можно вытянуть на сегодняшний уровень ,но это многим (мне) не под силу Ссылка на комментарий Поделиться на другие сайты Поделиться
xsander Опубликовано 3 Марта, 2012 в 15:41 Автор Жалоба Поделиться Опубликовано 3 Марта, 2012 в 15:41 (изменено) все новое это забытое старое ,но почти все схемы основном построены на дифкаскадах ,а я хочу получить нормальное качество звука и большой коэффициент усиления с минимум деталей и хорошей линейностью и не использовать дифф и трансформаторы и микросхемы Изменено 3 Марта, 2012 в 15:45 пользователем xsander Ссылка на комментарий Поделиться на другие сайты Поделиться
Гость jean Опубликовано 3 Марта, 2012 в 16:16 Жалоба Поделиться Опубликовано 3 Марта, 2012 в 16:16 (изменено) - Изменено 26 Мая, 2012 в 09:37 пользователем jean Ссылка на комментарий Поделиться на другие сайты Поделиться
xsander Опубликовано 3 Марта, 2012 в 16:50 Автор Жалоба Поделиться Опубликовано 3 Марта, 2012 в 16:50 [ Ничего не имею против такого построения схемы,каждый добивается результатов своими способами.Я лишь подчеркнул,что на мой взгляд было бы эффективней применение в качестве выходных биполярных транзисторов. да буду пробовать на биполярных транзисторах Ссылка на комментарий Поделиться на другие сайты Поделиться
Гость vol2008 Опубликовано 3 Марта, 2012 в 17:27 Жалоба Поделиться Опубликовано 3 Марта, 2012 в 17:27 Жан! Вы указываете Виктору на ошибку, а сами приводите семейство НАЧАЛЬНОГО участка ВАХ слева (кстати для КП802 хотя на указанной Вами схеме используются КП801) и "полную" ВАХ справа. Попробуйте, например, сами провести линию нагрузки для левого графика для Rн=8 Ом и Uп = 25В. Ссылка на комментарий Поделиться на другие сайты Поделиться
Гость jean Опубликовано 3 Марта, 2012 в 17:43 Жалоба Поделиться Опубликовано 3 Марта, 2012 в 17:43 (изменено) - Изменено 26 Мая, 2012 в 09:38 пользователем jean Ссылка на комментарий Поделиться на другие сайты Поделиться
Гость vol2008 Опубликовано 3 Марта, 2012 в 18:07 Жалоба Поделиться Опубликовано 3 Марта, 2012 в 18:07 Давайте пока форму характеристик не будем обсуждать, речь идет о линии нагрузки, которую Вы предложили построить. Вот Ваш, Жан, пост: <quote>Вопрос был совсем простым,провести линию нагрузки для однотактного каскада,и подсчитать методом пяти ординат характер искажений приведенных графиков.</quote> Я не совсем понял какие токи и какие напряжения пусть будут одинаковые. Логично предположить что линию нагрузки для обоих графиков мы строим для одного и того же сопротивления нагрузки и напряжения питания. Значения 8 Ом и 25В я взял исходя из условий работы выходного каскада приведенной Вами схемы. Для правого графика в этом случае линия нагрузки очень даже строится для левого - нет (точнее она от точки [25,0] резко улетает вврех)). Я не отрицаю, что СИТ приборы по идее должны были принять лучшие стороны МДП- и биполярных транзисторов, но все-таки давайте точнее выражать свои мысли, чтобы у остальных участников не было чувства что из "закидывают шапками". Да вот еще по этому "простому" вопросу - метод пяти ординат, если кому интересно :smile: _https://www.exponenta.ru/soft/mathemat/dyakonov/nb3/nb3.asp Ссылка на комментарий Поделиться на другие сайты Поделиться
Гость jean Опубликовано 3 Марта, 2012 в 18:41 Жалоба Поделиться Опубликовано 3 Марта, 2012 в 18:41 (изменено) - Изменено 26 Мая, 2012 в 09:38 пользователем jean Ссылка на комментарий Поделиться на другие сайты Поделиться
Гость victors Опубликовано 3 Марта, 2012 в 18:42 Жалоба Поделиться Опубликовано 3 Марта, 2012 в 18:42 Легко, например TDA2030, TDA2050. Третью сейчас не помню, но на самом деле их конечно больше. Игорь, Третья микросхема - TDA7263 - интересна тем, что у неё однополярное питание. Можно брать любую из этих ИС, собирать на неё УМ, и объявлять его референсным ("образцовым"). Снимать в ARTA или RMAA характеристики и сохранять. Слушать и ставить субъективную оценку в баллах. Потом собирать на "рассыпухе" (лампы или транзисторы) другой, желанный УМ (Хотя бы макет.), снова снимать характеристики и снова слушать и сравнивать характеристики. Тогда можно для себя решить - оправданы ли трудозатраты по сборке "рассыпного" УМ, при имеющейся радиолюбительской квалификации или лучше оформить в законченную конструкцию усилитель на ИС и радоваться хорошему результату и сохранённому времени. Многие радиолюбители, особенно начинаюшие, попадают под влияние троллей или мнимых авторитетов, пытаются собрать какое то сложное устройство и получив плохие результаты разочаровываются в своих способностях. Чтобы влияние таких, вредоносных, троллей ослабить, нужно перестать их кормить своими отзывами. Любыми. Ссылка на комментарий Поделиться на другие сайты Поделиться
Рекомендуемые сообщения
Для публикации сообщений создайте учётную запись или авторизуйтесь
Вы должны быть пользователем, чтобы оставить комментарий
Создать учетную запись
Зарегистрируйте новую учётную запись в нашем сообществе. Это очень просто!
Регистрация нового пользователяВойти
Уже есть аккаунт? Войти в систему.
Войти