Перейти к содержанию

Простой и качественный усилитель Дмитрия (dymx) с токовой общей ООС


Рекомендуемые сообщения

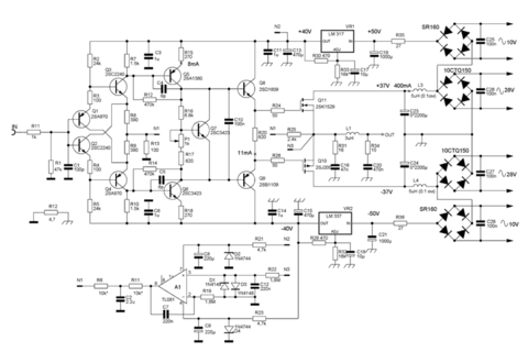
ИСТОЧНИК: _https://dymx.h12.ru/um_tooc.htm

 

 

У этой схемы есть несколько преимуществ перед типичными в усилителях ЗЧ.

 

1) Применена быстрая токовая ООС, что позволяет довести граничную частоту до 1.2 Мгц. Глубина этой ООС в звуковом диапазоне всего 27дБ, что вполне достаточно для линеаризации и не портит звучание :smile:

 

2) Этот усилитель работает и без общей ООС (без R25, а R12 и R14 по 47к), и имеет при этом полосу до 140Кгц. Играет при этом очень хорошо, но на мощности выше средней возникает еле уловимый окрас в СЧ-ВЧ диапазоне. Измерения на нагрузке 10ом при амлитуде 10В показали всего 0.03% гармонических и интермодуляционных искажений.

 

3) Входной каскад не имеет смещения, характерного для дифкаскадов обычных усилителей. Поэтому можно поступить по аудиофильски - убрать проходной конденсатор.

 

Ток покоя выбран большим (400мА) не зря. С таким его значением получаем лучшее звучание на небольших уровнях громкости, так как усилитель работает в классе А. Это справедливо для мощности примерно 4 Вт на 8Ом.

post-6157-1329926929_thumb.png

Ссылка на комментарий
Поделиться на другие сайты

  • Ответов 52
  • Создана
  • Последний ответ

Топ авторов темы

Топ авторов темы

Изображения в теме

Если верить описанию, усилок полный улёт!

Схема отдаленно напоминает вот эту _https://radiokot.ru/circuit/audio/amplifier/36/ очень отдаленно...

Без интегратора выход плавать не будет?

Изменено пользователем yamazaki
Ссылка на комментарий
Поделиться на другие сайты

Если верить описанию, усилок полный улёт!

Схема отдаленно напоминает вот эту _https://radiokot.ru/circuit/audio/amplifier/36/ очень отдаленно...

Без интегратора выход плавать не будет?

Я так понял, интегратор включается, если не используется общая ООС по переменке.

А если она подключается (R25 на R13), то будет ООС и по постоянке, интегратор тогда лишний.

 

А зачем на выходе аж два Цобеля? Схема так капризна к нагрузке?

 

И где полное описание посмотреть? (что она полный улёт)

Ссылка на комментарий
Поделиться на другие сайты

Посмотрел в даташите LT1794 - входной каскад один в один, и выходной похож, только без полевиков. А вот УН там посложнее, видимо, чтобы ООС сделать глубже... Вселяет оптимизм, потому что LTшка на наушники звучит прозрачно как слеза японской школьницы, а эта схема по топологии на неё похожа.

Изменено пользователем yamazaki
Ссылка на комментарий
Поделиться на другие сайты

Схема красивая и правтоподобная - гдето, в ШП усилителях, я видел такой входной каскад.

 

Может быть, в истоки ПТ стоит поставить очень низкоомный резистор,без ущерба току покоя, чтобы сделать местную ООС, повысить термостабильность и создать точки подключения защиты от перегрузок?

 

И ещё, ёмкость З-И полевиков и резистор в цепи затвора, создают ФНЧ, первого порядка. Зная велисчину этой ёмкости у выбранных ПТ, можно осознанно увеличить Rз, чтобы срезать ВЧ, на уровне, например, 100 КГц, те ниже, чем этот УМ может пропускать без ОС. Так стабильность и склонность к "звону" снизится. Для любителей "лампового" звука, будет интересно резать так ВЧ, выше 20КГц.

 

И ещё, посмотрите на входной фильтр R11 C1 - он настроен на, примерно, 1,5 МГц - считай, что его нет. Обычно, этот фильтр ставят на частоту, чуть более низкую, чем желаемая полоса воспроизведения (предельная).

 

И ещё, если схема заработает уже на реальную АС и от хорошего источника, попробовать поставить R11=15КОм, а С7 = 22нФ. Возможно, так звучание будет лучше (меньше НЧ шумов и перегрузок ГГ)

Ссылка на комментарий
Поделиться на другие сайты

А если R8 или R9 поставить подстроечник и попробовать им сбалансировать плечи по Королю?

Тогда искажения можно сделать ещё меньше.

 

Только в данной схеме после этого "0" на выходе придётся опять выставлять.

Ссылка на комментарий
Поделиться на другие сайты

А если R8 или R9 поставить подстроечник и попробовать им сбалансировать плечи по Королю?

Тогда искажения можно сделать ещё меньше.

 

Только в данной схеме после этого "0" на выходе придётся опять выставлять.

Вместо R8, R9 поставить, на время настройки, подстроичник (один, вместо двух резисторов). Настраивать "0" на выходе при отключённой ООС и интегратора.

Потом подстроичник заменить на постоянные резисторы, чтобы не было ухода и шума.

 

Xsander,

 

Пожалуйста, укажите источник, где Вы нашли эту схему.

Заранее благодарю.

Изменено пользователем victors
Ссылка на комментарий
Поделиться на другие сайты

Вместо R8, R9 поставить, на время настройки, подстроичник (один, вместо двух резисторов). Настраивать "0" на выходе при отключённой ООС и интегратора.

Потом подстроичник заменить на постоянные резисторы, чтобы не было ухода и шума.

 

Xsander,

 

Пожалуйста, укажите источник, где Вы нашли эту схему.

Заранее благодарю.

Не, там у Короля идея не в балансировке 0, а в распределении ООС между плечами, чтобы компенсировать их неидентичность.

 

Источник указан чуть выше (пост #6), ссылка рабочая.

Там есть вариант и без интегратора.

Изменено пользователем wal
Ссылка на комментарий
Поделиться на другие сайты

кто может прогнать этот усилитель в прогах в cape или в мультесиме ,без интегратора и полевиков в место них биполярные

Ссылка на комментарий
Поделиться на другие сайты

В мультисиме 11 прогнал на попсовых транзисторах(BC547/557, MJE340/350, IRF641/9641):

Design1.rar

Кочегарит мегагерц легко) искажения на большой мощности великоваты, на малой и средней - вполне норм порядка 0.02-0.05%, причем от частоты их уровень не зависит, хоть 1кГц , хоть 20кГц - по барабану. И совершенно безразличен к увеличению нагрузки - на 2 и даже на 1 Ом искажения меньше, чем на 4 Ом. Думаю, на правильных деталях всё будет ещё круче.

Изменено пользователем yamazaki
Ссылка на комментарий
Поделиться на другие сайты

Для публикации сообщений создайте учётную запись или авторизуйтесь

Вы должны быть пользователем, чтобы оставить комментарий

Создать учетную запись

Зарегистрируйте новую учётную запись в нашем сообществе. Это очень просто!

Регистрация нового пользователя

Войти

Уже есть аккаунт? Войти в систему.

Войти
  • Последние посетители   0 пользователей онлайн

    • Ни одного зарегистрированного пользователя не просматривает данную страницу

×
×
  • Создать...