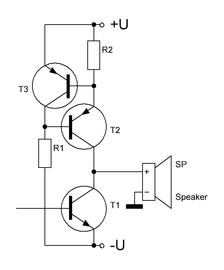
Wal Опубликовано 26 Октября, 2011 в 05:49 Жалоба Поделиться Опубликовано 26 Октября, 2011 в 05:49 (изменено) Публикую схемку одного из черновых вариантов усилителя. Это специально для тех, кого смущает балансный вход. Схема работоспособна, но имеет недостаток - довольно большой уровень шума, источником которого является подстроечный резистор. Добавлено после раздумий: На схеме не показаны конденсаторы по питающим цепям. Думаю, что несложно сообразить, где их следует дорисовать. То ли я чего-то не понимаю, то ли одно из двух....:smile: Сдаётся мне, коллега, что Вы пытаетесь почесать левое ухо правой пяткой. По крайней мере, некоторые постулаты Hi-Enda (во я загнул) поняты Вами слишком буквально. Ну, на счёт разделительных конденсаторов возражений нет. Лучший конденсатор - это его отсутствие. Но методы их (конденсаторов) устранения приняты несколько нетрадиционные, я бы даже сказал извращённые. Насколько я понимаю, выходной каскад - это обычный ОЭ в классе А. Всё что справа от динамика это источник тока для компенсации постоянной составляющей тока выходного каскада через нагрузку??? Тогда всё это можно изобразить в простом классическом варианте: (возможны разные варианты реализации ГСТ) Второй момент: все каскады выполнены по схеме ОЭ (общий эмиттер). Почитайте Сухова, пусть его усилитель высокой верности до сих пор вызывает споры, но его измерениям, теоретическим выкладкам и расчётам можно верить вполне! А если им верить, то получается, что каскад ОЭ не самый лучший по линейности, частотным свойствам и т.п. Если его и применять, то с активной нагрузкой, местными ОС и другими способами улучшения параметров. Тут можно плавно перейти к ОС. Точнее к Вашему представлению о ней. Считается (подчеркну - считается, а на самом деле кто как слышит), что хуже всего - общаяя ООС. Особенно если в цепи ОС есть конденсаторы, которые увеличивают время отклика. Но многие (признанные) гуру Hi-Enda (не-не, не я :smile: ) утверждают, что общая ООС глубиной до 6дБ сильно не вредит. А уж местные ООС (только тоже не глубокие!!!) никому никогда не вредили и фатального влияния на звук не оказывают. А вот параметры и стабильность каскадов улучшают. Т.е. надо искать здоровый компромисс. У Вас получилось, избавившись от двух проблем, получили массу других. Весьма странные резисторы в несколько мегаОм на входе!!! Шумы обеспечены! Да и стабильность первого каскада вызывает сомнение. А так как везде непосредственные связи, то и стабильность всего усилителя тоже сомнительная. Ток входного делителя обычно выбирается 5-10 токов базы входного транзистора. У Вас через входной делитель течет ток примерно 7 МИКРОАмпер!!! Скорее всего нижний резистор не нужен (читайте "Искусство схемотехники" Сергея Гаврилова _https://datagor.ru/amplifiers/solid-state/1741-iskusstvo-shemotehniki-prosto-o-slozhnom-novaya-knizhka-nashego-sograzhdanina-sergeya-gavrilova-experteater.html) и при таких малых токах сам входной транзистор будет шуметь весьма недурственно. В плане эксперимента: попробуйте убрать нижний резистор. На базе входного транзистора присутствует смещение в 0,6В (примерно). Отвязываться от него резистором в несколько мегаОм, возможно не намного лучше, чем поставить разделительный конденсатор! Это надо сравнивать. Так что, сугубо по моему скромному мнению, Ваша схема попытка пробить лбом стену. Решив пару проблем ( и то не до конца и местами некорректно) Вы наплодили кучку других проблем. Творческих успехов и рабочих схем. Валерий. :smile: P.S. Так, руки не опускаем, паяльник в угол не закидываем. Ищем, ищем.... Изменено 26 Октября, 2011 в 07:57 пользователем wal Ссылка на комментарий Поделиться на другие сайты Поделиться
Гость pelleter Опубликовано 26 Октября, 2011 в 06:33 Жалоба Поделиться Опубликовано 26 Октября, 2011 в 06:33 Спасибо, коллега, за подробный комментарий. "Всё, что справа от динамика" - это не только для компенсации постоянной составляющей, но ещё и для компенсации температурного дрейфа. Ссылка на комментарий Поделиться на другие сайты Поделиться
Wal Опубликовано 27 Октября, 2011 в 05:14 Жалоба Поделиться Опубликовано 27 Октября, 2011 в 05:14 Спасибо, коллега, за подробный комментарий."Всё, что справа от динамика" - это не только для компенсации постоянной составляющей, но ещё и для компенсации температурного дрейфа. Ну тогда поговорим о системе термокомпенсации. :smile: Данный метод не нов. Нечто аналогичное использовал Игорь Семынин в своём ушном усилителе. Я когда-то его повторял. Так вот, как бы я не подбирал транзисторы, как бы близко друг к другу их не крепил, постоянка на выходе держалась в пределах 150-300мВ. А для ушного усилителя это много! Да и для Вашего сравнительно маломощного тоже. Сама идея такой системы в корне неверная. Здесь предполагается, что если повысится температура и соответственно ток одного из транзисторов, то аналогично повысится температура (для этого транзисторы должны быть закреплены рядом на одном радиаторе) и ток второго транзистора. В результате постоянное напряжение на выходе останется неизменным (теоретически =0). Но! Нормальная система термостабилизации при повышении температуры должна СНИЖАТЬ ток через прибор!!! А не повышать аналогично ток и температуру другого плеча. Иначе есть риск саморазогрева системы. Это скорее система компенсации дрейфа нуля на выходе, а не стабилизации тока покоя. Для усилителя класса А, который по сути является небольшой печкой, подход чреват последствиями. Если я неправильно понял принцип работы, разъясните, пожалуйста. И второй момент, на который хочу обратить Ваше внимание. Пару, скажем так, догм Hi-End'а Вы усвоили: отсутствие разделительных конденсаторов и отсутствие ООС. Глядя на схему, приходишь к выводу, что и про кратчайший путь сигнала тоже слышали. Но! Короткий тракт не подразумевает простую (примитивную) схемотехнику. Скорее наоборот, из каскадов надо выжать максимальное усиление, при этом обеспечив их согласование, минимальные искажения, стабильность и т.д. Поэтому часто бывает, что непосредственно сигнал усиливает один транзистор в каскаде, а вокруг него накручено ещё 3-6 для обеспечения его режима и характеристик каскада. А у Вас уж всё слишком просто как-то.... Творческих успехов. Валерий. Ссылка на комментарий Поделиться на другие сайты Поделиться
Гость vol2008 Опубликовано 27 Октября, 2011 в 07:36 Жалоба Поделиться Опубликовано 27 Октября, 2011 в 07:36 Я воздержусь от критики, особенно второй схемы, скажу, что симуляция выходного каскада 2-й схемы показал более 2% КНИ при входном 0.1 В и выходном 1В. на нагрузке 4 Ом :smile: Ссылка на комментарий Поделиться на другие сайты Поделиться
Гость pelleter Опубликовано 27 Октября, 2011 в 12:44 Жалоба Поделиться Опубликовано 27 Октября, 2011 в 12:44 Вторая схема была мною собрана как макет для отработки методики подбора "межкаскадных" резисторов. Тем не менее, я пользовал этот с позволения сказать усилитель до тех пор, пока не купил аудиокарту с симметричным выходом, то есть около полугода. Не могу удержаться от того, чтобы не привести отзывы слышавших, как оно работает: "Такого ЗВУКА я в жизни ещё не слышал", и "Куда ты спрятал музыкантов?". Допускаю, что это говорилось под впечатлением от внешнего вида макета с большими радиаторами, амперметрами и красивыми батареями конденсаторов блока питания. Опубликованная схемка чудом сохранилась с тех давних пор, сейчас я кое что в ней уже сделал бы иначе. Повторять я её не советую, она приведена как пример, что можно, мол, и к обычному небалансному источнику подобные усилители привязывать при большом желании. Уважаемый Валерий, вы всё правильно поняли. Ток покоя через выходные транзисторы, насколько я помню, там составлял около одного ампера, то есть менее половины от того тока, который мог бы потечь через полностью открытый выходной транзистор. А температурный дрейф составлял не более 25%. Вот я решил тогда не заморачиваться с термостабилизацией. Ссылка на комментарий Поделиться на другие сайты Поделиться
Гость victors Опубликовано 27 Октября, 2011 в 15:08 Жалоба Поделиться Опубликовано 27 Октября, 2011 в 15:08 Я воздержусь от критики, особенно второй схемы, скажу, что симуляция выходного каскада 2-й схемы показал более 2% КНИ при входном 0.1 В и выходном 1В. на нагрузке 4 Ом :smile: Уважаемый Vol, если Вы уже нарисовали схему в симуляторе, можно ли привести уровень интермодуляционных искажений для входного сигнала 20 и 19 КГц. И ещё, интересно посмотреть, как этот УМ воспроизводит меандр, частотой 20 КГц. Я слышал, что коэфициенты гармоник ламповых УМ столь велики, что их никто не измеряет, чтобы не огорчаться, а звук "ламповый", по мнению аудиофилов, звучит красиво. Ссылка на комментарий Поделиться на другие сайты Поделиться
Гость pelleter Опубликовано 27 Октября, 2011 в 17:49 Жалоба Поделиться Опубликовано 27 Октября, 2011 в 17:49 Было бы полезнее, если бы вы, уважаемый Vol, всё-таки покритиковали ПЕРВУЮ схему. И ещё, если будете вторую схему в симуляторе рисовать, то вместо резистора 150 Ом попробуйте 180 Ом поставить. Добавлено после раздумий: А вместо КТ3102Ж поставить КТ3102ЖМ. Ссылка на комментарий Поделиться на другие сайты Поделиться
Гость vol2008 Опубликовано 28 Октября, 2011 в 11:48 Жалоба Поделиться Опубликовано 28 Октября, 2011 в 11:48 По первой схеме если кратко, то: 1. См. что уже писал wal 2. При изменении температуры транзисторов от 27 до 60 град рабочая точка улетает до полной неработоспособности (данные симулятора напряжение питания выходного каскада 12В). Оно и без симулятора было ясно, т. к. нет стабилизации режимов по постоянному току. 3. Про резисторы. Кроме все прочего они совместно с входной емкостью транзистора образуют фильтры первого порядка что сужает полосу. Например на симуляторе , меандр на 20 кГц превращается в "кривозубую пилу". 4. Выходное сопротивление велико - при входной амплитуде 1В на выходе на 4Ом - 2В, на 8Ом - чуть меньше 4В. - т.е. практически ИТУН со всеми вытекающими... 5. Про хи-енд. Хи-ендовые ламповые усилки красиво звучат благодаря наличию в их коротком спектре четных гармоник с преобладающей второй. Здесь четные гармоники давятся (симметричная схема однако), зато выпирает 3 и не-хило - 2,5% (1кГц) на 4 Омах при амплитуде 2В плюс еще длинный хвост. На 19 кГц картина несколько меняется в спектре появляется 2-я гармоника - суммарный КНИ >6%. При питании выходного каскада от источника 24В ситуация становится чуть лучше - 1.3% для 1кГц (опять 3-я гармоника) при выходной мощности 2Вт на 4Ом КНИ 5.56% на 1 кГц и чуть меньше на 20кГц 4.5%. Полоса - 0...18000 Гц по уровню -3дБ. И это все при условии, что транзисторы в плечах имеют идентичные характеристики. Что будет в реальных условиях остается только догадываться :smile: PS. Номиналы резисторов менять нет никакого желания, т.к. не вижу в этом смысла, ибо "подбор межкаскадных резисторов" для меня это слишком круто :smile: Ссылка на комментарий Поделиться на другие сайты Поделиться
Гость victors Опубликовано 28 Октября, 2011 в 13:44 Жалоба Поделиться Опубликовано 28 Октября, 2011 в 13:44 Сейчас перечитываю журнал Радио №11, за 1984 год. Здесь сразу две схемы УМЗЧ. Акулиничева и Зуева. Обе с ООС и обе с конденсаторами на пути звука. Характеристики, практически измеренные, на два порядка лучше рассчитанных выше и не нужно подбирать детали - обратные связи все "загибают" куда надо. Но эти схемы, презираемы аудиофилами за сложность, ширпотребовские детали и нарушение заповедей истинно волшебного звуковоспроизведения. :smile: Ссылка на комментарий Поделиться на другие сайты Поделиться
Гость pelleter Опубликовано 29 Октября, 2011 в 04:47 Жалоба Поделиться Опубликовано 29 Октября, 2011 в 04:47 (изменено) Однако... Спасибо, Vol. Каким симулятором пользуетесь? Изменено 26 Декабря, 2011 в 06:11 пользователем pelleter Ссылка на комментарий Поделиться на другие сайты Поделиться
Гость pelleter Опубликовано 10 Декабря, 2011 в 20:12 Жалоба Поделиться Опубликовано 10 Декабря, 2011 в 20:12 (изменено) Доброго времени суток, коллеги. Вот, пытаюсь моделировать усилитель в симуляторе Electronics Workbench 5.12. Научите, как создавать новые модели транзисторов. Или, может кто поделится библиотекой элементов? Мне, собственно, модель транзистора 2SC4466 от Sanken elektric нужна в первую очередь. Помогите, пожалуйста. PS Что-то уважаемый Владимир (vol2008) отмалчивается. Терзают меня смутные сомнения, а корректно ли Владимир смоделировал усилитель? Может, транзисторы были заменены на аналоги, имеющиеся в используемом симуляторе? Потому и КНИ получился под 5%? Очень бы хотелось самому проверить, файл - в студию. Изменено 21 Декабря, 2011 в 12:26 пользователем pelleter Ссылка на комментарий Поделиться на другие сайты Поделиться
Гость остап Опубликовано 19 Января, 2012 в 10:42 Жалоба Поделиться Опубликовано 19 Января, 2012 в 10:42 Pelleter- изложи как ты этот усилитель смонтировал.Пожалуй рисунок печатной платы, если таковая имеется, выложи. Добавлено после раздумий: Печатная плата есть? Или навесным монтажом сделано? Ссылка на комментарий Поделиться на другие сайты Поделиться
Рекомендуемые сообщения
Для публикации сообщений создайте учётную запись или авторизуйтесь
Вы должны быть пользователем, чтобы оставить комментарий
Создать учетную запись
Зарегистрируйте новую учётную запись в нашем сообществе. Это очень просто!
Регистрация нового пользователяВойти
Уже есть аккаунт? Войти в систему.
Войти