Гость pelleter Опубликовано 28 Августа, 2011 в 18:27 Жалоба Поделиться Опубликовано 28 Августа, 2011 в 18:27 Довольно давно, начитавшись аудиофильских книжек и сайтов, задумал сконструировать идеальный усилитель для дома. В основу концепции положены два принципа. 1. Усилитель не должен содержать конденсаторов на пути звука. Удалось исключить даже конденсатор на входе. 2. Усилитель не должен содержать обратных связей. Идеи о безусловно вредном влиянии конденсаторов и обратных связей на звук ставятся некоторыми под сомнение; и надо сказать, что на самом деле я не имею сложившегося мнения по этим вопросам. Тем не менее усь был разработан, смакетирован и отлажен. Кто хочет, можете смело повторять. Выложил схему на форуме, так как пока не имею времени и желания писать полноценную статью. Буду рад вопросам, отзывам и предложениям. Вероятно, можно ещё как-нибудь улучшить схему. Например, сделать автобалансировку плеч (думал на эту тему, но простого решения пока не вижу). Ссылка на комментарий Поделиться на другие сайты Поделиться
andrew_spb Опубликовано 28 Августа, 2011 в 18:56 Жалоба Поделиться Опубликовано 28 Августа, 2011 в 18:56 Какие-то ассоциации с ушным усилителем типа Семигор.... и к.п.д. у него тоже думаю не высокий... зато качество должно быть... Единственно - надо ограничивать, ИМХО, ему спектр на входе... Ссылка на комментарий Поделиться на другие сайты Поделиться
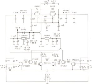
Wal Опубликовано 28 Августа, 2011 в 19:03 Жалоба Поделиться Опубликовано 28 Августа, 2011 в 19:03 Какие-то ассоциации с ушным усилителем типа Семигор.... и к.п.д. у него тоже думаю не высокий... зато качество должно быть... Единственно - надо ограничивать, ИМХО, ему спектр на входе... Не, не Семигор. Нечто подобное было гораздо раньше в "В помощь радиолюбителю", не помню какой номер. Там, правда, понавороченее было: с ГСТ, с каскадами посерьёзней. И такой же кучей источников питания. Кстати, автор скромно умолчал про параметры! Хотя бы мощность выходную, полосу мог бы указать? При повторении надо на что-то ориентироваться.... Ссылка на комментарий Поделиться на другие сайты Поделиться
Гость pelleter Опубликовано 29 Августа, 2011 в 04:29 Жалоба Поделиться Опубликовано 29 Августа, 2011 в 04:29 Да, КПД невелик, сей монстр потребляет около 50 Вт, а отдаёт при этом около 5. Ограничить спектр на входе можно, вот только с какой целью это это делать? Полосу пропускания не измерял, однако очевидно, что она не уже, чем от 0 Гц до 20 кГц. Было бы самому интересно измерить верхнюю "границу" полосы, а также неравномерность АХЧ и КНИ. Уважаемый wal, а ГСТ - это что такое? Ссылка на комментарий Поделиться на другие сайты Поделиться
Datagor Опубликовано 29 Августа, 2011 в 06:03 Жалоба Поделиться Опубликовано 29 Августа, 2011 в 06:03 Уважаемый Иван (pelleter), спасибо за необычное решение! Я немного отредактировал название темы и закрепил тему в "Важных". Ссылка на комментарий Поделиться на другие сайты Поделиться
al ex Опубликовано 29 Августа, 2011 в 16:54 Жалоба Поделиться Опубликовано 29 Августа, 2011 в 16:54 Действительно ли в коллекторах выходных транзисторов нужны 150-Вт резисторы? И на входе два 1 МОм в параллель? Ссылка на комментарий Поделиться на другие сайты Поделиться
Гость lgedmitry Опубликовано 29 Августа, 2011 в 17:58 Жалоба Поделиться Опубликовано 29 Августа, 2011 в 17:58 не, с резюками тут спору нет: чем они массивнее и меньше греются-остывают за такт усиливаемого сигнала - тем выше линейность уся. А вот жуткий входной делитель мне не очень понятен: нельзя ли брать с источника сигнала больший ток, а 1 каскад усиления убрать? Ссылка на комментарий Поделиться на другие сайты Поделиться
Wal Опубликовано 29 Августа, 2011 в 18:10 Жалоба Поделиться Опубликовано 29 Августа, 2011 в 18:10 (изменено) Да, КПД невелик, сей монстр потребляет около 50 Вт, а отдаёт при этом около 5. Ограничить спектр на входе можно, вот только с какой целью это это делать? Полосу пропускания не измерял, однако очевидно, что она не уже, чем от 0 Гц до 20 кГц. Было бы самому интересно измерить верхнюю "границу" полосы, а также неравномерность АХЧ и КНИ. Уважаемый wal, а ГСТ - это что такое? Короче, по параметрам только догадки? ГСТ - генератор стабильного тока Статью и схему "первоисточника" нашёл, завтра отсканирую и выложу для сравнения. В Вашей схеме какие-то чудные номиналы сопротивлений по входам: в делителе мегаомы! Это исходя из чего выбрано? Обычно ток делителя на порядок больше тока базы транзисторов. Это раз. Во-вторых, чем болше резистор ( а тут целый мегаОм), тем больше его собственный тепловой шум. Тут шумов должно быть выше крыши и все они поступают на вход усилителя и соответственно дальше усиливаются. Плюс к тому: на входе делитель, на который подается положительное напряжение относительно земли. Как Вы обходитесь без разделительного конденсатора на входе, если неизвестно, как организован выход источника сигнала? Может я, конечно, неправ, чего-то не доглядел. Не сочтите за труд, разъясните. Изменено 29 Августа, 2011 в 18:13 пользователем wal Ссылка на комментарий Поделиться на другие сайты Поделиться
Гость pelleter Опубликовано 29 Августа, 2011 в 19:53 Жалоба Поделиться Опубликовано 29 Августа, 2011 в 19:53 Про мощные резисторы. Ток покоя плеча усилителя 1 А, стало быть тепла на нём выделится 10-15 Вт. В принципе достаточно ставить резисторы Ватт на 20. Это в теории, а на практике они разогреются до безобразия. У меня лично стоят в каждом плече 4 резистора по 2 ома в корпусах ТО-247, прикрученные на один радиатор. Лучше бы, конечно резисторы параллелить (так меньше шумов), но уж поставил, что было. Я их заказывал по каталогу ELFA, а заказывать и ждать новые 5-7 недель не хотелось. Важна не номинальная мощность резистора, а эффективный теплоотвод. Вообще радиаторы надо побольше размером, 4 штуки. По одному на каждый транзистор и по одному на каждый резистор/набор резисторов. Схема на трёх транзисторах оставлена не случайно, ибо если оставить 2 каскада, придётся тогда перекроить схемотехнику таким образом, что в эмиттерной цепи одного из транзисторов будет резистор, а это как-никак местная ОС по току. (Кстати Игорь, рад что вы оценили необычность решения, но ООС в названии темы лучше бы заменить на ОС.) Либо можно подавать сигнал источника на базу второго транзистора, исключив первый каскад и привязав эту почку к земле через резистор. Пробовал и так, результатом остался недоволен (уже не помню точно, почему, может, звук субъективно не понравился). Уважаемый Wal, к сожалению, не знаю вашего имени, отвечаю вам. Такое решение входного делителя продиктовано желанием снизить потенциал на входе, чтобы он не мешал правильной работе выходного каскада источника сигнала. Напряжение смещения КТ3102 составляет около 1 В, таким образом потенциал на входе усилителя составит не более 1/10=0,1 В. Именно это и позволило исключить входной конденсатор. Про высокие шумы это вы верно заметили. Изначально планировалось между базой и эмиттером КТ3102 поставить 10 кОм. И сверху, соответственно были бы 50 кОм. Однако, такое решение привело к непредвиденным последствиям. Рабочая точка транзистора после включения быстро дрейфует вверх, и транзистор вскоре входит чуть ли не в режим насыщения. В итоге я сделал так, как показано на схеме (резисторы 1 мОм и 100 кОм). С уважением, Иван. Ссылка на комментарий Поделиться на другие сайты Поделиться
Wal Опубликовано 30 Августа, 2011 в 04:51 Жалоба Поделиться Опубликовано 30 Августа, 2011 в 04:51 Так, извиняйте господа, схему я решил не выкладывать, так как первоисточник несколько иной по сути. Там к довольно обычному дифкаскаду немного оригинально прикрутили обычный эмитерный повторитель. Тут вроде как совсем иная концепция. Продолжая приглядываться к схеме, хочу заметить: 1. В большинстве своём транзисторы в схеме управляются током, что есть правильно для биполяров. Очень хотелось бы посмотреть на спектр выходного сигнала этого уся. 2. начитавшись, как автор пишет, литературы по Hi-End'у, он многое воспринял буквально :smile: Обычно критикуют общую ООС из-за большого времени групповой задержки К местным ООС претензий гораздо меньше. Они работают в одном каскаде и потому быстродействие здесь нормальное. Кроме того без них бывает сложно стабилизировать режим, сделать каскад более линейным и т.д. и т.п. Тем не менее, возможно из-за невнимательности автора, родился шедевр :smile: Ссылка на комментарий Поделиться на другие сайты Поделиться
Datagor Опубликовано 30 Августа, 2011 в 06:57 Жалоба Поделиться Опубликовано 30 Августа, 2011 в 06:57 Ребяты, а как ЭТО подключается к источнику? Бр-р-р-р-р-р... чет ум за разум зашел у меня. Почему ДВА входа? Ссылка на комментарий Поделиться на другие сайты Поделиться
metrolog Опубликовано 30 Августа, 2011 в 07:43 Жалоба Поделиться Опубликовано 30 Августа, 2011 в 07:43 Ребяты, а как ЭТО подключается к источнику?Почему ДВА входа? По ходу дела тут еще фазоинвертор нужен :smile: Ссылка на комментарий Поделиться на другие сайты Поделиться
Рекомендуемые сообщения
Для публикации сообщений создайте учётную запись или авторизуйтесь
Вы должны быть пользователем, чтобы оставить комментарий
Создать учетную запись
Зарегистрируйте новую учётную запись в нашем сообществе. Это очень просто!
Регистрация нового пользователяВойти
Уже есть аккаунт? Войти в систему.
Войти