Гость xrust Опубликовано 7 Декабря, 2010 в 14:11 Жалоба Поделиться Опубликовано 7 Декабря, 2010 в 14:11 (изменено) Привет, собрал совой первый ламповый усилитель SRPP на 6Н6П, очень понравился звук и сам процесс. Теперь хочется собрать, что то получше. Вот нашел две схемы, какая из этих схем лучше? Или предложите свою. Заранее всем спасибо! Изменено 7 Декабря, 2010 в 14:13 пользователем xrust Ссылка на комментарий Поделиться на другие сайты Поделиться
Ser.Balashoff Опубликовано 8 Декабря, 2010 в 05:52 Жалоба Поделиться Опубликовано 8 Декабря, 2010 в 05:52 Привет, собрал совой первый ламповый усилитель SRPP на 6Н6П, очень понравился звук и сам процесс. Теперь хочется собрать, что то получше.Вот нашел две схемы, какая из этих схем лучше? Или предложите свою. Заранее всем спасибо! На мой вкус "белая" схема лучше. Я подобную делал и даже немного усовершенствовал. Вот тут: https://forum.datagor.ru/index.php?showtopi...%ED%E8%EA%EE%E2 в конце странички. Работает сразу при правильной сборке. Но наушники должны быть сопротивлением не ниже 32 Ом, а лучше больше. Ссылка на комментарий Поделиться на другие сайты Поделиться
Гость ogmetr Опубликовано 8 Декабря, 2010 в 06:22 Жалоба Поделиться Опубликовано 8 Декабря, 2010 в 06:22 (изменено) А на мой взгляд "черная" схема более оптимальна для работы на низкоомную нагрузку. Только желательно применять для питания электронный фильтр и не понятен номинал выходного конденсатора С1. Изменено 8 Декабря, 2010 в 06:23 пользователем ogmetr Ссылка на комментарий Поделиться на другие сайты Поделиться
d33z1 Опубликовано 8 Декабря, 2010 в 11:53 Жалоба Поделиться Опубликовано 8 Декабря, 2010 в 11:53 Привет, собрал совой первый ламповый усилитель SRPP на 6Н6П, очень понравился звук и сам процесс. Теперь хочется собрать, что то получше.Вот нашел две схемы, какая из этих схем лучше? Или предложите свою. Заранее всем спасибо! https://datagor.ru/amplifiers/tubes/108-str...naushnikov.html Отличная схема,ещё никто не жаловался. Ссылка на комментарий Поделиться на другие сайты Поделиться
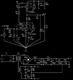
Гость xrust Опубликовано 8 Декабря, 2010 в 12:03 Жалоба Поделиться Опубликовано 8 Декабря, 2010 в 12:03 https://datagor.ru/amplifiers/tubes/108-str...naushnikov.htmlОтличная схема,ещё никто не жаловался. Эту схему я уже собрал, теперь хочу найти получше. Что скажете про эту схемку _https://www.radiolamp.ru/shem/unch/79/ Ссылка на комментарий Поделиться на другие сайты Поделиться
dru57 Опубликовано 9 Декабря, 2010 в 15:19 Жалоба Поделиться Опубликовано 9 Декабря, 2010 в 15:19 Эту схему я уже собрал, теперь хочу найти получше.Что скажете про эту схемку _https://www.radiolamp.ru/shem/unch/79/ вот схемка- говорят тоже ничего Ссылка на комментарий Поделиться на другие сайты Поделиться
Гость Егор66 Опубликовано 10 Января, 2012 в 10:20 Жалоба Поделиться Опубликовано 10 Января, 2012 в 10:20 (изменено) Собрал усилитель "PhonAmp" , трансформатор делал по описанной в статье технологии из 2х ТП 124-5 напряжение 12в ток 1,1А распилил каркасы трансформаторов в итоге получился блок питания на выходе без нагрузки ровно 300в под нагрузкой 277-280,по непонятным мне причинам усилитель не заработал, еще чуть позднее заметил что анодный трансформатор очень сильно греется, аж воск поплыл. Что касаемо настройки все вроде в норме резистор рк поставил 200 ом при этом напряжение на аноде нижней лампы равно 137-140в что при напряжении питания 277-280в является половиной и погрешность не составляет более 5%. Когда пробовал подавать сигнал на вход на выходе не получил ровным счетом нечего сигнал не то что не усиливается, его вобще не слышно в 32оМном динамике от телефона тогда подключил динамик на 8 ом сигнал был еле слышен крутил регулятор громкости не помогает вернее громче не становится, либо шопот с искажениями либо тишина. Изменено 10 Января, 2012 в 10:24 пользователем Егор66 Ссылка на комментарий Поделиться на другие сайты Поделиться
Гость mosfet Опубликовано 10 Января, 2012 в 11:00 Жалоба Поделиться Опубликовано 10 Января, 2012 в 11:00 Советую осмотреть весь монтаж в поисках косяка, где-то что-то отвалилось скорее всего. 6Н1П/6Н3П/6Н23П много есть не могут. Трансформатор мощностью авось ватт 30 с накальной обмоткой у меня тянет две ECC85 (10мА, больше усиление чем у 6Н1П и в катоде 100 Ом) Ссылка на комментарий Поделиться на другие сайты Поделиться
TANk Опубликовано 10 Января, 2012 в 11:25 Жалоба Поделиться Опубликовано 10 Января, 2012 в 11:25 Фотография трансформатора не очень четкая. Но мне кажется, что между пластинками I и Ш есть зазор. Видимо 2 половины каркаса имеют толщину чуть больше чем один не распиленный. Эти зазоры уменьшают индуктивность обмоток, сильно увеличивая ток холостого хода и нагрев трансформатора. Про отсутствие сигнала - надо монтаж проверить. Схема настолько примитивная, что "не работать" там нечему. Тем более, что режим по постоянному току вроде как выставился правильный. Надо взять тестер и проверить напряжения на всех электродах лампы. Анод, катод, сетка - для нижней лампы проверить относительно земли, для верхней - эти напряжения лучше измерить относитльно катода верхней половины. Для нижней половины лампы должно быть Катод - +1.5 (1.0-2.0в) Сетка - 0 Анод - +140. (130-150) Для верхней половины относительно катода Катод - 0 Сетка минус 1.5 (от 1 до 2в) Анод - +140 (130-150) Еще рекомендую от вывода сетки нижней лампы на землю поставить резистор номиналом от 330к до 1 МОм. Ссылка на комментарий Поделиться на другие сайты Поделиться
Гость Егор66 Опубликовано 10 Января, 2012 в 12:35 Жалоба Поделиться Опубликовано 10 Января, 2012 в 12:35 Советую осмотреть весь монтаж в поисках косяка, где-то что-то отвалилось скорее всего. 6Н1П/6Н3П/6Н23П много есть не могут. Трансформатор мощностью авось ватт 30 с накальной обмоткой у меня тянет две ECC85 (10мА, больше усиление чем у 6Н1П и в катоде 100 Ом) Накальный то даже не греется, а вот тот что переделанный анодный горячехонький. они рассчитаны на мощность около 15ват я так понимаю Добавлено после раздумий: Да зазор там действиельно есть с каждой стороны около 1,5мм Добавлено после раздумий: Хм если сильно увеличивается ток холостого хода то без нагрузки он тоже должен сильно греться? Ссылка на комментарий Поделиться на другие сайты Поделиться
TANk Опубликовано 10 Января, 2012 в 14:31 Жалоба Поделиться Опубликовано 10 Января, 2012 в 14:31 Дело в том, что такой зазор фактически уменьшает сечение сердечника в 2 раза. Что уменьшает максимальную мощность трансформатора в 4 раза. На ХХ он может быть и не сильно греется, но с таким "дырявым" сердечником этот трансформатор уже не 15Вт мощностью а всего 4-5 и работает с перегрузом, что и вызывает его нагрев. Ссылка на комментарий Поделиться на другие сайты Поделиться
Гость Егор66 Опубликовано 10 Января, 2012 в 15:45 Жалоба Поделиться Опубликовано 10 Января, 2012 в 15:45 Дело в том, что такой зазор фактически уменьшает сечение сердечника в 2 раза. Что уменьшает максимальную мощность трансформатора в 4 раза. На ХХ он может быть и не сильно греется, но с таким "дырявым" сердечником этот трансформатор уже не 15Вт мощностью а всего 4-5 и работает с перегрузом, что и вызывает его нагрев. Спасибо за совет, уже доработал катушки, буду проверять, зазора теперь нет ну пару пластин по непонятным мне причинам не прилегают плотно остался зазор меньше 0,5мм но я думаю это уже не так страшно. Трансформатор до этого действительно сильно грелся даже на холостом ходу, просто я его не включал надолго пока не собрал усилитель. Ссылка на комментарий Поделиться на другие сайты Поделиться
Рекомендуемые сообщения
Для публикации сообщений создайте учётную запись или авторизуйтесь
Вы должны быть пользователем, чтобы оставить комментарий
Создать учетную запись
Зарегистрируйте новую учётную запись в нашем сообществе. Это очень просто!
Регистрация нового пользователяВойти
Уже есть аккаунт? Войти в систему.
Войти