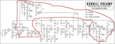
Гость dredd_kord Опубликовано 4 Февраля, 2010 в 10:27 Жалоба Поделиться Опубликовано 4 Февраля, 2010 в 10:27 Здравствуйте товарищи!!! Недавно захотел собрать ламповый перегруз, наткнулся я на этот дисторшн на этом форуме, схема была предоставлена Slayer"ом канл Sharp, он отозвался о ней вполне рабочей, но у меня возникли вопросы по поводу питания этой схемы ? Печатную плату я за основу взял которую тоже выложил Slayer, но она была для немного другой схемы, но я её переделал под данную и тут возникли вопросы правильно ли я её сделал ? Так как я читал, что для ламп ПП не есть гуд, но все же попытки не пытки :smile: мой_bogner_sharp.zip И еще один вопрос, как организовать схему baypass для этой схемы? лучше схемой объясните) Заранее благодарен) Ссылка на комментарий Поделиться на другие сайты Поделиться
Гость rubenlukin Опубликовано 4 Февраля, 2010 в 10:47 Жалоба Поделиться Опубликовано 4 Февраля, 2010 в 10:47 И еще один вопрос, как организовать схему baypass для этой схемы? лучше схемой объясните) Так в ней уже есть байпасс, просто он нарисован с ошибкой. Переключатели, обозначенные S1 и S2 на самом деле должны быть одним сдвоенным переключателем, и обозначаться S1.1 и S1.2 Если нужен вообще самый тру байпасс -- нужно добавить такую же цепь переключателей прямо со входа на выход. Так, как организовано по схеме -- в байпассе остается включенным первый каскад усиления (не перегруза!), эквалайзер, мастер волюм и повторитель (согласователь уровней). В моем ди-боксе МХR bass DI+ сделано 2 кнопки: тру байпасс и драйв. Я очень хочу закоротить байпасс, потому что кнопки рядом, и иногда, если нечаянно попасть на обе, вместо драйва включается байпасс. :smile: Ссылка на комментарий Поделиться на другие сайты Поделиться
Гость dredd_kord Опубликовано 4 Февраля, 2010 в 12:43 Жалоба Поделиться Опубликовано 4 Февраля, 2010 в 12:43 А как схему индикации организовать? И что на счет печатки с питанием? Ссылка на комментарий Поделиться на другие сайты Поделиться
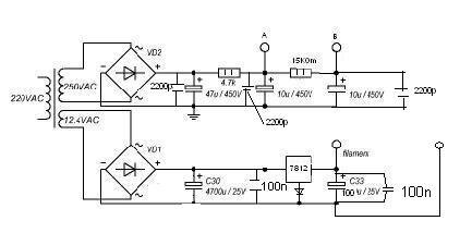
Гость dredd_kord Опубликовано 7 Февраля, 2010 в 18:38 Жалоба Поделиться Опубликовано 7 Февраля, 2010 в 18:38 помогите пожалуйста грамотно сделать питание для схемы, или схемку кто-нибудь кинте)) Ссылка на комментарий Поделиться на другие сайты Поделиться
slayer Опубликовано 7 Февраля, 2010 в 19:08 Жалоба Поделиться Опубликовано 7 Февраля, 2010 в 19:08 Дык а вчем проблема с питанием ? Транс на зоо вольт есть ? Ссылка на комментарий Поделиться на другие сайты Поделиться
toxin Опубликовано 7 Февраля, 2010 в 21:08 Жалоба Поделиться Опубликовано 7 Февраля, 2010 в 21:08 Недавно собирал практически тот же девайс. Целую неделю он мне выносил мозг - был самовозбуд, благо наши жители мне подсказали выход - заново развести плату. В итоге все заработало после изготовления новой платы. Могу вывалить плату в спринте, только я не делал на ней обозначения элементов - придется самому разбираться. Ссылка на комментарий Поделиться на другие сайты Поделиться
Гость dredd_kord Опубликовано 8 Февраля, 2010 в 18:55 Жалоба Поделиться Опубликовано 8 Февраля, 2010 в 18:55 (изменено) Slayer, вопрос в том, что перед тем, как подать напряжение 350, должна идти схема разных фильтров, выпрямителей и стабилизаторов, вот их то мне и надо)) Какие параметры должны быть у трансформатора? я имею ввиду по силе тока. А еще такой вопрос, можно ли питание этой схемы сделать на умножителе напряжения? Toxin, от печатки не откажусь, выкладывай)) Toxin каков результат после проделаной работы? Стоит того чтобы пару ночей не спать?)) Изменено 8 Февраля, 2010 в 19:08 пользователем dredd_kord Ссылка на комментарий Поделиться на другие сайты Поделиться
toxin Опубликовано 8 Февраля, 2010 в 19:57 Жалоба Поделиться Опубликовано 8 Февраля, 2010 в 19:57 (изменено) То, что обведено красным на плате отсутствует - у меня это все размещается на двух платах фильтров, но можно распаять прямо на выводах переменников. И еще, панельки ламповые я использовал пластиковые ПЛ9 и припаиваются они на мою плату со стороны печати (дорожек). Ну а звук - приятный, мягкий на слух (ну тут уж как выкрутите темброблок) ламповый овердрайв. Для примера - группс Cranberries, песня Zombie. P.S. Извините, немного ошибся, когда обводил - R27 тоже на плате находится Main1.zip Изменено 8 Февраля, 2010 в 19:59 пользователем toxin Ссылка на комментарий Поделиться на другие сайты Поделиться
Гость dredd_kord Опубликовано 9 Февраля, 2010 в 08:18 Жалоба Поделиться Опубликовано 9 Февраля, 2010 в 08:18 (изменено) Toxin,Slayer, а вы пробовали его настроить так, чтобы он звучал очень жестко,как мощный дисторшн? и какие для этого нужны изменения в схеме? Изменено 9 Февраля, 2010 в 08:28 пользователем dredd_kord Ссылка на комментарий Поделиться на другие сайты Поделиться
slayer Опубликовано 9 Февраля, 2010 в 21:44 Жалоба Поделиться Опубликовано 9 Февраля, 2010 в 21:44 Вот эта схема которая у тебя в первом посте она нормально звучит. Мощно. Гейна более чем достаточно. Так что собирай и все будет нормально, тока плату хорошо сделай Ссылка на комментарий Поделиться на другие сайты Поделиться
toxin Опубликовано 10 Февраля, 2010 в 06:37 Жалоба Поделиться Опубликовано 10 Февраля, 2010 в 06:37 Нужен жесткий звук - накрути низов, посрежь верха, с серединкой поиграйся... будет мало низа - поиграйся с номиналами переходных кондюков. А вообще ваша и моя схема - практичемки то же самое, только в моей отсутствует повторитель на полевике. По крайней мере - плата подойдет, только С13 и R18 не устанавливайте(в моей схеме они есть, в вашей - нет). А гейна там действительно ого-го... Ссылка на комментарий Поделиться на другие сайты Поделиться
Гость dredd_kord Опубликовано 10 Февраля, 2010 в 17:14 Жалоба Поделиться Опубликовано 10 Февраля, 2010 в 17:14 Slayer, а вы ПП видели которую я вложил? она может являться рабочей без возбудов? Ссылка на комментарий Поделиться на другие сайты Поделиться
Рекомендуемые сообщения
Для публикации сообщений создайте учётную запись или авторизуйтесь
Вы должны быть пользователем, чтобы оставить комментарий
Создать учетную запись
Зарегистрируйте новую учётную запись в нашем сообществе. Это очень просто!
Регистрация нового пользователяВойти
Уже есть аккаунт? Войти в систему.
Войти