Гость 372 Опубликовано 8 Февраля, 2010 в 12:06 Жалоба Поделиться Опубликовано 8 Февраля, 2010 в 12:06 ИМХО, автор давно бы собрал уже усилитель на 6п3с. Мало ли, кто что говорит, уши-то свои. ТС180 можно без всякой переборки использовать выходным под 6п3с и 6п6 в двутакте. Можно и в ультралинейном режиме включить. Практически в классическом (0.42). С секционированием - тоже беда не большая. Пару выводов на другие лепестки перепаять - и значительно улучшатся параметры по ВЧ. Только были подварианты изготовления, 180-2, 180-3. Напишите. какие трансформаторы конкретно есть. Или перепишите/сфотографируйте данные с их катушек. Чтобы не расписывать под все. Стереодвутакт на 6п3с один ТС180 в качестве сетевого вытянет вполне. На 6п6с - и подавно, этих хоть по 2 в плечо. Ссылка на комментарий Поделиться на другие сайты Поделиться
Гость andreo Опубликовано 8 Февраля, 2010 в 13:10 Жалоба Поделиться Опубликовано 8 Февраля, 2010 в 13:10 Допускаю триодное включение ламп. Там и амплитуда на первичке меньше и индуктивности достаточно, но требования к индуктивности рассеивания выше! А где у ТС-.... секционирование? Пробовал с этими трансформаторами 6С41С и 6П45С в триодном включении. Приборов, чтобы замерить параметры тогда у меня не было. Теперь для меня действительно очевидно, что лучше уже самому перемотать. Чтобы было хотя бы 2 секции вторички, а лучше три :smile: Ссылка на комментарий Поделиться на другие сайты Поделиться
Гость 372 Опубликовано 8 Февраля, 2010 в 13:30 Жалоба Поделиться Опубликовано 8 Февраля, 2010 в 13:30 Две полноценные секции можно реализовать на типовом ТС-180, без разборки и домотки. Перемотать - конечно лучше. Закончу с текущими делами - скидаю для интереса ультралинейный РР с фиксированным на 6п3с (6п6с) с тс-180 без перемотки. Отпишу, как конкретно обмотки развести. За одним хоть послушаю, за что 6п3с ругают. Не слышал ещё их. EL34 только. Ссылка на комментарий Поделиться на другие сайты Поделиться
Гость andreo Опубликовано 8 Февраля, 2010 в 15:40 Жалоба Поделиться Опубликовано 8 Февраля, 2010 в 15:40 За одним хоть послушаю, за что 6п3с ругают.Не слышал ещё их. EL34 только. Не все кто ругают, слушал их. Это ИМХО. Свой собственный опыт не заменить чужими мнениями. Есть моноблок PP на 6П3С как раз ультралинейный с фиксированным смещением. Можно пробовать 6П6С, 6L6... Ссылка на комментарий Поделиться на другие сайты Поделиться
Гость вкн Опубликовано 8 Февраля, 2010 в 16:38 Жалоба Поделиться Опубликовано 8 Февраля, 2010 в 16:38 Справедливости ради такой факт. Евгений Комиссаров поведал о РР выходниках одной модели усилителей ф. NATURAL (где он работал с Грибановым). Оказалось в 90х эти аппараты активно продавались в Европе, имея в чреве ТАН-104! Полосу не помню, но удивительно широкая. Вот Вам пример грамотного использования ООС. Постараюсь выискать его (Жени) описАние этого аппарата. Ссылка на комментарий Поделиться на другие сайты Поделиться
Гость 372 Опубликовано 8 Февраля, 2010 в 17:27 Жалоба Поделиться Опубликовано 8 Февраля, 2010 в 17:27 (изменено) Справедливости ради такой факт.Евгений Комиссаров поведал о РР выходниках одной модели усилителей ф. NATURAL (где он работал с Грибановым). Оказалось в 90х эти аппараты активно продавались в Европе, имея в чреве ТАН-104! Полосу не помню, но удивительно широкая. Вот Вам пример грамотного использования ООС. Постараюсь выискать его (Жени) описАние этого аппарата. На каких лампах? Навскидку, по тс-180 для 6п3с при Raa 5-6к - так: 23(тонкая накальная)+375{отвод УЛ}+226+137{средняя точка}+137+226{отвод УЛ}+375+23(тонкая накальная) Итого имеем: 761х2=1520 вит. первичная, по самому тонкому калибру 0.69, пол-ампера тока покоя гипотетически держит :smile: Ультралинейный % = (137+226)/761=0.47, при рекомендованном для 6п3с 0.42-0.45 - вполне. Вторичная: обмотки по 58 вит параллельно - под 3-6 ом. К ним последовательно - 23 вит "толстых" накальных, соединённых параллельно - под 6-8 ом. Или 58 + "толстые" накальные последовательно (46) - 12-16 ом. Можно, не напрягаясь и не разбирая трансформатор, домотать по 6 витков толстым проводом на каждую катушку, соединить "толстые" накальные последовательно, к ним последовательно эти 6 и 6 = 58. Полученную цепочку подключить параллельно обмоткам на 58 вит. Уже будет значительно веселее. Примерно так. Только 357 витков и 58 - надо распаять, они соединены... Все накальные обмотки тупо использовать в качестве выходных - смысла нет, они намотаны прямо друг на друга, поверх высоковольтных обмтоток - толку в таком "секционировании" - 0. А 58 вит. от сетевой - как раз между слоями "первичной" обмотки получается. Конкретных рекомендаций по соединению по лепесткам не пишу, с фазировкой не напутать бы. Трансформатор когда разведу и проверю - тогда будут. Данные по ТС-ам отсюда: Трансформаторы_телевизионные.DJVU Изменено 8 Февраля, 2010 в 17:34 пользователем 372 Ссылка на комментарий Поделиться на другие сайты Поделиться
Гость vitaliy k Опубликовано 21 Февраля, 2010 в 19:36 Жалоба Поделиться Опубликовано 21 Февраля, 2010 в 19:36 Собирал я двухтактник на 6п3с, в качестве выходного использовал ТС-180. Звук меня сразу порадовал, хотя на осциле после 8кГц картина была плачевная. Сейчас использую перемотанный под выходник ТСШ-170. Звук сказка, и по осцилу всё в порядке. Ссылка на комментарий Поделиться на другие сайты Поделиться
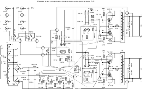
Гость вкн Опубликовано 21 Февраля, 2010 в 20:51 Жалоба Поделиться Опубликовано 21 Февраля, 2010 в 20:51 (изменено) Привожу обещанное высказывание Евгения Комиссарова: " На моей памяти самые крутые параметры были у трансформатора ТАН104, скомутированного так, чтобы его можно было использовать выходником для 34-ки, полоса от 5Гц и за сотню переваливала " "В усилителе Natural A-7, а также в пятидесятиваттном A-7М, в пятиканальном и шестиканальном УМ для домашнего кинотеатра, которые брали призы "лучший звук выставки" DVD-шоу, в качестве выходников использовались ТАН-104. И пара EL34 РР на канал. В версиях 50ВТ они работали в АВ2, с сеточными токами, в стандатной версии 25Вт - АВ. Измерения были проведены тогда. Такая полоса была необходима для обеспечения нормального фунуционирования ООС. Нашел схему. Можете поучиться грамотной схемотехнике у Юры Грибанова. И умению из недорогих деталей сделать Хороший аппарат. " Изменено 21 Февраля, 2010 в 20:54 пользователем вкн Ссылка на комментарий Поделиться на другие сайты Поделиться
Гость 372 Опубликовано 22 Февраля, 2010 в 00:07 Жалоба Поделиться Опубликовано 22 Февраля, 2010 в 00:07 То чудно, но почему бы задержку анодного не сделать... цена вопроса - значительно ниже даже одной 12ах7. Ссылка на комментарий Поделиться на другие сайты Поделиться
Гость hardrock Опубликовано 23 Июня, 2010 в 18:30 Жалоба Поделиться Опубликовано 23 Июня, 2010 в 18:30 А на питание тс250 пойдет или нет? Ссылка на комментарий Поделиться на другие сайты Поделиться
Гость kgb_spy Опубликовано 24 Июня, 2010 в 03:28 Жалоба Поделиться Опубликовано 24 Июня, 2010 в 03:28 уже научимся считать ??? ТАНК нами всему уважаемый и обожамый давно всё расписал, надо взять напряжение накала умножитьь на ток накала + тока анода умножить на напряжение анода... вот и отвед на вопрос пойдёт ли транс.... Ссылка на комментарий Поделиться на другие сайты Поделиться
Гость s`ema Опубликовано 5 Октября, 2010 в 20:28 Жалоба Поделиться Опубликовано 5 Октября, 2010 в 20:28 Константин а питающие напрежения вы случайно не укажите? С ув.АЛександр. Ссылка на комментарий Поделиться на другие сайты Поделиться
Рекомендуемые сообщения
Для публикации сообщений создайте учётную запись или авторизуйтесь
Вы должны быть пользователем, чтобы оставить комментарий
Создать учетную запись
Зарегистрируйте новую учётную запись в нашем сообществе. Это очень просто!
Регистрация нового пользователяВойти
Уже есть аккаунт? Войти в систему.
Войти