Гость solya Опубликовано 28 Апреля, 2009 в 18:04 Жалоба Поделиться Опубликовано 28 Апреля, 2009 в 18:04 от 35 Ом и до 70,просто разные модели ушей есть,все охота послушать.... Ссылка на комментарий Поделиться на другие сайты Поделиться
Гость grays Опубликовано 28 Апреля, 2009 в 18:46 Жалоба Поделиться Опубликовано 28 Апреля, 2009 в 18:46 ну дык как делают обычно, делитель, подбирай сопротивления. Вобще низкоомные уши можно напрямую подключать :smile: Ссылка на комментарий Поделиться на другие сайты Поделиться
Гость solya Опубликовано 30 Мая, 2009 в 10:59 Жалоба Поделиться Опубликовано 30 Мая, 2009 в 10:59 была написана мини статейка по этому усилителю,отправил,возможно разместят скоро.... Ссылка на комментарий Поделиться на другие сайты Поделиться
TANk Опубликовано 30 Мая, 2009 в 14:02 Жалоба Поделиться Опубликовано 30 Мая, 2009 в 14:02 А мой опыт совершенно противоположен.Хотя любое сравнение не совсем корректно,очень многое зависит от комнаты,источника,АС и комплектующих.Специально отмакетил в свое время 6ф3(5)п и сравнил звучание.При всем уважении к этой лампе,6П9 победила!Такая микродинамика,отыгрывание тоньчайших нюансов,оказалось не под силу 6ф3(5)п.Сцена глубже,бас рельефнее,не смотря на линейность,триодность 6ф3(5)П А 6Ф3/5П выходной каскад не пробовали ставить в пентодном включении? Сравнивать 2 пентода так уж оба в однаковых условиях Ссылка на комментарий Поделиться на другие сайты Поделиться
Гость mosfet Опубликовано 30 Мая, 2009 в 20:54 Жалоба Поделиться Опубликовано 30 Мая, 2009 в 20:54 Можно применить неизвестные трансы из радиол Урал-112? Знаю только что трансы на 2Вт, нагрузка 8 Ом, однотактные и под ультралинейное включение 6П14П. P.S. пока собираю идеи на случай если не понравится или не подойдёт к трансам 6Ф3П или 6П6С в триоде + 6Н8С (3 Вт, моя идея). Ещё месяц если что. Ссылка на комментарий Поделиться на другие сайты Поделиться
TANk Опубликовано 31 Мая, 2009 в 03:31 Жалоба Поделиться Опубликовано 31 Мая, 2009 в 03:31 В Урале 112 стоят трансформаторы по своим параметрам абсалютно аналогичные ТВЗ-1-9 Разница только в наличии отвода первичной обмотки на ЭС выходной лампы. На мой взгляд УЛ включение дает более динамичное звучание чем просто триод или пентод. Несколько раз экспирементировал с однотактными усилителями и в результате они оказывались включенными по УЛ схеме. Ссылка на комментарий Поделиться на другие сайты Поделиться
Гость mosfet Опубликовано 31 Мая, 2009 в 07:51 Жалоба Поделиться Опубликовано 31 Мая, 2009 в 07:51 Спасибо, буду знать . Я думал, что трансформаторы из упомянутой радиолы ближе к ТВ3-Ш. Теперь схем для перебора станет три. Дело за временем. Ссылка на комментарий Поделиться на другие сайты Поделиться
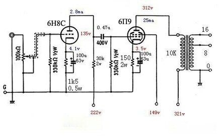
Гость avgur Опубликовано 31 Мая, 2009 в 11:21 Жалоба Поделиться Опубликовано 31 Мая, 2009 в 11:21 А 6Ф3/5П выходной каскад не пробовали ставить в пентодном включении? Сравнивать 2 пентода так уж оба в однаковых условиях Переводил и в пентод,все равно звучание 6п9 мне нравилось больше.По началу 6Ф3/5П играет очень здорово,но со временем начинал понимать,что 6п9 нравится больше.Видимо все очень индивидуально.И тоже согласен с тезисом-6Ф3/5П нужно правильно "приготовить",вложить много средств и времени.В данном случае 6П9 не такая требовательная. И в продолжении темы 6П9: Ссылка на комментарий Поделиться на другие сайты Поделиться
Гость лантюг Опубликовано 31 Мая, 2009 в 11:38 Жалоба Поделиться Опубликовано 31 Мая, 2009 в 11:38 Переводил и в пентод,все равно звучание 6п9 мне нравилась больше.По началу 6Ф3/5П играет очень здорово,но со временем начинал понимать,что 6п9 нравится больше дауш...вот пример простой. Делаю двухполоску товарищу. На верх рупора(динамик Trio/Japan/ 16 ом) Сначало был усил на 6Ф3П, ПЕНТОД...играет нормально. Потом переделал , теперь 6П9, силовик ТАН 104(В дальнейшем будут от Урала 112, стоят на пропитке, электронный дроссель, 40мкм полипропилен, В СЕТКЕ стабилитрон(150вольт), анод-катод 300вольт Мечта, пестня одним словом(только для СЧ и ВЧ). А самое главное-минимум деталей. Ссылка на комментарий Поделиться на другие сайты Поделиться
Гость grays Опубликовано 17 Июля, 2009 в 08:46 Жалоба Поделиться Опубликовано 17 Июля, 2009 в 08:46 Палыч, тут дискусс ведётся относительно ОДНОЛАМПОВОГО однокаскадного усилителя, в т.ч. работы 6П9 с задохликом типа твз :smile: мои претензии к пентодам с хилыми трансами - отсутствие нормальных НЧ. Полосовое усиление это другой оксюморон :smile: Ссылка на комментарий Поделиться на другие сайты Поделиться
Гость avgur Опубликовано 17 Июля, 2009 в 09:19 Жалоба Поделиться Опубликовано 17 Июля, 2009 в 09:19 Так ведь вся СУТЬ и заключается в том что ПЕНТОД+ХОРОШИЙ ТР-Р+АС=НИРВАНА. И никто не говорит что 6П9 с ТВЗ полный HI-END!А многих Новичков Ваши посты могут сразу оттолкнуть от данной лампы и Очень Простой ,Хорошо звучащей схемы,даже с ТВЗ.А то что пентод с хилым транс-ром не даст полного представления о ЕГО красоте,тоже никто не спорит.Даже странно как-то Ваше сообщение.Ведь тема посвящена 6П9.И как МАКСИМАЛЬНО раскрыть потенциал этой Великолепной Лампы,какой лучше выходник для неё намотать и тут... Создайте новую тему с Той лампой которая по Вашему Мнению Звучит Лучше Всех и там будем спорить. :smile: P.S.Диалог начинает походить на почти Все диалоги на АП.Например человек спрашивает как мне лучше оформить 4А32.Собираются аудиофильствующие"гуру"и начинают спорить о ЧЕМ-ТО СВОЕМ?!Да страниц на 20-ть,а когда человек робко переспрашивает странице на 25-й -ему так ,с плеча-"ДА ВЫКИНЬ ТЫ ЭТИ СОВКОВЫЕ ПУКАЛКИ И КУПИ НОРМАЛЬНЫЕ КЛАНГИ 50-Х ГОДОВ ТЫЩ ЗА 10-15$ И БУДЕТ ТЕБЕ СЧАСТЬЕ"..... Без обид. :smile: Ссылка на комментарий Поделиться на другие сайты Поделиться
Гость grays Опубликовано 17 Июля, 2009 в 09:46 Жалоба Поделиться Опубликовано 17 Июля, 2009 в 09:46 Подобрались к сути наконец-то. Может выложите данные намотки нормального транса для 6п9, ну к примеру на ОСМ 0,16 ? И ещё, где, в каком посте я говорил что 6П9 ПЛОХА ? Не надо читать между строк. Ссылка на комментарий Поделиться на другие сайты Поделиться
Рекомендуемые сообщения
Для публикации сообщений создайте учётную запись или авторизуйтесь
Вы должны быть пользователем, чтобы оставить комментарий
Создать учетную запись
Зарегистрируйте новую учётную запись в нашем сообществе. Это очень просто!
Регистрация нового пользователяВойти
Уже есть аккаунт? Войти в систему.
Войти