Гость alchedat Опубликовано 25 Ноября, 2009 в 14:30 Жалоба Поделиться Опубликовано 25 Ноября, 2009 в 14:30 (изменено) Понятно. А были ведь ламповые приёмники автомобильные и работали. Какая у них была начинка или там стояли низковольные. Изменено 25 Ноября, 2009 в 14:30 пользователем alchedat Ссылка на комментарий Поделиться на другие сайты Поделиться
Гость alexd Опубликовано 26 Ноября, 2009 в 02:48 Жалоба Поделиться Опубликовано 26 Ноября, 2009 в 02:48 Запел, но по-моему чего-то я накосячил с выходным трансом, мощность раз в 10 меньше положенной и низов нету совсем. Кстати, Алексей. Вы писали что в выпрямителе анодного достаточно конденсатора на 10μF. А в самом усилке стоит на 220...220кмф+400в это ведь неслабое КЗ сразу при включении. От такого силовые транзюки не повылетают? Фазировка обмоток верная? Я если не уверен, концы анодные у трнаса тыкаю в 220 через лампочку. Если лампочка не горит и на вторичке есть напряжение, значит фазировка верна. 10 μF мы ставим до электронного дросселя. А после него у меня до 2000 μF доходит. Жалеть емкости для себя неправильно! :smile: Понятно. А были ведь ламповые приёмники автомобильные и работали. Какая у них была начинка или там стояли низковольные. Даже парочку в ркуах держал. Правда там даже не HI-FI, если преобразователь анодного вибрационный. А так обычные пальчиковые лампы (малогабаритные, типа 6Н16Б, всю жизнь на войну работали и в гражданской технике не применялись) А 6С33С вообще для авиационных стабилизаторов разрабатывалась :smile: Ссылка на комментарий Поделиться на другие сайты Поделиться
Гость alchedat Опубликовано 26 Ноября, 2009 в 04:32 Жалоба Поделиться Опубликовано 26 Ноября, 2009 в 04:32 Фазировка обмоток верная?Я если не уверен, концы анодные у трнаса тыкаю в 220 через лампочку. Если лампочка не горит и на вторичке есть напряжение, значит фазировка верна. Почти уверен, что неверная. Щас попробую по другому Ссылка на комментарий Поделиться на другие сайты Поделиться
Гость alchedat Опубликовано 26 Ноября, 2009 в 05:30 Жалоба Поделиться Опубликовано 26 Ноября, 2009 в 05:30 Блииин. Не по теме, но эмоции зашкаливают. Соединил обмотки первички по-другому, нужно перекрёстно-последовательно (как это, я так и не смог найти, потому и запутался вчера) сделал просто "последовательно". Вот это голосище :smile:. В описании по намотке транса было написано, что он играет хороший бас - бас и правда офигенный + середина очень даже! И по громкости и по искажениям (отсутсвию искажений) на такой громкости обошёл ТДА2030 как стоячую. На слух до появления искажений ватт 15 не меньше. Но ГУшка должен сказать, по сравнению с теми же 6п14п - это печка. Фото испытательного стенда)) Фон разумеется есть, но при таком расположении деталей его неможет не быть. Теперь очередь за импульсником :smile: Ссылка на комментарий Поделиться на другие сайты Поделиться
Гость alchedat Опубликовано 26 Ноября, 2009 в 07:46 Жалоба Поделиться Опубликовано 26 Ноября, 2009 в 07:46 Витя, поздравляю с первым результатом по этому усилку!Спокойно, не суетись, мы спустимся медлено, но все стадо будет нашим. Плату на ТОРе собрал, но еще не включал.Как и Ивана догнал мерзкий грипп.Витя , еще раз поздравляю, это мне в 10 минутах от крупных магазинов легко и просто.Молодец ВиктОр. Кушайте чеснок господ! Проверено на себе совсем недавно) Как я вам Владимир завидую - 10минут от магазинов. А у нас один магазин, где выбор скудный. Заказывал себе детали через инет-магазин в Москоу-Сити, и ждал 2 недели, поэтому позволить сжигать дефицитные детальки не могу себе позволить)) Ссылка на комментарий Поделиться на другие сайты Поделиться
Гость alexd Опубликовано 26 Ноября, 2009 в 08:17 Жалоба Поделиться Опубликовано 26 Ноября, 2009 в 08:17 Поздравляю, Витя!!! Как я понял, транс мотал на сердечнике от ТС180? А что за плата с радиатором? Ну в общем еще раз мои поздравления и ждем результата по импульснику. Володь, твое здоровье дороже всяких железок, так что выздоравливай, БП подождет! Ссылка на комментарий Поделиться на другие сайты Поделиться
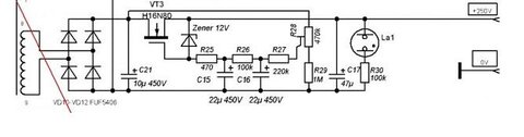
Гость alchedat Опубликовано 26 Ноября, 2009 в 08:35 Жалоба Поделиться Опубликовано 26 Ноября, 2009 в 08:35 Поздравляю, Витя!!!Как я понял, транс мотал на сердечнике от ТС180? А что за плата с радиатором? Ну в общем еще раз мои поздравления и ждем результата по импульснику. Володь, твое здоровье дороже всяких железок, так что выздоравливай, БП подождет! Поздравления принимаются) ТС180 не нашел, а вот ТС160 было 3штуки, на нём и мотал. Пока только для 1 канала. Плата с радиатором - это тот стабилизатор +225 на сетки, вообще по схеме для каждого канала отдельный (к слову там и анодное отдельное), но радиатор вообще не греется, так что думаю одного стаба на 2 лампы будет достаточно. Разброс в ± пару вольт на двух лампах погоды не сделает. Алескей, насчет электронного дросселя. Нашел в одной из ваших статей вот это Это он и есть, можно ставить? И что такое La1 ? Раньше не встречался с таким элементом (или обозначение другое). Ссылка на комментарий Поделиться на другие сайты Поделиться
Гость alexd Опубликовано 26 Ноября, 2009 в 10:07 Жалоба Поделиться Опубликовано 26 Ноября, 2009 в 10:07 Поздравления принимаются) ТС180 не нашел, а вот ТС160 было 3штуки, на нём и мотал. Пока только для 1 канала. Плата с радиатором - это тот стабилизатор +225 на сетки, вообще по схеме для каждого канала отдельный (к слову там и анодное отдельное), но радиатор вообще не греется, так что думаю одного стаба на 2 лампы будет достаточно. Разброс в ± пару вольт на двух лампах погоды не сделает. Алескей, насчет электронного дросселя. Нашел в одной из ваших статей вот это Это он и есть, можно ставить? И что такое La1 ? Раньше не встречался с таким элементом (или обозначение другое). Это неонка. Я их в свое время надергал из телевизионных СВП, и теперь пихаю куда не лень. Мне нравится, когда все информативно - светится, значит есть высокое. Не надо лезть за прибором. Спасибо, Леш, лучшее лекарство это канифольный дым!!! Запаяю усилок Худа (А- конечно), тут у нас один парень не может его запустить, а я по этой схеме собирал лет 10 назад. Тем более в лапы попали родные 2SA1943, очень интересно их послушать.Осталось выходники подцепить, послушаю, включу ТОР250, он уже собран, а включение решил растянуть для пущего кайфа.Вторичку намотал , слона можно убить.Если эта сволочь тоже будет уходить в даун, сделаю ступеньчатое подключение нагрузки, релюхи, транзюка,кондюка и пары резисторов не жалко, и лампам будет приятнее. Отлично, посмотрим что получится. Завалится в даун - буду 100% уверен в беспереспективности обратноходов для ламп :smile: Ссылка на комментарий Поделиться на другие сайты Поделиться
Гость alexd Опубликовано 26 Ноября, 2009 в 10:33 Жалоба Поделиться Опубликовано 26 Ноября, 2009 в 10:33 С неонкой это круто,штб никто не догадался. С усилком разобрался , можно глянуть здесь "10 Ватт вклассе А по мотивам J.L. Hood" Начнем-с с ТОРом. Хрен он у нас в даун уйдет!!! А я бы хотел полевики на выход... Можно даже гибрид :smile: Кстати, не забудь, что помимо накала ТОРу еще и анод тянуть! Пущай не расслабляется! :smile: Ссылка на комментарий Поделиться на другие сайты Поделиться
Гость alchedat Опубликовано 26 Ноября, 2009 в 13:54 Жалоба Поделиться Опубликовано 26 Ноября, 2009 в 13:54 Вить , у тебя гушки на панельках или припапяные? На панельках новых и даже сказали с посеребряными контактами)) Кое как нашел. Сперва хотел сам панельки делать, но после попытки установки лампы в такую самопальную панель, вследствие чего лампа сказала "пук" и лопнула, решил всё же купить. Вернусь к схеме эл.дросселя. Он как я понял с плавной подачей анодного? Полевик поставил IRFIBC40G (чем богат,тому и рад) напряжение поднимается примерно на 10в/сек. Кондеры вместо 20кмф- 10 и немного другие резисторы. Так плавно и должно быть или мой недочёт?... Ссылка на комментарий Поделиться на другие сайты Поделиться
Гость alchedat Опубликовано 27 Ноября, 2009 в 09:33 Жалоба Поделиться Опубликовано 27 Ноября, 2009 в 09:33 Занялся сегодня снова блоком. Народ, ответте пожалуйста. Для китайского кондера 10μF/450в 440вольть не многовато будет? почти на пределе. Советские бочки стерпели бы, а вот с новыми сомневаюсь... Ссылка на комментарий Поделиться на другие сайты Поделиться
Гость alchedat Опубликовано 27 Ноября, 2009 в 10:23 Жалоба Поделиться Опубликовано 27 Ноября, 2009 в 10:23 (изменено) Да, стоит сразу за мостом. 440 без нагрузки. сейчас допаяю смещение и попробую включит усилок. Должно понизиться по идее. посомтрим Изменено 27 Ноября, 2009 в 10:24 пользователем alchedat Ссылка на комментарий Поделиться на другие сайты Поделиться
Рекомендуемые сообщения
Для публикации сообщений создайте учётную запись или авторизуйтесь
Вы должны быть пользователем, чтобы оставить комментарий
Создать учетную запись
Зарегистрируйте новую учётную запись в нашем сообществе. Это очень просто!
Регистрация нового пользователяВойти
Уже есть аккаунт? Войти в систему.
Войти