Гость 21val33 Опубликовано 6 Апреля, 2010 в 15:59 Жалоба Поделиться Опубликовано 6 Апреля, 2010 в 15:59 хм, про мощность я несовсем понял, а за вторичку тем более. Вторичка у меня 20-25витков (подбирал по напряжению) На холостом ходу 70в с 12в и около 82в с 14.4в куда-же еще мотать? Сгорит оконечник Аккумулятор у Вас имеет не бесконечную емкость, отсюда, по моему мнению и просадки(внутреннее сопротивление источника пока еще не отменили). Для заявленной выходной мощности надо что то типа 6СТ140(12В, емкость 140 Ампер*часов). Он потянет таку мощу. Минут так 40...50... И то на один канал Ссылка на комментарий Поделиться на другие сайты Поделиться
Гость dogma Опубликовано 6 Апреля, 2010 в 17:48 Жалоба Поделиться Опубликовано 6 Апреля, 2010 в 17:48 (изменено) я вас понял, но может есть варианты стабилизации? Просто аккумулятор вроди как тянет, а напряжение падает после ПНа Изменено 6 Апреля, 2010 в 17:53 пользователем dogma Ссылка на комментарий Поделиться на другие сайты Поделиться
Гость kot555 Опубликовано 7 Апреля, 2010 в 05:06 Жалоба Поделиться Опубликовано 7 Апреля, 2010 в 05:06 хм, про мощность я несовсем понял, а за вторичку тем более. Вторичка у меня 20-25витков (подбирал по напряжению) На холостом ходу 70в с 12в и около 82в с 14.4в куда-же еще мотать? Сгорит оконечник Витки обычно мотают с запасом а за счет обратной связи стабилизируют чтоб было с чего компенсировать а мощность иметься в виду бп. Ссылка на комментарий Поделиться на другие сайты Поделиться
Гость dogma Опубликовано 7 Апреля, 2010 в 08:26 Жалоба Поделиться Опубликовано 7 Апреля, 2010 в 08:26 Ну у меня впринципи с запасом, домотать можно. можно ли таким способом сварганить стабилизацию? Ссылка на комментарий Поделиться на другие сайты Поделиться
Гость dogma Опубликовано 10 Апреля, 2010 в 20:47 Жалоба Поделиться Опубликовано 10 Апреля, 2010 в 20:47 люди, отзавитесь пожалуйста, а то проэкт встал!:smile: Ссылка на комментарий Поделиться на другие сайты Поделиться
Гость ruberoidd Опубликовано 10 Апреля, 2010 в 21:46 Жалоба Поделиться Опубликовано 10 Апреля, 2010 в 21:46 Почему-то многие, кто делал преобразователи на tl494, обратную связь делали вот так. Но брать напряжение для этой ОС надо с основных обмоток транса, которые питают сам усилитель, иначе не избежать перекосов напряжений. Хотя я переделывал комповый БП в двуполяр, брал обратную связь с положительного плеча, перекос все равно возникал при разной нагрузке в плечах, так и должно быть, ведь я стабилизировал только положительное плечо. Но при одинаковой нагрузке все ОК. Ссылка на комментарий Поделиться на другие сайты Поделиться
Гость dogma Опубликовано 11 Апреля, 2010 в 07:28 Жалоба Поделиться Опубликовано 11 Апреля, 2010 в 07:28 (изменено) получается, мне достаточно взять с одного плеча питание, понизить его до 5в резистором? Только непонятно, что вход от выхода не будут разделены (я за землю), общий провод надо будет кидать на минус питания? И еще вопрос, какой ток приблезительно должен быть на 1 лапе 20mA-100mA ? Изменено 11 Апреля, 2010 в 07:28 пользователем dogma Ссылка на комментарий Поделиться на другие сайты Поделиться
Гость ruberoidd Опубликовано 11 Апреля, 2010 в 07:53 Жалоба Поделиться Опубликовано 11 Апреля, 2010 в 07:53 А общая земля - это плохо? На счет тока на первой лапе ничего не скажу, могу сказать что советуют придерживаться на ней (первой лапе) напряжения 2-3 волта, если меньше двух-плохо, но и больше трех тоже плохо. Ссылка на комментарий Поделиться на другие сайты Поделиться
Гость dogma Опубликовано 11 Апреля, 2010 в 20:44 Жалоба Поделиться Опубликовано 11 Апреля, 2010 в 20:44 Спасибо за ответ, буду пробовать. Ссылка на комментарий Поделиться на другие сайты Поделиться
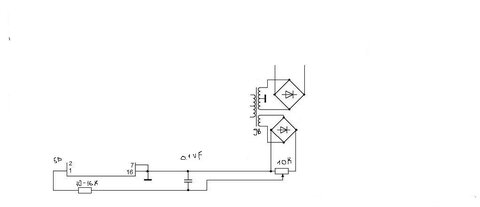
Гость dogma Опубликовано 18 Апреля, 2010 в 08:24 Жалоба Поделиться Опубликовано 18 Апреля, 2010 в 08:24 (изменено) предыдущую схему стабилизации в топку, сделал на оптопаре. схема очень принципиальна, номиналы надо по месту подгонять. Сегодня куплю полевики и буду испытывать, вчера последнюю пару спалил (вторички были замкнуты). Изменено 18 Апреля, 2010 в 08:31 пользователем dogma Ссылка на комментарий Поделиться на другие сайты Поделиться
Гость dogma Опубликовано 19 Мая, 2010 в 15:44 Жалоба Поделиться Опубликовано 19 Мая, 2010 в 15:44 И снова привет Датогорцам. Возобновил сборку уся и обломался. Дело в том, что сильно греются выходники при закрученом до упора токе покоя, переменник стоит на 10к. Тоесть поначалу 0.000в потом потихоньку поднимается выше, до скольки незамерял, так как транзисторы сильно разогреваются и стремно дальше ждать. Раньше я такого не замечал потому как было активное охлаждение с куллером, а сейчас поставил всю плату на здоровый радиатор и ощутил нагрев. Когда запитывал от ПНа то увидел картину как на холостом ходу с 2.3А (12в) ток поднимался выше 20А (12в), 240вт на холостом ходу, некисло :smile: на выходе постоянка 0.021в и тихонько поднимается до 0.024в что это? Где косяк? Завтра попробую выудить у брата осцилограф и померить что на выходе. Ссылка на комментарий Поделиться на другие сайты Поделиться
Гость kgb_spy Опубликовано 19 Мая, 2010 в 17:49 Жалоба Поделиться Опубликовано 19 Мая, 2010 в 17:49 И снова привет Датогорцам.Возобновил сборку уся и обломался. Дело в том, что сильно греются выходники при закрученом до упора токе покоя, переменник стоит на 10к. Тоесть поначалу 0.000в потом потихоньку поднимается выше, до скольки незамерял, так как транзисторы сильно разогреваются и стремно дальше ждать. Раньше я такого не замечал потому как было активное охлаждение с куллером, а сейчас поставил всю плату на здоровый радиатор и ощутил нагрев. Когда запитывал от ПНа то увидел картину как на холостом ходу с 2.3А (12в) ток поднимался выше 20А (12в), 240вт на холостом ходу, некисло :smile: на выходе постоянка 0.021в и тихонько поднимается до 0.024в что это? Где косяк? Завтра попробую выудить у брата осцилограф и померить что на выходе. предложу для начала выкинуть импульсник и попробовать запитать усилок от ±70В от сетевого БП измерить ток покоя + прогнать на всех режимах а вообще саморазогрев усилка похоже на возбуд, при отсутствии осциллографа можно через кондёр 1 μF померить переменку на выходе мультиметром при замкнутом на массу входе усилка), после отладки можно подключить ИИП и смотреть дальше... Ссылка на комментарий Поделиться на другие сайты Поделиться
Рекомендуемые сообщения
Для публикации сообщений создайте учётную запись или авторизуйтесь
Вы должны быть пользователем, чтобы оставить комментарий
Создать учетную запись
Зарегистрируйте новую учётную запись в нашем сообществе. Это очень просто!
Регистрация нового пользователяВойти
Уже есть аккаунт? Войти в систему.
Войти