Гость alchedat Опубликовано 28 Июля, 2009 в 15:43 Жалоба Поделиться Опубликовано 28 Июля, 2009 в 15:43 Доброго всем времени суток! Есть большое желание собрать двухтактник на ГУ-29, но мало опыта. Почти все детали уже достал, осталось только приложить руки и голову, но, если руки растут откуда надо, а вот в голове мало полезной информации )) По отзывам лампа вроде неплохая и звук выдаёт приличный, но в интернете нашел только две схемы двухтактников от TANKa на ГИ-30 (вроде почти аналоги с ГУ-29) Так вот, какую схему посоветуете или может что ещё ? Это был вопрос № раз. Вопрос номер 2 – Что лучше ставить в предусилитель? У меня имеются 6н1п, 6н2п, 6н3п, 6ж52п. И третий самый главный и больной вопрос – Как мотать выходной транс?! Есть ТС-160 и ТСШ-170 какое железо лучше подойдёт? Какой ∅ провода, сколько секций, сколько слоёв и т.д. и т.п…в общем одни вопросы, голова кругом. Очень надеюсь на вашу мопощь. Может быть эта тема будет как наглядное пособие и руководство по сборке двухтакта на этой лампочке и для меня и для других. Ссылка на комментарий Поделиться на другие сайты Поделиться
TANk Опубликовано 28 Июля, 2009 в 17:19 Жалоба Поделиться Опубликовано 28 Июля, 2009 в 17:19 На первом рисунке схема однотактного усилителя. Работает уже очень давно. В качестве трансформатора питания используется ТС180 (можно и ТСШ170) на выходе стоят без перемотки ТС160. Им только скомутировал обмотки и сделал немагнитный зазор в сердечнике. https://datagor.ru/uploads/posts/2008-06/1213893761_file.jpeg Собран в компьютерном корпусе. Вторая схема - это двухтактный усилитель. Лампы ГИ-30 - это импульсный вариант ГУ-29. По всем электрическим параметрам касающимся непрерывных сигналов и постоянного тока они идеинтичны. Разница только в импульсных режимах работы. Так что ГУ-29 в эту схему можно ставить без переделки. Единственное дополнение. у этого усилителя не совсем обычная схема ФИ каскада с "подземным" питанием и с ОС. Для повторения можно рекомендовать схему более простую и на более распространенных лампах. За основу взята схема А Манакова "Двухтактный усилитель на 6П3С - EL-34" только на выход поставлена лампа ГУ-29 (ГИ-30, RCA-829). 6Н9С можно заменить на 6Н2П. Также 6Н2П это пратически полный аналог Е83СС (ЕСС83) Можно посмотреть схему "двухтактный усилитель на ГУ-32" https://datagor.ru/amplifiers/tubes/page,1,...l-na-gu-32.html ГУ-32 - это младшая сестра 29 отличается от нее только меньшей мощностью. В остальном, даже по цоколевке совпадает. В этот усилитель можно смело ставить ГУ29 - будет работать. Причем, скорее всего, даже лучше. Вот еще ссылка на двухтактный ламповый усилитель на ГУ-29 и ее клонах. Статья от Д. Андронникова. Настоятельно рекомендуется к прочтению. _https://www.lynxaudio.-мы не распространяем ссылки на [народ.ру]-/articles/Lynx_VTA39.pdf Для выходного трансформатора на двухтактный усилитель лучше взять ПЛ сердечник от ТС160. Каждую половину обмотки мотать на отдельной катушке. Будет лучше симметричность. Ссылка на комментарий Поделиться на другие сайты Поделиться
Гость alchedat Опубликовано 29 Июля, 2009 в 07:08 Жалоба Поделиться Опубликовано 29 Июля, 2009 в 07:08 Единственное дополнение. у этого усилителя не совсем обычная схема ФИ каскада с "подземным" питанием и с ОС. Для повторения можно рекомендовать схему более простую и на более распространенных лампах Ну а как Вы сами относитесь к этой схеме? Полученный результат стоил всех ухитрений, например в сравнении с ГУ-32? Если схема рабочая и провереная, то можно и посложнее. Было бы из чего делать )) Ваш рисунок это как я понял переделанный Манаковский "Двухтактный усилитель на 6П3С - EL-34" ? Ссылка на комментарий Поделиться на другие сайты Поделиться
TANk Опубликовано 29 Июля, 2009 в 10:22 Жалоба Поделиться Опубликовано 29 Июля, 2009 в 10:22 К этой схеме я отношусь сейчас несколько критически. У ламп типа ЕСС83 или 6Н2П маловато мощности чтобы как следует прокачать входные емкости и сеточные резисторы у ГУ-29, Из за этого есть завал на ВЧ, да и усиление такого драйвера получилось с избытком. Громкость больше чем на 10-11 часов и уже идет перегруз. ГУ-29 довольно чувствительная лампа. ей надо на раскачку всего примерно вольт 15-20 переменки. Все руки не доходят переделать драйвер на лампах 6Н23П например. Если схема рабочая и провереная, то можно и посложнее. Было бы из чего делать )) Lynx VTA39 _https://www.lynxaudio.-мы не распространяем ссылки на [народ.ру]-/articles/Lynx_VTA39.pdf Сама схема простая, если не смотреть на кучу дополнительных стабилизаторов по питанию, блок плавного старта для БП. Не сложнее чем у меня на ГУ-32. Лампа в предварительном каскаде используется 6Н23П (точнее ее буржуйский аналог). Ссылка на комментарий Поделиться на другие сайты Поделиться
Гость alchedat Опубликовано 29 Июля, 2009 в 15:03 Жалоба Поделиться Опубликовано 29 Июля, 2009 в 15:03 _https://www.lynxaudio.-мы не распространяем ссылки на [народ.ру]-/articles/Lynx_VTA39.pdfСама схема простая, если не смотреть на кучу дополнительных стабилизаторов по питанию, блок плавного старта для БП. Не сложнее чем у меня на ГУ-32. Лампа в предварительном каскаде используется 6Н23П (точнее ее буржуйский аналог). Посмотрел внимательно, в общем да, схема несложная. Осталось правильно вырезать лишние детали)) Вы в каком-то форуме писали, что ТС-180 мало в БП. Значит нужно ставить 270 или 160 всё же хватит? Ссылка на комментарий Поделиться на другие сайты Поделиться
TANk Опубликовано 29 Июля, 2009 в 18:19 Жалоба Поделиться Опубликовано 29 Июля, 2009 в 18:19 Наверное это говорилось про выходное напряжение. Для ГУ-29 все таки я бы сделал анодное побольше в районе вольт 350-400. А можно и больше. Лампа крепкая и свободно держит до 600-700 вольт анодного питания. ТС180 выдает на выходе примерно 300 вольт после выпрямителя на ХХ. Под нагрузкой будет меньше. По мощности он вполне подходит. Можно прикинуть. Примерно 140мА ток выходной лампы (2 половинки по 70мА при напряжении 300в) предварительный каскад 20мА (если лампы типа 6Н23П, 6Н1П и т.п. и 5-6мА если 6Н2П, 6Н9С) Накал 2А оконечная лампа и 0.5А предварительная. Получаем мощность потребления одного канала примерно 70Вт. 20 накал и 50 анодное. Добавим к этим 70 потребляемым в статическом режиме еще 20 которые пойдут на выход и будет 90Вт на канал. ТС180 вполне должен справится с питанием этого усилителя. Прикид по мощности очень приблизительный и с запасом сделан. Ссылка на комментарий Поделиться на другие сайты Поделиться
Гость alchedat Опубликовано 30 Июля, 2009 в 14:36 Жалоба Поделиться Опубликовано 30 Июля, 2009 в 14:36 Это был усилитель Lynx VTA39. Стыдно за это творчество, но что бы ещё убрать и не испортить? У самого ума нехватает :smile: Ссылка на комментарий Поделиться на другие сайты Поделиться
TANk Опубликовано 30 Июля, 2009 в 18:52 Жалоба Поделиться Опубликовано 30 Июля, 2009 в 18:52 Вот так примерно. Если следовать принципу "без чего нельзя обойтись". Трансформатор примерно такой. Первичка 3800 вторичка 144 (для 8 ом с отводом 100 на 4 Ома) железо от ТС160. Трансформатору можно сделать между подковами маленький маленький немагнитный зазор - один слой конденсаторной бумаги или пленки от пленочного конденсатора. Тогда лампы можно будет не отбирать по строгой одинаковости половинок и смещение сделать автоматическим. Тогда схема станет еще проще. Рисунок 2. P.S. Позволю себе небольшой офтопик. Возьмите самый простой и дешевый китайский компьютерный блок питания и загляните внутрь. Увидите там кучу свободного места и невпаянных деталей. Почему так получается? Один хороший китайский инженер разработал схему блока питания, сделал печатную плату. По его рекомендациям собрали опытную партию БП и провели испытания. Получился хороший БП с мощностью 350Вт. Документацию передают на завод дядюшки Ляо и схема с печатной платой попадает к другому хорошему китайскому инженеру, основная задача которого выкинуть из схемы как можно больше деталей и заменить хорошие детали на более дешевые, но так, чтобы БП продолжал хоть как то работать. Вот я сейчас и сыграл роль того самого второго китайского инженера. То что я нарисовал работать будет, но вполне вероятно, не так хорошо как оригинал. Хотя, разница может быть и не настолько существенной. Можно для начала сдеалть мою самую простую схему, но в корпусе усилителя предусмотреть место, для того чтобы можно было добавить недостающие блоки и со временем довести ее до уровня оригинала. Ссылка на комментарий Поделиться на другие сайты Поделиться
Гость alchedat Опубликовано 5 Августа, 2009 в 06:00 Жалоба Поделиться Опубликовано 5 Августа, 2009 в 06:00 а в этой схеме (Lynx) предусилитель нужен, как ,например, тут ? или так хватает усиления (подключение к компу) Ссылка на комментарий Поделиться на другие сайты Поделиться
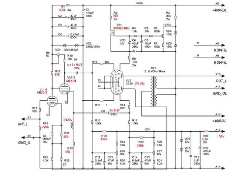
Гость alchedat Опубликовано 13 Декабря, 2009 в 13:54 Жалоба Поделиться Опубликовано 13 Декабря, 2009 в 13:54 И снова здрасте! А тем временем работа по постройке усилителя медленно, но верно двигалась вперёд. В итоге всё же остановился на схеме Lynx VTA39. Звук порадовал, от фона избавился, но появилась новая беда, которой в ламповой технике в принципе быть не должно - это белый шум...или что-то очень похожее на него. Менял лампу в предусилителе на 6н1п, 6н2п. со второй немного тише, но всё равно шумит. Причём шумит как с открытым входом, так и с закрытым, (правда тише). Это точно питатие т.к. выдёргиваю шнур из розетки и пока лампы горячие (секунд 10) шум есть. Без входной лампы гробовая тишина. И обратите внимание: в оригинале на катоде +92в, у меня же порядка +120. Выкладываю две схемы:оригинал (цветная) и моя с некоторыми деталями другого номинала, которые выделены красным цветом. От чего может быть этот шум с потрескиванием, как будто на входе стоит старый, хриплый переменник, которого там нет? Ссылка на комментарий Поделиться на другие сайты Поделиться
Гость alchedat Опубликовано 13 Декабря, 2009 в 15:46 Жалоба Поделиться Опубликовано 13 Декабря, 2009 в 15:46 Это точно питатие т.к. выдёргиваю шнур из розетки и пока лампы горячие (секунд 10) шум есть. Допустил грубую ошибку и двух букв. Это точно НЕпитание)) Ссылка на комментарий Поделиться на другие сайты Поделиться
TANk Опубликовано 13 Декабря, 2009 в 19:11 Жалоба Поделиться Опубликовано 13 Декабря, 2009 в 19:11 Резисторы в катоде первой лампы r21 r29 определяют величину отрицателього смещения на сетке лампы относительно ее катода. Чем больше их номинал, тем выше смещение, тем сильнее лампа закрыта. Соответственно больше будет напряжение на ее аноде. Анодное напряжение первой половины определяет и напряжение на сетке и катоде второй половины лампы. 6Н23П и буржуйская мириканская 6922 могут быть не совсем точными аналогами. Разброс параметров может быть и среди ламп одной партии, а если они сделаны по разную сторону океана, то это в порядке вещей. Поэтому надо параллельно резистору R21 включить цепочку из постоянного резистора на 1 кОм и подстроечного на 6-10 кОм. Это позволит менять его номинал от 390 до 460 примерно ом. Подстраиваете необходимое напряжение на катоде второй половины и потом ставите постоянный резистор наиболее близкого номинала к том что вы накрутили. R8 тоже при этом не забываем. В идеале на второй половине должно получиться примерно так. На катоде 92в, на сетке примерно 90вольт. Разность напряжения между катодом и сеткой второй половины 2 вольта. Что касается белого шума - это скорее всего самовозбуждение каскада. Поскольку шум пропадает при отключении первой лампы, то рождается он где то на ней. Лучше бы осциллографом посмотреть где именно. Пути устранения. Первым делом все таки подстроить режимы ламп по постоянному току, так как рекомендовано в схеме Дмитрия. Возможно после это шум пропадет. Если же не пропадет, то тогда номинал резистора R15 увеличить до 1 кОм, между сеткой второй половины и анодом первой вместо перемычки тоже поставить резистор на 1 кОм. Попробуйте, должно получиться. Ссылка на комментарий Поделиться на другие сайты Поделиться
Рекомендуемые сообщения
Для публикации сообщений создайте учётную запись или авторизуйтесь
Вы должны быть пользователем, чтобы оставить комментарий
Создать учетную запись
Зарегистрируйте новую учётную запись в нашем сообществе. Это очень просто!
Регистрация нового пользователяВойти
Уже есть аккаунт? Войти в систему.
Войти