Гость bumbox Опубликовано 31 Августа, 2009 в 12:58 Жалоба Поделиться Опубликовано 31 Августа, 2009 в 12:58 Ну, не знаю, я брал акустику чуть более года назад, а те пищалки что массово дохнут - их цвет на Вашей фотографии нормально ли передался?У меня они явно другого цвета. Цвет, в реальности, как на вашей фотографии, это я фотограф такой :smile: Ссылка на комментарий Поделиться на другие сайты Поделиться
Гость froid Опубликовано 31 Августа, 2009 в 13:23 Жалоба Поделиться Опубликовано 31 Августа, 2009 в 13:23 Значит, остается надеяться на Бога и заземленную вторичку выходного трансформатора... :smile: Ссылка на комментарий Поделиться на другие сайты Поделиться
Yamazaki Опубликовано 2 Сентября, 2009 в 19:58 Жалоба Поделиться Опубликовано 2 Сентября, 2009 в 19:58 И вот такая вот еще схема. Автор Loki, как я уже говорил.Если есть под руками выходной трансформатор для двухтактного усилителя (ТВЗ-1-6 или аналогичный), то можно поставить его, вместо двух ТВЗ. По рекомендациям Комарова вобще можно использовать ТН4х Читал на форуме Audioportal следующий комментарий Loki: Два ТВЗ хуже тем, что их два, и тем что ток подмагничивания уменьшает индуктивность. А лучше тем, что железо в ТВЗ работает по частной петле перемагничивания (так же как в SE усилителе), в результате не искажаются самые слабые сигналы (т.е. не страдает разрешение звука). Ссылка на комментарий Поделиться на другие сайты Поделиться
OlegR Опубликовано 4 Сентября, 2009 в 14:04 Жалоба Поделиться Опубликовано 4 Сентября, 2009 в 14:04 200 тысяч, т.е. 0,02 μF Извините, может, неверно перевожу ? 200 000 пФ = 200 нФ = 0,2 мкФ Ссылка на комментарий Поделиться на другие сайты Поделиться
Гость mosfet Опубликовано 4 Сентября, 2009 в 14:54 Жалоба Поделиться Опубликовано 4 Сентября, 2009 в 14:54 Теперь всё правильно. Ссылка на комментарий Поделиться на другие сайты Поделиться
Гость lesha Опубликовано 14 Сентября, 2009 в 11:51 Жалоба Поделиться Опубликовано 14 Сентября, 2009 в 11:51 (изменено) ямаха играет хорошо хорошо на этом усилителе ... лучше чем свен... Ну насчет сильно греться - этого бояться не надо. Они рассчитаны на ток в 400мА это и к усилителю на 6С33С можно применить не опасаясь за перегрев. А вот то, что индуктивность маловата - это да. Можно сделать фильтр двухступенчатый С-L-C-L-C - включив пару дросселей последовательно. пробовал и помогло ...после первого дросселя еще оставался шум а после второго уже не было ...тестировал одну такую цепочку сразу на два канала ... так что и такие дросселя для начала згодятся :smile: и такой вопрос: без нагрузки питание идет 300в а при подключении уже 270в. Стоит ли подгонять напряжение под нагрузкой до 300в? Изменено 14 Сентября, 2009 в 12:02 пользователем lesha Ссылка на комментарий Поделиться на другие сайты Поделиться
Гость aerialj Опубликовано 27 Сентября, 2009 в 16:16 Жалоба Поделиться Опубликовано 27 Сентября, 2009 в 16:16 lesha Можно найти причину просадки напряжения аж на 30В и устранить её, можно оставить так, но пересчитать усилитель под это напряжение, а можно оставить так и наслаждаться тем, что получилось :smile: Ссылка на комментарий Поделиться на другие сайты Поделиться
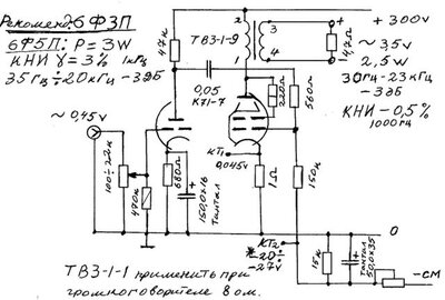
Гость aerialj Опубликовано 16 Ноября, 2009 в 16:42 Жалоба Поделиться Опубликовано 16 Ноября, 2009 в 16:42 Собрал я усилитель Манакова SE с фиксированным смещением на 6Н2П+6П14П с выходным трансом ТВЗ-1-9, напряжение питания Ua0=250B. Чё-то не понравился мне уровень измеренной выходной мощности и решил я пересчитать выходной каскад (расчёт проводился по книге Войшвилло "Усилители низкой частоты на электронных лампах"1959_стр.444), а вот что вышло: Исходя из параметров ТВЗ-1-9 (r1=200, r2=0.4, w1=2150, w2=58), сопротивление нагрузки на аноде(Ra) лампы 6П14П(VL2) для нагрузки(R2) в 4Ом будет ra=r1+r2sh+R2sh=200+549+5496=6.25кОм, где r1 - сопр. первичной обмотки,r2sh и R2sh - пересчитанные сопр-ия пересчитанные к первичной обмотке. Из данных лампы VL2, Ri=2.2kОм (считал геометрически по динамической хар-стике при Uc0=0В в триодной схеме включения VL2). При таком раскладе, амплитудное напряжение на первчичной обмотке транса выходит Uma=117B, тогда амплитуда анодного тока Ima=Uma/ra=117/6250=0.019A. А в этом случае колебательная мощность Pk=(Uam*Ima)/2=1.1Вт, :smile: а мощность потребления при рабочей точке 45мА: Ppotr=Ua0*Isr=250*0.045=11.25Вт. КПД: nu=Pk/Ppotr=0,09, то есть 9% :smile: Отсюда сразу несколько вопросов: - не ошибся ли я при подсчётах? - если не ошибся, тогда зачем рабочая точка в 45мА, если хар-стика линейна и можна найти при таком размахе точечку и по-ниже? - и опять, если не ошибся, и как после этого относится к надписи на схеме Манакова "2,5Вт", это при Ua0=300B, хотя по расчётам получается максимум 1,7Вт?!! :smile: Ссылка на комментарий Поделиться на другие сайты Поделиться
dymka Опубликовано 22 Ноября, 2009 в 22:12 Жалоба Поделиться Опубликовано 22 Ноября, 2009 в 22:12 (изменено) а кто делал выпрямитель с фиксированным смещение на ТАН 28 ? поделитесь схемкой пожалуйста Изменено 22 Ноября, 2009 в 22:12 пользователем dymka Ссылка на комментарий Поделиться на другие сайты Поделиться
Гость havoc Опубликовано 23 Ноября, 2009 в 16:59 Жалоба Поделиться Опубликовано 23 Ноября, 2009 в 16:59 Извините, что немного не по теме? Но все же хочу задать вопрос по межкаскадным конденсаторам. Что все же лучше полистрирольные китайские зеленые или наши СГМ ? Я использовал СГМ емкостью 0.1мкФ на 400В в межкаскадных. Полистрирольные для "бутерброда" в катодах (низкоимпедансный электролит 470мкФ х 50В + катодный резистор серии ВС + полистирольный 10нФ х 630В...). _https://g.io.ua/img_aa/large/1273/17/12731776.jpg Ссылка на комментарий Поделиться на другие сайты Поделиться
TANk Опубликовано 23 Ноября, 2009 в 18:45 Жалоба Поделиться Опубликовано 23 Ноября, 2009 в 18:45 А точно у вас СГМ? На фотографии я увидел БМТ - БумагоМаслянные Трубчатые. СГМ похожи по конструкции, но трубочку имеют овального сечения, намного меньше по размерам и емкости выше 0.01 мкФ не попадались. Ссылка на комментарий Поделиться на другие сайты Поделиться
Гость havoc Опубликовано 23 Ноября, 2009 в 19:57 Жалоба Поделиться Опубликовано 23 Ноября, 2009 в 19:57 (изменено) А точно у вас СГМ? На фотографии я увидел БМТ - БумагоМаслянные Трубчатые. СГМ похожи по конструкции, но трубочку имеют овального сечения, намного меньше по размерам и емкости выше 0.01 мкФ не попадались. Да-да. Прошу меня извинить. Попутал марки. СГМ действительно в похожем корпусе но мелкие. Я применил в схеме конденсаторы КБГ-И (Конденсатор бумажный герметичный в корпусе из изоляционного материала). Вот сейчас в один каскад поставил зеленый пленочный того же номинала - чисто субъективно уменьшилось высоких... А что из нашего советского (дженсены и иже с ним не прелагать) лучше все же применять? А то сколько схем (читай - владельцев) столько мнений! Изменено 23 Ноября, 2009 в 20:06 пользователем havoc Ссылка на комментарий Поделиться на другие сайты Поделиться
Рекомендуемые сообщения
Для публикации сообщений создайте учётную запись или авторизуйтесь
Вы должны быть пользователем, чтобы оставить комментарий
Создать учетную запись
Зарегистрируйте новую учётную запись в нашем сообществе. Это очень просто!
Регистрация нового пользователяВойти
Уже есть аккаунт? Войти в систему.
Войти