Гость Максим_В Опубликовано 26 Сентября, 2016 в 19:15 Жалоба Поделиться Опубликовано 26 Сентября, 2016 в 19:15 Не, Кг 0,002 не может быть.Это не корректное моделирование . Это ниже уровня Кг усилителя П.Зуева . Ссылка на комментарий Поделиться на другие сайты Поделиться
Гость vol2008 Опубликовано 26 Сентября, 2016 в 19:38 Жалоба Поделиться Опубликовано 26 Сентября, 2016 в 19:38 (изменено) Вполне возможно, но это на выходной мощности 2.5 Вт и для частоты 1 кГц Для выходной мощности 50 Вт сим. показал 0.006% для 1 кГц Изменено 26 Сентября, 2016 в 19:39 пользователем vol2008 Ссылка на комментарий Поделиться на другие сайты Поделиться
real64 Опубликовано 26 Сентября, 2016 в 19:59 Жалоба Поделиться Опубликовано 26 Сентября, 2016 в 19:59 В 14 мультисиме получается примерно так же. Надо будет попробовать аналоги выбранных транзисторов. Возможно попалась кривая модель, из-за которой получается так радужно. Но как хочется что бы так было и в железе :smile: Ссылка на комментарий Поделиться на другие сайты Поделиться
Гость Максим_В Опубликовано 26 Сентября, 2016 в 20:04 Жалоба Поделиться Опубликовано 26 Сентября, 2016 в 20:04 (изменено) Это врядли. Могу подарить вот такую схему .Крутите вертите.Это УН из ВРЛ 80 годов . пытайте кто хочет .Усилитель весьма скоростной ,очень скоростной . Первый полюс АФЧХ на 20кгц Изменено 26 Сентября, 2016 в 20:20 пользователем Максим_В Ссылка на комментарий Поделиться на другие сайты Поделиться
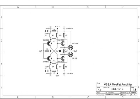
Гость vol2008 Опубликовано 27 Сентября, 2016 в 07:24 Жалоба Поделиться Опубликовано 27 Сентября, 2016 в 07:24 (изменено) Это усилитель с токовой обратной связью, с 2-мя каскадами усиления, вариаций коих в инете до х..., начиная от усилителя В. Короля из радио 89 до монстров типа Линкса. Что-то похожее собирал с биполярами на выходе несколько штук в железе. Звучат хорошо. Чип LT1210, любимый многими, по той же топологии построен. Вот тут _https://www.diyaudio.com/forums/vendors-bazaar/225747-vssa-lateral-mosfet-amplifier.html по подобной схемке народ накатал более 300 страниц. :) Изменено 27 Сентября, 2016 в 07:37 пользователем vol2008 Ссылка на комментарий Поделиться на другие сайты Поделиться
Гость Максим_В Опубликовано 27 Сентября, 2016 в 08:42 Жалоба Поделиться Опубликовано 27 Сентября, 2016 в 08:42 Оно и есть . Так себе усилитель. родом из начала семидесятых , были даже проаппараты импортные .Я тоже не избежал его мании .Но еще до появления VSSA . Правда не стал его прорабатывать до моноблоков. Все хотел да так и остыл. На спор слепил его на нащих деталях . Недостаток ноль может может гулять,потому и поставлен интегратор.Скорость нарастания шикарна Ссылка на комментарий Поделиться на другие сайты Поделиться
al ex Опубликовано 27 Сентября, 2016 в 15:06 Жалоба Поделиться Опубликовано 27 Сентября, 2016 в 15:06 Это усилитель с токовой обратной связью, с 2-мя каскадами усиления, вариаций коих в инете до х..., начиная от усилителя В. Короля из радио 89 до монстров типа Линкса. Что-то похожее собирал с биполярами на выходе несколько штук в железе. Звучат хорошо. Это похоже на усилитель Агеева, только без Мосфетов на выходе. Ссылка на комментарий Поделиться на другие сайты Поделиться
Гость Максим_В Опубликовано 27 Сентября, 2016 в 15:09 Жалоба Поделиться Опубликовано 27 Сентября, 2016 в 15:09 Ни капли не похоже и рядом не стоит. Это иная опера . Ссылка на комментарий Поделиться на другие сайты Поделиться
real64 Опубликовано 27 Сентября, 2016 в 17:59 Жалоба Поделиться Опубликовано 27 Сентября, 2016 в 17:59 Прикинул в мультисиме схему предложенную Владимиром в 74 посте применительно к своим потребностям (будет подключаться к выходу EMU 0204, нагрузкой 4 Омные лабиринты Рогжина ) Соответственно увеличил входное сопротивление и уменьшил коэф. усиления, напряжение питания и выходную мощность. Что я делаю не так ? :smile: Ссылка на комментарий Поделиться на другие сайты Поделиться
Гость Максим_В Опубликовано 27 Сентября, 2016 в 18:19 Жалоба Поделиться Опубликовано 27 Сентября, 2016 в 18:19 Да вроде все правильно ,только С1 ,С2 ёмкости в симуляторе увеличьте на порядок . Симулятор точнее покажет искомое значение. Ну не верю я в эти цифры . Кг не может быть таким.0,1% на 20 кГц у шушуринского ,а он иного уровня усилитель. Ссылка на комментарий Поделиться на другие сайты Поделиться
real64 Опубликовано 27 Сентября, 2016 в 19:05 Жалоба Поделиться Опубликовано 27 Сентября, 2016 в 19:05 Емкости я уменьшил сознательно чтобы уйти от электролитов на входе. Согласен - параметры в симулятореи и в железе один в один не получатся. Но вероятность что будут близки довольно высока. Ссылка на комментарий Поделиться на другие сайты Поделиться
Гость Максим_В Опубликовано 27 Сентября, 2016 в 19:52 Жалоба Поделиться Опубликовано 27 Сентября, 2016 в 19:52 Робя ,вы серьёзно? . Тогда уж давайте полный анализ. АФЧХ с общей оос и с разорванной !Меандр на выходе и в точке суммирования оос! Анализ узлов по постоянному току с учётом не выхода из ОБР ! Я думаю 0,5% на 20 кГц предел возможного . Ссылка на комментарий Поделиться на другие сайты Поделиться
Рекомендуемые сообщения
Для публикации сообщений создайте учётную запись или авторизуйтесь
Вы должны быть пользователем, чтобы оставить комментарий
Создать учетную запись
Зарегистрируйте новую учётную запись в нашем сообществе. Это очень просто!
Регистрация нового пользователяВойти
Уже есть аккаунт? Войти в систему.
Войти