cbafrunze Опубликовано 7 Мая, 2014 в 11:17 Автор Жалоба Поделиться Опубликовано 7 Мая, 2014 в 11:17 Ну, ладно. Конечно, было бы неплохо проверить силовой на «вшивость», что бы потом, когда всё уже будет собрано, не кусать себя за локти…. Ну если Вы не хотите…. Дело Ваше. Выходной трансформатор. Мне нужны точные ВНУТРЕННИЕ размеры каркаса катушки, на которой Вы будете мотать свой выходничёк. Да, чуть не забыл. Может у Вас уже есть какой-то намоточный провод? В таком разе, назовите его «параметры». Силовой тр-р "масловый". Определимся с электролитами, подключим. Выходник, позднее разберу, напишу. Провод, надо смотреть, были: 0,41 0,35 - по лаку и еще что-то потоньше. Провод найдем. Ссылка на комментарий Поделиться на другие сайты Поделиться
Гость kdtp Опубликовано 7 Мая, 2014 в 14:59 Жалоба Поделиться Опубликовано 7 Мая, 2014 в 14:59 По поводу «масловости» трансформаторов. Так уж сложилось, что за последние, 5 – 6 лет я не сделал ни одной радиолюбительской конструкции, кроме как на трансформаторах ТАН, ТА, ТН и ТПП. Причём все эти трансформаторы были в заводской упаковке - сам трансформатор завёрнут в здоровенный кусок плотной промасленной бумаги и упакован в ДВЕ коробки из плотного картона! Ну, так вот, мне попались (абсолютно новые) два трансформатора (ТА и ТПП), которые были «не в кондиции». У трансформатора ТА был большой ток холостого хода, а у ТПП сильное несоответствие с паспортными данными по вторичной обмотке. Впрочем, делайте, как хотите…. Если я спросил про намоточный провод, то не ради праздного любопытства - поверьте. Если у Вас всё так хорошо и всё так просто с проводами, то я рад за Вас…, но это не тот ответ, на мой вопрос, который я ожидал. Ну а пробную схемку надо бы собрать…. И ответить на вопросы, которые я «накропал» на схемке. На этой схеме надо будет проверить ваши два дросселя и..., под разными нагрузками. Сейчас указанна мощность накальных ламп 25 Ватт. В следующем эксперименте их надо будет заменить лампами, мощностью в 40 Ватт. Ну и «снять» другие (новые) показания. Ссылка на комментарий Поделиться на другие сайты Поделиться
cbafrunze Опубликовано 7 Мая, 2014 в 19:37 Автор Жалоба Поделиться Опубликовано 7 Мая, 2014 в 19:37 (изменено) По поводу «масловости» трансформаторов...... .......Ну а пробную схемку надо бы собрать…. И ответить на вопросы, которые я «накропал» на схемке. На этой схеме надо будет проверить ваши два дросселя и..., под разными нагрузками. Сейчас указанна мощность накальных ламп 25 Ватт. В следующем эксперименте их надо будет заменить лампами, мощностью в 40 Ватт. Ну и «снять» другие (новые) показания. Виктор, Вы правы от брака никто не застрохован, иногда приходится проверять, почти все компоненты. Намотачный провод, у меня действительно: 0,41 0,35 по лаку 0,31 0,17 0,08. (ПЭВ1 или2?, могу замерить без лака) Схему я соберу, какие емкости будем ставить? Сейчас освобождаю каркас, под выходной тр-р. Изменено 22 Августа, 2016 в 20:17 пользователем cbafrunze Ссылка на комментарий Поделиться на другие сайты Поделиться
cbafrunze Опубликовано 8 Мая, 2014 в 08:39 Автор Жалоба Поделиться Опубликовано 8 Мая, 2014 в 08:39 (изменено) Выходной трансформатор. Мне нужны точные ВНУТРЕННИЕ размеры каркаса катушки, на которой Вы будете мотать свой выходничёк. Железо 0,35. Изменено 8 Мая, 2014 в 08:46 пользователем kvv54 Ссылка на комментарий Поделиться на другие сайты Поделиться
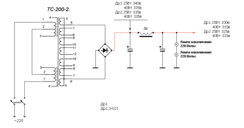
Гость kdtp Опубликовано 8 Мая, 2014 в 09:55 Жалоба Поделиться Опубликовано 8 Мая, 2014 в 09:55 (изменено) Размеры каркаса катушки – это хорошо…. Сегодня прикину – «что почём»…. Валерий, ну давай так, сначала соберём проверочную схему блока питания. Диодный мостик, ну, скажем 600 Вольт 1 Ампер. Электролитические конденсаторы 100 -150 мкФ на 400 – 450 Вольт. Сначала делаем нагрузку из двух последовательных ламп накаливания по 25 Ватт каждая. Ставим в схемку, дроссель (один из двух). Включаем и смотрим – не горит, не дымит, не греется…, и не шумит ли дроссель. Оставляем на 30 -40 минут (если всё в порядке) и снимаем показания вольтметром в тех местах, где я указал. Записываем результаты. Потом (с этим же дросселем), предварительно отключившись от сети, меняем нагрузку – лампы по 25 Ватт, заменяем лампами по 40 Ватт. Опять смотрим, нюхаем, щупаем – короче, проверяем. Делаем замеры, записываем результаты. Таким же «макаром» проделываем все манипуляции (подключения, проверки, замеры…) с другим дросселем. Ну и после такой тяжелой и нудной работы можете немного (5 – 10 минут) отдохнуть. После отдыха, результаты экспериментов – мне «на стол». :smile: А если серьёзно, то есть у меня некая задумка…, но об этом потом. Сначала надо провести эксперимент…. Добавлено после раздумий: Пока суть да дело, надо уточнить некоторые позиции по обмоточному проводу. Имеем: 0,41 по ??? 0,35 по лаку 0,31 по ??? Нужна конкретная информация по проводу 0,41 и 0,31 - это по лаку или по меди? Изменено 9 Мая, 2014 в 06:22 пользователем kdtp Ссылка на комментарий Поделиться на другие сайты Поделиться
Гость kdtp Опубликовано 9 Мая, 2014 в 08:21 Жалоба Поделиться Опубликовано 9 Мая, 2014 в 08:21 (изменено) Привет, Валерий. По первым прикидкам имеем следующее положение вещёй. На Вашем железе получается вполне хороший выходник. При Р мах = 25 Ватт, полоса воспроизведения 40 – 22000 Гц , при -3дБ. По «низам» это точно - 40 Гц. А вот «верха» могут получиться на много лучше, если сильно не нарушать технология намотки (надо мотать аккуратно). Первичная обмотка 3200 Витков – четыре секции, по 4 слоя каждая. В слое 200 витков. Провод 0,25 мм (по меди) или 0,27 мм по лаку. Вторичная обмотка. 4 Ома – 83 Витка, 8 Ом – 117 Витков, 16 Ом – 166 Витков. Провод 0,6 (по меди) или 0,64 (по лаку). Как мотать эту обмотку. Ну, во-первых, будет пять секций вторичной обмотки, по два слоя каждая. Сначала наматываем первый слой – 83 Витка. Делаем отвод. Это для 4 Ом. Мотаем второй слой. Наматываем 34 Витка и делаем отвод – это для 8 Ом. Продолжаем мотать второй слой до конца (до щёчки). Это будет 49 Витков. В результате получается (первый слой) – 83 Витка (4 Ома). Далее– 83 (первый слой) +34 (второй слой)= 117 Витков (8 Ом). И…, наконец– 83 (первый слой) +34(второй слой) +49(второй слой) = 166 Витков (16 Ом). Имеем четыре секции первичной обмотки, и пять секций вторичной обмотки. Намотка начинается со вторички. Схема такая В-П-В-П-В-П-В-П-В. Секционирование вертикальное. Первичка соединяется последовательно, вторичка – параллельно, с соблюдением фазировки. Raa = 5945 Ом. Брал расчётные 6000 Ом, но получилось так. Это для ламп 6П3С, с учётом нашего анодного питания (338 Вольт). Если мотать первичную обмотку по 202 Витка в слое, то получим (общее количество)3232 Витков. Тогда будет Raa = 6065 Ом…. Разводить бодягу с расчётами на два листа текста не охота. Это первая «прикидка». Если нужно, то можем что-то поправить, изменить…. С праздником ПОБЕДЫ!!! Изменено 9 Мая, 2014 в 08:44 пользователем kdtp Ссылка на комментарий Поделиться на другие сайты Поделиться
cbafrunze Опубликовано 9 Мая, 2014 в 17:57 Автор Жалоба Поделиться Опубликовано 9 Мая, 2014 в 17:57 (изменено) С праздником ПОБЕДЫ!!! С Днем ПОБЕДЫ, с праздником!!! Виктор, спасибо, по расчетам как раз то что надо, и по частотам, и по секционированию. Блок питания: купил новые емкости, по паре ламп 25 и 40 ватт, подобрал мостик КЦ402Б, так что завтра проведу измерения и Вам "на стол". Изменено 22 Августа, 2016 в 20:18 пользователем cbafrunze Ссылка на комментарий Поделиться на другие сайты Поделиться
cbafrunze Опубликовано 10 Мая, 2014 в 11:22 Автор Жалоба Поделиться Опубликовано 10 Мая, 2014 в 11:22 (изменено) Валерий, ну давай так, сначала соберём проверочную схему блока питания. Диодный мостик, ну, скажем 600 Вольт 1 Ампер. Электролитические конденсаторы 100 -150 мкФ на 400 – 450 Вольт.После отдыха, результаты экспериментов – мне «на стол». :smile: Собрал, проверил, сделал замеры. Выкладываю Вам "на стол" Изменено 22 Августа, 2016 в 19:43 пользователем cbafrunze Ссылка на комментарий Поделиться на другие сайты Поделиться
Гость kdtp Опубликовано 11 Мая, 2014 в 10:25 Жалоба Поделиться Опубликовано 11 Мая, 2014 в 10:25 (изменено) День добрый, Валерий. Всё как я и предполагал (335 - 340 Вольт), тем более что эксперимент это подтвердил! Вот что получается - с этим силовым трансформатором надо делать блок питания по «классической, гитарной» схеме. То есть, оконечный каскад усилителя будем «питать» непосредственно с первой ёмкости после мостика, где получается 335 – 340 Вольт. Только первую ёмкость придётся сделать из двух запараллеленных конденсаторов по 100 мкФ. Ну а дальше, после дросселя обойдёмся одним конденсатором на 100 мкФ и т.д., и т.п. Принимая во внимание величину анодного напряжения (335 Вольт) можно получить 20 Ватта максимальной мощности усилителя. Это по расчётам, а что получим на самом деле – время покажет. Тут вот какое предложение. Если это Вас не испугает – может, немного доработаем силовой трансформатор? В результате этой переделки можно получить; + 400 Вольт для анодного питания выходного каскада, +335 Вольт для питания вторых сеток, фазоинвертора и предварительного каскада, - 50 Вольт на смещение, и две накальные обмотки на 4,5 Ампера и на 1,5 Ампера. Если нужно, то можно «исхитриться» и на базе обмоток для смещения организовать двухполярное (или однополярное) питание для «сервисной» схемы (дистанционное управление, коммутационные реле и т.д.). В результате этой доработки, можем получить 25 – 30 Ватт на выходе и сделать «достойную» сервисную «обвязку». Подумайте, вдруг соблазнитесь. Да…, а за «стол» отдельное спасибо! :smile: Изменено 11 Мая, 2014 в 12:45 пользователем kdtp Ссылка на комментарий Поделиться на другие сайты Поделиться
cbafrunze Опубликовано 11 Мая, 2014 в 14:48 Автор Жалоба Поделиться Опубликовано 11 Мая, 2014 в 14:48 (изменено) День добрый, Валерий. Всё как я и предполагал (335 - 340 Вольт), тем более что эксперимент это подтвердил! Да…, а за «стол» отдельное спасибо! :smile: Здравствуйте, Виктор! У меня встречное предложение, (как один из вариантов) намотать новый силовой трансформатор, есть два тр-ра УШ30х60, ОСС 0,16 на одном можно попробовать или взять подходящий торрик. Домотать ТС 200 вариант, тем более, что он сильно гудит, затянут вроде хорошо, но не пропитан парафином, что-то надо предпринять. С другой стороны, дополнительно 5-10 ватт!? Так же можно собрать как есть, и мотать другой силовичек (я не ленивый). Посмотрел расчеты выходного тр-ра, получается очень хорошо, окно с большим запасом. Вопрос, что лучше использоавть для изоляции, есть фторопластовая пленка 0,05 или использовать папиросную бумагу и пропитовать парафином. К намотки выходного тр-ра готов. Изменено 22 Августа, 2016 в 20:21 пользователем cbafrunze Ссылка на комментарий Поделиться на другие сайты Поделиться
Гость kdtp Опубликовано 11 Мая, 2014 в 15:31 Жалоба Поделиться Опубликовано 11 Мая, 2014 в 15:31 Валерий, тут вот какое дело. Выходной трансформатор – если его мотать тем проводом что указал я, то получается, при хорошей плотной укладке, толщина всей обмотки будет где-то 11 мм. Высота щечки 21 мм. Получаем на межслойные прокладки – 10 мм! Поскольку у нас получается много секций (9 штук), то межсекционные прокладки хорошо бы сделать потолще – если получиться. Этим мы немного уменьшим «паразитную» ёмкость выходного трансформатора. Впрочем, можно сильно за этим и не гнаться (уменьшение «паразитной» ёмкости) – делаем гитарный усилитель, а не Hi-Fi. Про силовой. Если можно по-побродней про «гудение» и прочие «бяки», если они есть, трансформатора ТС-200-2. По-хорошему, его надо перебирать, а заодно и немного модернизировать… Ссылка на комментарий Поделиться на другие сайты Поделиться
Гость kdtp Опубликовано 12 Мая, 2014 в 09:00 Жалоба Поделиться Опубликовано 12 Мая, 2014 в 09:00 Вдогонку, про ТС-200-2. Валерий, мощности трансформатора ТС-200-2 хватает на наш будущий усилитель, что называется – с головой! Признаюсь честно – я практически всегда завышаю необходимую мощность силового трансформатора в полтора, а то и в два раза. Оно конечно – увеличение веса и габаритов конструкции, но зато есть подстраховка по мощностным и тепловым характеристикам не только блока питания, но и самого усилителя. Теперь не много «лирики» (лирическое отступление). И так, мы начали с вами проектировать усилитель с выходного трансформатора – это очень хорошо! По всему, мы должны получить очень приличный выходной трансформатор – эдакий Hi-Fi выходной трансформатор для гитарного усилителя. Если отнестись серьёзно к проектированию и изготовлению усилителя то мы можем «забабахать» очень хороший и весьма универсальный усилитель для гитары. А именно; гитарный усилитель для репетиций дома, для работы в студии (не удивляйтесь!), для работы на сцене! И всего-то, для осуществления этого плана, надо изготовить или приобрести нужный силовой трансформатор. Вернёмся к ТС-200-2. Предположим, что мы берём его за основу для будущего силовика. Так, что имеем…. Ну, во-первых, Вы говорили что он «масловый» - не соглашусь! На фотографии, что лежит у меня на «столе», я вижу следы ржавчины и потом, он гудит (по Вашим словам). Может статься, что его хранили в ненадлежащем месте – повышенная влажность, пыль, грязь и т.д. В таком разе, надо сделать ему небольшую профилактику. Для начала замерить его ток холостого хода. Как? Ну, это Вы найдёте на просторах интернета – однозначно. А какова должна быть его «правильная» величина? Для трансформаторов такой мощности (200 Ватт) эта величина должна находиться в пределах 5 – 10 % от номинального тока первичной обмотки. Имеем – 200 Ватт, напряжение на первичке 220 Вольт, значит, номинальный ток первички при такой мощности будет равен I = P:U, I = 200 Ватт : 220 Вольт = 0,91 Ампер. Значит, ток ХХ нашего трансформатора должен быть не более 91 мА (это 10 %), или около того. Если эта величина тока значительно больше, то надо искать причину и устранять её. Что влияет на величину ХХ трансформатора? Назову несколько причин, которые (как правило) встречаются в любительской практике: 1. Увеличенный магнитный зазор - плохая шихтовка трансформаторного железа и его стяжка. 2. В нашем случае (трансформаторы ТС) может быть отслаивание пластин сердечника. 3. Ржавчина, которая возникает на поверхности трансформаторного железа, и ухудшат его физические свойства. Увеличиваются вихревые токи, соответственно усиливается нагрев трансформаторного железа. Иногда, не часто, но бывает (даже на «масловых» трансформаторах): 1. Витковое замыкание в обмотках трансформатора, как во вторичной, так и в первичной обмотке. Пара замкнутых витков приводит к резкому скачку тока, хотя сам трансформатор может работать и в таком режиме и даже выполнять свои функции. 2. Ну и – «Число витков на вольт». Как правило, у «совковых» трансформаторов оно занижено! Если наш трансформатор не сильно «убит», то надо постараться его привести в надлежащее состояние. Как и что для этого надо делать я думаю, Вы догадались (или знаете). Ну а если будут вопросы – обращайтесь. Почему я так «вцепился» в этот ТС-200-2? Уж больно он хорошо «ложиться» в наш проект. Во-первых, для него есть шикарная экранирующая коробочка! Во-вторых, у него будет большой запас по мощности. Значит, он не будет сильно греться в этой экранирующей коробочке, даже при максимальной выходной мощности усилителя! Потом, в нём уже заложена некоторая степень модернизации! Какая? А вот какая – при перемотки этого трансформатора, мы оставим сетевую и экранную обмотки. Но сетевую обмотку, все её витки (127 Вольт + 127 Вольт) мы включим на 220 Вольт! Тем самым увеличив количество витков на вольт, что положительно скажется на работе будущего силового трансформатора! Что касается вторичной обмотки (для анодного питания), то я бы её намотал под двухполупериодный выпрямитель – это проще, в смысле намотки, да и намоточный провод, вроде как у Вас есть – 0,41 мм. Потом, если сделать по два отвода на каждой катушке (у нас две катушки), то легко реализуем все необходимые (основные) напряжения для питания усилителя. Это - анод выходного каскада +400 Вольт; экранные сетки, фазоинвертор и пред. усилитель +300 Вольт; и, наконец, - 40 Вольт на смещение. Дополнительно намотаем «сервисную» обмоточку, на небольшой ток и напряжение. И две накальные обмотки – больше нам не надо…. Если Вы готовы ввязаться в эту «драку», то будем продвигаться небольшими шагами в сторону этой битвы «за урожай». Количество витков мы легко рассчитаем…. Ну как Вам мой план? Может, есть какие-то ещё предложения и пожелания, не стесняйтесь. Я же не знаю всех Ваших возможностей, а посему не имею права навязывать Вам своё видение по решению этого вопроса. Вроде, как всё…, это пока…, ещё выбор схемы…. Не пугайтесь – осилим и это, как пить дать! Ссылка на комментарий Поделиться на другие сайты Поделиться
Рекомендуемые сообщения
Для публикации сообщений создайте учётную запись или авторизуйтесь
Вы должны быть пользователем, чтобы оставить комментарий
Создать учетную запись
Зарегистрируйте новую учётную запись в нашем сообществе. Это очень просто!
Регистрация нового пользователяВойти
Уже есть аккаунт? Войти в систему.
Войти