Dimonos Опубликовано 25 Ноября, 2012 в 07:59 Жалоба Поделиться Опубликовано 25 Ноября, 2012 в 07:59 200ом и 500ом слишком грубые резисторы. Не пойдет. Надо максимум 47 ом. А лучше 33. А еще лучше 10-15ом. Ссылка на комментарий Поделиться на другие сайты Поделиться
metrolog Опубликовано 25 Ноября, 2012 в 09:27 Жалоба Поделиться Опубликовано 25 Ноября, 2012 в 09:27 (изменено) Страна должна знать своих Героев в лицо. :smile: - Да простит меня "Создатель"- нарушение вроде как. на фото я -гоняю на вольво! :smile: Семен Владимирович, фото класс :smile: Можно еще постоянное фото установить, тоже будет здорово. Поделюсь своим мнением. Мне не нравится динамик, закрепленный изнутри ящика. Говорят, что от этого нарушаются фазовые и резонансные характеристики этого звена, может брешут. И с чисто эстетической точки зрения красивее выглядят динамики, притопленные в переднюю панель. Изменено 25 Ноября, 2012 в 10:44 пользователем metrolog Ссылка на комментарий Поделиться на другие сайты Поделиться
drummer Опубликовано 25 Ноября, 2012 в 10:51 Жалоба Поделиться Опубликовано 25 Ноября, 2012 в 10:51 Ящик создавался под динамик 25ГД-26Б. Исходить нужно из этого... Ссылка на комментарий Поделиться на другие сайты Поделиться
Chugunov Опубликовано 25 Ноября, 2012 в 12:02 Жалоба Поделиться Опубликовано 25 Ноября, 2012 в 12:02 Здравствуйте, Семён! На VOLVO советую поставить мигалку и гуделку, номер с буквами ЕКХ (еду куда хочу). Чувство юмора у вас явно есть, и это хорошо. *** Произвольные дырочки в задней стенка колонки, ПАС и резонаторы Гельмгольца - это три разных вещи, не морочьте себе голову. Дырочки делают что-то среднее между открытым и закрытым ящиком, не более того. *** АС от симфонии-003.-моя задача свои ас сделать еще лучше-однозначно ! Задача правильная, но есть сомнения - чтобы сделать лучше, нужны динамики получше, а имеющиеся динамики вряд ли лучше, чем в Симфонии. У Южного динамики более высокого класса. *** Раз уж будет возможность присутствовать при измерениях колонок в камере "по блату", сделайте так. Надо прикрутить разные широкополосные динамики к фанеркам так, чтобы можно было эти фанерки с динамиками вставлять в корпус колонки и быстро менять. Другой вариант - врезать в колонку разные широкополосные динамики и включить их через переключатели: сняли АЧХ одного динамика, щёлк тумблером (или даже быстро перекрутить проводочки) - и сняли АЧХ уже с другим динамиком. Ссылка на комментарий Поделиться на другие сайты Поделиться
Гость dada Опубликовано 25 Ноября, 2012 в 17:54 Жалоба Поделиться Опубликовано 25 Ноября, 2012 в 17:54 (изменено) думаю переставить динамик нижний наружу.зто недолго. наверно так и сделаю. буква"о"похожа на ноль.- там 20 и 50 (ом). В этом и "фишка"- бумажные-рэтро динамики . -и только. Я "переплюну" эту"симфонию".УВЕРЕН. Динамики вряд ли лучше, чем в Симфонии.-для этого и нашёл двух Профессионалов. (перегородки.дырочки.брусочки.шумо-материал.и др. нюансы-дадут результат.) С ГОТОВЫМИ-КОМПЛЕКТОМ ДИНАМИКОВ-много кто справится-(НУ не будет оригинальности). Ящик создавался под динамик 25ГД-26Б-это понятно=(люблю НЕстандарт-оригинал."авторство.") -то что у всех -меня не волнует.стоят дома ВЕГА 50АС-106.-знаю как они играют. и в переделанном варианте слушал-через уши звук прошёл-НО "мозг не всколыхнул". Компрессионные динамики-хорошие.НО -охота своей головой и руками -чего-то добиться. выбрасывают бумажные динамики сейчас-а кто ими займется? Еще вернемся к ним -я уверен. измерениях колонок в камере "по блату"- Без блата(просто человек адекватный-нормальный)- побольше бы таких людей. возможность с заменой динамиков -будет. Без мигалки и гуделки все -уступают!!!(мигалки и гуделки обычно на BMW.MERS-S +мозгов бы еще). -судя по новостям с мозгами у "них" -туговато. Снова Всем большой привет. Спасибо,что мы вместе. К любой критике или совету отношусь-положительно! :smile: Добавлено после раздумий: Огромный прррривет Дмитрий ! "dimonos". Минск. :smile:-это я. Добавлено после раздумий: Досадно ."Сибиряк-земляк" - не желает поделиться мнением?! понимаю-может занят делами по серьёзнее. Добавлено после раздумий: -- Он посоветовал- 4гд-28 и последовательно 4гд8е. и им паралельно 2гд-36 через 1-3мк. -сказал;пробуй.внимательно слушай.что в звучании-не понравится(записать на листок). и по телефону в течении недели сообщить. через два дня я понял .что это не лучший вариант Изменено 2 Декабря, 2012 в 18:23 пользователем Datagor Ссылка на комментарий Поделиться на другие сайты Поделиться
Dimonos Опубликовано 25 Ноября, 2012 в 20:59 Жалоба Поделиться Опубликовано 25 Ноября, 2012 в 20:59 Добавлено после раздумий:Огромный прррривет Дмитрий ! "dimonos". Минск. -это я. Да, да привет водилам двухколесных Volvo. Я видел про резисторы, видел. А кто не ошибается? Ссылка на комментарий Поделиться на другие сайты Поделиться
meshin Опубликовано 26 Ноября, 2012 в 07:10 Жалоба Поделиться Опубликовано 26 Ноября, 2012 в 07:10 Могу предложить такой вариант. На сдвоенных 4ГД-35. Осталось ещё найти пару и придумать как присовокупить вторую головку. Ссылка на комментарий Поделиться на другие сайты Поделиться
Chugunov Опубликовано 26 Ноября, 2012 в 13:25 Жалоба Поделиться Опубликовано 26 Ноября, 2012 в 13:25 Семён Владимирович! Послушайте добрый совет. Не забивайте себе голову "резонаторами Гельмгольца" и подобными красивыми словами. У Вас крайне путаные и почти на 100% ошибочные представления в данных вопросах (и это вполне естественно, и ничего плохого в этом нет). Для того, чтобы просто разобраться в терминах, надо хотя бы почитать книжки, а не то, что пишут в "википедиях". А нужно Вам это сейчас? На мой взгляд - нет! Если вы нашли человека в вашем городе, который даёт конкретные рекомендации на базе имеющихся у вас головок, последуйте совету НО послушайте что получится!!! Главное - не попадать под морок словесной трескотни с разными терминами и словами на чужих языках. Вас могут уверять, что "саунд" и звук - это разные вещи. Саунд - это о-го-го, а звук - это для невежд (пересмотрИте фильм "За двумя зайцами"). Законы физики никто отменить не может, но могут промыть вам мозги и выдать чёрное за белое. Сила внушения очень велика и далеко не каждый может стряхнуть лапшу с ушей! Найти "свой путь" вам не удастся - вопрос исхожен вдоль и поперёк. Вы сможете сделать звук ваших колонок "не как у всех" и сможете гордиться им, но вряд ли это будет честный звук. Да, с помощью 3ГД-31 или 4ГД-8Е легко получить "уникальное" звучание, в котором будет выпирать определенная полоса средних частот, можно убедить себя, что так лучше. И это будет ваше право, Ваш выбор. Есть еще опасение, что вам "впарят" то, что надо сбыть с учётом ваших финансовых возможностей. Эти опасения вызваны страничкой с вашего аукциона, где очень подчеркнуто из какой страны такая-то морилка и такой-то лак, фирмА одним словом, при этом цены на продаваемые самоделки приличные, а известно, что сбыть потом разонравившуюся самоделку будет в разы труднее, чем фабричное изделие. Следующий вариант - послушать местные советы и попробовать послушать макеты. Советы потому, что они резко уменьшают число возможных комбинаций, неразумных комбинаций. Я бы никогда не посоветовал "4гд-28 и последовательно 4гд8е. и им паралельно 2гд-36". Надо понимать какие проблемы возникают при последовательном и параллельном подключении головок, учитывать изменение их отдачи. А у вас вдобавок ламповый усилитель, обычно они не любят низкое сопротивление нагрузки, поэтому, например, нельзя ставить параллельно две 4-х омных головки. Лучший вариант - это повторение удачных конструкций с вашими динамиками. Удачность определяется, например, массовой положительной реакции повторившими их людьми, а не заявлениями автора. Вы, похоже, выбираете самый сложный путь - самостоятельных изысканий. Это вызывает уважение, но надо помнить, что это путь находок и ошибок, и ошибок будет на порядки больше. Лучше всё-таки считаться с опытом, накопленным поколениями, тем более, что сегодня этот опыт доступен как никогда. Ссылка на комментарий Поделиться на другие сайты Поделиться
al ex Опубликовано 26 Ноября, 2012 в 17:27 Жалоба Поделиться Опубликовано 26 Ноября, 2012 в 17:27 (изменено) Золотые слова!!! Прислушайтесь А по совету meshinа изобарик-вещь! Изменено 26 Ноября, 2012 в 17:31 пользователем al ex Ссылка на комментарий Поделиться на другие сайты Поделиться
Dimonos Опубликовано 26 Ноября, 2012 в 21:29 Жалоба Поделиться Опубликовано 26 Ноября, 2012 в 21:29 (изменено) Да нет - не водит за нос. По расчётам интересуют эти- Ящик с открытой задней стенкой представляет собой своебразный резонатор Гельмгольца резонансная частота которого в герцах; -Ваш ящик глубокий, для открытой системы, много лишних резонансов на НЧ. Отверстия сзади никакая не ПАС, от ПАС там 0,01 процент. Можно не учитывать. Проделав сзади дыры, Вы превратили закрытый ящик в обычный ФИ с высокой частотой настройки. Можете посчитать через формулу Гельмгольца и через формулу ФИ, все совпадет. ЭТО !!!-через формулу Гельмгольца и через формулу ФИ. Ну не водит и хорошо. Только результаты пока никакие. Самый правильный и широкий (во всех планах) Вам дал ваш 1-знакомый-"экпериментируй". Только этим можно заниматься всю жизнь. А самый верный путь -это отдать на растерзание Вашу акустику человеку, который в этом смыслит, тем более, что такой живет недалече. Есть 2 разновидности ПАС (если 2-я это действительно ПАС)- 1-ая, которая панель акустического сопротивления и работает за счет продувания воздуха через ткань, или другой материал, тем самым поглощая энергию . 2-ая, та о которой много пишут на форумах и в статьях, обсуждаается и как то там регулируется и настраивается. И представляет собой кучу дыр ( отверстий без всякого материала), обычно в задней панели ящика. А как настраивается и рассчитывается никто не пишет. Вот у Вас есть шанс разобраться, раз уж спец имеется. Так вот, вторую штуковину я абсолютно без понятия, я вообще за ПАС это не считаю, пока мне не докажут обратное. Резонатор Гельмгольца-это такая банка с горлом. Типа колбы из кабинета химии. Эта банка может поглощать звук из пространства той частоты, на которую настроена. Настройка зависит от объема банки и размеров горла. Формулу Вы уже знаете. Какая у этой банки связь с ФИ? А такая: Объем есть у обоих. Труба тоже. И если посчитать настройку резонанса объема и трубы у ФИ через формулу Гельмгольца, то совпадение очень близко. Порядка нескольких герц. Тут Вы можете довериться мне, я считал. Тем более, что считать Вы не любите. По той же причине нет необходимости приводить сейчас формулу расчета трубы ФИ. Там все наоборот считается, вычисляется длина от частоты настройки. Запутаетесь нафик. Запутаетесь, и даже кипящий мозг не поможет, перегреется и ага.... А расчет ФИ полностью по формулам сложный. Одна формула размером в 3 строки текста. (Для тех, кто скептически ухмыльнулся: именно, формула описывающая поведение процессов в ящике фазоинверторе занимает много места.) Семен, в теме, ссылку на которую я дал, есть достаточно подробный отчет и по Рез.Гелм. и по ПАС, и разные виды и способы. Если все внимательно прочитать, это поможет. Есть там и попытки понять варианты дырок в задней стенке, их настройку. Есть и попытки проанализировать ПАС 2-го варианта. Читайте. Это не статья, там обсуждение проблем. Вопросами как в анекдоте про Петьку и Василия Иваныча меня не проймете. Лучше будет, если вопрос будет по существу, и толково написан. Пусть и коротко.( что однако сложнее) То что было последние пару раз, я в следующий раз просто проигнорирую. Чтоб потом не было обид. Удачи. Изменено 26 Ноября, 2012 в 21:36 пользователем dimonos Ссылка на комментарий Поделиться на другие сайты Поделиться
Гость dada Опубликовано 27 Ноября, 2012 в 03:28 Жалоба Поделиться Опубликовано 27 Ноября, 2012 в 03:28 (изменено) Могу предложить такой вариант. На сдвоенных 4ГД-35. Осталось ещё найти пару и придумать как присовокупить вторую головку. Возможно он - супер пупер- верю на все 1000% без катушек генри хочу.смысл в простоте и доступности. СПАСИБО. Не забивайте себе голову "резонаторами Гельмгольца" и подобными красивыми словами. У Вас крайне путаные и почти на 100% ошибочные представления в данных вопросах (и это вполне естественно, и ничего плохого в этом нет). -это точно .согласен. послушать местные советы и попробовать послушать макеты. -этим занимаюсь. ламповый усилитель, обычно они не любят низкое сопротивление нагрузки, поэтому, например, нельзя ставить параллельно две 4-х омных головки. -знаю( возможно в каждой колонке будет на входе резистор на 2-10(Ом)-15Ватт. Вся критика в -яблочко.(10) -соглашусь со всеми! НО сделаю по своему ! (хотя любая критика и советы будуд тщательно "переварены и отфильтрованы". -ибо не я ли Семён Владимирович :smile: Кто не любит трудностей-тот изобретает "велосипед"(нууу это моё мнение). пардон-повторяет "конструкции" да.на на весёлой волне.с оптимизмом. С уважением ! Семён. Изменено 2 Декабря, 2012 в 18:32 пользователем Datagor Ссылка на комментарий Поделиться на другие сайты Поделиться
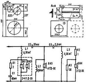
Гость dada Опубликовано 27 Ноября, 2012 в 08:34 Жалоба Поделиться Опубликовано 27 Ноября, 2012 в 08:34 (изменено) Вот так. пока без задних стенок и повезу. на прослушку. блюз голос вокал разные инструменты-очень детально приятно исполняют.мне понравилось !!! поверте-я не хвалюсь.честно -так и есть. нижние динамики переставлю с наружи. колонки немного отличаются по звучанию, но оба варианта по своему уникальны. +схема. не думаю, что я повторил чью-то схему. Взамен мнений и советов-пытаюсь ответить всем (как умею). -и не только пишу как(писака).но и выполнен Объёмный фронт работ -замена динамиков.подбор конденсаторов. -каждый раз прослушивал (анализировал.записывал на листке-о каждом динамике). -т.к. слух и память у меня не феномеальные. Рад ,что мы ВМЕСТЕ !!!! конечно до финала далеко-и в дальнейшем всё опишу. Изменено 2 Декабря, 2012 в 18:48 пользователем Datagor Ссылка на комментарий Поделиться на другие сайты Поделиться
Рекомендуемые сообщения
Для публикации сообщений создайте учётную запись или авторизуйтесь
Вы должны быть пользователем, чтобы оставить комментарий
Создать учетную запись
Зарегистрируйте новую учётную запись в нашем сообществе. Это очень просто!
Регистрация нового пользователяВойти
Уже есть аккаунт? Войти в систему.
Войти