Гость hsl Опубликовано 19 Сентября, 2011 в 06:57 Жалоба Поделиться Опубликовано 19 Сентября, 2011 в 06:57 Тоже хочу попробовать намотать индуктивность на кольце, полученую индуктивность померять есть чем, изходя из этого можно узнать проницаемость сердечника, зная проницаемость теоретически можно расчитать ток насыщения, вот что по этому поводу есть Ферриты входят в насыщение, если величина плотности потока магнитной индукции превышает 300 [мТ] (миллитесла), причем эта величина не так уж сильно зависит от марки феррита. То есть 300 [мТ] является как бы врожденным свойством именно ферритов, другие магнитные материалы имеют другие величины порога насыщения. Например, трансформаторное железо и порошковое железо насыщаются при примерно 1 [Т], то есть могут работать в гораздо более сильных полях. Более точные значения порога насыщения для разных ферритов указаны в таблице 5. Величина плотности потока магнитной индукции в сердечнике рассчитывается по следующей формуле: (8) B = 1000 * µ0 * µe * I * N / le [мТ] где µ0 - абсолютная магнитная проницаемость вакуума, 1.257*10-3 [мкГн/мм] µe - относительная магнитная проницаемость сердечника (не путать с проницаемостью материала сердечника!) I - ток через обмотку, [А] N - количество витков в обмотке le - длина средней магнитной линии сердечника, [мм] Несложное преобразование формулы (8) поможет найти ответ на практический вопрос - какой максимальный ток может проходить через дроссель до того, как сердечник войдет в насыщение: (9) Iмакс = 0.001 * Bмакс * le / ( µ0 * µe * N ) [A] где Bмакс - табличное значение для используемого материала сердечника, вместо которого можно использовать значение 300 [мТ] для любых силовых ферритов из всего этого не совсем понятно вот это "µe - относительная магнитная проницаемость сердечника (не путать с проницаемостью материала сердечника!)" т.е. если я по количеству витков, размерам колька и его индуктивности получаю проницаемость сердечника это и будет µe или нет? Ссылка на комментарий Поделиться на другие сайты Поделиться
Гость borman Опубликовано 19 Сентября, 2011 в 10:27 Жалоба Поделиться Опубликовано 19 Сентября, 2011 в 10:27 (изменено) Тоже хочу попробовать намотать индуктивность на кольце, полученую индуктивность померять есть чем, изходя из этого можно узнать проницаемость сердечника, зная проницаемость теоретически можно расчитать ток насыщения, вот что по этому поводу есть из всего этого не совсем понятно вот это "µe - относительная магнитная проницаемость сердечника (не путать с проницаемостью материала сердечника!)" т.е. если я по количеству витков, размерам колька и его индуктивности получаю проницаемость сердечника это и будет µe или нет? Ну наверное да... Если я правильно помню, µe - это эффективная проницаемость именно сердечника, зависящая от зазора. В случае кольца (не колотого) она равна магнитной проницаемости материала µi. Если я правильно помню, при сердечнике без зазора они равны. Проверил - так и есть, для кольцевого феррита эти вещи равны. На сайте Epcos лежит программа MDT, там и справочник материалов, и справочник сердечников, и расчетная часть - считать индуктивность, потери и т.д. для конкретных сердечников из конкретных материалов. Для работа в MDT аналогом феррита 2000НН можно считать эпкосовский материал N87, там всего значимой разницы с родным ферритом, что у него магнитная проницаемость не 2000, а 2200. Надо в сердечник "вшаманить" виртуальный зазор, приводящий сердечник к проницаемости 2000 и дальше вести расчеты уже на этой основе. Изменено 19 Сентября, 2011 в 12:19 пользователем borman Ссылка на комментарий Поделиться на другие сайты Поделиться
Гость alx25v Опубликовано 19 Сентября, 2011 в 13:20 Жалоба Поделиться Опубликовано 19 Сентября, 2011 в 13:20 Кстати, можно простым и хитрым ходом уменьшить напряжение на токоизмерительном резисторе, порядка до 0,1в. Ссылка на комментарий Поделиться на другие сайты Поделиться
Гость hsl Опубликовано 19 Сентября, 2011 в 14:13 Жалоба Поделиться Опубликовано 19 Сентября, 2011 в 14:13 (изменено) Кстати, можно простым и хитрым ходом уменьшить напряжение на токоизмерительном резисторе, порядка до 0,1в. А что за способ? Случаем не такой? Изменено 19 Сентября, 2011 в 16:09 пользователем hsl Ссылка на комментарий Поделиться на другие сайты Поделиться
Гость alx25v Опубликовано 19 Сентября, 2011 в 17:40 Жалоба Поделиться Опубликовано 19 Сентября, 2011 в 17:40 Ага, именно он, только разброс параметров полевика ... Вместо него можно поставить LM1117 в нормальном режиме, или даже приподнять выходное напряжение у него. Ссылка на комментарий Поделиться на другие сайты Поделиться
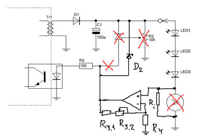
Гость hsl Опубликовано 19 Сентября, 2011 в 18:58 Жалоба Поделиться Опубликовано 19 Сентября, 2011 в 18:58 Вот нашел еще вариант включения с ОУ Или на LM117 все же будет надежнее? Но не совсем понял как ее тогда подключать, и чем выставлять ток светодиодов? Все тем же токоизмерительным резистором? Но при таком номинале его не больно то подберешь, а на ОУ коэффицент усиления можно любой подобрать, вот только не будт ли сказыватся на коэфиценте услиения ОУ то что питатся она будет нестабилизированным напряжение да еще и с разбросом 10-30в? Ссылка на комментарий Поделиться на другие сайты Поделиться
Гость borman Опубликовано 19 Сентября, 2011 в 20:11 Жалоба Поделиться Опубликовано 19 Сентября, 2011 в 20:11 Вот нашел еще вариант включения с ОУ Или на LM117 все же будет надежнее? Но не совсем понял как ее тогда подключать, и чем выставлять ток светодиодов? Все тем же токоизмерительным резистором? Но при таком номинале его не больно то подберешь, а на ОУ коэффицент усиления можно любой подобрать, вот только не будт ли сказыватся на коэфиценте услиения ОУ то что питатся она будет нестабилизированным напряжение да еще и с разбросом 10-30в? Сказываться не будет, во всяком случае заметно. Глубокая ООС рулит :smile: Но смысл задирать усиление, да и вообще ставить усилитель напряжения в цепь обратной связи не вижу смысла... т.е. снижать падение напряжения на резисторе датчика тока ниже 0,1-0,25 В не имеет смысла ПМСМ. Потому что тут уже начнется как геморрой с подбором токозадающего резистора в диапазоне десятых ома (их достать по крайней мере мне геморройно, да и доступные мне слишком габаритные), так и то, что тут уже проводники на печатке начнут своим сопротивлением свой вклад вносить. Использовать такое имеет смысл только тогда, когда используется микросхема не светодиодного, а обычного конвертера DC-DC, у них опорное напряжение выше раз в десять. Вот тогда да, из 0,235 В на токозадающем резисторе сделать 2,35 В для подачи на вывод FB - есть резон. А контроллеры для светодиодов уже оптимизированы на опорное напряжение 0,1-0,25 В. ПМСМ это оптимум, иначе придется возиться с резисторами датчика тока в 0,05-0,2 Ома. Особенно если ток большой, не 50-150 мА, а 0,7-1,2 А, там вообще 0,01 Ома придется изображать. Ссылка на комментарий Поделиться на другие сайты Поделиться
Гость hsl Опубликовано 19 Сентября, 2011 в 20:28 Жалоба Поделиться Опубликовано 19 Сентября, 2011 в 20:28 С токозадающим резистором у меня вырисовывается такой вариант, SMD 3 штуки по 0,3 Ом в паралель как раз должно и по мощности хватить и сопротивление прямо в точку, а усиление там ~12 раз, это много? Хотя я уже все больше склоняюсь сделать все это безобразие на МК, поставить на управление полевик и контроллером управлять, а через АЦП контролировать ток. Ссылка на комментарий Поделиться на другие сайты Поделиться
Гость asterix_72 Опубликовано 20 Сентября, 2011 в 10:19 Жалоба Поделиться Опубликовано 20 Сентября, 2011 в 10:19 Не советую вообще настольную ламу делать на СД, хорошие люминесцентные, намного лучше. КПД в сумме со стабилизатором, получится схожий. Советую почитать _https://habrahabr.ru/blogs/DIY/116861/ Ссылка на комментарий Поделиться на другие сайты Поделиться
Гость borman Опубликовано 20 Сентября, 2011 в 10:59 Жалоба Поделиться Опубликовано 20 Сентября, 2011 в 10:59 С токозадающим резистором у меня вырисовывается такой вариант, SMD 3 штуки по 0,3 Ом в паралель как раз должно и по мощности хватить и сопротивление прямо в точку, а усиление там ~12 раз, это много?Хотя я уже все больше склоняюсь сделать все это безобразие на МК, поставить на управление полевик и контроллером управлять, а через АЦП контролировать ток. Угу... smd и МЛТ-образные у меня доступны минимальным номиналом 1 ом. И теперь их 7 штук в параллель пихать? Тем более что 6 штук впараллель и так уже стоят в датчике тока дросселя. А на МК так извращаться... ну можно. Только даже если поставить Атмел на 16 МГц, и операционник, и и полевик - это будет вдвое-втрое дороже NCP3066. А рулить рулить 8-битным ШИМ с МК с тактовой 16 МГц, все равно макс. частота на ШИМ получится 64 кГц. А это, против 150 кГц у NCP3066 - увеличение дросселя. Я МК собираюсь поставить на ШИМ-димминг. Ток стабилизировать будет NCP3066, а рулить через ШИМ-димминг будет Attiny25. Добавлено после раздумий: Не советую вообще настольную ламу делать на СД, хорошие люминесцентные, намного лучше. КПД в сумме со стабилизатором, получится схожий. Советую почитать _https://habrahabr.ru/blogs/DIY/116861/ У автора на хабре ОЧЕНЬ неполная информация. Поверхностная. Вершков нахватался. Я бы ему советовал более полно изучить вопрос. В частности, он представления не имеет о CRI и многополосных люминофорах. И о том, что люминисцентные лампы с индексом 9 (CRI более 90-92%) как раз предназначены использоваться там, где важна точность цветопередачи. И давно уже там используются. например, просмотровые комнаты в полиграфии (а создать свет с температурой 5500 или 6500 на лампах накаливания и галогенных - не получится никак). И что лампы с индексом 7 - промышленные, 8 - бытовые, 9 - для критичных к цветопередаче применений, в т.ч. и для фотосъемки, он не знает. А уж про то. что ксеноновая вспышка в фотографии лучше люминисцентной лампы даже с индексом 8 - это вообще крутой бред. Я столько с фотографиями работаю, что могу сказать: ксеноновая вспышка - худшее из освещений по цветопередаче. Для светодиодов аналогом индекса цветопередачи люминисцентных ламп служит CRI - color rendering index. В диапазоне 70-80 - промышленное освещение, 80-90 - бытовое, выше 90 - высококачественная цветопередача. Ссылка на комментарий Поделиться на другие сайты Поделиться
Гость hsl Опубликовано 20 Сентября, 2011 в 16:07 Жалоба Поделиться Опубликовано 20 Сентября, 2011 в 16:07 Не советую вообще настольную ламу делать на СД, хорошие люминесцентные, намного лучше. КПД в сумме со стабилизатором, получится схожий. Советую почитать _https://habrahabr.ru/blogs/DIY/116861/ Ну я бы не был столь категоречен, все таки восприятие освещения это пожалуй дело индивидуальное. Да собственно и поздно, делал я их уже :smile: Что касается люминесцентных ламп, да пользовался ими не один год, разными, кроме как экономичности, по сравлению с лампами накаливания, я лично больше в них плюсов не нахожу, для общего освещения еще годятся, а вот паять мелкие детали при таком свете мне категорически не нравится, мутный он какой то. Почти идеально мне подходят галогеновые лампы, но у них один минус, греются они просто нереально. А вот светодиоды подходят практически по всем параметрам, единственное хочется выжать максимум эффективности из источника питания. ...А на МК так извращаться... ну можно. Только даже если поставить Атмел на 16 МГц, и операционник, и и полевик - это будет вдвое-втрое дороже NCP3066. А рулить рулить 8-битным ШИМ с МК с тактовой 16 МГц, все равно макс. частота на ШИМ получится 64 кГц. А это, против 150 кГц у NCP3066 - увеличение дросселя... А если на Atiny25 или 45 Таймер работет на частоте 64МГц, что дает частоту ШИМ ~250кГц, Ну да с одной стороны делать на МК это наверное извращение, но интересно же :smile: Ссылка на комментарий Поделиться на другие сайты Поделиться
nick_ross Опубликовано 20 Сентября, 2011 в 16:31 Жалоба Поделиться Опубликовано 20 Сентября, 2011 в 16:31 Я вам не скажу за всю Одессу (С) :smile: Китайцы уже давным-давно ваяют драйвера для фонариков на светодиодах на микроконтроллерах. народ уже приспособился их перешивать сам:smile: Вот отсюда _https://forum.ixbt.com/topic.cgi?id=42:20228-81 "человек купит драйвер, у вас, в принципе, есть к нему прошивка. каковы дальнейшие действия? Подпаивает к драйверу 4 проводочка. Подключает их к компу через примитивный хвостик и зашивает её. Как попаду на работу могу более подробный мануал скинуть - уже делал "для чайников"." Ну и там картинки - драйвер, схема программатора и т.д Ссылка на комментарий Поделиться на другие сайты Поделиться
Рекомендуемые сообщения
Для публикации сообщений создайте учётную запись или авторизуйтесь
Вы должны быть пользователем, чтобы оставить комментарий
Создать учетную запись
Зарегистрируйте новую учётную запись в нашем сообществе. Это очень просто!
Регистрация нового пользователяВойти
Уже есть аккаунт? Войти в систему.
Войти