Гость sanya2659 Опубликовано 23 Марта, 2011 в 19:29 Жалоба Поделиться Опубликовано 23 Марта, 2011 в 19:29 Так. Я тут нашёл конденсаторов. Поскольку раньше делал Гаусс-пушки, кондеров у меня навалом. Тогда в каждом плече умножителя поставлю по 3 * 330 мкФ 450 В + 560 мкФ 200 В параллельно. После умножителя будет 2 * 470 мкФ 400 В + 470 мкФ 450 В параллельно. Так пойдёт? Или по-другому их поставить? Ссылка на комментарий Поделиться на другие сайты Поделиться
TANk Опубликовано 23 Марта, 2011 в 19:58 Жалоба Поделиться Опубликовано 23 Марта, 2011 в 19:58 3*330μF (больше 1000 в сумме, если учесть, у правильных конденсаторов емкость как правило больше чем указано) в каждом плече вполне достаточно. конденсаторы по 560мкФ на 200в можно пока отложить в коробку до лучших времен. Надежности больше будет. Я про 200вольтовые конденсаторы из БП говорил как о легко доставаемом дешевом варианте. Если же есть нормальные электролиты, то лучше поставить в питание конденсаторы имеющие запас по напряжению. serg_123, я уже вам говорил, создайте новую тему в разделе "ламповых усилителей", выложите в нее свою схему, дайте намоточные данные трансформаторов. Это будет интересно и полезно всем. Ссылка на комментарий Поделиться на другие сайты Поделиться
Гость sanya2659 Опубликовано 23 Марта, 2011 в 20:08 Жалоба Поделиться Опубликовано 23 Марта, 2011 в 20:08 Отлично, завтра тогда спаяю батареи из них. Отложу кондеры из БП. Мне бы ещё разобраться с аномально - бьющим током прибором из раздела для начинающих. Тогда можно будет серьёзно заняться ламповиком. To Serg_123: Батарейное смещение, Межкаскадные трансы... Звучит пугающе. Да и ламп скорее всего мне таких не найти. Эти Гу-32 достались мне случайно, когда в Интернете продавали останки какой - то радиостанции и её ЗИПа. Ссылка на комментарий Поделиться на другие сайты Поделиться
Гость dimonias Опубликовано 25 Марта, 2011 в 18:17 Жалоба Поделиться Опубликовано 25 Марта, 2011 в 18:17 Воспользуюсь темой и для себя. Поделитесь впечатлением, как бы вы расставили, хоть примерно, по качеству звука в РР, в тетродном включении, такой ряд ламп: 6П6С, ГУ-29/ГМИ-6, Г-807, 6П31С. Акустика 6ГД-2 8ом 6П31С я сколько ни просматривал инет, все схемы, что видел, только в триодном включении и SE Может еще на какие лампы обратить внимание? Нравится бархатистый бас, не аналитичное звучание. Ссылка на комментарий Поделиться на другие сайты Поделиться
Гость sanya2659 Опубликовано 29 Марта, 2011 в 14:53 Жалоба Поделиться Опубликовано 29 Марта, 2011 в 14:53 Окей, я тут спаял батарею из конденсаторов, привел в порядок ТСШ-170. Теперь надо сделать смещение и стабилизацию +225В. Тут пара вопросов: 1) Какие диоды лучше поставить в удвоитель (из импортных)? 2) Какова схема смещения? Такая же, как для 6П36С? Не многовато ли напряжение смещения? Ссылка на комментарий Поделиться на другие сайты Поделиться
Гость sanya2659 Опубликовано 29 Марта, 2011 в 19:11 Жалоба Поделиться Опубликовано 29 Марта, 2011 в 19:11 Да, и ещё, надо ли транзюк в стабилизаторе ставить на радиатор? Ссылка на комментарий Поделиться на другие сайты Поделиться
TANk Опубликовано 29 Марта, 2011 в 20:49 Жалоба Поделиться Опубликовано 29 Марта, 2011 в 20:49 1. Любые с током 3-5 А и максимальным обратным напряжением не менее 600 вольт (это с запасом взято, который никогда не помешает) 2. Для рогаток достаточно иметь регулировку смещения в пределах 10 - 30 вольт. 6П36С в триодном включении требуют смещения порядка 50-60 вольт. 3. Транзистор в стабилизаторе ставить на радиатор обязательно. Падение напряжения на транзисторе примерно 20 вольт ток примерно 100мА - получаем 2Вт рассеиваемой мощности, но не надо забывать, что при старте усилителя падение напряжения на транзисторе будет гораздо больше и мощность рассеивания может зашкалить и за 10Вт. Так что алюминиевую пластину 5х5см или другой радиатор площадью порядка 50квсм ставить надо. Еще лучше найти транзисторы в пластиковом корпусе и прикрутить непосредственно к железному шасси. Ссылка на комментарий Поделиться на другие сайты Поделиться
Гость igor1969 Опубликовано 16 Апреля, 2011 в 06:20 Жалоба Поделиться Опубликовано 16 Апреля, 2011 в 06:20 6н9с в СРП раскачают 6п45с???? Не хочу пальчиковую 14-ю ставить Ссылка на комментарий Поделиться на другие сайты Поделиться
TANk Опубликовано 16 Апреля, 2011 в 17:00 Жалоба Поделиться Опубликовано 16 Апреля, 2011 в 17:00 6П36С (в триоде) раскачивает. Пробовал раскачать 6П42С (в триоде) - уже не хватает. Если 6П45С включить в тетродном варианте или ультралинейном - то прокачает. Ссылка на комментарий Поделиться на другие сайты Поделиться
Гость sanya2659 Опубликовано 16 Апреля, 2011 в 20:38 Жалоба Поделиться Опубликовано 16 Апреля, 2011 в 20:38 Александр, спасибо за помощь в этой теме! Я думаю, что отложу этот усилитель до лета, всё же хочется добротно сделать. А тут экзамены и учеба. Плюс, думаю собрать сначала Винтаж для наушников. Кстати, если делать Винтаж, то можно ли применить трансформатор ТАН-36-127/220-50? И можно ли поставить кенотрон 6Ц4П, просто он у меня есть, и выглядет ИМХО красиво. Если да, то по какой схеме? Ссылка на комментарий Поделиться на другие сайты Поделиться
TANk Опубликовано 17 Апреля, 2011 в 12:34 Жалоба Поделиться Опубликовано 17 Апреля, 2011 в 12:34 _https://lampilich.-мы не распространяем ссылки на [народ.ру]-/trans/50TANpar01.html Параметры трансформаторов ТАН. Накал кенотрона делаем от одной 5в обмотки накала, накал остальных ламп от другой на 6.3в Для кенотрона надо иметь анодную обмотку со средней точкой. цепляем параллельно 200в и 180+20 - это будет первая половина анодной обмотки. Оставшиеся 200в и 180+20 будут второй половиной. После кенотрона ставится конденсатор на 4-5 мкФ, потом дроссель на 5-10 Гн индуктивностью, а потом еще конденсатор емкостью 100-300мкФ. Получим БП питания с кенотроном. На выходе будет примерно 180-200в с максимальным током около 80мА. Для ушастого усилителя вполне достаточно. Ссылка на комментарий Поделиться на другие сайты Поделиться
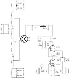
Гость sanya2659 Опубликовано 17 Апреля, 2011 в 14:23 Жалоба Поделиться Опубликовано 17 Апреля, 2011 в 14:23 Спасибо! У меня есть дроссель Др-1,0-015-II ИП4.750.060 ТУ. п1=1000 ПЭВ-1-0.27 п2=400 ПЭВ-1-0.18. Гугол вроде ничего не знает по нему. Он на железе, как у ТВЗ-Ш, имеет 2 обмотки. Он подойдет? Какую обмотку использовать? Добавлено после раздумий: И схема будет вроле этой, да? Ссылка на комментарий Поделиться на другие сайты Поделиться
Рекомендуемые сообщения
Для публикации сообщений создайте учётную запись или авторизуйтесь
Вы должны быть пользователем, чтобы оставить комментарий
Создать учетную запись
Зарегистрируйте новую учётную запись в нашем сообществе. Это очень просто!
Регистрация нового пользователяВойти
Уже есть аккаунт? Войти в систему.
Войти