Гость bakinbard Опубликовано 22 Октября, 2009 в 17:49 Жалоба Поделиться Опубликовано 22 Октября, 2009 в 17:49 Добрый вечер, mastersound! Классный способ проверки придумали! :smile: Прошелся по точкам: громче всего в 0, в 1 немного тише, в точках 6, 7, 8 примерно одинаково и громкость как в точке 1 или немного тише. В точке 2 ничего не услышал, в 3 едва слышно. 4 когда задеваешь - щелчок и ничего не слышно, 5 еле-еле слышно, почти ничего. Вывод, что работают нормально только первый триод и оконечник? На сетке щелчок и тишина... Нет, слышно немного, но значительно тише! Ссылка на комментарий Поделиться на другие сайты Поделиться
Гость firstact Опубликовано 28 Октября, 2009 в 15:29 Жалоба Поделиться Опубликовано 28 Октября, 2009 в 15:29 Терзает вопрос по поводу корпуса для комба на 4А28У,Гугль говорит что комбари на 10" динамиках имеют размеры в среднем 33+33+20!Можно ли увеличить корпус,так как невмещается вся электроника? Ссылка на комментарий Поделиться на другие сайты Поделиться
Гость hroft Опубликовано 10 Ноября, 2009 в 20:18 Жалоба Поделиться Опубликовано 10 Ноября, 2009 в 20:18 Терзает вопрос по поводу корпуса для комба на 4А28У,Гугль говорит что комбари на 10" динамикахимеют размеры в среднем 33+33+20!Можно ли увеличить корпус,так как невмещается вся электроника? Привет, коллега! Пускай Гугля говорит все что угодно, прикинь сам. Комбик - это малогабаритная акустическая система с усилком, а значит мобильная и ее надо будет перетаскивать. Так что увеличивай до разумных пределов. В любом случае увеличение размеров акустического экрана приводит только к расширению полосы в сторону низких, а это хорошо. Но не увлекайся глубиной ящика. и не располагай динамик в геометрическом центре передней панели, если два динамика, то располагай их не симметрично. Любая симметрия на панели приводит к появлению дополнительных, совсем не нужных нам резонансов. А что за электронику собрался туда ставить, что значит не вмещается? Ссылка на комментарий Поделиться на другие сайты Поделиться
Гость firstact Опубликовано 10 Ноября, 2009 в 20:38 Жалоба Поделиться Опубликовано 10 Ноября, 2009 в 20:38 Какое счастье слышать откликнувшегося!Почему нельзя в центре,блин?Электроника:пара примомочек да пред с усилом на TDA 7294!Расширять собираюсь на около 7 см по диаметру динамика! Ссылка на комментарий Поделиться на другие сайты Поделиться
Гость hroft Опубликовано 10 Ноября, 2009 в 20:47 Жалоба Поделиться Опубликовано 10 Ноября, 2009 в 20:47 Какое счастье слышать откликнувшегося!Почему нельзя в центре,блин?Электроника:пара примомочек да пред с усилом на TDA 7294!Расширять собираюсь на около 7 см по диаметру динамика! Не в центре - это не значит что с края. Вот на эти 7 см и задвинь в какую нить сторону. Главное - это акустическое оформление! Ссылка на комментарий Поделиться на другие сайты Поделиться
Гость firstact Опубликовано 10 Ноября, 2009 в 21:01 Жалоба Поделиться Опубликовано 10 Ноября, 2009 в 21:01 Не в центре - это не значит что с края. Вот на эти 7 см и задвинь в какую нить сторону. Главное - это акустическое оформление! Честно новое для меня,открытие!Что еще посоветуете? Ссылка на комментарий Поделиться на другие сайты Поделиться
Гость alexkalinin Опубликовано 14 Сентября, 2010 в 16:51 Жалоба Поделиться Опубликовано 14 Сентября, 2010 в 16:51 Честно новое для меня,открытие!Что еще посоветуете? разрешите свои три копейки. Если позволяют габариты и прочие возможности, то ящик можно попробовать построить в "Золотой пропорции" то есть 0,68Х1Х1,68 (глубина, ширина, высота). И динамик, если один, сместить от центра по золотому сечению. К стати как ни странно, ящик с такими пропорциями выглядит вполне уместно. Ссылка на комментарий Поделиться на другие сайты Поделиться
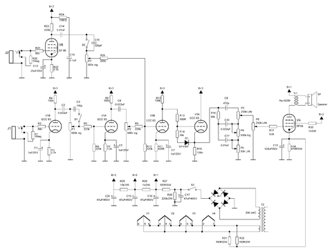
Гость serega-nn Опубликовано 21 Декабря, 2010 в 19:27 Жалоба Поделиться Опубликовано 21 Декабря, 2010 в 19:27 А какие напряжения на точке А,В,С? Ссылка на комментарий Поделиться на другие сайты Поделиться
Гость mastersound Опубликовано 22 Декабря, 2010 в 16:28 Жалоба Поделиться Опубликовано 22 Декабря, 2010 в 16:28 А какие напряжения на точке А,В,С? 320,250,180 Ссылка на комментарий Поделиться на другие сайты Поделиться
Гость serega-nn Опубликовано 23 Декабря, 2010 в 03:34 Жалоба Поделиться Опубликовано 23 Декабря, 2010 в 03:34 320,250,180 Спасибо. Ссылка на комментарий Поделиться на другие сайты Поделиться
Гость batyrlan Опубликовано 8 Февраля, 2011 в 13:52 Жалоба Поделиться Опубликовано 8 Февраля, 2011 в 13:52 Вот моя схема, которую я хочу собрать. Осталось сделать монтажную плату и рассверлить дырочки в шасси. Ссылка на комментарий Поделиться на другие сайты Поделиться
Гость firstact Опубликовано 8 Февраля, 2011 в 16:22 Жалоба Поделиться Опубликовано 8 Февраля, 2011 в 16:22 (изменено) Подскажите можно ли устанавливать конденсаторы К50-31 рядом с лампами (около 3см) и изолировать ли их от шасси? :smile: Изменено 8 Февраля, 2011 в 16:25 пользователем firstact Ссылка на комментарий Поделиться на другие сайты Поделиться
Рекомендуемые сообщения