Гость bakinbard Опубликовано 12 Октября, 2009 в 09:06 Жалоба Поделиться Опубликовано 12 Октября, 2009 в 09:06 У меня без нагрузки вообще около 11в постоянки получилось на накале преда,под нагрузкой нормализовалось. Это радует! Пока еще не измерил - жду панельки, могут привезти... Пробовал из "Рекорда" на время позаимствовать одну панель - не вышло - намертво закреплена к шасси, не смог снять, вот делали так делали... А с намоткой проводов на выводы лампы экспериментировать не хочется. Эксперимент прошел удачно! Замерял накальные напряжения под нагрузкой 6П14П. На питании преда 6,7В, на питании оконечника 6,2В. Мерил китайским тестером. Насчет панельки завтра еще уточню - использовал панельку уже собранного преда. mastersound, что посоветуете делать с фильтром? Без него сегодня получил показания 195В и 340В, при отключении - с 340 падает до нуля, а от 195 остается 0,6В. Не пойму, почему разница то 5В, то 0,6... Может конечно тот конденсатор непропаян был, из-за него... Плата преда готова, все впаяно (вместо С1 правда пока 6800пФ, а вместо С2 22нФ, временно). Панельки должны были после выходных привезти, узнаю завтра, надеюсь. Завтра припаяю обратно фильтр, померю все и фотку преда закину. А, ну и новости по панельке. Припаял фильтр, получил: A - 333В B - 333В C - 193В При выключении "анодное" все три плавно уменьшаюстя до 0. Спецефектов больше не было, думаю все же та пайка была плохая и искра пробивала там. Так что вроде все отлично! Панельки мне так и не привезли. :smile: Достал из "Рекорда", чтобы не тормозить работу, раз уж так... Обещанные фотки преда: Ссылка на комментарий Поделиться на другие сайты Поделиться
Гость mastersound Опубликовано 13 Октября, 2009 в 18:49 Жалоба Поделиться Опубликовано 13 Октября, 2009 в 18:49 Привет Игорь! Я рад что у тебя получилось с накалами, иначе просто не могло быть! По поводу фильтра, думаю пора его поставить и заново проверять. Возможно гдето провод коротнул, пересмотри выходы и хорошо заизолируй кембриком оголённые выводы с высоким напряжением! :smile: Продолжай в том же духе. Монтируй переключатели , гнёзда вход выход регуляторы, крепи трансик и распаивый выходной каскад. Ссылка на комментарий Поделиться на другие сайты Поделиться
Гость bakinbard Опубликовано 19 Октября, 2009 в 08:56 Жалоба Поделиться Опубликовано 19 Октября, 2009 в 08:56 Собрал все на шасси, распаял. Первый пуск - без ламп, выход нагрузил динамиком. Замерил подаваемые напряжения - пред 180В, 6П14П 330В, на транс 320В, накальные такие же как и без нагрузки мерил. Ставлю лампы, грею, потом подаю анодное. Подключаю гитару - звука нет. На включение/выключение анодного динамик реагирует несильными щелчками. Если ухо поднести - слышно шипение, на фон не похоже, именно шипение. Да, конденсатор С1 стоял 6800пФ, заменил на 1,5нФ - разницы никакой. Все прозвонил, вроде все Ок... :smile: Гляньте, пожалуйста, фотки, может ваш зоркий глаз заметит что-то неладное. Ссылка на комментарий Поделиться на другие сайты Поделиться
Гость mastersound Опубликовано 19 Октября, 2009 в 15:10 Жалоба Поделиться Опубликовано 19 Октября, 2009 в 15:10 Первым делом необходимо промерять режимы ламп! Для этого замерять напряжения на катодных резисторах R8,R9 а также Rк1 и Rк2. потом напряжения на анодах ламп 6Н2П выводы 1 и 6. Также выходной каскад- катод вывод 3, Анод вывод 7, экранная сетка вывод 9 и написать сюда результаты измерений! Ссылка на комментарий Поделиться на другие сайты Поделиться
Гость bakinbard Опубликовано 19 Октября, 2009 в 18:01 Жалоба Поделиться Опубликовано 19 Октября, 2009 в 18:01 Все померил, вот результаты (все регуляторы в среднем положении): Лампа1 3 (катод) - 1,12В 8 (катод) - 1,07В 1 (анод) - 100В 6 (анод) - 103В Лампа2 3 (катод) - 1,03В 8 (катод) - 0,92В 1 (анод) - 105В 6 (анод) - 111В Оконечник 3 (катод) - 9,2В 7 (анод) - 312В 9 (сетка) - 320В Если не ошибаюсь, на сетке напряжение значительно меньше анодного должно быть, иначе до анода оно не дойдет? Ссылка на комментарий Поделиться на другие сайты Поделиться
Гость mastersound Опубликовано 19 Октября, 2009 в 18:26 Жалоба Поделиться Опубликовано 19 Октября, 2009 в 18:26 по поводу напряжения на экранной сетке скорее всего да! ты не перепутал выходы А и В? если нет тогда сопротивление в добавочной плате между выходамиА и В на 1 ком надо увеличить до 10 ком! В остальном режимы приемлемые, и звук должен быть! попробуй коснуться отвёрткой к выводам управляющих сеток , начиная с выходной лампочки - пройдись до первой лампы и входного гнезда. По мере приближения к входному гнезду фон переменного тока должен возрастать и становиться громче! Скорее всего ошибка в сигнальных цепях, возможно провода перепутаны или не туда припаяны. Ссылка на комментарий Поделиться на другие сайты Поделиться
Гость bakinbard Опубликовано 19 Октября, 2009 в 19:47 Жалоба Поделиться Опубликовано 19 Октября, 2009 в 19:47 (изменено) Отверткой попробовал - фон услышал только когда выводы второй лампы задевал (гейновой). А и B не перепутал, нашел резистор 12кОм 1Вт, сейчас попробую перепаять по-быстрому. Получил 330В на аноде и 290В на сетке. Звука нет... Снова пробила искра, но предохранитель цел, я понял где - как раз эта схемка, там у меня "B" рядом с массой, напряжение большое, видимо ее и прошибает. Обязательно переделаю! скорее всего там и прошивает, надо подальше разнести эти выводы! а по звуку возможно шнур не стыкуется, потому что если есть фон значит усилитель работает, посмотри что там у тебя со входом. может подать сигнал от микрофона вместо гитары,чтобы проверить наверняка -------------------------------------------------------------------------------------------------------------------- Почему-то совсем не реагирует, если прямо джек отверткой задеть, по идее самый большой фон должен быть. Что-то не то и на входе, не пойму. Изменено 19 Октября, 2009 в 19:50 пользователем mastersound Ссылка на комментарий Поделиться на другие сайты Поделиться
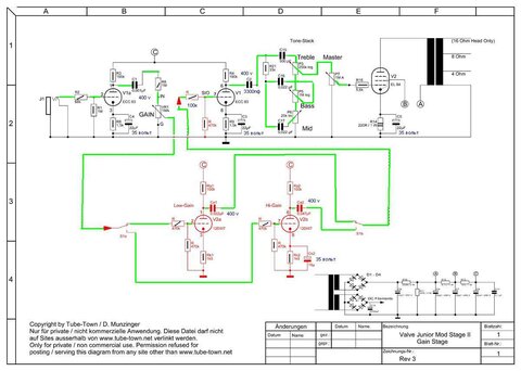
Гость mastersound Опубликовано 19 Октября, 2009 в 19:55 Жалоба Поделиться Опубликовано 19 Октября, 2009 в 19:55 Проверяй полностью распайку выводов от входа до динамика - сигнальные цепи!!! Выключи питание и путём прозвонки китайским тестером в режиме пищалки, прозвони каждый провод выделенный на этой схеме зелёным цветом. Также прозвони переключатель режимов! Ссылка на комментарий Поделиться на другие сайты Поделиться
Гость bakinbard Опубликовано 19 Октября, 2009 в 20:07 Жалоба Поделиться Опубликовано 19 Октября, 2009 в 20:07 (изменено) Накануне вообще все дорожки и соединения прозванивал - обрывов не нашел. mastersound, огромное Спасибо за помощь! Завтра прозвоню по этой схеме. И фильтр БП постараюсь как можно быстрей переделать. :smile: ------------------------------------------------------------------------------------------------------------------------- Прозвонил сигнальные цепи, весь путь по схеме что вы вчера мне отметили, все нормально. Тумблер тоже в порядке. Попробовал на вход подключить плеер как источник - работает все-таки, но ооочень тихо, даже на максимальных громкостях еле слышно... Думаю что гдето есть ошибка! или не по номиналу стоит какойто резистор!!! Попробуй ещё отключить блок гейн, и соедини входной каскад с драйвером перемычкой , как я нарисовал на схеме красной линией. И снова подай сигнал с плеера, чтобы сравнить громкость Попробовал без гейна, вроде даже еще тише стало. Повнимательней схему посмотрел, вот что обнаружил: два резистора идущие к сетке второго триода (1 лампа) на принципиальной схеме 100к и 470к, а в печатке оба обозначены по 470к! Возможно я впаял оба по 470к и один из них и душит сигнал. Маркировку разобрать не могу, тестер на обоих намерил 230к, может нагрелись... Поискать резистор на 100к, попробовать заменить? Изменено 23 Октября, 2009 в 19:26 пользователем mastersound Ссылка на комментарий Поделиться на другие сайты Поделиться
Гость mastersound Опубликовано 20 Октября, 2009 в 17:56 Жалоба Поделиться Опубликовано 20 Октября, 2009 в 17:56 1) Да - от сетки на корпус 470к - Жёлтый,Фиолетовый, Жёлтый, золотистый(серебристый) второй - от сетки на регулятор по схеме стоит 470 ком, для увеличения усиления лучше поставить 100ком ( коричневый, чёрный , жёлтый,золотистый или серебристый) 2) Кроме этого ещё раз померяй напряжение на выходной лампочке прямо на панельке между выводами 2 и 3. И для уверенности ,если есть запасные лампы попробуй заменить по одной сравнивая уровень громкости, выбери лучшие!!! В преде лучше 6Н2П!!! у неё усиление побольше, а выходные лампочки тоже подбери которая получше запоёт! 3)Попробуй другой динамик! Кстати вопрос - схему Гейна восстановил? 4) Есть подозрение на выходной трансик... Но нужно подать для уверенности сигнал с плеера на регулятор звука Мастер! если звука не будет, значит транс... Напряжения в норме, пред работает а Мощи нет... Вывод - выходной каскад! но необходимо сузить круг поиска. Лампочки выходные ты подставлял, результатов ноль! Короче давай сигнал с плеера на регулятор звука Мастер а потом будем точно знать. 5) Гейновский блок тоже работает судя по прошлым твоим сообщениям! Выходит что не работает Драйвер!!! подай сигнал с плеера на среднюю точку регулятора "Гейн" предварительно отсоединив схему Гейна, как в прошлый раз с красной перемычкой. 6) Значит не усиливает этот каскад (Драйвер) Померяй напряжение между ножками 7 и 8 лампы Л1, должно быть от 1 до 2 вольт. возможно этот триод сиьно заперт минусовым напряжением (более 2х вольт.) Ещё к выводу 7 припаян резистор R на 100 ком. попробуй заменить его другим например на 10 ком. А лампы подбирал? Ссылка на комментарий Поделиться на другие сайты Поделиться
Гость bakinbard Опубликовано 20 Октября, 2009 в 18:30 Жалоба Поделиться Опубликовано 20 Октября, 2009 в 18:30 (изменено) Есть! :smile: Резистор на 100к все исправил! Почти на минимуме громкость такая же как на максимуме была. Завтра послушаю как следует, сейчас спят уже все... На выводах 2 и 3 (6П14П) 8В. По лампам, есть в общем счете 6Н2П - 3шт, 6Н3П - 2шт, 6Н1П - 1шт. Это ведь все двойные триоды НЧ, их можно менять друг на друга? 6П14П штук 6, так что можно повыбирать. Нет, все равно еле слышно, громкость как в снятых наушниках... :smile: Да восстановил, вчера с ней еще включал. Пробовал 5ГДШ-4, какой-то японский примерно таких же размеров но на 8Ом и 10ГД-30Е. Первый естественно чуть громче, т.к. на 4 Ом, но все равно недостаточно. Гитару даже с внешней педалью - прислушиваться надо, она без усилка громче звучит. :smile: Сегодня еще перепаивал темброблок - а то сначала так припаял, что параметры увеличиваются когда прочив часовой крутишь. Левые и правые провода потенциометров поменял местами, вроде все по схеме нормально. Попробовал на Мастер с плеера сигнал послать - орет что надо, на минимуме даже работает (переменник 500к). Значит и оконечник и транс работают. Тогда либо пред, либо темброблок. Кстати это ведь из-за переменников может быть? Я недавно комбик на микросхеме собирал другу - пред работает, оконечник тоже, звука нет. Ломал голову, потом оказалось переменник глючил. Может опять нарвался... Блок "Гейн" отключил, перемычку поставил, сигнал на средний вывод гейна. Звук есть, но в разы тише, чем напрямую к Мастеру. Да, подбирал, 2 из 3. :smile: Особо большой разницы не заметил, но те две что поставил в этом порядке, помоему звучат чуть громче. Оконечник тоже менял. Когда громкость будет, можно еще попробовать подобрать, когда слышно что-то будет. Сейчас замеры сделаю. 1,15В на 7 и 8 выводах Л1... Нашел резистор 20к, попробовать заменить или нельзя, раз напряжение в норме? Первый триод все портит! Сейчас впаял 20к вместо 100к во второй каскад, работает. Подключаю не к гейну, а во входной джек - почти не слышно, даже не заметил сначала, а должно быть еще громче. Может С1 или R6 подобрать в каких-то пределах? Изменено 23 Октября, 2009 в 19:31 пользователем mastersound Ссылка на комментарий Поделиться на другие сайты Поделиться
Гость mastersound Опубликовано 21 Октября, 2009 в 20:21 Жалоба Поделиться Опубликовано 21 Октября, 2009 в 20:21 (изменено) 1) нарисовал схему проверки сигналов. а) припаяй конденсатор указанного на схеме номинала б) подсоедини к нему провод длиной около 30 см. в) подай на вход комбика сигнал с плеера г) пройдись по контрольным точкам с 0 по 8 и проверь усиление каскадов д) о результатах напиши сюда. Изменено 24 Октября, 2009 в 09:39 пользователем mastersound Ссылка на комментарий Поделиться на другие сайты Поделиться
Рекомендуемые сообщения