Гость -ib- Опубликовано 7 Сентября, 2009 в 16:04 Жалоба Поделиться Опубликовано 7 Сентября, 2009 в 16:04 (изменено) Забыл отписаться. :smile: Вообщем колонки которые мне привезли оказались не ахти. 1гд-2-180 - 1ват 4ома. Соеденил всю гелянду вместе сейчас попробую. Уже думаю а може подойдет какае автомобольная акустика? Изменено 7 Сентября, 2009 в 16:26 пользователем -ib- Ссылка на комментарий Поделиться на другие сайты Поделиться
Гость mastersound Опубликовано 7 Сентября, 2009 в 16:08 Жалоба Поделиться Опубликовано 7 Сентября, 2009 в 16:08 думаю тебе надо спрсить динамик от телевизора у друга , который подарил тебе БП , на трансе ТСА 270! Ссылка на комментарий Поделиться на другие сайты Поделиться
Гость -ib- Опубликовано 7 Сентября, 2009 в 16:35 Жалоба Поделиться Опубликовано 7 Сентября, 2009 в 16:35 Уровень громкости приблизился к приемлемому и достаточному. В связке 3гдш -8ом впаралель двум 1гл-4ом соединеных последовательно. Но все очень хрустело и гремело на басах особено в дисторшене. При почти выкрученых басах звучало более менее удобоваримо. Много ли изменений потребуется для пределки выхода на две лампы 6п-14п? С большей мошностью будет и вариаций с динамиками побольше. Ссылка на комментарий Поделиться на другие сайты Поделиться
Гость minich Опубликовано 7 Сентября, 2009 в 20:12 Жалоба Поделиться Опубликовано 7 Сентября, 2009 в 20:12 (изменено) Тебе нехватает динамиков, их мощности наоборот мало. Поэтому и хрипы и шляпа разная по басам, да и не должно там басов быть. Подключи отдельно 10гд с Радиотехники, как вариант(отдельно от остальной внутрянки колонок не вынимая их из корпуса). На лампу вроде как с запасом должны быть дины. Уж извините, не помню, у тебя выходной транс на 8-ми омную нагрузку или как? Для переделки надо выходник искать Изменено 7 Сентября, 2009 в 20:51 пользователем minich Ссылка на комментарий Поделиться на другие сайты Поделиться
Гость -ib- Опубликовано 8 Сентября, 2009 в 12:58 Жалоба Поделиться Опубликовано 8 Сентября, 2009 в 12:58 понятно. Другой выходник может стать проблемой, я поэксперементирую еще с динамиками лучше, пока ничего не меняя Ссылка на комментарий Поделиться на другие сайты Поделиться
Гость mastersound Опубликовано 8 Сентября, 2009 в 18:44 Жалоба Поделиться Опубликовано 8 Сентября, 2009 в 18:44 Привет Максим! внимательно прочти ЛС и проверь вариант! а по поводу трансика есть идея, если ты не повыкидывал то что у тебя накопилося завтро прикинем. Но прежде опыты с коробком. :smile: Ссылка на комментарий Поделиться на другие сайты Поделиться
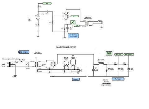
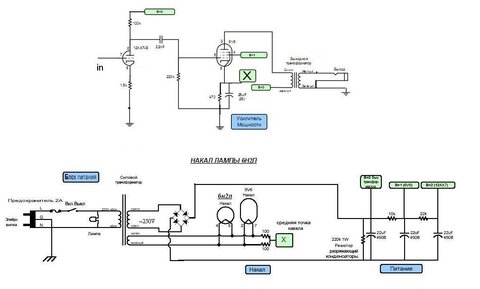
Гость vadim2k8 Опубликовано 12 Сентября, 2009 в 08:59 Жалоба Поделиться Опубликовано 12 Сентября, 2009 в 08:59 Добрый день всем. Думаю не стоит открывать новую тему, так как у меня тоже это первый усилок, и первые же проблемы с ним... Вобщем, собрал гитарный усилитель по связке: преамп - маршалл жцм 900, оконечник - Фендер чамп. Все работает, звук красивый, громкий, хоть и через 10гдш-1М40. Но есть проблема: фон 50 гц... не от накала это точно, так как когда отключаю анодное, пока лампы разряжают кондеры, успеваю насладиться чистым звуком без всякой гадости... как только подаю анодное обратно - опять лезет фон...а откуда он прет - никак не могу найти =(( может кто подскажет ,чем его отфильтровать можно? Фото и схемы - ниже... Схема.pdf Ссылка на комментарий Поделиться на другие сайты Поделиться
Гость mastersound Опубликовано 12 Сентября, 2009 в 09:23 Жалоба Поделиться Опубликовано 12 Сентября, 2009 в 09:23 Если оконечник вместе с блоком питания собран точно по схеме Фендер чамп, то надо поставить между кенотроном и первым конденсатором фильтра дроссель от лампового телевизора или радиолы, а также первый конденсатор фильтра увеличить с 22 μF до 100μF. PS. дроссель можно заменить электронным аналогом описаным в схеме Александра _https://datagor.ru/amplifiers/tubes/page,1,1,907-dvukhtaktnyjj-usilitel-na-gu-32.html Ссылка на комментарий Поделиться на другие сайты Поделиться
Гость vadim2k8 Опубликовано 12 Сентября, 2009 в 11:54 Жалоба Поделиться Опубликовано 12 Сентября, 2009 в 11:54 (изменено) Если оконечник вместе с блоком питания собран точно по схеме Фендер чамп,то надо поставить между кенотроном и первым конденсатором фильтра дроссель от лампового телевизора или радиолы, а также первый конденсатор фильтра увеличить с 22 μF до 100μF. PS. дроссель можно заменить электронным аналогом описаным в схеме Александра _https://datagor.ru/amplifiers/tubes/page,1,1,907-dvukhtaktnyjj-usilitel-na-gu-32.html Извиняюсь, не тот файл прикрепил, питание не с кеном, а с диодным мостом. Схема оконечника ниже Изменено 12 Сентября, 2009 в 11:55 пользователем vadim2k8 Ссылка на комментарий Поделиться на другие сайты Поделиться
Гость mastersound Опубликовано 12 Сентября, 2009 в 13:36 Жалоба Поделиться Опубликовано 12 Сентября, 2009 в 13:36 а какая разница, с кенотроном или с мостом? суть темы не изменяется! поставь между мостом и первым конденсатором фильтра дроссель от лампового телевизора или радиолы, а также первый конденсатор фильтра увеличить с 22 μF до 47μF. Хорошо бы установить дополнительно перед дросселем конденсатор 47-100 μF. Дроссель можно заменить электронным аналогом, искуственную среднюю точку накала заземлить как на дороботанной схеме. Ссылка на комментарий Поделиться на другие сайты Поделиться
Гость vadim2k8 Опубликовано 13 Сентября, 2009 в 18:22 Жалоба Поделиться Опубликовано 13 Сентября, 2009 в 18:22 а какая разница, с кенотроном или с мостом?суть темы не изменяется! поставь между мостом и первым конденсатором фильтра дроссель от лампового телевизора или радиолы, а также первый конденсатор фильтра увеличить с 22 μF до 47μF. Хорошо бы установить дополнительно перед дросселем конденсатор 47-100 μF. Дроссель можно заменить электронным аналогом, искуственную среднюю точку накала заземлить как на дороботанной схеме. Спасибо, попробую так сделать, дроссель только найду... Еще проблема проявилась - тут вообще в непонятках почему так: Периодически, звук гитары начинает очень сильно напоминать смесь бульканья с хрипом и пропадает громкость практически до 0, причем проявляется это на разных уровнях громкости. Лампы ставил разные ,нашел несколько 6н2п-ев новых, ецц83 тоже новых, та же ерунда... остается пока грешить на вых. транс. Сам транс с радиолы Кантата-М, вернее железо от него, а катушка от твз1-9 с домоткой на 8 ом(подключено было на 4ом, так как динамик тоже на 4), между Ш и I пластинами конденсаторная бумага в 1 слой, стянут тоже нормально. После такой ерунды ,нормальный звук появляется после минут 10 простоя усилка в отключенном виде... Ссылка на комментарий Поделиться на другие сайты Поделиться
Гость mastersound Опубликовано 13 Сентября, 2009 в 18:31 Жалоба Поделиться Опубликовано 13 Сентября, 2009 в 18:31 померяй режимы ламп в рабочем состоянии и сравни когда пропадает звук. возможно какой то резистор после нагрева теряет контакт и звук пропадает. в первую очередь померяй напряжение на катодном резисторе выходной лампы. Проверь кондеры фильтра питания, полярность и качество. Ссылка на комментарий Поделиться на другие сайты Поделиться
Рекомендуемые сообщения