Перейти к содержанию

Первый ламповый комбик


Гость -ib-

Рекомендуемые сообщения

Полезное:

• F.A.Q. Я Новичок, Как Выбрать Эл.гитару?

• F.A.Q. Я Новичок. Как Сделать, Чтоб Всё Запело-заиграло

• Собираем первый НЕламповый комбик

• Собираем первый ламповый комбик

 

Всем доброго времени суток!

Наверно эта тема перекликается не раз с уже созданными ранее на форуме, но прошу не удалейте ее, мне очень нужна помощь.

 

Ситуация такая: сейчас перехожу с акустической гитары на электро и скорей всего все сбережения уйдут на инструмент. Так что возможность спаять комбик самому меня очень заитересовала.

 

Скажу сразу что мои теоретические познания в радио и электротехнике стремятся к нулю. Паять я умею и с готовой схемой с указанными номиналами деталей и напряжением справлюсь, но чтобы менять что то и варьировать пока для меня это темный лес. Прошу помощи потому что просто не хватает терпения восполнять теорию, поскорей хочется уже начать паять и собирать.

 

интересуют следующие вопросы:

1. усилитель мощностью около 20в.

(честно признаюсь хочется очень именно ламповый, хоть и знаю про трансформатор который скорей всего нужно будет наматывать самому, знаю что сложно, но думаю справлюсь)

Сейчас нужно определиться со схемой выбрать что то конкретное, ваши советы?

мне нравится схема предложеная Slayer'ом здесь , правда там маловато инфомации и опять же трансформаторы, возможно кто то может подсказать схему на готовых трансах?

 

2. динамик(ки).

Какой? Сколько?

3. ну и корпус

Размер, форма. Обьеденить динамик и усилок в одном корпусе или разнести по разными ящиками?

 

За любые советы по 3 пунктам буду очень благодарен.

 

Лампы:

6Ф1П - 4шт , 6Н23П - 1шт , 6П14П -1шт , 6Ф5П -1шт , 6Ф4П - 2шт , 6Ж1П - 2шт , 6Ж5П -2шт , 6П43П-Е - 1шт , 6к13п -1шт

 

Подскажите что из этого мне пригодится, что можно использовать.

Можно ли использовать динамики? Что мне следует искать в магнитофонах?

 

Заранее спасибо.

 

Схема будущего комба

This will get us a good overdrive independent from the distortion of the power stage and will increase the overall volume... far above bedroom level.

У схемы два режима, чистый, накручиваемый до овера good overdrive independent, и дисторшн.

 

post-2213-1254506906_thumb.jpg

 

И отдельно БП

post-2465-1246797777_thumb.jpg

 

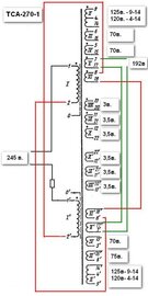
Транс ТСА270-1 со всеми перемычками и напругами.

post-2465-1247504722_thumb.jpg

 

Блок питания БП-7

post-2213-1254561672_thumb.jpg

Изменено пользователем Datagor
Ссылка на комментарий
Поделиться на другие сайты

  • Ответов 394
  • Создана
  • Последний ответ

Топ авторов темы

Топ авторов темы

Изображения в теме

Ну на счет лампового комба я не скажу, но скажу за другие - собрал в инете парочку схем и одну сделал сам(объединил три схемы) - если хочешь кину тебе их.

А на счет корпуса - лучше будет все одной байдой сделать, ибо будет удобно переносить(но в случаи с отдельной головой и кабинетом можно будет менять кабинет), а размеры расчитать на программе. А динамик лучше прикупить гитарный - где то от 1.5 и более тыс. рублей выйдет

Ссылка на комментарий
Поделиться на другие сайты

Согласен! Динамики лучше гитарные но вполне подойдут 20ГДС1-19. Для желающих оспорить вот ссылка на характеристики _https://akvarium12.-мы не распространяем ссылки на [народ.ру]-/20_gdc-1-16.htm_ и даже 35ГДН подойдут; так же ссылочка на характеристики _https://www.peps.ku.ru/audio/35gdn-1-8.htm_ Из ламп подойдут 6п14п в качестве выходных ( 20Вт с них не получишь но качественных 10 гарантирую ) Подойдут 6н23п вместо 6н2п по схеме <slayer> ну вот вроде и все из перечисленного. Спроси у <slayer> по трансам может чего подскажет.

Ссылка на комментарий
Поделиться на другие сайты

По трансам прежде всего надо знать какими ты распологаешь трансами, то есть что где скрутил. Возможно подойдут трансы (есстественно с перемоткой) из магнитофонов, которые ты там вверху указал. И надо айти еще одну 6П14П. А может и две.

Ссылка на комментарий
Поделиться на другие сайты

По трансам прежде всего надо знать какими ты распологаешь трансами, то есть что где скрутил. Возможно подойдут трансы (есстественно с перемоткой) из магнитофонов, которые ты там вверху указал. И надо айти еще одну 6П14П. А может и две.

 

В самом крайнем случае можно использовать 6П14П и 6П43П вместе, они похожи. Но это только в самом крайнем случае если парную лампу найти не получится.

Ссылка на комментарий
Поделиться на другие сайты

Всем большое спасибо за советы.

 

Продалжаем... :smile:

 

По динамикам, как бы их использовать в паре с чем то и сделать типа двухполосника или только один динамик и в этом случае нужны ли фильтры?

И может посоветуете что то конкретное из гитарных динамиков? Чтобы такое чтоб недорого и хорошо :smile:

 

Откопал следующий транс ТС 180-2, правда состояние не ахти у него, поржавел он, нужно еще проверить , но может подойти?

 

лампы думаю найду

 

Ах да! Еще откопал советский стабилизатор "Жигули". Думаю врятли смогу исползовать его трансформаторы, тем более ни как не смог определить их модель. Оставил как матерьял для перемотки.

Ссылка на комментарий
Поделиться на другие сайты

динамики (точнее динамик) ещё можно взять у Ерасова, там и Селешены и Йенсены чего только нет. Динамик только один, если по денюшкам траблы. В последствии каб на 4/ 12" соберёшь и будет тебе счастье :smile: , Транс твой очень даже некисло подходит в кач-ве силового для комбика а ля Классик Ерасов(тот же Фендер) с небольшёй переделкой и транса и схемы от классика. Выходник тоже там же взять ибо найти на такую мощность выходник хороший проблема, самому намотать врядли сразу получиться :smile: Лампы или 4 6п14п или пару 6п3с(лучше 6п3с Е), по форм фактору рекомендую делать отдельно голову, отдельно каб(практичнее) если только для дома то можно и на3 - 5Вт сделать на одной 6п14п и паре 6н2п с перегрузом и прочими радостями. По громкости мало точно не будет. У меня сейчас инет глючит малость после переустановки винды, попозже ссылочки и схемы выложу, сорри.

Самого те же проблемы терзали и терзают

post-2009-1244457049_thumb.jpg

вот простенький комбо на 3-х лампочках 3-5 Ват

лампочки 2 шт. 6н2п в преде и одна 6п14п оконечник, транс поменьше какой уже пойдёт, тебе хватит за глаза и за уши :smile:

Ссылка на комментарий
Поделиться на другие сайты

Так разобрал магнитофоны и вот их трансформаторы:

ТП-20-17 мощность 13В

напряжения

11,2

1,0

 

ТП-60-9 мощность 50В

напряжения

18,0/18,0

10,6

5,0

 

1,1/1,1

0,6

0,5

 

Ясно что если хочу их использовтаь то их нужно перематывать.

Но вот что по мощнастям? Хватит ли на что то?

Ссылка на комментарий
Поделиться на другие сайты

2minich

Спасибо большое за схему.

Только пару вопросов возникло вот..

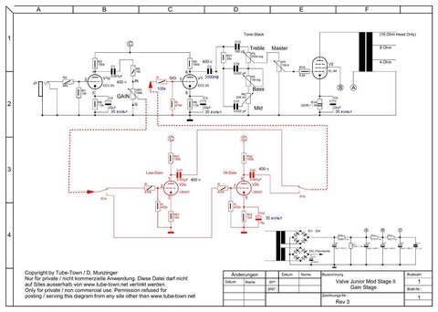
1. Часть схемы сделана красным, это что? И в этой красной части есть еще две лампы, но поскольку речь шла только о трех, то эту чать можно вырезать? И все же что это?

2. Обозначение на выход для колонок, вот оно мне и не понятно. как там выходит, выходной транс стоит?

 

Вопросы наверно нубские, прощу прощения.

Ссылка на комментарий
Поделиться на другие сайты

2minich

Спасибо большое за схему.

Только пару вопросов возникло вот..

1. Часть схемы сделана красным, это что? И в этой красной части есть еще две лампы, но поскольку речь шла только о трех, то эту чать можно вырезать? И все же что это?

2. Обозначение на выход для колонок, вот оно мне и не понятно. как там выходит, выходной транс стоит?

Вопросы наверно нубские, прощу прощения.

1 - Это блок Гейна, эфект "Дисторшн" так называемый, на самом деле там одна лампа, 6Н2П, она как бы состоит из двух половинок, и так обозначается на схемах, посмотри нумерацию ножек, это цифры вокруг лампы на схеме и сразу все станет ясно.

 

2 - На один выход первички подается напруга "А", второй конец подключается в Аноду выходной лампы. Вторичка идет на колонки, там транс просто так намотам с тремя отводами для разных нагрузок.

Надеюсь доступно обьяснил. Удачи.

Ссылка на комментарий
Поделиться на другие сайты

Гость
Эта тема закрыта для публикации ответов.
  • Последние посетители   0 пользователей онлайн

    • Ни одного зарегистрированного пользователя не просматривает данную страницу

×
×
  • Создать...