s.k. Опубликовано 25 Февраля, 2010 в 15:51 Жалоба Поделиться Опубликовано 25 Февраля, 2010 в 15:51 (изменено) Ну вот! В коллективном труде родилась схема фильтра в отрицательном плече питания унч. Для схем с потреблением выше 1 А полевые транзисторы лучше использовать в корпусе ТО-3Р: IRFP140/9140, например. И стОит, наверное, напомнить,что ЭД лучше всего применять в схемах с постоянным потреблением тока (усилители класса "А"). Для других "потребителей" лучше использовать параметрический (классический) стабилизатор. ИМХО, конечно... Изменено 27 Февраля, 2010 в 16:30 пользователем Datagor Ссылка на комментарий Поделиться на другие сайты Поделиться
Гость alexander59 Опубликовано 27 Февраля, 2010 в 10:27 Жалоба Поделиться Опубликовано 27 Февраля, 2010 в 10:27 (изменено) Для схем с потреблением выше 1 А полевые транзисторы лучше использовать в корпусе ТО-3Р: IRFP140/9140, например. И стОит, наверное, напомнить,что ЭД лучше всего применять в схемах с постоянным потреблением тока (усилители класса "А"). Для других "потребителей" лучше использовать параметрический (классический) стабилизатор. ИМХО, конечно... Спасибо за совет. Я делаю усилитель класса "А". Обязательно-ли транзистор в металлическом корпусе? Купил уже 540 и 9540, а какое падение напряжения на транзисторе необходимо для нормальной работы ЭД? Если вольта 3 то помножив к примеру на 2А имеем 6Вт. ИМХО с большим запасом. Или не так? Да! Еще видел по схеме вместо постоянного резистора который 1Вт. ставят подстроечный, это для регулировки вых. напр. или устанавливать падение напряжения на транзисторе? Ответьте кто может пояснить. Очень поможете замечаниями и поправками к схеме. Заранее благодарен. Изменено 27 Февраля, 2010 в 10:55 пользователем alexander59 Ссылка на комментарий Поделиться на другие сайты Поделиться
Гость glc Опубликовано 27 Февраля, 2010 в 12:08 Жалоба Поделиться Опубликовано 27 Февраля, 2010 в 12:08 А вы посчитайте какое напряжение у вас будет на затворе транзистора.Тогда можно будет сказать сколько на нём будет падать Ссылка на комментарий Поделиться на другие сайты Поделиться
s.k. Опубликовано 27 Февраля, 2010 в 18:20 Жалоба Поделиться Опубликовано 27 Февраля, 2010 в 18:20 Спасибо за совет. Я делаю усилитель класса "А". Обязательно-ли транзистор в металлическом корпусе? Купил уже 540 и 9540, а какое падение напряжения на транзисторе необходимо для нормальной работы ЭД? Если вольта 3 то помножив к примеру на 2А имеем 6Вт. ИМХО с большим запасом. Или не так? В данной схеме падение примерно 5 вольт (проверено на практике). Для корпуса ТО-220 2А при таком падении многовато... Нужен неслабый радиатор. Компромиссное решение - корпус с бОльшей подложкой - ТО-3Р (транзисторы IRFP150/IRFP9240, например). Ну а если в металле (BUZ900/905), то вообще идеально... Да! Еще видел по схеме вместо постоянного резистора который 1Вт. ставят подстроечный, это для регулировки вых. напр. или устанавливать падение напряжения на транзисторе? Ответьте кто может пояснить. Очень поможете замечаниями и поправками к схеме. Заранее благодарен. Подстроечник лучше не ставить, т.к. там рассеивается довольно большая мощность (ок.0,6Вт), а обычные подстроечники рассчитаны на 0,125-0,25 Вт. Изменением сопротивления можно добиться значения падения напряжения на полевике в пределах 3-7 вольт, более широкие пределы не целесообразны, ИМХО. Ссылка на комментарий Поделиться на другие сайты Поделиться
Гость alexander59 Опубликовано 1 Марта, 2010 в 05:18 Жалоба Поделиться Опубликовано 1 Марта, 2010 в 05:18 Подстроечник лучше не ставить, т.к. там рассеивается довольно большая мощность (ок.0,6Вт), а обычные подстроечники рассчитаны на 0,125-0,25 Вт.Изменением сопротивления можно добиться значения падения напряжения на полевике в пределах 3-7 вольт, более широкие пределы не целесообразны, ИМХО. Подстроечник С5-2- 1ВТ. Спасибо за пояснения. Приятно когда люди отзывчивые! На практические уроки совсем нет времени, а хочется знать "как это работает". По книжным примерам все понятно, как посмотришь на другую схему - чешешь "репу"! Вопрос - откуда там 0,6Вт? U=40в, R=10ком, значит ток в делителе 0,004А, еще ток затвора - 1мА? 40*0,005=вроде получается 0,2Вт. Для упрощения верхнее плече делителя в расчет не брал. (Будьте пожалуйста терпимы - "грешно смеяться над больными людьми"!)??? Ссылка на комментарий Поделиться на другие сайты Поделиться
ads Опубликовано 28 Мая, 2010 в 07:53 Жалоба Поделиться Опубликовано 28 Мая, 2010 в 07:53 А вот, кстати, в свежей статье (https://datagor.ru/amplifiers/solid-state/1268-follover-mechty-i-realnost.html) в схеме очень похоже. или это просто фильтр? Ссылка на комментарий Поделиться на другие сайты Поделиться
s.k. Опубликовано 3 Июня, 2010 в 07:27 Жалоба Поделиться Опубликовано 3 Июня, 2010 в 07:27 Электронный дроссель как раз и был взят из этой схемы Чуффоли... :smile: Ссылка на комментарий Поделиться на другие сайты Поделиться
stslam Опубликовано 22 Ноября, 2012 в 08:56 Жалоба Поделиться Опубликовано 22 Ноября, 2012 в 08:56 А не подскажет ли мне многоуважаемая общественность - как правильно расчитать такой девайс? Или сразу готовые данные - какой полевик взять и какие номиналы обвязки какой мощности? Требуется получить 1.2В постоянки со сверхмалым уровнем пульсаций (при токе нагрузки 2,5 А (а еще лучше - 5А)), задержка полной напруги не критична, но 1 секунда - идеал. Ссылка на комментарий Поделиться на другие сайты Поделиться
Yamazaki Опубликовано 22 Ноября, 2012 в 09:56 Жалоба Поделиться Опубликовано 22 Ноября, 2012 в 09:56 Транзистор - любой мощный полевик, подходящий по току,напряжению и рассеиваемой мощности. Если нужно 5А, подойдёт большинство IRFов, IRLов и т.п. Мощный полевик можно добыть из старого компьютерного БП. Неплохо бы знать, какое исходное напряжение у вас, что за потребитель. Может быть выгоднее сделать DC-DC преобразователь... Ссылка на комментарий Поделиться на другие сайты Поделиться
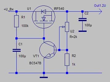
Гость saloed Опубликовано 22 Ноября, 2012 в 20:47 Жалоба Поделиться Опубликовано 22 Ноября, 2012 в 20:47 Размер источника питания критичен (чем меньше - тем лучше). "Классический" блок у меня полстола занимает :smile: Какие токи и напряжения смотреть в даташитах? Т.е. между чем и чем? И, да, к стыду своему - я не умею считать транзюковую обвязку :smile: Вот например схемка: конденсатор С1 плавно заряжается до напряжения 1,3в, которое получается на делителе R1/VD1, это же напряжение мы получаем на затворе, и, соответственно на стоке транзистора. Номинал резистора R1 подбирается по напряжению на входе. Ссылка на комментарий Поделиться на другие сайты Поделиться
stslam Опубликовано 23 Ноября, 2012 в 10:03 Жалоба Поделиться Опубликовано 23 Ноября, 2012 в 10:03 Спасибо! Глупые вопросы - от 8 вольт постоянки - запустится? - а если на IRF740 заменить? Ссылка на комментарий Поделиться на другие сайты Поделиться
Yamazaki Опубликовано 23 Ноября, 2012 в 10:38 Жалоба Поделиться Опубликовано 23 Ноября, 2012 в 10:38 (изменено) конденсатор С1 плавно заряжается до напряжения 1,3в, которое получается на делителе R1/VD1, это же напряжение мы получаем на затворе, и, соответственно на стоке транзистора Наверно всё-таки на истоке) Напряжение на нем будет меньше, чем на затворе на величину большую, чем Vth, то есть для данного транзистора минимум вольта на четыре. Значит стабилитрон нужен вольт на пять или немного больше. И затем либо подобрать транзистор по Vth (а у полевиков разброс довольно большой, на пару десятых вольта можно подогнать), либо включить в схему подстроечник, что гораздо проще. Отсюда следуют требования к источнику питания. Вольт 8-9 постоянки будет вполне достаточно. Кстати, можно тупо воткнуть LT1084... тащит 5 ампер, допускает падение напряжения 1В, пульсации давит отлично. Изменено 23 Ноября, 2012 в 10:45 пользователем yamazaki Ссылка на комментарий Поделиться на другие сайты Поделиться
Рекомендуемые сообщения
Для публикации сообщений создайте учётную запись или авторизуйтесь
Вы должны быть пользователем, чтобы оставить комментарий
Создать учетную запись
Зарегистрируйте новую учётную запись в нашем сообществе. Это очень просто!
Регистрация нового пользователяВойти
Уже есть аккаунт? Войти в систему.
Войти