Гость сергеев сергей Опубликовано 8 Февраля, 2009 в 06:22 Жалоба Поделиться Опубликовано 8 Февраля, 2009 в 06:22 Сложность в подборе конденсаторов шунтирующих накал и после диода. С разными лампами ведет себя по-разному. Может уйти в инфра колебания. Ссылка на комментарий Поделиться на другие сайты Поделиться
Гость avgur Опубликовано 14 Февраля, 2009 в 15:48 Жалоба Поделиться Опубликовано 14 Февраля, 2009 в 15:48 Если у вас некаторая другая схема с ета лампа - пожалуйста спрашивайте. Схема Ув.Манакова А.И. С драйвером 6Э5П- Хорошая и проверенная схема. Ссылка на комментарий Поделиться на другие сайты Поделиться
Гость unax Опубликовано 19 Февраля, 2009 в 08:56 Жалоба Поделиться Опубликовано 19 Февраля, 2009 в 08:56 Вот еще вариант. Оцените) может попробуете. Ссылка на комментарий Поделиться на другие сайты Поделиться
TANk Опубликовано 19 Февраля, 2009 в 10:30 Жалоба Поделиться Опубликовано 19 Февраля, 2009 в 10:30 Сравни со схемой Манакова. Одно питание в 300вольт или два источника один из которых аж на 700вольт. Если я соберусь сделать источник питания на 700-800 вольт, то я буду на выход ставить уже не 6С33С, а ГМ-70 :smile: Ссылка на комментарий Поделиться на другие сайты Поделиться
Гость unax Опубликовано 19 Февраля, 2009 в 14:47 Жалоба Поделиться Опубликовано 19 Февраля, 2009 в 14:47 Сравни со схемой Манакова. Одно питание в 300вольт или два источника один из которых аж на 700вольт. Если я соберусь сделать источник питания на 700-800 вольт, то я буду на выход ставить уже не 6С33С, а ГМ-70 :smile: Танк шмальнул снарядом критики))) попытаемся слепить динамическую защиту :smile: или увернуться.. 1) В огророде не ростет ГМ-70, она не у всех есть :smile: 2) ГМ-70 в однатактнике - это уже совсем другой трансформатор нежеле для 6С33С 3) Можно использовать 1 обмотку там на 280 примерно и удвоитель напряжения для запитки всего предварительного. Конечно, я знаю что Александр сейчас дабьет мою защиту другими довыдами, но всетаки. /* уже заслышал шум гусенец! Уползаю в другую тему :smile: */ Ссылка на комментарий Поделиться на другие сайты Поделиться
TANk Опубликовано 19 Февраля, 2009 в 18:12 Жалоба Поделиться Опубликовано 19 Февраля, 2009 в 18:12 Счас ядреной бомбой кину :smile: Внимательно смотрим на сообщение №2 первая картинка. Чем она отличается от картинки в ообщении №15 и на добивку по пунктам. 1. Покажите мне огород где растут 6С33С? Я в него наведаюсь с большим рюкзаком. 2. Трансформаторы для 6С33С и для ГМ-70 одного поля ягоды (на одном огороде растут). И на тот и на другой нужно железо от ОСМ-0.4 и 2.5 кг меди на каждый транс, чтобы запело. пункт 3 пока устоял :smile: Ссылка на комментарий Поделиться на другие сайты Поделиться
Гость вкн Опубликовано 19 Февраля, 2009 в 19:32 Жалоба Поделиться Опубликовано 19 Февраля, 2009 в 19:32 Судари, не угодно-ли Вам примириться! Я давно, в ламповом детстве (лет 11 назад) пробовал 6с33с. Судя по отсутствию ЗДЕСЬ моих комментариев - неудачно. Лампа хорошая, но "тугая". Надо многое вложить в этот проект, и не только меди и трансформаторной стали. Ссылка на комментарий Поделиться на другие сайты Поделиться
TANk Опубликовано 19 Февраля, 2009 в 19:49 Жалоба Поделиться Опубликовано 19 Февраля, 2009 в 19:49 Судари, не угодно-ли Вам примириться! мы так по свойски по дружески. Лампа хорошая, но "тугая". Надо многое вложить в этот проект, и не только меди и трансформаторной стали. Да, еще нужно еще много конденсаторного алюминия, как следует пропитанного хорошим электролитом. Ссылка на комментарий Поделиться на другие сайты Поделиться
Гость unax Опубликовано 20 Февраля, 2009 в 02:58 Жалоба Поделиться Опубликовано 20 Февраля, 2009 в 02:58 Счас ядреной бомбой кину :smile: Внимательно смотрим на сообщение №2 первая картинка. Чем она отличается от картинки в ообщении №15 и на добивку по пунктам. 1. Покажите мне огород где растут 6С33С? Я в него наведаюсь с большим рюкзаком. 2. Трансформаторы для 6С33С и для ГМ-70 одного поля ягоды (на одном огороде растут). И на тот и на другой нужно железо от ОСМ-0.4 и 2.5 кг меди на каждый транс, чтобы запело. пункт 3 пока устоял :smile: Ладно ладно)) //поднял белый флаг :smile: Ну всеравно трансформаторы наматываются разнам проводом хотяб.. Может у tubeamplifier есть готовый для 6С33С. Судари, не угодно-ли Вам примириться!Я давно, в ламповом детстве (лет 11 назад) пробовал 6с33с. Судя по отсутствию ЗДЕСЬ моих комментариев - неудачно. Лампа хорошая, но "тугая". Надо многое вложить в этот проект, и не только меди и трансформаторной стали. Уважаемый, вкн, безспорно мы и не думали ругацо) так просто подискутировали... чтоб в теме было больше альтернатив и мнений, чтоб товарищу tubeamplifier было над чем подумать :smile: То что тугая лампа уже понятна, что затратная тоже! завести ее могут хорошо только опытные "ламповые деды".. Проект сложный, особенно для новичков у которых в организме еще нехватка меди, железа, алюминия настояного на электролите)) Но пока сам не наступишь на грабли.... Я вот тоже в своем "ламповом детстве" которое кокраз сейчас) хочу эти лампы услышать "собственноручно" так сказать. Ссылка на комментарий Поделиться на другие сайты Поделиться
TANk Опубликовано 20 Февраля, 2009 в 07:18 Жалоба Поделиться Опубликовано 20 Февраля, 2009 в 07:18 Вот намотал выходной трансформатор на 6С33С Сердечник ПЛ32х50 от 700Вт кинаповского автотрансформатора. Провод ∅ 0.8мм все обмотки. Ra 1.1k/4 Om Этого провода у меня много. А вот 0.28-0.35 для намотки выходника на ГМ-70 даже на один транс не хватит. Индуктивность первички 7 Гн получилась. Вот такая вот железяка впритык по размерам и параметрам. По идее надо было из двух таких трансов сделать один ШЛ сердечник на 30 см^2 и мотать на нем. Тогда было бы как раз. Ссылка на комментарий Поделиться на другие сайты Поделиться
Гость servo Опубликовано 20 Февраля, 2009 в 09:47 Жалоба Поделиться Опубликовано 20 Февраля, 2009 в 09:47 Tank, а где фото и моточные данные? Прошу в студию! :smile: Ссылка на комментарий Поделиться на другие сайты Поделиться
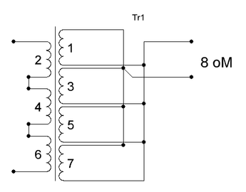
Гость tubeamplifier Опубликовано 26 Февраля, 2009 в 05:49 Жалоба Поделиться Опубликовано 26 Февраля, 2009 в 05:49 А мой вьходний транс взглядит так как на прикрепений файль. Скажите пожалуйста етого варианта хороший или нет. Железо - Ш 20 см2. Все обмотки 500 / 0,55 мм. Ссылка на комментарий Поделиться на другие сайты Поделиться
Рекомендуемые сообщения
Для публикации сообщений создайте учётную запись или авторизуйтесь
Вы должны быть пользователем, чтобы оставить комментарий
Создать учетную запись
Зарегистрируйте новую учётную запись в нашем сообществе. Это очень просто!
Регистрация нового пользователяВойти
Уже есть аккаунт? Войти в систему.
Войти