Гость avals Опубликовано 25 Апреля, 2015 в 19:01 Жалоба Поделиться Опубликовано 25 Апреля, 2015 в 19:01 Пожалуйста, решите всего один пример на закон Ома:..................... Какая активная мощность выделится на конденсаторе и куда она будет деваться? Забавно. Я, почему то считал, что расчёт выделяемой на сопротивлении мощности при протекании через него тока описывается Законом Джоуля — Ленца. А, оказывается, это Закон Ома :smile: неграмотные комментарии "профессионального электронщика". Моя неграмотность не помешала Вам в сообщении №46 написать, практически, плагиат на моё сообщение №№ 43 и 45. :smile: Ой! Наверное это не плагиат - независимое исследование! На которое ушёл весь рабочий день, судя по времени. Впрочем, то что Сергей don pedro свою задачу решит, у меня сомнений нет. Тратить время на решение Ваших, высосанных из пальца, задач как то не хочется. Засим, оставляю Вас при Вашем ненавязываемом мнении. Ссылка на комментарий Поделиться на другие сайты Поделиться
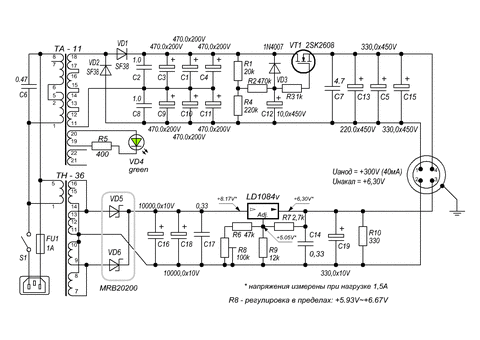
Гость don pedro Опубликовано 27 Апреля, 2015 в 20:46 Жалоба Поделиться Опубликовано 27 Апреля, 2015 в 20:46 После долгих прикидок решил так: все четыре обмотки на ТН-36 в параллель, потом мост из Шоттки, например 1N5820, дальше ёмкость на 10 тыщ или больше, потом стаб LT1084 например, ну и до 3х ампер можно грузить. Вот только есть сомнения по поводу выпрямительных диодов, а может есть мост из них подходящий, или по две штуки в сборке, надо покопать, но в общем думаю, что с шоттками и лоудропм всё получится. Огромное спасибо за помощь и понимание :smile: Ссылка на комментарий Поделиться на другие сайты Поделиться
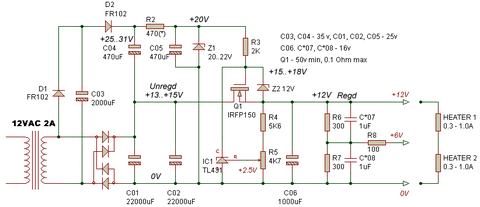
Lexter Опубликовано 28 Апреля, 2015 в 00:30 Жалоба Поделиться Опубликовано 28 Апреля, 2015 в 00:30 (изменено) ... все четыре обмотки на ТН-36 в параллель, потом мост из Шоттки... Прошу прощения за нас в Вячеславом - мы отвлеклись на спор между собой и так и не смогли как следует рассказать вам более оптимальное, на наш взгляд, решение: Аргументы: обмотки с отводом (5В-6,3В) не совсем идентичны обмоткам без отвода (6,3В) и лучше бы всё же их не параллелить; Падение напряжения на мостовом выпрямителе больше на напряжение одного диода (всегда включены два последовательно), по сравнению с выпрямителем со средней точкой; сдвоенные диоды бывают в корпусе ТО220 - удобно крепить на один радиатор вместе со стабилизатором. Именно это я пытался сказать вам с своём первом ответе (Сообщение #42). С ёмкостью конденсатора только ошибся. Изменено 28 Апреля, 2015 в 00:31 пользователем Lexter Ссылка на комментарий Поделиться на другие сайты Поделиться
Гость don pedro Опубликовано 28 Апреля, 2015 в 04:49 Жалоба Поделиться Опубликовано 28 Апреля, 2015 в 04:49 (изменено) Спасибо! Так и сделаю, обмотки таки да не идентичны. Сегодня постараюсь выкроить немного времени для посещения радиорынка, надеюсь у них есть для меня нужных стабилизаторов. Изменено 28 Апреля, 2015 в 04:49 пользователем don pedro Ссылка на комментарий Поделиться на другие сайты Поделиться
Гость don pedro Опубликовано 28 Апреля, 2015 в 14:04 Жалоба Поделиться Опубликовано 28 Апреля, 2015 в 14:04 (изменено) Кстати, в писючных БП стоЯт сборки из двух Шотток, судя по параметрам, нормально подходят для этого дела :smile: У меня этих блоков штук пять валяется, я их использую как корпуса, ну и кондёры там есть в количестве двух штук, годные в анодное по схеме удвоения или на выход в хэдамп. Изменено 28 Апреля, 2015 в 14:08 пользователем don pedro Ссылка на комментарий Поделиться на другие сайты Поделиться
Гость avals Опубликовано 28 Апреля, 2015 в 21:22 Жалоба Поделиться Опубликовано 28 Апреля, 2015 в 21:22 обмотки таки да не идентичны. Не идентичны на сколько? Вы проверяли напряжения или уравнивающие токи? Я параллелил все обмотки в ТН-13, ТН-30. По справочнику это нормальный режим. Да и работают без проблем. Ссылка на комментарий Поделиться на другие сайты Поделиться
shaytan Опубликовано 28 Апреля, 2015 в 22:28 Жалоба Поделиться Опубликовано 28 Апреля, 2015 в 22:28 Я параллелил все обмотки в ТН-13, ТН-30. Да и работают без проблем. Аналогично Ссылка на комментарий Поделиться на другие сайты Поделиться
Гость don pedro Опубликовано 29 Апреля, 2015 в 12:07 Жалоба Поделиться Опубликовано 29 Апреля, 2015 в 12:07 Не идентичны на сколько? Вы проверяли напряжения или уравнивающие токи?Я параллелил все обмотки в ТН-13, ТН-30. По справочнику это нормальный режим. Да и работают без проблем. Проверял по напряжениям, даже небольшой перекос дает поправку в сторону уменьшения общего напряжения, плюс, как уже отмечалось, падение напряжения на одном диоде меньше. а вообще попробую разные варианты. Сегодня таки купил стабилизатор. Просил LT1084 ADJ, дали, проишел домой прочитал под микроскопом - LD1084V. Почитал даташыты, вроде одно и то же. В общем, сначала попробую по две обмотки с общей точкой - два шоттки в сборке - 20 тыщ ёмкости - LD1084v на радиаторе Ссылка на комментарий Поделиться на другие сайты Поделиться
Гость avals Опубликовано 29 Апреля, 2015 в 20:49 Жалоба Поделиться Опубликовано 29 Апреля, 2015 в 20:49 Проверял по напряжениям А Вы проверьте по уравнивающим токам. Мой опыт общения с ТАН / ТА / ТН, имеющие несколько обмоток с одинаковыми напряжениями, говорит о том, что они параллелятся без каких либо проблем, не взирая на наличие промежуточных выводов и, даже, в более сложных случаях. Например ТА-115 с парами обмоток 250, 224, 25 Вольт, при соединении двух последних последовательо, а, затем, параллельно первой, спокойно отдаёт свои 250 Вольт. Ссылка на комментарий Поделиться на другие сайты Поделиться
Гость don pedro Опубликовано 30 Апреля, 2015 в 03:44 Жалоба Поделиться Опубликовано 30 Апреля, 2015 в 03:44 Обязательно попробую запараллелить все обмотки, только нужно будет тогда мост на Шоттки ставить. А с ТАН-ТН-ТА у меня тоже всегда все в порядке было, хоть их и не любят почему-то некоторые. На анодное, например, нашел у себя ТА-11, сделаю по схеме удвоения. Ссылка на комментарий Поделиться на другие сайты Поделиться
Гость avals Опубликовано 30 Апреля, 2015 в 18:49 Жалоба Поделиться Опубликовано 30 Апреля, 2015 в 18:49 нужно будет тогда мост на Шоттки ставить. Да не на мост! Зачем Вам падение на 2-х диодах? Мы Вас тут вдвоём уже который раз уговариваем на двухполупериодный выпрямитель! Ссылка на комментарий Поделиться на другие сайты Поделиться
Гость don pedro Опубликовано 30 Апреля, 2015 в 19:33 Жалоба Поделиться Опубликовано 30 Апреля, 2015 в 19:33 Так я так и буду делать! Я Вас не понял видимо, думал, что Вы мне предлагаете запараллелить все четыре обмотки) Ссылка на комментарий Поделиться на другие сайты Поделиться
Рекомендуемые сообщения
Для публикации сообщений создайте учётную запись или авторизуйтесь
Вы должны быть пользователем, чтобы оставить комментарий
Создать учетную запись
Зарегистрируйте новую учётную запись в нашем сообществе. Это очень просто!
Регистрация нового пользователяВойти
Уже есть аккаунт? Войти в систему.
Войти