Перейти к содержанию

Стабилизированный накал ламп


Рекомендуемые сообщения

  • 3 месяца спустя...
  • Ответов 82
  • Создана
  • Последний ответ

Топ авторов темы

Топ авторов темы

Изображения в теме

Купил недавно серьезные наушники, слышу теперь всё - в том числе и слабый сетевой фон, на который в принципе можно было бы и забить, но я его уже заметил и он мне "спать нормально не дает".

Решил от этого дела избавиться, первое что пришло на ум собрать стабилизатор накала ламп, бо слышал что помогает. Усь наушниковый СРПП по схем Александра (TANk) _ https://datagor.ru/amplifiers/tubes/108-str...naushnikov.html

 

Перечитал эту ветку, но так и не понял:

1. достаточно ли типовой схемы включения стаба 7806 (по ДШ) или в добавок все-равно нужна средняя точка с резистивного делителя на которую подавать положительный потенциал?

2. в усилителе 2 лампы 6н23п, накалы соединены параллельно и соответственно накальная обмотка и стаб для них общий, по току как раз хорошо укладываюсь. Есть ли какие-то подводные камни в этом случае? Видел схемы, где для каждой лампы народ мотал отдельную накальную обмотку. На сколько этот момент принципиален?

Ссылка на комментарий
Поделиться на другие сайты

Привет Володя! Спасибо за помощь.

 

Тут вот ещё какое дело, только что експерименту ради выкопал старый CD-плеер, с батарейным питанием, с него в усь и в уши, и заметил что в паузах фона нет - гробовая тишина на максимальной громкости, фон возникает только в режиме проигрывания и слышно его исключительно в интро и в кодах.

 

Возникло ощущение что мож и не в усе дело, а запись страдает либо ЦАП у плеера. Диски слухал лицушные (имеются у меня подарочные в подлинности которых не сомневаюсь, группы серьезные врядли выпускали бы диски с поганым качеством записи).

Вообщем буду разбираться.

Ссылка на комментарий
Поделиться на другие сайты

1. достаточно ли типовой схемы включения стаба 7806 (по ДШ) или .....

 

Достаточно. Но качественнее будет, если через балластик ну очень большую ёмкость закатать. Кстати литы на 6,3В - нормально, да и на 10000 μF размерчик так себе. Да и не дефицит. Накрайняк в хламе компьютерном полно литов на 6,3 В.

Ссылка на комментарий
Поделиться на другие сайты

  • 11 месяцев спустя...

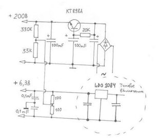
Сейчас вылизываю ламповый ушник ( вариация на тему Лаконик 06 по статье ogmetra ). Накал сделал стабилизированный на LDO1084 ( сейчас минус стабилизированного накала просто с землёй анодного соединен ). Вычитал в этой теме совет уважаемого Tanka - "Но лучше если стабилизатор накала будет висячий, а на искусственно сделанную (из двух одинаковых сопротивлений по 100 Ом) среднюю точку подать относительно земли положительный потенциал. Примерно половину анодного напряжения (но не более чем максимально допустимое напряжение между катодом и подогревателм, у 6Н23П это 100в). Тогда получится что паразитный вакуумный диод между накалом и катодом смещен в обратном направлении и даже малейшей связи и влияния на сигнальную катодную цепь накал оказывать не будет. Емкостная связь (через емкость катод подогреватель) работать не будет, так как через накал идет постоянный ток. Связи через паразитный диод тоже не будет, так как они смещен в обратном направлении. После этого о влиянии накальной цепи на сигнальную можно забыть".

 

Нарисовал схему под моё понимание этого совета - так правильно или нет?

post-158-1309424054_thumb.jpg

Ссылка на комментарий
Поделиться на другие сайты

Правильное понимание. Так и надо сделать. Я иногда от ленивости (правда не в ушном усилителе) напряжение смещения с делителя тупо подключаю к одному из концов накальной обмотки. Без всякой искусственной средней точки.

Ссылка на комментарий
Поделиться на другие сайты

  • 5 месяцев спустя...

Здравствуйте

Подскажите как подключать виртуальную среднюю точку в случае использования двух анодных трансформаторов (двойное моно), и при том что в усилителе используются сдвоенные лампы в одном баллоне - 6н2п, у которых накал общий.

Ссылка на комментарий
Поделиться на другие сайты

Ток в цепи смещения накала практически не течет. Можно сделать простейший резистивный сумматор.

резисторы в 300кОм с анодных источников каждого из каналов соединяются с резистором 50 кОм который зашунтирован конденсатором 0.2-1 μF (пленка бумага) на землю.

Тогда подпорка на смещение 6Н2П будет появляться даже когда включено анодное только одного из каналов.

Ссылка на комментарий
Поделиться на другие сайты

  • 2 года спустя...

схема.PDFУважаемые добрый день

 

блок питания для ламп 6н2п или есс83. Как Вы и советовали подать на накал половину положительного напряжения вольт так 50 но у меня ничего не получается как только не высчитывал по разным формулам.

Помогите пожалуйста разобраться что не так-получаемые напряжения для разных делителей я указал на схеме.

 

Заранее благодарен за помощь.

Валерий

Ссылка на комментарий
Поделиться на другие сайты

Надо правильно спаять схему, тогда все получиться

 

post-44-1414396823_thumb.jpg

 

Огромная благодарность Александр

да похоже невнимателен был

завтра сделаю и доложу о результатах

 

С уважением Валерий

Ссылка на комментарий
Поделиться на другие сайты

Для публикации сообщений создайте учётную запись или авторизуйтесь

Вы должны быть пользователем, чтобы оставить комментарий

Создать учетную запись

Зарегистрируйте новую учётную запись в нашем сообществе. Это очень просто!

Регистрация нового пользователя

Войти

Уже есть аккаунт? Войти в систему.

Войти
  • Последние посетители   0 пользователей онлайн

    • Ни одного зарегистрированного пользователя не просматривает данную страницу

×
×
  • Создать...