vitivsev Опубликовано 22 Июня, 2018 в 13:36 Жалоба Поделиться Опубликовано 22 Июня, 2018 в 13:36 Ссылка на комментарий Поделиться на другие сайты Поделиться
Him Опубликовано 22 Июня, 2018 в 16:55 Автор Жалоба Поделиться Опубликовано 22 Июня, 2018 в 16:55 Дело в том, что я переделываю этот усилитель, а не восстанавливаю. В родном блоке питания 485-490 В анодки на холостом ходу и они просаживались дросселем и прочим до 320 В. А теперь, при переделке блока питания, эти 485 В умножаются на 1,2 и получается 580-590 В. 😞 Переделка планируется на эту схему. Из родной остаются лампы, трансы и дроссель. Ну и конечно родной корпус. Ссылка на комментарий Поделиться на другие сайты Поделиться
vitivsev Опубликовано 22 Июня, 2018 в 18:36 Жалоба Поделиться Опубликовано 22 Июня, 2018 в 18:36 (изменено) Цитата При переделке столкнулся с кучей неприятных сюрпризов. Первый: силовик на 110В без возможности перемотки на 220- слишком мало окошко. Второй- слабая накальная обмотка, общая для всех ламп и заземлённая на экран внутри силовика. Значит, от фона переменного тока не избавиться никак. И о хорошем перегрузе можно даже не думать - больше ламп, чем там есть не влезет, обмотка не потянет. Третий: выходной каскад был включен после дросселя, который сжирал аж 60(!) вольт анодки. Естественно, выходная мощность и динамика была никакая. Причём, конденсаторы фильтра тоже были включены после дросселя. Попытка включить их до дросселя привело к тому, что анодка подскочила с 360 до 440В. Пришлось перебрать целый ящик, пока не нашлась пара, выдерживавшая такое напряжение. Но впоследствии я не стал испытывать судьбу и поставил пару 6П3С-ЕВ. принятое автором решение несколько сомнительно к повтору … у вас другие условия и напряжения под 580-590 Вольт, Перемотка родного железа без кенотрона., ТС для диодного моста: ТС - EI 96 Sc = 32х56 So = 16x48; да как же удалить изображение, неправильно кое что указал Изменено 22 Июня, 2018 в 18:43 пользователем vitivsev Ссылка на комментарий Поделиться на другие сайты Поделиться
vitivsev Опубликовано 23 Июня, 2018 в 09:14 Жалоба Поделиться Опубликовано 23 Июня, 2018 в 09:14 16 часов назад, Him сказал: Дело в том, что я переделываю этот усилитель, а не восстанавливаю... Переделывайте БП согласно современных условий. I ~ 230В и т.д. Ссылка на комментарий Поделиться на другие сайты Поделиться
Him Опубликовано 23 Июня, 2018 в 12:00 Автор Жалоба Поделиться Опубликовано 23 Июня, 2018 в 12:00 2 часа назад, vitivsev сказал: Переделывайте БП согласно современных условий. I ~ 230В и т.д. У меня в сети 220 В не всегда бывает. 😞 Вот вам и современные условия. Я переделал БП согласно схемы выше. Ссылка на комментарий Поделиться на другие сайты Поделиться
Him Опубликовано 23 Июня, 2018 в 17:12 Автор Жалоба Поделиться Опубликовано 23 Июня, 2018 в 17:12 22 часа назад, vitivsev сказал: принятое автором решение несколько сомнительно к повтору … у вас другие условия и напряжения под 580-590 Вольт, Перемотка родного железа без кенотрона., ТС для диодного моста: ТС - EI 96 Sc = 32х56 So = 16x48; В чем заключаются сомнения? В самой статье и ее обсуждении, никто не упомянул, что этот проект бестолковый. Отказавшись от кенотрона, мне придется думать куда впендюрить два тумблера ВКЛ и стендбай, а еще останется дырка от кенотрона. А с ним, все выглядит в первозданном виде, если конечно не залазить в подвал. Прежде чем перематывать родной силовой транс, нужно разобраться почему столько на выходе (580-590 В). И как заставить работать БП в правильном режиме. Перемоткой де силовика займусь от безисходности. Ссылка на комментарий Поделиться на другие сайты Поделиться
vitivsev Опубликовано 23 Июня, 2018 в 18:43 Жалоба Поделиться Опубликовано 23 Июня, 2018 в 18:43 Андрей, вы правильно рассуждаете. Не буду больше вам мешать ... Ссылка на комментарий Поделиться на другие сайты Поделиться
Gorbynkov Опубликовано 23 Июня, 2018 в 18:51 Жалоба Поделиться Опубликовано 23 Июня, 2018 в 18:51 В 22.06.2018 в 16:36, vitivsev сказал: Схема БП на ТС-180 А кстати.... S2 - задержка. На сколько лучше ставить? На Ломо УО-4 -е допустим. Ссылка на комментарий Поделиться на другие сайты Поделиться
Him Опубликовано 23 Июня, 2018 в 19:49 Автор Жалоба Поделиться Опубликовано 23 Июня, 2018 в 19:49 1 час назад, vitivsev сказал: Андрей, вы правильно рассуждаете. Не буду больше вам мешать ... То, что мешать не будете - это не плохо. Мешать - может любой. А помочь, нееее? Ссылка на комментарий Поделиться на другие сайты Поделиться
vitivsev Опубликовано 23 Июня, 2018 в 20:30 Жалоба Поделиться Опубликовано 23 Июня, 2018 в 20:30 (изменено) 49 минут назад, Him сказал: А помочь, нееее? даю подсказку, найдите инф. о том, какие бывают выпрямители на кенотроне, почему они бывают без первых емкостей до дросселя и т.д. покрутил программу расчета относительно табличных данных...вот такой результат...если прикинуть толщины проводов и слоев то может быть все получится на вашем железе... и с кенотроном и с напряжениями... Изменено 23 Июня, 2018 в 20:39 пользователем vitivsev Ссылка на комментарий Поделиться на другие сайты Поделиться
Him Опубликовано 23 Июня, 2018 в 21:14 Автор Жалоба Поделиться Опубликовано 23 Июня, 2018 в 21:14 Спасибо Виталий. Но я вот чего не могу понять. Автор той статьи вроде как ни чего не делал с силовым трансом. Я собрал по его схеме и получил совсем другие показатели. Может у меня где ошибка? Но ошибка в лишние 150 В - это по моему, уж слишком. Ссылка на комментарий Поделиться на другие сайты Поделиться
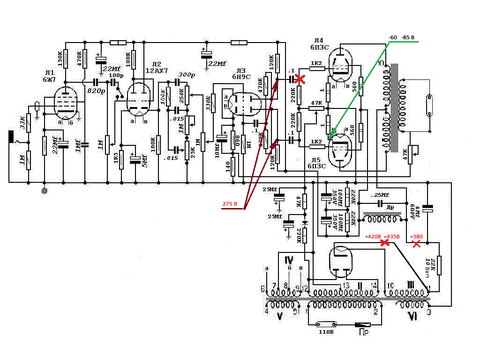
Him Опубликовано 2 Июля, 2018 в 19:05 Автор Жалоба Поделиться Опубликовано 2 Июля, 2018 в 19:05 Привет всем интересующимся. Не знаю на сколько я правильно реализовал решение проблемы. В общем: убрал первые кондеры по 100мФ, а точнее, заменил их на один 4 мФ 600 В. И перед ним воткнул резистор 22кОм на 10 Ватт.10 ватт может и маловато? Анодка стала +375 -- +380 В на панели лампы. без нагрузки. Пока все лампы сняты, стоит воткнутый только кенотрон. Думаю, что 16-18 кОм будут в самый раз для получения +400 В на самой лампе. Попутно тыкал тестером по разным точкам и наткнулся на странную штуку. Смещение регулируется от -60 до -85 В. Начал копаться и наткнулся на такую вещь. Через кондер 0.1 мФ к лампе №4 ток не идет на ногу №5. До него (кандера) есть +275В, а после него нет. Заменил кондер и та же картина. То есть, до обоих кондеров приходит 275 В, а проходит только через один. Отметил на схеме, что и как. Еще такая штукенция: Если крутить подстроечник для смещения, то на 5й ножке оконечной лампы -60 - -85В, а на 8й ножке тоже меняется ток от -90В до -120В Может подскажете в чем проблема и в каком направлении копать? Ссылка на комментарий Поделиться на другие сайты Поделиться
Рекомендуемые сообщения
Для публикации сообщений создайте учётную запись или авторизуйтесь
Вы должны быть пользователем, чтобы оставить комментарий
Создать учетную запись
Зарегистрируйте новую учётную запись в нашем сообществе. Это очень просто!
Регистрация нового пользователяВойти
Уже есть аккаунт? Войти в систему.
Войти