Гость unax Опубликовано 13 Декабря, 2008 в 09:38 Жалоба Поделиться Опубликовано 13 Декабря, 2008 в 09:38 Доброе время суток! Уважаемые товарищи-радиолюбители, прошу помочь разобраться. Опять же самый распространенный вопрос при сборке ламповых УМЗЧ – вопрос о выходном трансформаторе. Немного предыстории. Однажды я уже пытался создать ламповый усилитель (когда учился курсе на 1-ом), намотал трансформатор блока питания – 270 ваттный от старого цветного телевизора использовал, обмотки были отдельные для выходного каскада и для предусилителя и соответственно для накаливания. Выходной трансформатор я тогда тоже наметал – не разбивая по отсекам обмотки использовал Ш-образные пластины сердечник был большой, от старого черно-белого телевизора. В нем при расчетах приходилось по 2 витка на 1 вольт, однако пластины были толстые. Схему подобрал, на подобие вот этой… s49.radikal.ru/i123/0812/e0/361e2182d6b6.jpg (или смотрите файлы прикрепленные к теме) Лампы, правда, использовал 6П44С и 6П36С пробовал… В результате ничего толкового у меня не получилось. :smile: Звук был слабый с искажениями, а аноды ламп грелись :smile: , насколько я помню. К сему прочему сейчас я уже и не помню подробностей и причин моей неудачной конструкции. Сейчас в планах собрать двухтактный ламповый усилитель. :smile: Сейчас я начал с того, что ищу хорошие сердечники для выходного трансформатора. У меня есть 2 трансформатора с сердечниками из тонкой стали, подробности и размеры сердечника на рисунке (художество конечно не очень :smile: ) s58.radikal.ru/i160/0812/dc/399c327130b3.jpg (или смотрите файлы прикрепленные к теме) ТС-80-4 Думаю, какой мощности усилитель можно сделать используя такой трансформатор… Мне необходимо оценить возможности этого сердечника и пригодность его для использования в выходном трансформаторе двухтактного усилителя, прошу вас помочь мне в этом вопросе, своими мнениями и рекомендациями. Жду ваши комментарии, заранее благодарен! Ссылка на комментарий Поделиться на другие сайты Поделиться
Гость вкн Опубликовано 13 Декабря, 2008 в 11:21 Жалоба Поделиться Опубликовано 13 Декабря, 2008 в 11:21 Здравствуйте. Я много мотал на таких ПЛ-ках. Очень хорошее железо (если на торцах "розоватый"налёт) Габаритная мощность 100 ватт. Можно применить до 10-15 ватт выходной двухтактной мощности. К сожалению с парой 6п45с им не справиться... Определяйтесь с выходными лампами - помогу с расчётами. Ссылка на комментарий Поделиться на другие сайты Поделиться
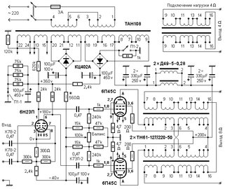
TANk Опубликовано 13 Декабря, 2008 в 11:28 Жалоба Поделиться Опубликовано 13 Декабря, 2008 в 11:28 В приведенной схеме Сергея Комарова используется на выходе пара включенных дифференциально 190Вт накальных трансформатора ТН61. Это почти 400Вт габаритной мощности в пересчете на 220в50Гц. Так что если браться за усилитель на 6П45С то и железо на выходной трансформатор надо искать от 400Вт трансформатора. ОСМ-0.4 например. Ну или на худой конец ТС270 телевизорный можно перемотать на выход. Ссылка на комментарий Поделиться на другие сайты Поделиться
Гость unax Опубликовано 13 Декабря, 2008 в 18:19 Жалоба Поделиться Опубликовано 13 Декабря, 2008 в 18:19 Большое спасибо! Ответили ясно и быстро :smile: Вот я теперь озадачится... буду искать трансформаторы.. 2 причем! :smile: у нас както дефецит пям с ними(( буду искать.. я планирую усилитель ватт на 50 2 канала.. Вот тогда 270 ваттный видимо пойдет, может удастся найти... И еще вопрос.. как 6П36С работают в двухтактном выходе? кто-нибудь пробывал их? просто у меня они есть и ждут своего часа :smile: Ссылка на комментарий Поделиться на другие сайты Поделиться
Гость ogmetr Опубликовано 13 Декабря, 2008 в 20:34 Жалоба Поделиться Опубликовано 13 Декабря, 2008 в 20:34 На мой взгляд, получить 50Вт от 6П36С очень проблематично даже в пентодном включении. Реально до 30Вт отсюда ОСМ-0,16 идеальный вариант. У ТС-180 железо не очень. Ссылка на комментарий Поделиться на другие сайты Поделиться
Гость вкн Опубликовано 14 Декабря, 2008 в 05:29 Жалоба Поделиться Опубликовано 14 Декабря, 2008 в 05:29 Да, и целесообразность 50 ватт на канал - сомнительна. Ссылка на комментарий Поделиться на другие сайты Поделиться
Гость unax Опубликовано 14 Декабря, 2008 в 06:29 Жалоба Поделиться Опубликовано 14 Декабря, 2008 в 06:29 Что-то вы тут наговорили страшного :smile: я чувствую какбы на транзисторах как обычно не пришлось бы все делать :smile: Чем вам 50 ватт не радует? а что это за ОСМ? где они ставились? насчет ТС-180 и его железа.. это, конечно, верно... такие бы достал, один даже есть но там жутко толстые пластины. Ссылка на комментарий Поделиться на другие сайты Поделиться
TANk Опубликовано 14 Декабря, 2008 в 09:36 Жалоба Поделиться Опубликовано 14 Декабря, 2008 в 09:36 ТС-180 имеет сердечник ПЛ навивается он из пластин толщиной 0.35мм В оригинале из железа марки Э330, но в целях экономии могло использоваться и более дешевое и с худшими параметрами. Может вы говорите про трансформатор ТСШ170? Он на Ш I пластинах толщиной 0.5. В принципе тоже подойдет для усилителя. Трансформаторы ОСМ- ставились обычно в станки, разные распределитеные щитки и т.п. промышленное оборудование. Выглядят примерно так как на картинке 50Вт на канал вас самих не обрадует, если только вы не собираетесь небольшой дискотечный зал озвучивать. У меня усилитель 2х22Вт регулятор громкости редко когда поворачивается больше чем на 30% Ну разве что у вас очень дубовые и низкочувствительные колонки. К усилителю 2х50Вт надо цеплять по паре S90 на канал - тогда нормально будет. Нужна вам в квартире такая мощность? А вот 20 Вт на канал с 6П36С выжать вполне реально. Хотя можно и 50. На экранные сетки подать 200в, на аноды вольт 600-650 и 50 Вт с пары 6П36С вытянуть будет можно. Но это уже не начальный уровень усилителя. Начинать лучше с чего нибудь попроще. Посмотрите статью Алексея Шалина на аудиопортале "карманный усилитель с некарманной мощностью" _https://audioportal.su/amplifiers/p2_articleid/5 Ссылка на комментарий Поделиться на другие сайты Поделиться
Гость unax Опубликовано 14 Декабря, 2008 в 10:16 Жалоба Поделиться Опубликовано 14 Декабря, 2008 в 10:16 Спасибо! Интересная схема.. хорошая. Теперь моя задача - найти железо, какое получится, а там уже решу с мощностью и со схемой. такой трансформатор (ОСМ) как раз со станка у меня уже используется в универсальном блоке питания, 160 ватт он рассчитан где-то.. он из 4х получается состоит пакетов П-образных пластин, а если использовать сердечник из 2х как я рисовал в начале темы (только большего размера).. на качества звука не влияет это? тут же только вопрос в площади магнитопровода? ну и следовательно количестве витков в обмотках и сечении провода.. Тоесть проще говоря связь «тип сердечника <=> качество звучания» меня волнует.. Самый оптимальный наверно был бы Ш-образный сердечник… Ссылка на комментарий Поделиться на другие сайты Поделиться
Гость вкн Опубликовано 14 Декабря, 2008 в 12:11 Жалоба Поделиться Опубликовано 14 Декабря, 2008 в 12:11 У меня постоянно живут только два усилителя: SE 6н8с+6с4с = 3 ватта PP на 6п6с (раскачка только одного плеча) = 5-6 ватт. Акустика - 96дБ/вт/м Всё зависит от применяемых колонок. Под какие Вы планируете изготовить усилитель? Ссылка на комментарий Поделиться на другие сайты Поделиться
TANk Опубликовано 14 Декабря, 2008 в 17:09 Жалоба Поделиться Опубликовано 14 Декабря, 2008 в 17:09 unax, Для двухтактного усилителя выходной трансформатор лучше мотать на ПЛ сердечнике. Как в вашем первом посте нарисовано. На двух одинаковых катушках гораздо проще добиться симметричности половинок. Это мое личное мнение. Когдя а мотал трансформаторы для РР усилителя на Ш-железе то я делил каркас на две равные половины текстолитовой перегородкой и каждую половину обмотки мотал в своем отсеке. Пора уже на нашем портале выложить статьи А. Шалина про выходные и силовые трансформаторы на все случаи жизни. Надо только ему в личку написать и спросить разрешения, чтобы все по правильному было. Очень полезные данные для начинающих (и не только) ламповых самодельщиков данные там приведены. Ссылка на комментарий Поделиться на другие сайты Поделиться
Гость вкн Опубликовано 14 Декабря, 2008 в 18:23 Жалоба Поделиться Опубликовано 14 Декабря, 2008 в 18:23 Или создать архив изделий "датагорцев"! Ссылка на комментарий Поделиться на другие сайты Поделиться
Рекомендуемые сообщения
Для публикации сообщений создайте учётную запись или авторизуйтесь
Вы должны быть пользователем, чтобы оставить комментарий
Создать учетную запись
Зарегистрируйте новую учётную запись в нашем сообществе. Это очень просто!
Регистрация нового пользователяВойти
Уже есть аккаунт? Войти в систему.
Войти