Chugunov Опубликовано 18 Мая, 2015 в 10:30 Жалоба Поделиться Опубликовано 18 Мая, 2015 в 10:30 Александр! Всё-таки словами получилось непонятно, по крайней мере для меня. убрал второй канал, оставил только один Убрал - это демонтировал или вторая микросхема включена, её вход на общем проводе, а один вывод динамика подключен к выходу второй микросхемы? Вопрос не праздный - ни у одного из комментаторов на сайте схемнет не возникло и тени сомнений по поводу подключения "мостовой" схемы. Можно использовать плату с мостовым усилителем, но надо добавить на вход простой фазоинверсный каскад, чтобы на входы усилителя сигнал подавался в противофазе и ни один из этих выходов "не сидел" на общем проводе. Ссылка на комментарий Поделиться на другие сайты Поделиться
Allroy Опубликовано 18 Мая, 2015 в 10:41 Автор Жалоба Поделиться Опубликовано 18 Мая, 2015 в 10:41 (изменено) Отключил полностью. т.е. динамик одним концом подключен к выходу микросхемы №1, а второй подключен на землю. В даташите вход микросхемы №2 через резистор 22кОм на землю. А на инвертирующий вход через делитель резисторов R9- R7 подается с выхода микросхемы №1. Сергей, сам модуль с мостовым и без подключением работает непосредственно от компьютера нормально. Проблемы при подключении к темброблоку. Изменено 18 Мая, 2015 в 10:52 пользователем Allroy Ссылка на комментарий Поделиться на другие сайты Поделиться
Chugunov Опубликовано 18 Мая, 2015 в 11:53 Жалоба Поделиться Опубликовано 18 Мая, 2015 в 11:53 1 В даташите вход микросхемы №2 через резистор 22кОм на землю. А на инвертирующий вход через делитель резисторов R9-R7 подается с выхода микросхемы №1.2 модуль с мостовым и без подключением работает непосредственно от компьютера нормально. 3 Проблемы при подключении к темброблоку. 1 Это понятно, но ведь для этого придётся переделывать печатную плату. Я не знаю что для вас проще - небольшая внешняя плата или переделка существующей. 2 Если сигнал от компьютера: выход и общий компьютера подать на оба входа мостового усилителя, всё будет работать так как корпус компьютера и мостового усилителя не соединены. 3 При подключении другой, "немостовой" платы к темброблоку всё нормально? Ссылка на комментарий Поделиться на другие сайты Поделиться
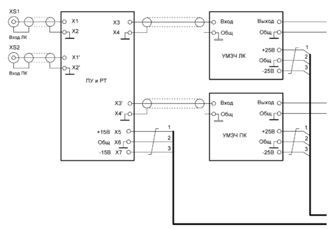
mvv Опубликовано 18 Мая, 2015 в 12:03 Жалоба Поделиться Опубликовано 18 Мая, 2015 в 12:03 Александр, попробуйте соединить оплетку экранированного провода между ПУ и УМЗЧ только с одной стороны, как показано на рисунке. 1 Ссылка на комментарий Поделиться на другие сайты Поделиться
Allroy Опубликовано 18 Мая, 2015 в 12:38 Автор Жалоба Поделиться Опубликовано 18 Мая, 2015 в 12:38 Владимир, если правильно понял "с одной стороны", то оплетку не подключать к усилителю вообще? Если так понял, то гул чуть громче. И вот еще обратил внимание, если сигнальный провод с усилителя(без подключенной оплетки) подсоединить на землю, или на вывод канала с темброблока. то гул одинаковый, как будто это один контакт. Делаю эксперимент, травлю печатную плату по печатке Сергея, и в нее впаяю детали из гудящего усилителя. Еще заметил что этот гудячий усилитель все таки даже подключенный к компьютеру немного гудит, не так громко, но все же заметно. Добавлено после раздумий: Сергей 1. Переделать плату не долго и не сложно, даже приятно) 3. Да,при подключении другой не мостовой платы все работает отлично. Я писал об этом. Ссылка на комментарий Поделиться на другие сайты Поделиться
Chugunov Опубликовано 18 Мая, 2015 в 13:50 Жалоба Поделиться Опубликовано 18 Мая, 2015 в 13:50 Да,при подключении другой не мостовой платы все работает отлично. Напрашивается вывод - дело в шляпе плате. О соединениях и экранировании написано достаточно, но всё равно надо экспериментировать. Только по скелетным схемам не всегда можно найти и устранить источник фона - наводки это одно, а петли - это другое, могут быть и другие причины. *** Хм, это будет моя ворчалка № 2222. Красивый номер, пора из писателей переходить в читатели. Ссылка на комментарий Поделиться на другие сайты Поделиться
Allroy Опубликовано 18 Мая, 2015 в 14:04 Автор Жалоба Поделиться Опубликовано 18 Мая, 2015 в 14:04 (изменено) Сергей поздравляю! :smile: Без Вашего ворчания было бы неправильно! Хоть и ворчите, но как правило по делу! А теперь результаты эксперимента: со старыми элементами, но в новой печатке все РАБОТАЕТ ОТЛИЧНО! Вывод: не*****р брать с интернета легкие, не проверенные варианты! Изменено 18 Мая, 2015 в 14:05 пользователем Allroy Ссылка на комментарий Поделиться на другие сайты Поделиться
Allroy Опубликовано 18 Мая, 2015 в 20:46 Автор Жалоба Поделиться Опубликовано 18 Мая, 2015 в 20:46 (изменено) Вот такой вышел "не гудящий" мостовой усилитель на TDA2030A. А начиналось все с того, что есть у меня пара маленьких динамиков.... :smile: Кстати, не только у Сергея юбилей 2222 сообщений, я как год с Вами :smile: Изменено 18 Мая, 2015 в 20:51 пользователем Allroy Ссылка на комментарий Поделиться на другие сайты Поделиться
mvv Опубликовано 19 Мая, 2015 в 05:08 Жалоба Поделиться Опубликовано 19 Мая, 2015 в 05:08 Александр, нужно было довести дело до конца (убрать гул) и лишь затем собрать новую плату :smile: . Согласен, в Интернете много схем от любителей, не собравших ни одной конструкции, но почему-то сразу проектирующих свою, самую лучшую. 1 Ссылка на комментарий Поделиться на другие сайты Поделиться
Allroy Опубликовано 19 Мая, 2015 в 07:21 Автор Жалоба Поделиться Опубликовано 19 Мая, 2015 в 07:21 Владимир, просто эта печатка точно не фонила, но она у меня была собрана в одном экземпляре, не мостовая. Вот и решил ее "отксерокопировать" :smile: и сделать в мост. С фоном буду на досуге бороться. Сделано то было 2 платы мостовых, одну разобрал, вторая как памятник моей глупости лежит :smile: Ссылка на комментарий Поделиться на другие сайты Поделиться
Datagor Опубликовано 19 Мая, 2015 в 12:28 Жалоба Поделиться Опубликовано 19 Мая, 2015 в 12:28 Вот такой вышел "не гудящий" мостовой усилитель на TDA2030A. Кстати, не только у Сергея юбилей 2222 сообщений, я как год с Вами Поздравляю и Сергея и Александра, каждого со своим :smile: :smile: Спасибо, что вы с нами! Александр, по вашей конструкции нужно сделать итоговый пост, резюме. Прикрепить окончательную схему и печатку, список деталей, ваши рекомендации по выбору деталей, сборке и наладке. Особенности эксплуатации мостового УМЗЧ и т.п. Собственно, получается хорошая статья для начинающих :smile: Ссылка на комментарий Поделиться на другие сайты Поделиться
Allroy Опубликовано 19 Мая, 2015 в 13:22 Автор Жалоба Поделиться Опубликовано 19 Мая, 2015 в 13:22 Игорь обязательно сделаю. Все это собиралось в разное время, множественными попытками, на разных компьютерах. Как все в одно место соберу, выложу. Вот практически готовый вариант того, что собираю. Осталось собрать селектор входов(хотя можно использовать тот что остался), переделать защиту АС (она рабочая, но не подойдет для мостового усилителя) и индикацию шкалу на светодиодах. Но это в скором будущем. З.Ы. Спасибо Владимиру (mvv), с его статей началось у меня новое, очень интересное хобби :smile: Ссылка на комментарий Поделиться на другие сайты Поделиться
Рекомендуемые сообщения
Для публикации сообщений создайте учётную запись или авторизуйтесь
Вы должны быть пользователем, чтобы оставить комментарий
Создать учетную запись
Зарегистрируйте новую учётную запись в нашем сообществе. Это очень просто!
Регистрация нового пользователяВойти
Уже есть аккаунт? Войти в систему.
Войти