solk34 Опубликовано 13 Апреля, 2016 в 12:10 Жалоба Поделиться Опубликовано 13 Апреля, 2016 в 12:10 ... Creative Sound Blaster Live USB SB0490 24bit 5.1 external ... 24-bit converters with resolutions of up to 96 kHz , а у Ямаха ЦАП (192 кГц/24 бит) для всех каналов Но Yamaha RX-V365: STK433-330-E _www.hifiengine.com/manual_library/yamaha/rx-v365.shtml THD=0.4% Подключите на фронт норм усил на транзисторах с THD<0.004% и тогда услышите разницу между Директ и EAX ADVANCED 1 Ссылка на комментарий Поделиться на другие сайты Поделиться
jivchic Опубликовано 13 Апреля, 2016 в 13:57 Автор Жалоба Поделиться Опубликовано 13 Апреля, 2016 в 13:57 да, как будет возможность, на фронт я по-любому буду ставить отдельный усилитель, я так и планировал, унч ямахи только для сателлитов останется... пока кстати не могу получить звук с "линейного выхода" ямахи... пытаюсь чего то получить от разъемов "AUDIO OUT (REC)", из мануала: С помощью записывающий компонентов можно записать только аналоговые аудиосигналы, выводимые через гнездо AUDIO OUT (REC). Поэтому цифровые сигналы, подаваемые на гнезда DIGITAL INPUT или аналоговые сигналы, подаваемые на гнезда MULTI CH INPUT можно выводить через аналоговое гнездо AUDIO OUT (REC) для записи. Ссылка на комментарий Поделиться на другие сайты Поделиться
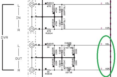
solk34 Опубликовано 13 Апреля, 2016 в 19:27 Жалоба Поделиться Опубликовано 13 Апреля, 2016 в 19:27 ... пока кстати не могу получить звук с "линейного выхода" ямахи.. ... Это проблема для почти всех бюджетных ресов. Нету к них настоящего "линейного выхода" - преаута. Скачайте сервис-мануал и посмотрите, откуда сигнал брать. По хорошему преаут надо выводить прямо со входов STK433-330-E или с вх. разъёма платы с STK433-330-E - но тогда не будут работать ключи "mute". Столкнулся с этим у реса Pioneer VSX-916. Преаут там фикция, просто делители 22кОм/2кОм с выходов УМ. В принципе, на крайний случай можно брать с выхода УМ через делитель - если начальный ток в СТК нормально-достаточный, то УМ на высокоомную нагрузку ~24кОм работает в кл. А с малыми искажениями. Ссылка на комментарий Поделиться на другие сайты Поделиться
jivchic Опубликовано 14 Апреля, 2016 в 03:28 Автор Жалоба Поделиться Опубликовано 14 Апреля, 2016 в 03:28 уникальный этот редактор, мои кривые руки по несколько раз переписывают все сообщения, т.к. неадекватное реагирование на Backspace вместо стирания 10 символов уводит меня на 10 страниц назад :biggrin: теперь сжато: все выходы идут с микросхемы-селектора, на блок-схеме и DVR, и Rec выходы вроде как одно и тоже... но думаю там есть что-то типа селектора, т.е. при использовании DVR in будет подключен и DVR out но мне не надо аналоговый вход... Не зря же они написали: С помощью записывающий компонентов можно записать только аналоговые аудиосигналы, выводимые через гнездо AUDIO OUT (REC). Поэтому цифровые сигналы, подаваемые на гнезда DIGITAL INPUT или аналоговые сигналы, подаваемые на гнезда MULTI CH INPUT можно выводить через аналоговое гнездо AUDIO OUT (REC) для записи. я использую оптический вход, он находится в группе DIGITAL INPUT Ссылка на комментарий Поделиться на другие сайты Поделиться
Datagor Опубликовано 14 Апреля, 2016 в 03:58 Жалоба Поделиться Опубликовано 14 Апреля, 2016 в 03:58 ... т.к. неадекватное реагирование на Backspace вместо стирания 10 символов уводит меня на 10 страниц назад ...Димон, про руки ваше замечание верное. :biggrin:Жать Бэкспейс и иные клавиши нужно, когда фокус ввода у вас находится внутри окошка редактора и вы видите в тексте мигающий курсор. В ином случае, естественно, вы будете управлять чем угодно, кроме редактора - например, будете управлять шорткатами браузера и листать его страницы. Вы получите одинаковый результат на любом радиолюбительском форуме, на форуме грибников, психиатров, или борцов за права муравьедов. Ссылка на комментарий Поделиться на другие сайты Поделиться
jivchic Опубликовано 14 Апреля, 2016 в 04:48 Автор Жалоба Поделиться Опубликовано 14 Апреля, 2016 в 04:48 (изменено) Димон, про руки ваше замечание верное. :biggrin: Жать Бэкспейс и иные клавиши нужно, когда фокус ввода у вас находится внутри окошка редактора и вы видите в тексте мигающий курсор. В ином случае, естественно, вы будете управлять чем угодно, кроме редактора - например, будете управлять шорткатами браузера и листать его страницы. Вы получите одинаковый результат на любом радиолюбительском форуме, на форуме грибников, психиатров, или борцов за права муравьедов. перенесите в тему про работу форума, ну или удалите, спасибо из сотни форумов различных, мне такой редактор попался только здесь, и только в нем такие проблемы, видать от жутко умный, или у меня не подходящий браузер, он фокус, как вы говорите, швыряет не там где он был нужен, и вместо того чтобы стирать последние написанные символы, он стирает, как вы говорите в другом фокусе... например пару слов ранее написанных... это первая из проблем когда я нахожусь в редакторе, нажимая любые кнопки, действие должно распространяться только на редактор, что же он тогда фокус убирает от сюда, я пишу текст, и пользуюсь кнопками навигации... мышь даже не трогаю... и тут мы бэкспейсом уже страницы листаем... это вторая проблема я конечно не призываю ни к каким действиям, руки какие есть, редактор какой есть... буду писать как 15 лет назад, сперва в блокноте, потом сюда )) Изменено 14 Апреля, 2016 в 04:49 пользователем jivchic Ссылка на комментарий Поделиться на другие сайты Поделиться
Datagor Опубликовано 14 Апреля, 2016 в 05:11 Жалоба Поделиться Опубликовано 14 Апреля, 2016 в 05:11 Фокус ввода подчиняется исключительно вам, вашей мышке, клавише Tab и т.п. Повторяю ещё раз, понимаю, что иногда это необходимо: Жать Бэкспейс и иные клавиши нужно, когда фокус ввода у вас находится внутри окошка редактора и вы видите в тексте мигающий курсор. ... буду писать как 15 лет назад, сперва в блокноте, потом сюда )) ...Согласен, для вас это лучшее решение.Можете также попробовать расширенную форму, нажав одноимённую кнопку. Дискуссию о ваших проблемах я на этом закрываю. Пишите по заявленной теме. Нужна будет моя помощь - пишите в личку. Ссылка на комментарий Поделиться на другие сайты Поделиться
Рекомендуемые сообщения
Для публикации сообщений создайте учётную запись или авторизуйтесь
Вы должны быть пользователем, чтобы оставить комментарий
Создать учетную запись
Зарегистрируйте новую учётную запись в нашем сообществе. Это очень просто!
Регистрация нового пользователяВойти
Уже есть аккаунт? Войти в систему.
Войти