Гость MarkoS Опубликовано 9 Октября, 2014 в 06:56 Жалоба Поделиться Опубликовано 9 Октября, 2014 в 06:56 Да за подсказку огромное спасибо, а поповоду происхождения моих конденсаторов Вы немного ошиблись вот собственно и они стояли в старом ламповом авиационном оборудовании. Ещет спросить хотел... на Вашем фото усилителя снизу видны ПТМН и УЛИ, собственно Вы показали изначально первый мой вопрос, немогли бы расказать какие резисторы где в каких цепях дожны стоять. Спасибо. Ссылка на комментарий Поделиться на другие сайты Поделиться
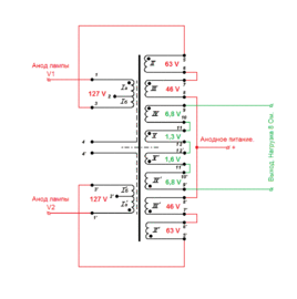
Гость kdtp Опубликовано 9 Октября, 2014 в 10:20 Жалоба Поделиться Опубликовано 9 Октября, 2014 в 10:20 (изменено) Так, интересно, как у Вас дела с трансформаторами? Что удалось (или не удалось) сделать? Про ТС-180-2. Поскольку мы будем его использовать в качестве «настоечного», то «удобоваримых» результатов по звуку ждать от него не приходиться. Повторюсь, мы его включим по рекомендациям С. Комарова. Вот схема его включения. После такой коммутации его (ТС-180-2) надо проверить. Как? Для начала визуальный осмотр и проверка правильности фазировки обмоток при нашей, новой коммутации. Если все сделано правильно (визуально), то можно проверить его через сеть на 220 Вольт. Для этого к выводам; «Анод лампы V1» и «Анод лампы V2», через предохранитель, подключаем сеть в 220 Вольт. Далее, нужно замерить ток ХХ. Он (ток ХХ) должен быть, как минимум, в 2 – 2,5 раза меньше, чем ток ХХ, когда Вы включали этот трансформатор штатно, как силовой (обмотки на 220 Вольт). Этот замер, косвенно, нам подтвердит, что новая коммутация была сделана правильно. Потом, надо замерить напряжение на выводах «Выход. Нагрузка 8 Ом». Вольтметр должен показать, примерно, 7 – 8 Вольт, по переменному току. Может статься, что ток ХХ очень большой, а напряжение НЕ 7 – 8 Вольт, а меньше …, или сгорел предохранитель во время первого включения…, значит где-то, что-то было сделано неправильно. Смотрите, проверяйте, исправляйте и добивайтесь нужных (правильных) результатов. Про резисторы. Выскажу своё мнение. Сразу оговорюсь, оно (моё мнение) чисто субъективное. По-хорошему, где какие резисторы – это не важно. Главное не давать им нагреваться. Поскольку при нагреве (даже не очень сильном), некоторые типы резисторов начинают «плыть». Например, если по расчетам должен стоять резистор мощность в 1 Ватт – ставьте 2 Ватта (или больше, хуже не будет) и буде Вам счастье. А вот по «фен-шую» или по «общепринятой практике» – «уголь» а анодную нагрузку, а «оксидные» или «плёночные» в другие цепи. Кстати, «проволочные» резисторы «именитые мастера» не жалуют. А по мне, так «проволочные» резисторы работают ничуть не хуже «оксидных» или «плёночных» резисторов. Или на оборот? Что-то я запутался…. Вот и Вы тоже..., можете так же запутаться…. Поэтому, я использую чаще всего «плёночные» или «оксидные» - как самые доступные и не дорогие. Только стараюсь их сильно «не насиловать» по температурному режиму. Впрочем, про это я уже писал…. Да…, конденсаторы хороши!!! Эх, были бы они на 400 Вольт, да поставить их в гитарный усилитель (по номиналам то, что надо)…, красота-а-а-а-а. Изменено 9 Октября, 2014 в 10:26 пользователем kdtp Ссылка на комментарий Поделиться на другие сайты Поделиться
Гость MarkoS Опубликовано 9 Октября, 2014 в 10:59 Жалоба Поделиться Опубликовано 9 Октября, 2014 в 10:59 железо со второго трансфоматора оказалось еще хуже, а именно каждая пластина была отдельно, когда я его разобрал он буквально разсыпался у меня в руках, поэтому пытаюсь немного улучшить этот, сейчас он клеется поэтому все замеры уже завтра. А по поводу гитарного усилителя..... жена увлекается игрой на гитаре и электрогитара тоже есть, так что мож потом и к нему руки дойдут.....) Ссылка на комментарий Поделиться на другие сайты Поделиться
Гость kdtp Опубликовано 9 Октября, 2014 в 11:13 Жалоба Поделиться Опубликовано 9 Октября, 2014 в 11:13 ....жена увлекается игрой на гитаре и электрогитара тоже есть.... Уважаю!!! :smile: :smile: Про гитарный усилитель. Если сможем «выжать» из ТС-180-2, более или менее приличные «показатели», то легко сможем «забабахать» гитарный усилитель на 6П3С-Е. Ссылка на комментарий Поделиться на другие сайты Поделиться
Гость MarkoS Опубликовано 9 Октября, 2014 в 11:25 Жалоба Поделиться Опубликовано 9 Октября, 2014 в 11:25 к стати это вариант.... дома нашол 6шт. ламп 6П3С, если они звучат лучше в домашних системах то в этот пойдут они а в гитарный Ешки :smile: Ссылка на комментарий Поделиться на другие сайты Поделиться
Гость kdtp Опубликовано 9 Октября, 2014 в 12:45 Жалоба Поделиться Опубликовано 9 Октября, 2014 в 12:45 Хорошо, хорошо…, с трансформаторами бы разобраться…. Кстати, немного поторопились с ТС-180-2. Торцы то не отшлифовали. Хотя это сложно. Можно и попроще. Можно было бы мелко «накрошить» ферритового порошка. Наверняка у Вас на работе, в «авиационной» радиоаппаратуре, есть ферритовые «чашечки». Например, «чашечка» из светло серого материала, такие как на рисунках. Это чашки из карбонильного железа. Можно было на мелком напильнике напилить не много «пыли». Затем примешать эту «пыль» в клей и этим клеем склеить «подковки» трансформаторного железа…. Ладно, проехали.… Ссылка на комментарий Поделиться на другие сайты Поделиться
Гость MarkoS Опубликовано 9 Октября, 2014 в 15:18 Жалоба Поделиться Опубликовано 9 Октября, 2014 в 15:18 так это не проблема я ток клеил отслоившиеся пластины, а торцы только сейчас буду ставить так что ферита сейчас настругаю и с эпоксидкой перемешаю, спасибо за совет!! :smile: Ссылка на комментарий Поделиться на другие сайты Поделиться
lexsd2008 Опубликовано 9 Октября, 2014 в 15:28 Жалоба Поделиться Опубликовано 9 Октября, 2014 в 15:28 Хорошо, хорошо…, с трансформаторами бы разобраться…. Кстати, немного поторопились с ТС-180-2. Торцы то не отшлифовали. Хотя это сложно. Можно и попроще. Можно было бы мелко «накрошить» ферритового порошка. Наверняка у Вас на работе, в «авиационной» радиоаппаратуре, есть ферритовые «чашечки». Например, «чашечка» из светло серого материала, такие как на рисунках. Это чашки из карбонильного железа. Можно было на мелком напильнике напилить не много «пыли». Затем примешать эту «пыль» в клей и этим клеем склеить «подковки» трансформаторного железа…. Ладно, проехали.… Здравствуйте! А зачем торцы шлифовать и с ферритовым порошком клеить? Что это дает? Ссылка на комментарий Поделиться на другие сайты Поделиться
aleks8845 Опубликовано 9 Октября, 2014 в 15:43 Жалоба Поделиться Опубликовано 9 Октября, 2014 в 15:43 Позвольте присоединиться к вопросу Сергея: А что скажете по поводу конденсаторов Audiophiler ? Добавлено после раздумий: А зачем торцы шлифовать и с ферритовым порошком клеить? Что это дает? Заполняет возможный зазор между подковами, что-бы уменьшить ток ХХ трансформатора. Ссылка на комментарий Поделиться на другие сайты Поделиться
lexsd2008 Опубликовано 9 Октября, 2014 в 15:54 Жалоба Поделиться Опубликовано 9 Октября, 2014 в 15:54 Спасибо! Ясно. Просто не слышал никогда про это Ссылка на комментарий Поделиться на другие сайты Поделиться
Гость MarkoS Опубликовано 9 Октября, 2014 в 17:12 Жалоба Поделиться Опубликовано 9 Октября, 2014 в 17:12 ну все замешал эпоксидку с феритовым порошком, склеил и под 12В поставил, завтра посмотрим что с этого получилось)) Ссылка на комментарий Поделиться на другие сайты Поделиться
Chugunov Опубликовано 9 Октября, 2014 в 17:13 Жалоба Поделиться Опубликовано 9 Октября, 2014 в 17:13 А зачем торцы шлифовать и с ферритовым порошком клеить? Что это дает? Предположу, что доводка до кондициии некондиционного трансформатора займёт слишком много времени и сил, лучше поискать другой вариант, ведь конечная цель - усилитель, а не трансформатор. Ссылка на комментарий Поделиться на другие сайты Поделиться
Рекомендуемые сообщения
Для публикации сообщений создайте учётную запись или авторизуйтесь
Вы должны быть пользователем, чтобы оставить комментарий
Создать учетную запись
Зарегистрируйте новую учётную запись в нашем сообществе. Это очень просто!
Регистрация нового пользователяВойти
Уже есть аккаунт? Войти в систему.
Войти