Гость vtkjvfy Опубликовано 29 Марта, 2014 в 14:18 Жалоба Поделиться Опубликовано 29 Марта, 2014 в 14:18 (изменено) Уважаемые специалисты!!! Прошу вашей помощи, так как сам не бельмеса не понимаю что происходит :smile: ! При подключении РГ на вход появляется шум, менял регуляторы напаивал просто сопротивление и все равно ШУМ! Когда общую точку не сажаю на шасси ужасный гул, корочу РГ на вход, идеальная тишина. А если не закоротить РГ а просто общую подключить на шасси то становится заметно тише но гул все же присутствует. То есть при появлении сопротивления на входе, появляется шум. Изменено 30 Марта, 2014 в 08:53 пользователем vtkjvfy Ссылка на комментарий Поделиться на другие сайты Поделиться
20miha20 Опубликовано 29 Марта, 2014 в 17:33 Жалоба Поделиться Опубликовано 29 Марта, 2014 в 17:33 Шум, в смысле шипение, или что другое? Ссылка на комментарий Поделиться на другие сайты Поделиться
Гость vtkjvfy Опубликовано 29 Марта, 2014 в 17:50 Жалоба Поделиться Опубликовано 29 Марта, 2014 в 17:50 (изменено) Помехи и вроде как наводки?! Трудно описать, на 50 и 100ГЦ вроде не похоже. Выключаю усилитель сразу пропадает искажения, накал отцеплял эффекта нет. Вот видео "https://youtu.be/7FWO0PulFB8" Изменено 29 Марта, 2014 в 17:53 пользователем vtkjvfy Ссылка на комментарий Поделиться на другие сайты Поделиться
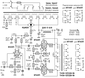
Гость rubenlukin Опубликовано 30 Марта, 2014 в 12:22 Жалоба Поделиться Опубликовано 30 Марта, 2014 в 12:22 Очень похоже как раз на 50 Гц, промодулированных разными наводками. На портале есть статья с обсуждениями и большая ветка форума (ссылка в статье) https://datagor.ru/amplifiers/tubes/165-tubes-6n3p-6p14p.html От себя добавлю, что 6Н2(23)П очень любят экранировку, примерно такую: _https://diy-tubes.ru/tube-socket-plk-9e-55.html Ссылка на комментарий Поделиться на другие сайты Поделиться
Гость vtkjvfy Опубликовано 30 Марта, 2014 в 13:19 Жалоба Поделиться Опубликовано 30 Марта, 2014 в 13:19 У меня как раз такие ламповые панельки, и как раз экранка одета на лампочку. Спасибо почитаю, может что и выделю для себя. И еще, есть некое отступление от предложенной схемы, у меня стоит дроссель на 2,5 Генри за место 5. Может это стать причинной гула или наводок? Ссылка на комментарий Поделиться на другие сайты Поделиться
Гость rubenlukin Опубликовано 30 Марта, 2014 в 13:58 Жалоба Поделиться Опубликовано 30 Марта, 2014 в 13:58 Индуктивности много не бывает, но я бы не заострял на этом внимания. Лучше вокруг накала поискать, это правая часть схемы из статьи, и потом её подробно разжевали на форуме. Недавно собрал усилитель на 6Ф1П (но без хай-фай требований) -- там вообще решилось переменником на 1 кОм, движок на общий, остальное на накальную обмотку. Ссылка на комментарий Поделиться на другие сайты Поделиться
Гость vtkjvfy Опубликовано 30 Марта, 2014 в 14:30 Жалоба Поделиться Опубликовано 30 Марта, 2014 в 14:30 Напаял еще один дроссель, без эффекта! Про накал я писал выше! Отключаю накал БЕЗ изменений наверно даже когда искусственную точку от цепаю шума меньше. И еще раз формулирую вопрос, почему при появлении сопротивления на входе появляется этот шум????То есть когда я прослушиваю музыку без потенциометра и ставлю воспроизведение на паузу в моих КИНАП 4а-28 ИДЕАЛЬНАЯ ТИШИНА! Но при появлении РГ начинается эта канитель, и еще при выкручивании в ноль РГ шум есть, то бишь РГ не сажает?! Когда в максимум РГ шума нет?!?! Повторяю напаивал разные потенциометры с разными сопротивлениями и классом. Выручайте, желания почти иссякло, уже нет желания конструировать более сложные схемы. :smile: :smile: Ссылка на комментарий Поделиться на другие сайты Поделиться
20miha20 Опубликовано 30 Марта, 2014 в 16:30 Жалоба Поделиться Опубликовано 30 Марта, 2014 в 16:30 Номинал регулятора? И, возможно, "земляные" петли. Накал подпёрт постоянкой, или нет? Ссылка на комментарий Поделиться на другие сайты Поделиться
TANk Опубликовано 30 Марта, 2014 в 18:42 Жалоба Поделиться Опубликовано 30 Марта, 2014 в 18:42 Все таки наверное где то неправильности в монтаже. Усилитель самовозбуждается. Резисторы по 300 ком в сеточных цепях 6Н23П уменьшить до 100 кОм и посадить непосредственно на выводы ламповой панели как можно ближе к лампе. Накал подпирать надо вольт на 100 (чтобы подпорка была выше напряжения на катоде драйверной лампы). Ну и как обычно дежурная рекомендация как следует промыть панельки спиртом/бензином. Укоротить болтающиеся провода. Ссылка на комментарий Поделиться на другие сайты Поделиться
Гость vtkjvfy Опубликовано 4 Апреля, 2014 в 06:33 Жалоба Поделиться Опубликовано 4 Апреля, 2014 в 06:33 Что то не помогает нечего! :smile: :smile: Ссылка на комментарий Поделиться на другие сайты Поделиться
ads Опубликовано 4 Апреля, 2014 в 07:02 Жалоба Поделиться Опубликовано 4 Апреля, 2014 в 07:02 (изменено) А можно фото монтажа с подключенным резистором? только качественное Изменено 4 Апреля, 2014 в 07:46 пользователем ads Ссылка на комментарий Поделиться на другие сайты Поделиться
Гость vtkjvfy Опубликовано 4 Апреля, 2014 в 07:44 Жалоба Поделиться Опубликовано 4 Апреля, 2014 в 07:44 Да, конечно! Чуть позже скину. :smile: Ссылка на комментарий Поделиться на другие сайты Поделиться
Рекомендуемые сообщения
Для публикации сообщений создайте учётную запись или авторизуйтесь
Вы должны быть пользователем, чтобы оставить комментарий
Создать учетную запись
Зарегистрируйте новую учётную запись в нашем сообществе. Это очень просто!
Регистрация нового пользователяВойти
Уже есть аккаунт? Войти в систему.
Войти