Гость mreagle Опубликовано 25 Апреля, 2009 в 19:30 Жалоба Поделиться Опубликовано 25 Апреля, 2009 в 19:30 Наконец решился собрать усилитель на tda2050. Все платы сделал. УНЧ по схеме Lincor-a. БП по схеме WHH, почти, 2 кондёра на 6800, 2 по 2200, и 2 по 2200 LowESR, диоды SF56. Снаббер, если я не ошибаюсь(цепь перед диодами) один в один по схеме. Трансформатор - ТП-50-6 (2х12В, 2.0А) Как только подошёл момент запуска, я решил проверить питание. Вот тут-то и ожидала проблема. Включаю пустой трансформатор в сеть, меряю вторичку - 14В. Подключаю снаббер - на выходе 14В. Подключаю выпрямитель с кондёрами, меряю - 38В в каждом плече. Меряю напругу между плюсом и минусом (не на общий) - вообще 77В. Лампочка 220В 100Вт вспыхивает в полнакала секунды на 2. Я конечно знаю, что на хол. ходу на выходе выпрямителя напруга должна быть повышенной, но чтоб так... В общем, вопрос такой - нормально это или нет? (38В на выходе) Транс включён так: Ссылка на комментарий Поделиться на другие сайты Поделиться
Гость mikky Опубликовано 25 Апреля, 2009 в 20:13 Жалоба Поделиться Опубликовано 25 Апреля, 2009 в 20:13 Может серидинка от транса не пропаяна? Ваще-то надо бы схемку БП полностью выкладавать, я искать уже замучался , а так и не нашёл.. Ссылка на комментарий Поделиться на другие сайты Поделиться
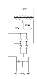
Гость mreagle Опубликовано 25 Апреля, 2009 в 20:20 Жалоба Поделиться Опубликовано 25 Апреля, 2009 в 20:20 Вот. Примерно так. Снаббер не рисовал. Я только не пойму - разве диодный мост так должен выглядеть? Ссылка на комментарий Поделиться на другие сайты Поделиться
Гость mikky Опубликовано 25 Апреля, 2009 в 20:30 Жалоба Поделиться Опубликовано 25 Апреля, 2009 в 20:30 То что удваивает- стопуд.Только почему?Надо монтаж проверять.Такое может быть если середина от транса не доходит Ссылка на комментарий Поделиться на другие сайты Поделиться
Datagor Опубликовано 25 Апреля, 2009 в 21:28 Жалоба Поделиться Опубликовано 25 Апреля, 2009 в 21:28 Ребята, такого не может быть никогда, как бы mreagle не извратил схему БП. Если трансформатор исправен, то ни при каких условиях не может получится 38 Вольт в каждом плече из 12 переменки. А тем более 77В между плюсом и минусом из 24. Это уже не удвоение! :smile: Это вечным двигателем попахивает. См. на схему. Если вааще забыть про среднюю точку, на выходе получим (24В х 1,42) - падение на диодах = около 33 Вольт. Советую поменять батарейку в мультиметре и правильно выбирать режим измерения (постоянка/переменка). Ссылка на комментарий Поделиться на другие сайты Поделиться
Гость mreagle Опубликовано 26 Апреля, 2009 в 06:06 Жалоба Поделиться Опубликовано 26 Апреля, 2009 в 06:06 Всё, нашёл ошибки. Первая - в снаббере середина транса на плате просто висела-дорожку не довёл. Вторая - между снаббером и выпрямителем(они у меня отдельные блоки) общий провод поменялся местами с одним из проводов питания. Теперь на выходе около 20В. А масса действительно оказалась виртуальной. Всем спасибо за помощь. Тему пока не закрываю - усь пока ещё не готов. Ссылка на комментарий Поделиться на другие сайты Поделиться
Гость mikky Опубликовано 26 Апреля, 2009 в 08:19 Жалоба Поделиться Опубликовано 26 Апреля, 2009 в 08:19 Молодец, только в следующий раз полностью схему того что спаял выкладывай.По ссылкам к первоисточникам дольше искать, чем жпг загрузить, а как рисуется трансформатор, или мост мы и так знаем :smile: Ссылка на комментарий Поделиться на другие сайты Поделиться
Гость mreagle Опубликовано 26 Апреля, 2009 в 09:09 Жалоба Поделиться Опубликовано 26 Апреля, 2009 в 09:09 Чипы я уже купил, но и 2052 тоже поищу. Ссылка на комментарий Поделиться на другие сайты Поделиться
misol62 Опубликовано 26 Апреля, 2009 в 10:15 Жалоба Поделиться Опубликовано 26 Апреля, 2009 в 10:15 И лучше делать фотки. Одно дело рисунок, а другое дело, то что получается в действительности. Ссылка на комментарий Поделиться на другие сайты Поделиться
Гость mreagle Опубликовано 26 Апреля, 2009 в 15:46 Жалоба Поделиться Опубликовано 26 Апреля, 2009 в 15:46 Наконец-то собрал в корпус. Проверил - всё работает. Звук порадовал. Теперь дело за темброблоком, релейно-кнопочным выключателем, лицевой панелью и парочкой других устройств. Да, кстати, щелчков при вкл/выкл я не услышал. Ссылка на комментарий Поделиться на другие сайты Поделиться
Гость mikky Опубликовано 26 Апреля, 2009 в 20:12 Жалоба Поделиться Опубликовано 26 Апреля, 2009 в 20:12 Теперь собери что-нибудь на другой микрухе, ещё больше обрадуешься.:smile:Мне лично это семейство не оч.нравится.. Ссылка на комментарий Поделиться на другие сайты Поделиться
Гость alexjc Опубликовано 27 Апреля, 2009 в 06:40 Жалоба Поделиться Опубликовано 27 Апреля, 2009 в 06:40 функция MUTE не спасает от напряжения питания на выходе, при выходе микрухи. Спаленная АС поболе настроенеи может испортить :smile: mikky какая микруха с такой же мощностью реально лучше? (я чесно не знаю) Ссылка на комментарий Поделиться на другие сайты Поделиться
Рекомендуемые сообщения