picap Опубликовано 25 Декабря, 2012 в 22:03 Жалоба Поделиться Опубликовано 25 Декабря, 2012 в 22:03 При очередной инвентаризации на с своем складе был снова обнаружен комплект радиоконструктора Электроника-20.Все комплектное. Нет лишь схемы индикатора уровня выходного сигнала.Хотел с Вами посоветоваться. Собирать все в оригинале ......или воткнуть туда модули , соответствующие современным требованиям..... ??? Руки чешутся. Возможно , кто из наших коллег, собирал данный усилитель.... (давно-давно...) Хочется услышать отзывы. В И-Нэте отзывы разноообразные, кто плохо отзываеся об УНЧ, кто , обо всем конструкторе.... Но. База есть ! Есть фото оригинальных плат, схемы и материал , относящийся к усовершенствованию. (При чьем либо интересе выложу подробные фото !) Опа ! Нет схемы индикации (динамической) выходной мощности на светодиодах .Восемь штук на канал. Буду благодарен тому, кто представит данную доку.!!! Итак.... начинаем ! Добавлено после раздумий: Прилагаю описание и фото. Добавлено после раздумий: Печатку индикаора ( с двух сторон прилагаю)! Ссылка на комментарий Поделиться на другие сайты Поделиться
sstvov Опубликовано 25 Декабря, 2012 в 22:06 Жалоба Поделиться Опубликовано 25 Декабря, 2012 в 22:06 Собирал я такой когда-то. У него на низких частотах подъём очень сильный был, и при большой громкости иногда свистеть начинал. Через насколько дней после сборки был продан через комиссионку :smile: Ссылка на комментарий Поделиться на другие сайты Поделиться
metrolog Опубликовано 26 Декабря, 2012 в 03:12 Жалоба Поделиться Опубликовано 26 Декабря, 2012 в 03:12 Нужно собирать оригинал, хотя бы для его оценки. Раскурочить всегда успеется. Надысь тоже купил Radiotehnika У101 за 650р, заводские пломбы целые. Брал под корпус, но ломать рука не поднялась - все в отличном состоянии. Попробую восстановить (с лёгким тюнингом) и прослушать. Ссылка на комментарий Поделиться на другие сайты Поделиться
teamoon Опубликовано 26 Декабря, 2012 в 04:25 Жалоба Поделиться Опубликовано 26 Декабря, 2012 в 04:25 (изменено) Нужно собирать оригинал, хотя бы для его оценки.Раскурочить всегда успеется. Надысь тоже купил Radiotehnika У101 за 650р, заводские пломбы целые. Брал под корпус, но ломать рука не поднялась - все в отличном состоянии. Попробую восстановить (с лёгким тюнингом) и прослушать. Сергей, а что за тунинх? У самого стоит У7101 "затюненый", по статье из тырнета. Звук радует :smile: (Можно и наверное нужно в личку, что бы тему не перебивать) Изменено 26 Декабря, 2012 в 04:26 пользователем teamoon Ссылка на комментарий Поделиться на другие сайты Поделиться
Гость kyv Опубликовано 26 Декабря, 2012 в 05:17 Жалоба Поделиться Опубликовано 26 Декабря, 2012 в 05:17 Сергей, а что за тунинх?У самого стоит У7101 "затюненый", по статье из тырнета. Звук радует :smile: (Можно и наверное нужно в личку, что бы тему не перебивать) На прошлой неделе взял Радиотехнику У7101 на "органы", главный орган- корпус. Включил-сильно фонит. Жалко его стало курочить. Тупо заменил все электролиты, в переменники накапал силикона. Работает. Чтобы тему не перебивать. Сделайте конструкор, разломать то недолго. Ссылка на комментарий Поделиться на другие сайты Поделиться
z.wadim Опубликовано 26 Декабря, 2012 в 05:25 Жалоба Поделиться Опубликовано 26 Декабря, 2012 в 05:25 Есть у меня такой конструктор даже вместе с эквалайзером. 20 лет назад его собирал и слушал. Сейчас звук уже не нравится. Не музыкальный он. Микросхемы в преде и оконечник на КТ805 портят звук. Запас по мощности низкий. В общем для меня он музыкальной ценности не представляет. Стоит как память о прошлом... Ссылка на комментарий Поделиться на другие сайты Поделиться
Datagor Опубликовано 26 Декабря, 2012 в 05:44 Жалоба Поделиться Опубликовано 26 Декабря, 2012 в 05:44 Очень давно, в прошлом веке, ковыряли мы с приятелем такой конструктор. Вижу у Александра печатки - стеклотекстолит, а вот в нашем наборе был самый говенный гетинакс, а в Инструкции было написано: у вас отпали дорожки от платы - а вы просто приклейте их обратно клеем БФ! :smile: И они действительно отваливались, а мы матерились и спаивали кусками проводов. Как он поёт мы так и не услышали, не хватило квалификации для победы - школьники мы были, да без чуткого руководства. Единственный 40-ваттный советский паяльник, про регуляторы мощности и паяльные станции и слыхом не слыхивали мы в 80-е года... Золотое времечко! Но судя по паспорту, характеристики усилителя не айс. Собрать можно по причине очень свободного времени. Если не изменяет память, там номинальная выходная мощность нормировалась по 10% искажений. Ну электролиты все сразу поменять на свежие. Должен запеть. Где-то в закромах есть полный паспорт от этого конструктора, только до НГ врядли найду. Ссылка на комментарий Поделиться на другие сайты Поделиться
picap Опубликовано 26 Декабря, 2012 в 06:30 Автор Жалоба Поделиться Опубликовано 26 Декабря, 2012 в 06:30 (изменено) Плата из стеклотекстолита лишь одна - индикации. Остальное- говеный гетинакс. Скорее всего под УНЧики сделаю новые платы из стеклотекстолита. Не люблю я отвалившихся дорожек с детства. В описании (приложение к ЮТ) есть несколько строк по приведению данного конструктора в чуство. Хоть как-то. Само собой электролиты под замену и флажки из красной глины, транзисторы КТ315 сменить на КТ3102, многооборотник под установку тока покоя и диоды VD4-VD6 на радиатор.(УНЧ) Изменено 26 Декабря, 2012 в 06:37 пользователем picap Ссылка на комментарий Поделиться на другие сайты Поделиться
Datagor Опубликовано 26 Декабря, 2012 в 06:57 Жалоба Поделиться Опубликовано 26 Декабря, 2012 в 06:57 Саня, ты зацени ЭТУ ЗЕЛЕНУЮ ПАЯЛЬНУЮ МАСКУ! Пьяная малярша с завязанными глазами расписывала под хохлому! Жуть :smile: Но у меня по-моему и такой не было. Ссылка на комментарий Поделиться на другие сайты Поделиться
Chugunov Опубликовано 26 Декабря, 2012 в 10:01 Жалоба Поделиться Опубликовано 26 Декабря, 2012 в 10:01 Александр! Я так понимаю, что интерес в первую очередь спортивный и время есть. Почему бы тогда не собрать уже имеющийся усилитель. Поддерживаю намерения "электролиты под замену и флажки из красной глины", но в питании, похоже на К50-24, они могут быть хорошими; "многооборотник под установку тока покоя" само собой; "VD4-VD6 на радиатор" диоды обоих мостов лучше заменить - сейчас это не проблема. А вот делать новые платы ПОКА я не советую. Аккуратно, с паяльником на 25 ватт (с регулятором, конечно), ПОС-60 и флюс, должно нормально получиться, если только гетинакс не пересох и скрючился. Блок питания нормальный, но не слишком мощный. Его можно улучшить новыми выпрямителями, добавкой емкостей в фмльтры, интегральными стабилизаторами на ±15 В. Транс слабоват, но тут увы. Блок защиты нормальный. Блок индикации. Если собран на специализированных микросхемах, найти их типовое включение, в интернете есть данные о пересылках схем на e-mail попробовать написать. Блок тембров пока оставить. Но проверить хотя бы компьютером, при каких положениях потенциометров АЧХ горизонтальна. Предварительный усилитель. Выкинуть микросхему граммофона. УМЗЧ. Собрать как есть. Менять КТ805 на КТ819 и т. п. особого смысла нет, надо радикальное улучшение, а не чуть-чуть. Идея такова - если делать новую плату УМЗЧ на стеклотекстолите, то для новой схемы УМЗЧ и сначала менять ОДИН КАНАЛ для сравнения - что лучше и насколько. Можно опробовать несколько микросхемных усилителей. Ведь интересно именно сравнить, не так ли? В любом случае, это хорошая база для усилителя небольшой мощности, а качество зависит от собирателя. Ссылка на комментарий Поделиться на другие сайты Поделиться
Yamazaki Опубликовано 26 Декабря, 2012 в 10:18 Жалоба Поделиться Опубликовано 26 Декабря, 2012 в 10:18 Александр, вы серьёзно хотите переделывать платы ради сомнительной древней советской схемы? Ладно бы там было что-то примечательное, но это же типичный лин, к тому же на плохих деталях. Какое низкое коварство полуживого забавлять(с)Пушкин Представляют интерес индикатор, корпус, транс. Если собирать, то только как музейный экспонат) Ссылка на комментарий Поделиться на другие сайты Поделиться
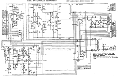
metrolog Опубликовано 26 Декабря, 2012 в 11:58 Жалоба Поделиться Опубликовано 26 Декабря, 2012 в 11:58 (изменено) Сергей, а что за тунинх? Пока по минимуму: смазать переменные резисторы, заменить мелкие электролиты, заменить керамику на плёнку, поставить релейный селектор каналов. А вообще тема модернизации этого усилителя в сети уже порядком заезжена, много интересного. Оценю по-полной после реанимации, а там видно будет, что с ним дальше делать. Плата из стеклотекстолита лишь одна - индикации. Остальное- говеный гетинакс. Скорее всего под УНЧики сделаю новые платы из стеклотекстолита. Не люблю я отвалившихся дорожек с детства. Ничего не отвалится, если аккуратно паять. Отвалившиеся дорожки - это удел практикантов и начинающих, тебя, Александр, это наверняка не касается :smile: Дай мне сейчас гетинакс я бы его за милую душу поюзал (сверла, пилы не садятся), но нет его - увы. Кстати, Саш, надыбал я у себя все схемы. На конструктор тогда денег не хватало, но полный комплект схем выписал по почте (усилитель+эквалайзер). Хреново, что лист большой (А3) и освещение плохое. Если что не понятно на фото - спрашивай. Изменено 26 Декабря, 2012 в 11:58 пользователем metrolog Ссылка на комментарий Поделиться на другие сайты Поделиться
Рекомендуемые сообщения
Для публикации сообщений создайте учётную запись или авторизуйтесь
Вы должны быть пользователем, чтобы оставить комментарий
Создать учетную запись
Зарегистрируйте новую учётную запись в нашем сообществе. Это очень просто!
Регистрация нового пользователяВойти
Уже есть аккаунт? Войти в систему.
Войти